
APPLICATION NOTES
SMD LEDs processing guideline

APPLICATION NOTE
SMD LEDs processing guideline
Introduction
LEDs have become popular light sources. Its packaging forms include (ThroughHole type)DIP type and surface mount type (SMD type). Normally, surface mount LED is no different from other SMD electronic parts in terms of processing. However, due to their optical characteristic, their specific encapsulation materials could be more sensitive if handled or assembled not properly. LEDs may be damaged or their optoelectronic characteristic may fail completely.
Recently, LEDs have adopted progressive miniaturization and new packaging concepts. Referring to Fig. 1 below, the requirements for LEDs assembly and soldering are getting higher and higher. For example, for new high-power LEDs, the soldering process is designed and tuned to minimize the voids in the solder paste. Especially in the heat dissipation pads of high-power LEDs, the smaller the number of voids, the better the connection to the PCB. This soldering quality will affect the performance and life of the LED. In this case, the factors affecting the quality of the soldering are varied and are usually not determined by a single process step. Factors such as component cleanliness, solder paste material and composition, solder stencil pattern, PCB solder pad pattern design, reflow soldering temperature curve (Profile), and other factors are interrelated.

SMT process:

In this document, we will explain processes such as solder paste printing, pick and place, and reflow soldering and explain the precautions.
2.1 PCB
The common PCB board is FR-4. In addition, FPC (Flexible Printed Circuit) is also used to match the product shape, which can be designed with a large bending degree. FPC is a special printed circuit board. It is featured by light weight, thin thickness, softness, and bendability. Mainly used in mobile phones, notebook computers, screen backlights, gaming keyboards, and other products.
2.2 Solder stencil
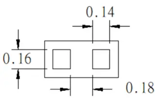
For the recommended pad size(footprint) and solder stencil aperture size, please refer to the product datasheet. (Refer to Fig. 3 and Fig. 4: 19-218/T1D-CQ2R2TY/3T specification). It is recommended that the pad can be slightly larger than the size of the component PAD by about 15~25%, which has a better soldering result.

If the size of the component is smaller than 1608, such as CSP0603, the solder stencil pattern is recommended to be round (the PCB pad is still square), and the better aperture
of the solder stencil is 75~90% of the size of the pad, which can improve the solder paste printing and soldering yield rate. The thickness of the solder stencil is 0.03~0.08mm, and the spacing between the solder stencil pads is not less than the spacing between the component pads (CSP0603 pad spacing is 185um).
| P/N | CSP0603 | CSP1007 |
| Color | White(Single chip) | RGB |
| Size | 0.6 x 0.3 x0.15(mm) | 1.0 x 0.7 x 0.15(mm) |
| Appearance | ![]() | ![]() |
| Footprint | ![]() | ![]() |
Table 1. CSP Recommended footprint
In solder paste printing, the quality of LED soldering after reflow soldering depends on the pads and stencil apertures. However, according to the actual process conditions of
the customer, if the pads and solder stencil follow the recommendation in the datasheet, the soldering result is not ideal. In this case, please adjust the aperture size and thickness of the solder stencil to achieve the best result.
2.3 Solder Paste Printing
Solder paste is the most critical material in SMT processing. It is made up of alloy solder balls (Solder powder) and Flux evenly mixed in proportion. Print it on the pad through the solder stencil, jelly-like solder paste allows SMD parts to adhere to it. After being heated and melted in a reflow oven, the electrode PAD of the SMD part and the pad of the PCB are welded together to form a loop and conduct current. Solder paste is printed on the circuit board. After patching, the SMD parts are soldered on the circuit board through a reflow oven. This is the most common SMT processing flow. The solder paste printer function is to accurately reapply solder paste to a certain position of the circuit board and control the amount of solder paste. The size of the aperture and thickness of the solder stencil can accurately control the amount of solder paste printed. Once the printing position of the solder paste is shifted too much, the component will not be able to solder well and there may be a quality issue such as tin connection(short) and solder balls. Excessive amounts of solder paste may cause short circuits or empty soldering defects.
Solder paste selection:
For general-sized SMD LEDs, you can choose Type 4 solder paste. For other small-sized packages such as CSP0603 series products, due to the smaller size of the component pads, It is recommended to use solder paste Type 5 ~ 7 for the bonding process:
| Type 4 | Type 5 | Type 6 | Type 7 | |
| Solder powder size (um) | 25-38 | 15-25 | 15-May | 2~11 |
Table 2. Classification of solder paste
Solder paste storage
Solder paste stored in the refrigerator cannot be used directly and requires stirring before use. The purpose of stirring is to restore the uniform distribution of solder paste particles and flux that have become uneven during storage in the refrigerator. If it is still uneven, good ductility will not be obtained. Note that if you stir for too long, the temperature of the solder paste will rise and the flux will deteriorate. Also, to avoid solder paste condensation and moisture absorption, make sure the solder paste returns to room temperature before using it.
Adjustment of scarpering material and printing conditions
The scraper is made of metal, plastic, PU polyurethane, etc. The metal scraper is a hard material, and it is easy to adjust the amount of solder paste evenly, but it has the disadvantage that the steel mesh is easily scratched and has a short life. On the other hand, the PU squeegee has a long life due to its soft material, but when the aperture size is large, the squeegee may be bent, and the amount of solder paste will be partially reduced (uneven). The performance of plastic scrapers is between metal and PU. Please select the appropriate scraper according to the application.
2.4 Pick and Place
After the solder paste is printed on the PCB, the SMD components are accurately placed on the PCB pads with the solder paste printed by the chip mounter machine (also known as the placement machine). In the SMT production line, it is placed after the solder paste printing machine and is divided into a medium-speed placement machine, a high-speed placement machine, and an ultra-high-speed placement machine according to the placement speed. For small-size CSP series products, it is recommended to use Fuji NXT III and Panasonic PM=W2 models.
2.5 Nozzle Recommendations
The selection of the correct nozzle and the appropriate speed of the parts can avoid the occurrence of sticking to the nozzle. The principle of nozzle selection is that the inner
diameter of the nozzle should be smaller than the size of the component and if there is an anti-stick coating on the surface of the nozzle. , It can reduce the sticking of the component to the nozzle, or use the elastic material nozzle, which has high wear resistance and is equipped with a shrapnel design to reduce the impact on the surface of the LED during placement.
Taking CSP0603 as an example, the nozzles verified by us are as follows:
| Model | SM481 |
| Vender | Samsung |
| Nozzle | CN020 |
| Outer diameter | 0.5mm |
| Inner diameter | 0.16mm |
Table 3. CN020 nozzle parameters
Nozzle suction optimization
Adjust and optimize the suction setting of the nozzle according to the shape and material of the LED. Generally, the suction force is set to the value of about -35 ~ -75Kpa.
2.7 Reflow
Reflow soldering is a key process in SMT production and a reasonable temperature profile setting is the key to ensuring the quality of reflow soldering. Inappropriate temperature curves will cause soldering defects such as incomplete soldering, virtual soldering, tombstones, and voids on the PCB, which will affect product quality. Reflow soldering is the process of placing parts mounted on solder paste into a high-temperature reflow oven, melting the solder paste, and connecting them together. The reflow oven is divided into several stages, and the connection conditions are good or bad depending on the temperature curve(Profile) of each stage.
Reflow soldering temperature profile setting
Recommended reflow profile. Please refer to the product datasheet. (Fig. 6 refers to the CSP0603AN101 datasheet).

Nitrogen reflow soldering
Nitrogen reflow soldering is recommended when the budget allows. Using nitrogen reflow soldering can improve the fluidity and wettability of the solder paste. Nitrogen reduces the solubility of oxygen (O2) in the original air and contaminants on the soldering surface. Greatly reduces the oxidation of high-temperature soldering. In addition, the optical deterioration caused by reflow soldering is mainly caused by discoloration of the LED LENS (encapsulation resin). The discoloration of the encapsulation resin is caused by the deterioration and oxidation of the resin caused by the high temperature of reflow. The oxidative discoloration is suppressed and reduction in luminous flux is improved by using nitrogen reflow soldering.
However, it should be noted that the use of nitrogen reflow soldering for smaller packages, such as: 1205, 0805, 0603, 0402, etc., is prone to cause tombstone defects.
2.8 Storage conditions
There are eight moisture sensitivity levels based on the MSL moisture/reflow sensitivity classification as indicated on the product packaging label. Components must be installed and reflow soldered within the specified time (workshop life outside the sealed bag).
| MSL | 1 | 2 | 2A | 3 | 4 | 5 | 5A | 6 |
| Workshop time | Unlimited | 1year | 4weeks | 168hrs | 72hrs | 48hrs | 24hrs | Bake before use |
Table 4. MSL workshop life
If the humidity indicator card is discolored or needs to be dried, it can be baked at 80 degrees for 5 hours (the condition is reducible to the temperature due to the consideration
of the desiccant outer packaging material), and the total number of baking processes shall not exceed ten times.
2.9 AOI Optical inspection
After the patch is completed, confirm the soldering quality of the product
| Confirm item | Possible root cause | |
| 1 | Are there any cracks in the appearance of the parts? | Too much suction of nozzle. |
| 2 | Are the parts floating? | Improper nozzle movement. Or the circuit board pad shape is not suitable. |
| 3 | Are there solder balls? | Too much solder paste can create solder balls. |
| 4 | Is there a solder bridge (short circuit)? | Too much solder paste can create bridging. Or the PCB pads are too close together. |
Table 5. Examples of inspection and confirmation items
2.10 Others
In this section, we will explain the details of the carrier template. The carrier has the following main functions during the SMT process step:
√ Keep the circuit board flat and supported during printing.
√ The rigidity of the carrier can increase the patching stability.
√ Keep the circuit board(PCB) flat during reflow to reduce the amount of deformation after reflow. If the PCB is thinner (<1.6mm or FPC), it can be attached by sticking the high-temperature resistant tape to increase the yield and improve the efficiency.
√ It is convenient to introduce AOI for automatic quality inspection.

When using a carrier for PCB transfer, the PCB is mounted on the carrier and moved during the SMT process, but if the carrier is warped, there will be mounting defects. Even
if the carrier is not warped at the start of production, warpage can occur through dozens of times of reflows. It is recommended to regularly check whether the carrier is warped.
Common causes of poor patching
Checkpoints and Countermeasures

Offset:
1. Offset before reflow:
√ The patch accuracy is not precise.
√ The adhesiveness of solder paste is not enough.
√ The PCB vibrates before the reflow oven.
2. Offset during reflow soldering:
√ Check profile whether the heating curve and warm-up time are appropriate.
√ Whether the PCB vibrates in the reflow oven.
Short circuit:

- The steel plate is too thick, the deformation is serious, or the aperture of the solder stencil is deviated, which does not match the position of the PCB pad.
- The solder stencil is not cleaned in time.
- Improper setting of scraper pressure or scraper deformation.
- The printing pressure is too large, making the printing paste blurry.
- A solder mask bridge can be added between the pads.
- The solder paste particles are too large and the surface tension of the flux is too small. Use Type4 or higher solder paste.
Solder balls:

- Before printing, the solder paste is not fully thawed and stirred evenly.
- Insufficient preheating, too slow, and uneven heating.
- The pressure of the patch is too high, and the downward pressure causes the solder paste to collapse onto the ink.
- Environmental impact: The humidity is too high, the normal temperature is 25+/-5°C, the humidity is 40-60%, and it can reach 95% when it rains, so dehumidification is required.
- The solder paste is exposed to the oxidizing environment for too long and absorbs the moisture in the air.
- If it is not reflowed for too long after printing, the solvent volatilizes, and the paste becomes dry powder and then falls onto the ink.
- The speed of the scraper is too fast, resulting in a poor slump and solder balls after reflow.
Tombstone:

- Uneven paste printing or too much offset, one side of the paste is thick, the pulling force is large, and the other side is thin, the pulling force is small, so that one end of the component is pulled to one side to form an empty solder, and one end is pulled up to form a tombstone.
- The patch is offset, causing uneven force on both sides.
- One end of the part electrode is oxidized, or the electrode size is different, and the paste printing is poor, causing uneven stress on both ends.
- The width of the pads at both ends is different, resulting in different affinity.
- If the solder paste is printed and then placed too long, the flux will evaporate too much and the activity will decrease.
- Insufficient or uneven reflow preheating, high-temperature area are few components, low-temperature area are many components, and paste melting first from temperature
high area, the tensile force formed by the solder paste is greater than the adhesive force of the solder paste to the parts, and the force is uneven causing tombstones.
The information in this application note is only for customer design reference. Please verify the actual use by yourself. If you have any other questions, please contact Everlight staff for further technical support.
Copyright © 2022, Everlight All Rights Reserved.
Release Date: 2/22/2022 Rev.1.0
www.everlight.com






















