ALPINE HDZ-653S Status Hi-Res Series 6-1 2-Inch 3-Way Slim-Fit Component System

CONTENTS

EXTERNAL DIMENSIONS
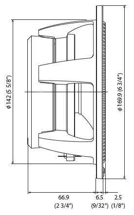
- Woofer (HDZ-653S/HDZ-65CS)


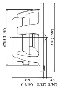
- Midrange Speaker (HDZ-653S)


- Tweeter (HDZ-653S/HDZ-65CS)


- Network (HDZ-653S)


- Network (HDZ-65CS)


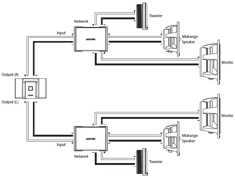
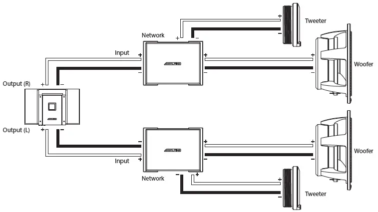
WIRING CONNECTION
- HDZ-653S


INSTALLATION
- Woofer (HDZ-653S/HDZ-65CS)

- Midrange Speaker (HDZ-653S)

- Tweeter (HDZ-653S/HDZ-65CS)
Montage rotatif en affleurement
- Tweeter (HDZ-653S/HDZ-65CS) Stealth (may require gluing)
Montage cache (un collage peut etre necessaire)
- Network (HDZ-653S)

- Filtre (HDZ-653S)
- Network (HDZ-65CS)

- Filtre (HDZ-65CS)
SPECIFICATIONS
| HDZ-653S | HDZ-65CS | ||
| Units Type | Woofer | 6-1/2”(16.5 cm) Carbon Cone | 6-1/2”(16.5 cm) Carbon Cone |
| Midrange Speaker | 3-1/2”(8.9 cm) Carbon Cone | ||
| Tweeter | 1”(2.5 cm) Carbon Cone | 1”(2.5 cm) Carbon Cone | |
| Maximum Peak Power | 300 Watts in system | 300 Watts in system | |
| Maximum RMS Power | 100 Watts in system | 100 Watts in system | |
| Impedance | 4 ohms | 4 ohms | |
| Sensitivity | 88 dB SPL (2.83 V @ 1 m) | 88 dB SPL (2.83 V @ 1 m) | |
| Frequency Response | 55 Hz to 40 kHz | 55 Hz to 40 kHz | |
| Mounting Deps/Drop-in Mounting | Woofer | 2-3/4” (6.7 cm) | 2-3/4” (6.7 cm) |
| Midrange Speaker | 1-9/16” (3.9 cm) | ||
| Cutout Diameter | Woofer | 5-5/8” (14.2 cm) | 5-5/8” (14.2 cm) |
| Midrange Speaker | 3-1/8” (7.9 cm) | ||
| Recommended Amplification | Up to 100 watts RMS. per channel | Up to 100 watts RMS. per channel | |
Design and specifications are subject to change without notice.
Warning
- RMS Power / Peak power specified on this product is the value in 3way (HDZ-653S) / 2way (HDZ-65CS) system connected to passive network included in this package.
Using each speaker connected directly to amplifier without using designated network will void your warranty. - This product contains a high-performance tweeter.
If there is a tweeter already installed in your car, you must disconnect its terminal.
If you leave the original tweeter connected and connect this product in parallel, fault may occur in this product.
SHEN ZHEN QICAI TECHNOLOGY CO., LTD.
Building 197, Tongyufu Industrial Zone, Weizai New Village, Kukeng Community, guanlan street, Longhua District, Shenzhen City, China



































