GIRA 3000 System Zero Voltage Relay Switching Insert

Safety instructions
Electrical devices may only be mounted and connected by electrically skilled persons.
Serious injuries, fire or property damage possible. Please read and follow manual fully.
Danger of electric shock. Always disconnect before carrying out work on the device or load. In so doing, take all the circuit breakers into account, which support dangerous
voltages to the device and or load.
Danger of electric shock on the SELV/PELV installation. Not suitable for switching SELV/PELV voltages.
This manual is an integral part of the product, and must remain with the end customer.
Intended use
- Switching of isolated circuits for lighting
- Control of electric underfloor heating systems and electrothermal valve drives in combination with a room temperature controller cover
- Operation with suitable cover
- Mounting in appliance box with dimensions according to DIN 49073
Product characteristics
- Connection of extensions possible
- Time function adjustable
Operation
Switching the load
These instructions describe operation with a push-button cover. Operation with a different cover is described in the instructions for the cover in question. The operation on the main device and the 2-wire extension is identical.
- Press push-button cover.
- Output switches on or off.
Time function
Different times can be set for the automatic switching-off of the load. The time function starts as soon as the output is switched on. To terminate the time function prematurely, switch off the output manually.
The time function cannot be restarted by pressing again.
Information for electrically skilled persons
DANGER! Mortal danger of electric shock.
Disconnect the device. Cover up live parts.
Connecting and fitting the device

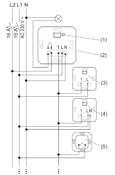
Image 1: Connection diagram with optional extensions

Image 2: Terminal-specific cable cross-section
- Connect the switch insert (2) according to the connection diagram (see figure 1). Note clampable cable cross-sections (see figure 2).
- If multiple circuit breakers supply dangerous voltages to the device or load, couple the circuit breakers or label them with a warning, to ensure disconnection is guaranteed.
- Connect the 2-wire extension (3), the 3-wire extension (4) and the push-button with NO contact (5), optionally.
Lit push-buttons must have a separate N terminal. - Fit the switch insert in the appliance box, the connection terminals must be at the bottom.
Do not attach or replace the cover under voltage, otherwise this might cause a malfunction. - Attach the frame and the cover.
- Switch on mains voltage.
The load can be switched by briefly pressing the TEST button (1).
Setting the time function
- Press the TEST button (1) for longer than 4 seconds.
LED lights up in the colour of the set time, see table. - Release the TEST button (1) briefly and then press it repeatedly until the LED lights up in the colour of the desired time.
The set time is automatically saved after 30 seconds or after pressing the TEST button (1) for approx. 4 seconds. When the LED goes out, the saving process was successful.
| LED colour | Set time |
| green | Function off |
| white | 1 minute |
| blue | 5 minutes |
| yellow | 30 minutes |
| red | 60 minutes |
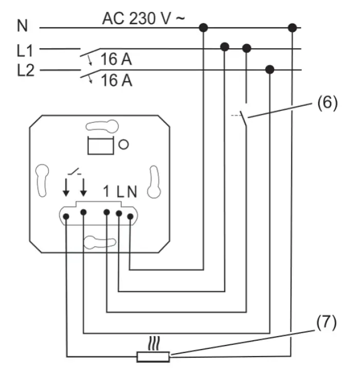
Connecting and mounting the device as a room temperature controller (see figure 3)
Recommended installation height: 1.50 m.

Image 3: Connection diagram in combination with a room temperature controller cover
Switching contact for switching to cooling mode
Electric underfloor heating system (max. 16 A) or electrothermal valve drives
If 230 V is applied to extension input 1, cooling mode is active.
Technical data
| Rated voltage | AC 230 V ~ |
| Mains frequency | 50 / 60 Hz |
| Standby load depending on the cover | approx. 0.1…. 0.5 W |
| Ambient temperature | -25 … +45 °C |
| Storage/transport temperature | -20 … +70 °C |
| Switching current at 35 °C For switching current >10A connecting cable 2.5 mm² Ohmic | 16 A (AC1) |
| Fluorescent lamps | 4 AX |
| Connected load at 35 °C Incandescent lamps | 2300 W |
| HV halogen lamps | 2000 W |
| Electronic transformers | 1500 W |
| Inductive transformers | 1000 VA |
HV-LED lamps typ. 400 W
Compact fluorescent lamps typ. 400 W
Fluorescent lamps, uncompensated 920 VA
Capacitive load 920 VA (115 μF)
Power reduction
per 5 °C in excess of 35 °C -5%
when installed in wooden or dry construction walls -15%
when installed in multiple combinations -20%
Number of extension units
2-wire, push-button unlimited
3-wire extension, rotary extension 10
Warranty
The warranty is provided in accordance with statutory requirements via the specialist trade. Please submit or send faulty devices postage paid together with an error description
to your responsible salesperson (specialist trade/installation company/electrical specialist trade). They will forward the devices to the Gira Service Center.
Gira
Giersiepen GmbH & Co. KG
Elektro-Installations-
Systeme
Industriegebiet Mermbach
Dahlienstraße
42477 Radevormwald
Postfach 12 20
42461 Radevormwald
Deutschland
Tel +49(0)21 95 – 602-0
Fax +49(0)21 95 – 602-191




















