EVF2S22P44 Evlink PARKING Floor Standing 22KW 2xt2 With Shutter
EVlink Parking – EVF2S7P• – EVF2S22P
Instruction Manual
EVF2S22P44 Evlink PARKING Floor Standing 22KW 2xt2 With Shutter
www.se.com/en/download/
NHA47410_IT_ES ![]()
NHA47410_DE_RU ![]()
http://www.se.com/en/download/
http://onelink.to/qp3fez
This document contains the general description and/or technical characteristics of the products mentioned. It may not be used to define or determine the suitability or reliability of these products for specific user applications. Each user or integrator shall perform a full and appropriate risk analysis, product assessment and tests as regards the application to be used and its operation. Neither Schneider Electric nor any of its affiliates or subsidiaries shall be liable for the incorrect use of the information contained in this document. Please contact us if you have any suggestions, improvements or corrections to be made to the document.
No part of this document may be reproduced in any form or by any means, electronic, mechanical or photocopying, without the prior authorization of Schneider Electric.
All relevant local safety regulations must be respected when installing and using this product. For safety reasons and to ensure compliance with documented system data, repairs to components must be performed only by the manufacturer.
In the event where equipment is used for applications with technical safety requirements, users must follow the appropriate instructions.
Failure to use Schneider Electric software or an approved software with our hardware products may result in personal injury, damage or malfunction.
Non-compliance with instructions may cause bodily injury or damage to property.
© 2019 Schneider Electric. All rights reserved.
Safety instructions
Important information
NOTIC
Read these instructions carefully and look at the equipment to become familiar with the device before trying to install, operate, or maintain it. The following special messages may appear throughout this bulletin or on the equipment to warn of potential hazards or to call attention to information that clarifies or simplifies a procedure.
The addition of this symbol to a “Danger” safety label on the product indicates that an electrical hazard exists which will result in personal injury or death if the instructions are not followed.
This is the safety alert symbol. It is used to alert you to potential personal injury hazards. Obey all safety messages that follow this symbol to avoid possible injury or death.
DANGER
DANGER indicates an imminently hazardous situation which, if not avoided, will result in death or serious injury.
WARNING
WARNING indicates a potentially hazardous situation which, if not avoided, can result in death or serious injury.
CAUTION
CAUTION indicates a potentially hazardous situation which, if not avoided, can result in minor or moderate injury.
NOTICE
NOTICE is used to address practices not related to physical injury.
IMPORTANT NOTES
Electrical equipment should be installed, operated, serviced, and maintained only by qualified personnel. No responsibility is assumed by Schneider Electric for any consequences arising out of the use of this equipment.
A qualified person is one who has skills and knowledge related to the construction, installation and operation of electrical equipment and who has received safety training to recognize and avoid the hazards involved.
Read this guide carefully and examine the equipment to become familiar with its operation before installing it. This guide must be kept for future use.
All applicable local, regional, and national regulations must be respected when installing, repairing, and maintaining this equipment.
This device should not be installed if, when unpacking, you observe that it is damaged.
This device cannot be used to control the room ventilation on demand from the vehicle.
Vehicle adapters and extension cords cannot be used.
About this guide
Overview
Aim of this document
This document describes how to install EVlink Parking charging stations.
Area of application
This installation guide covers the following EVlink Parking charging stations:
- EVF2S••••••• 7-22 kW floor standing charging stations
- EVW2S••••••• 7-22 kW wall mounted charging stations
Related documents
You can download the following documents by searching for the document reference on our website (www.se.com):
| Document title | Commercial reference | Customers reference |
| EVlink Commissioning Guide | – | DOCA0060EN |
| Electric Vehicle simulation tool | EVA1SADS | DOCA0179EN |
Description of the station
1.1 Floor standing station: dimensions
1.2 Wall mounted station: dimensions
1.3 Description of the station
| A. Covers B. Enclosure C. Pedestal D. Bracket E. Socket-outlet not functioning indicator light (red) F. Socket-outlet reserved indicator light (orange) G. Socket-outlet available indicator light (green) H. Shutter release button Plug inserted in socket-outlet indicator light | I. Charging stop button J. Charging indicator light (green) K. Mode 3 socket shutter L. Mode 3 socket-outlet M. Mode 2 socket shutter N. Mode 2 socket O. Cable retainer P. Domestic socket-outlet |
Note: Class 1 products are suitable for both indoor and outdoor use. The product is also suitable for use in restricted and non-restricted areas.
Station life cycle

Required equipment, tools, and accessories
3.1 Equipment not supplied
| Threaded rods | Nuts | Washers |
![]() | ![]() | ![]() |
| M16 x4 | M16 x4 | M16 x4 |

| Washers | Dowels | Screws |
![]() | ![]() | ![]() |
| x4 | x4 | M12 x4 |
3.2 Tools not supplied

Technical data
4.1 General data
- Protection class: IP54 (IEC 60529 ed 2.0)
- Mechanical protection class: IK10 (IEC 62262 ed 1.0)
- Socket according to:
- IEC 62196-1 ed 3.0: Type 2
Type 2 with shutters - IEC 60884-1 ed 3.2: NF C61-314 Type E
DIN 49440 Type F
- IEC 62196-1 ed 3.0: Type 2
- Operating temperature: -30 °C +50 °C (For Mode 2 / Mode 3 charging station, refer to the product data sheet on Schneider Electric’s website for special instructions)
- Storage temperature: -40 °C +80 °C
- Earthing system: TT, TN-S, TN-C-S
- This device cannot be used to control the room ventilation on demand from the vehicle.
4.2 Electrical data
- Power supply:
- 220-240 Vac, 50 Hz/60 Hz
- 380-415 Vac, 50 Hz/60 Hz
- Ui 250 Va.c. and 500 Va.c. / Uimp = 4kV
- Ui 24 Vd.c. / Uimp = 0,8kV
- Auxiliary power supply : 220-240 Va, 50 Hz/60 Hz
- Charging power (example):
- 32 A, 230 Vac (1P): 7.4kW
- 32 A, 400 Vac (3P): 22.1kW
4.3 Communication data
- Ethernet connection ports (x3)
4.4 Conformity
- EAC certification
- CE mark
- EV Ready and ZE Ready
4.5 Handling, transport, storage
The station comprises three separate boxes (one for the cover(s), one for the pedestal or wall bracket, and one for the enclosure), to facilitate handling and installation by a single person. The products should be stored in their original packaging, in a dry, sheltered location.
Installation design
![]()
DANGER
HAZARD OF ELECTRIC SHOCK, EXPLOSION OR ARC FLASH
Do not install automatic reset systems on the residual current protection devices.
Failure to follow these instructions will result in death or serious injury.
Constraints on the electrical installation
Grounding
Ensure that the electric vehicle is compatible with the earthing system.
Use copper connectors and cables.
Connecting the charging station according to the earthing system
The charging station can be connected directly to all TT, TN-S, TN-C-S earthing systems.
Earth connection
- An additional earth connection must be added at a maximum of every 10 EVReady sockets maximum.
- All earth connections must be connected to one another.
Special case for TN earthing system
- The electrical installation upstream of the charging station must be designed in such a way that the neutral cannot be disconnected accidentally.
One surge arrester per socket is recommended for high keraunic levels, or mandatory if required by local regulations.
Configurable functions
The EVlink Parking charging station has two configurable inputs for each socket.
The functions and statuses of these inputs are not configured by default.
These may be configured and activated using the commissioning tool DOCA0060EN.
Input 1: Inactive or load shedding or circuit breaker status
Load shedding: Allows a temporary limitation of the vehicle charging current to avoid the opening of an upstream protection.
Circuit breaker status: provides information about the status of the circuit breaker on the power circuit associated with one of the charging station’s two sockets.
Input 2: inactive or conditional outgoing line
Conditional outgoing line: used to program a charging start time RS485 Communication: energy metering used to measure electric vehicle energy consumption, when associated with a Modbus energy meter.
Function power supply data
- Power supply: 220-240 Vac / 24 Vc
- IEC 61000-4-5 impulse wave: 4 kV
- Minimum power rating: 0,6 W (at 24 Vc)
- Isolation between 50 Hz inputs/outputs: 3 kV minimum
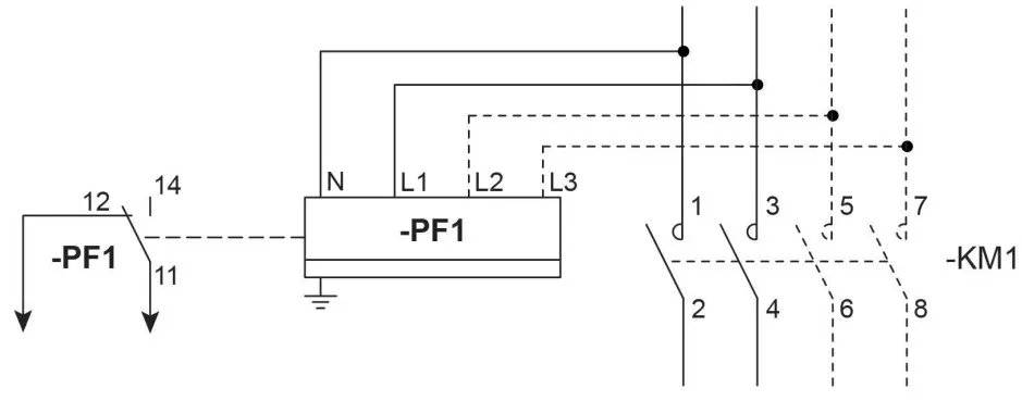
Refer to the wiring diagrams on the following pages.
For more information about the protection devices to be used, please consult your Regional Sales Office.
The determination of the protections and the section of the cables must be done in accordance with the local standards in force, using the following information and respecting the constraints of the electrical installation. In particular, the protection chosen must be limited to the value of I²t to 75,000A²s which can be provided by Schneider Electric protections from the Acti9 range that fulfil the function. If compliance with the EV Ready or ZE Ready label is requested, an undervoltage release (MNx) must be combined with the charging station circuit breaker. The protection models are provided for information only and Schneider Electric cannot be held responsible for them.
Icc may not exceed 10kA.
Recommended protection: Acti9 iC60 4P 40A curve C + iMNx (iMNx to be expected if not integrated in the charging station)
5.1 Charging Station Type
| Phases / Power | Diagram to refer to | |
![]() | 1P + N 7,4kW 32A / 2,3kW 10A | P.18 |
![]() | 3P + N 22kW 32A | P.19 |
![]() | 3P + N 1P + N 22kW 32A 2.3kW 10A | P.20 |
5.2 Lexique
- Domestic socket
- From electrical network
- Curve
- To the left plate
- To the right plate
- Left socket
- Right socket
- Power supply for circuit breaker status Circuit breaker status
- Load shedding
- Conditional outgoing line
- Load shedding relay
- Other loads
- Power supply isolated GND
5.3 1P+N Optimum Diagram

(*) Important: Connection to the contactors is also possible in single-phase, but only between N-PH1, regardless of the phase of the installation chosen. It is possible to balance the phases between the 2 sockets of the terminal.
| B type Residual Current Circuit Breaker | Commercial Reference |
| Acti9 ilD – RCCB – 2P – 40A – 30mA – B EV type | A9Z51240 |
| Acti9 iID – RCCB – 2P – 16A – 30mA – B EV type | A9Z51216 |
| Acti9 ilD – RCCB – 2P – 40A – 30mA – B-SI type | A9Z61240 |
| Acti9 iID – RCCB – 2P – 25A – 30mA – B-SI type | A9Z61225 |
5.4 3P+N Optimum Diagram

(*) Important: Connection to the contactors is also possible in single-phase, but only between N-PH1, regardless of the phase of the installation chosen. It is possible to balance the phases between the 2 sockets of the terminal.
| B type Residual Current Circuit Breaker | Commercial Reference |
| Acti9 ilD – RCCB – 4P – 40A – 30mA – B EV type | A9Z51440 |
| Acti9 ilD – RCCB – 4P – 63A – 30mA – B EV type | A9Z51463 |
| Acti9 ilD – RCCB – 4P – 40A – 30mA – B-SI type | A9Z61440 |
| Acti9 ilD – RCCB – 4P – 63A – 30mA – B-SI type | A9Z61463 |
5.5 3P+N and 1P+N Optimum Diagram

(*) Important: Connection to the contactors is also possible in single-phase, but only between N-PH1, regardless of the phase of the installation chosen. It is possible to balance the phases between the 2 sockets of the terminal.
| B type Residual Current Circuit Breaker | Commercial Reference |
| Acti9 ilD – RCCB – 4P – 40A – 30mA – B EV type | A9Z51440 |
| Acti9 ilD – RCCB – 4P – 63A – 30mA – B EV type | A9Z51463 |
| Acti9 iID – RCCB – 2P – 16A – 30mA – B EV type | A9Z51216 |
| Acti9 ilD – RCCB – 4P – 40A – 30mA – B-SI type | A9Z61440 |
| Acti9 ilD – RCCB – 4P – 63A – 30mA – B-SI type | A9Z61463 |
| Acti9 iID – RCCB – 2P – 25A – 30mA – B-SI type | A9Z61225 |
5.6 Options for each socket
OPTIONS HAVE TO BE CHOSEN AND ACTIVATED VIA COMMISSIONING TOOL (SEE DOCUMENT DOCA0060 )

5.7 Cabling recommendation for ring architecture network
When using the central port to connect the charging station to a network in ring architecture, we have observed in the field some issues regarding communication between devices.
The communication is for the most part stable between the charging stations and EcoStruxure EV charging Expert (LMS) but sometimes EcoStruxure EV charging Expert(LMS) suffers intermittent communication issues.
This problem can also occur when no LMS is present and only a supervision is present.
To avoid this type of issue, we recommend following these cabling recommendations in the field.
On Parking installation use only eth1 and eth3 connector present on the right-hand board for a ring connection.
See below the schematic of the ring architecture with EVlink Parking.

Installing the floor standing station
6.1 Box contents: pedestal

6.2 Site configuration
CAUTION
STATION TIPPING HAZARD
- The station must be fixed to the ground in accordance with applicable local standards and laws.
- The station must be fixed with M16 stainless steel threaded rods.
- The threaded rods must be embedded in the structure.
- Mechanical impact protection devices may be placed around the station to protect it against impacts (e.g. impact by a vehicle).
Failure to follow these instructions could cause injury or material damage.

6.3 Fixing the pedestal to the ground

Fitting the enclosure on the pedestal
NOTICE
DUST INFILTRATION HAZARD
When inserting and attaching the cables, keep the station closed and protected to prevent dust infiltration.
Failure to follow these instructions could cause material damage.
7.1 Box contents: enclosure

Only for charging station with RFID reader.
7.2 Fixing the enclosure to the pedestal
![]()
DANGER
HAZARD OF ELECTRIC SHOCK, EXPLOSION OR ARC FLASH
Connect the earth terminals of the pedestal and the enclosure.
Failure to follow these instructions will result in death or serious injury.

WARNING
SEAL DAMAGE HAZARD
If installing protective devices in the pedestal, fix the seal supplied in the box kit, ref.
EVP1FKC (see guide EAV71242).
Failure to follow these instructions could cause death, serious injury or material damage.

Connections
8.1 External description: cable inputs![]()
DANGER
HAZARD OF ELECTRIC SHOCK, EXPLOSION OR ARC FLASH
- Turn off all power supplying this equipment before working on the equipment.
- Always use a voltage detection device to confirm the absence of voltage.
Failure to follow these instructions will result in death or serious injury.
NOTICE
RISK OF STATION ELECTROSTATIC DISCHARGE
- Do not touch the circuit boards.
- Use ESD (electrostatic discharge) equipment when working in the enclosure.
Failure to follow these instructions could cause material damage.

A. Power
B. Communication
C. Grounding
D. Auxiliary power supply – Functions
8.2 Internal description: connection point

A. Ethernet connection port
B. Contactor
C. Surge arrester installation space (max. 8 steps)
D. Auxiliary power supply terminal block – Functions
E. Earth terminal
8.3 Direct earth connection (if applicable)![]()
DANGER
HAZARD OF ELECTRIC SHOCK, EXPLOSION OR ARC FLASH
If the earth resistance is higher than applicable regulations, use a direct connection. The connection described below may be used to create a local earth point using a ground rod.
Failure to follow these instructions will result in death or serious injury.

8.4 Installing the surge arrester (if applicable)
See chapter “28 – Installing the surge arrester”
8.5 Power

The cable cross-section should be defined by a study to determine the size of the trunking and protection devices.
The cables are connected downstream of the contactor.
8.6 Ethernet communication (if applicable)

8.7 Auxiliary power supply + Right-hand socket functions

A. 220-240V auxiliary power supply
B. Power tripping auxiliary
C. Functions
0V: Isolated common 0V
ln-1: Circuit breaker status or load shedding
ln-2: Conditional outgoing line
D. RS485 Modbus (energy meter)

8.8 Left-hand socket functions

A. Power tripping auxiliary
B. Functions
0V: Isolated common 0V
ln-1: Circuit breaker status or load shedding order
ln-2: Conditional outgoing line
C. RS485 Modbus (energy meter)

Testing the power tripping auxiliary (MNx)
![]()
DANGER
HAZARD OF ELECTRIC SHOCK, EXPLOSION OR ARC FLASH
- Test the power tripping auxiliary (MNx).
- Wear suitable personal protective equipment (PPE) and follow all safety procedures.
Failure to follow these instructions will result in death or serious injury.

Refer to wiring diagrams on the previous pages.
Tightening the cable glands

NOTICE
RISK OF DAMAGING THE STATION
Replace any unused cable glands with the caps provided.
Failure to follow these instructions could cause material damage.
Fitting the covers
11.1 Box contents: covers

11.2 Installing the covers
CAUTION
RISK OF BURNS
Fit the covers to avoid burns when touching the surface of the enclosure.
Failure to follow these instructions could cause injury or material damage.

11.3 Affixing the sticke

Configuring the station
Detailed configuration information is given in reference document DOCA0060EN.
For example, you can:
- configure RFID badges. All RFID badges are accepted by default (factory setting)
- amend the maximum current values per socket
- authorize the permanently attached cable (cable which remains attached permanently to the station)
- activate the functions: load shedding and conditional outgoing line per socket
- balance the charging powers (for 2-socket stations)
- produce maintenance reports
- …
Testing the station
After switching on the station, wait 30 seconds – 1 minute for the station to be operational. No indicator lights come on before this time.
Check that the station operates correctly with vehicle simulator reference EVA1SADS. and guide EVA1SADS.
This guide can be used to perform the elementary tests on the station.
Before performing advanced tests on the station, the installer must take a training course dedicated to the electric vehicle simulator.
Residual current protection test
The residual-current protection device must be tested regularly in line with applicable maintenance regulations.
The dedicated residual-current protection device for the charging station must be in the engaged position.
![]()
DANGER
HAZARD OF ELECTRIC SHOCK, EXPLOSION OR ARC FLASH
- Press the test button (marked “T”) on the front of the residual-current protection device regularly.
- If the residual-current protection device does not trip, contact your electrical installer immediately.
Failure to follow these instructions will result in death or serious injury.
The residual-current protection protection device must trip immediately (see diagram below).
If it trips successfully, reset the residual-current protection device.

Recycling packaging
The packaging materials from this equipment can be recycled. Please help protect the environment by recycling them in appropriate containers.
Thank you for playing your part in protecting the environment.
Maintenance
NOTICE
RISK OF DAMAGING THE STATION
- Special care must be taken with the charging socket throughout the product life cycle.
- It should be inspected regularly to prevent damage to the socket.
- If any visual damage or deterioration is observed, the socket must be replaced.
Failure to follow these instructions could cause material damage.
Installing the wall bracket
17.1 Box contents: wall bracket

17.2 Fixing to the wall

Fitting the enclosure on the wall bracket
NOTICE
DUST INFILTRATION HAZARD
When inserting and attaching the cables, keep the station closed and protected to prevent dust infiltration.
Failure to follow these instructions could cause material damage.
18.1 Box contents: enclosure

Only for charging station with RFID reader.
18.2 Fixing the enclosure to the wall bracket

Connections
19.1 External description: cable inputs![]()
DANGER
HAZARD OF ELECTRIC SHOCK, EXPLOSION OR ARC FLASH
- Turn off all power supplying this equipment before working on the equipment.
- Always use a voltage detection device to confirm the absence of voltage.
Failure to follow these instructions will result in death or serious injury.
NOTICE
RISK OF STATION ELECTROSTATIC DISCHARGE
- Do not touch the circuit boards.
- Use ESD (electrostatic discharge) equipment when working in the enclosure.
Failure to follow these instructions could cause material damage.

A. Power
B. Communication
C. Grounding
D. Auxiliary power supply – Functions
19.2 Internal description: connection point

A. Ethernet connection port
B. Contactor
C. Surge arrester installation space (max. 8 steps)
D. Auxiliary power supply terminal block – Functions
E. Earth terminal
19.3 Direct earth connection (if applicable)![]()
DANGER
HAZARD OF ELECTRIC SHOCK, EXPLOSION OR ARC FLASH
- If the earth resistance is higher than applicable regulations, use a direct connection. The connection described below may be used to create a local earth point using a ground rod.
Failure to follow these instructions will result in death or serious injury.

19.4 Installing the surge arrester (if applicable)
See chapter “28 – Installing the surge arrester”
19.5 Power

The cable cross-section should be defined by a study to determine the size of the trunking and protection devices.
The cables are connected downstream of the contactor.
19.6 Ethernet communication (if applicable)

19.7 Auxiliary power supply + Right-hand socket functions

A. 220-240V auxiliary power supply
B. Power tripping auxiliary
C. Functions
0V: Isolated common 0V
ln-1: Circuit breaker status or load shedding
ln-2: Conditional outgoing line
D. RS485 Modbus (energy meter)

19.8 Left-hand socket functions

A. Power tripping auxiliary
B. Functions
0V: Isolated common 0V
ln-1: Circuit breaker status or load shedding order
ln-2: Conditional outgoing line
C. RS485 Modbus (energy meter)

Testing the power tripping auxiliary (MNx)
![]()
DANGER
HAZARD OF ELECTRIC SHOCK, EXPLOSION OR ARC FLASH
- Test the power tripping auxiliary (MNx).
- Wear suitable personal protective equipment (PPE) and follow all safety procedures.
Failure to follow these instructions will result in death or serious injury.

Refer to wiring diagrams on the previous pages.
Tightening the cable glands

NOTICE
RISK OF DAMAGING THE STATION
Replace any unused cable glands with the caps provided.
Failure to follow these instructions could cause material damage.
Fitting the cover
22.1 Box contents: cover

22.2 Installing the cover
CAUTION
RISK OF BURNS
Fit the covers to avoid burns when touching the surface of the enclosure.
Failure to follow these instructions could cause injury or material damage.

22.3 Affixing the sticker

Configuring the station
Detailed configuration information is given in reference document DOCA0060EN.
For example, you can:
- configure RFID badges. All RFID badges are accepted by default (factory setting)
- amend the maximum current values per socket
- authorize the permanently attached cable (cable which remains attached permanently to the station)
- activate the functions: load shedding and conditional outgoing line per socket
- balance the charging powers (for 2-socket stations)
- produce maintenance reports
- …
Testing the station
After switching on the station, wait 30 seconds – 1 minute for the station to be operational. No indicator lights come on before this time.
Check that the station operates correctly with vehicle simulator reference EVA1SADS and guide DOCA0179EN.
This guide can be used to perform the elementary tests on the station.
Before performing advanced tests on the station, the installer must take a training course dedicated to the electric vehicle simulator.
Residual current protection test
The residual-current protection device must be tested regularly in line with applicable maintenance regulations.
The dedicated residual-current protection device for the charging station must be in the engaged position.
![]()
DANGER
HAZARD OF ELECTRIC SHOCK, EXPLOSION OR ARC FLASH
- Press the test button (marked “T”) on the front of the residual-current protection device regularly.
- If the residual-current protection device does not trip, contact your electrical installer immediately.
Failure to follow these instructions will result in death or serious injury.
The residual-current protection device must trip immediately (see diagram below).
If it trips successfully, reset the residual-current protection device.

Recycling packaging
The packaging materials from this equipment can be recycled. Please help protect the environment by recycling them in appropriate containers.
Thank you for playing your part in protecting the environment.
Maintenance
NOTICE
RISK OF DAMAGING THE STATION
- Special care must be taken with the charging socket throughout the product life cycle.
- It should be inspected regularly to prevent damage to the socket.
- If any visual damage or deterioration is observed, the socket must be replaced.
Failure to follow these instructions could cause material damage.
Installing the surge arrester
28.1 Wiring diagram

SURGE ARRESTER STATUS
28.2 Surge arrester wiring

28.3 Installing the surge arrester

28.3 Installing the surge arrester

NHA47410-07
Уполномоченный
поставщик в РФ:
АО “Шнейдер Электрик”
Адрес:
127018, г. Москва, ул.
Двинцев, д.12, корп.1,
тел. +7 (495)777 99 88,
факс: +7 (495)777 99 94, 8-800-200-6446
www.se.ru
NHA47410_EN_FR-07
Schneider Electric Industries SAS
35, rue Joseph Monier
CS 30323
F – 92506 Rueil Malmaison Cedex
www.se.com
Schneider Electric Limited
Stafford Park 5
Telford TF3 3BL
United Kingdom
www.se.com
© 2019 Schneider Electric – All rights reserved.

























