
USB and Bluetooth
Optical Power Meter

PM160, PM160T, PM160T-HP
User Manual
PM160T Series Thermal Sensor Power Meter with Bluetooth and USB Operation
We aim to develop and produce the best solution for your application in the field of optical measurement technique. To help us to live up to your expectations and constantly improve our products we need your ideas and suggestions. Therefore, please let us know about possible criticism or ideas. We and our international partners are looking forward to hearing from you.
Thorlabs GmbH
Warning
Sections marked by this symbol explain dangers that might result in personal injury or death. Always read the associated information carefully, before performing the indicated procedure.
Attention
Paragraphs preceded by this symbol explain hazards that could damage the instrument and the connected equipment or may cause loss of data.
Note
This manual also contains “NOTES” and “HINTS” written in this form.
Please read this advice carefully!
General Information
The Thorlabs PM160x Power Meters consist of an ultra-slim sensor connected to a portable power meter with a built-in graphical organic LED (OLED) display. The ultra- lim sensor end of the device connects to the handle with a joint mechanism that allows 270° of rotation. The PM160x can be run as a hand held device or remotely using the Bluetooth or USB connections. Settings can be changed either directly on the PM160x or through the utility software Optical Power Monitor OPM from a PC, tablet or laptop that is connected via a fast USB interface or Bluetooth. This makes it easy to integrate the instrument in test and measurement systems.
The OPM software, including the instrument drivers, is available for download from the Thorlabs website. Please refer to the user manual of the OPM software for detailed function description.
The PM160x is available in three versions with different sensors:
- PM160: The silicon photodiode detects laser light or other monochromatic or near monochromatic light of optical power between 10 nW and 200 mW, and within the wavelength range of400 – 1100 nm. ·
- PM160T: The thermal sensor detects light with optical power between 100 mW and 2 W, within the wavelength range of 0.19 – 10.6 µm.
- PM160T-HP: The high-power thermal sensor measures light with optical power between 10 mW and 70 W, and within the wavelength range of 190 nm – 20 µm.
- PM160T and PM160T-HP are also capable of measuring power of broadband light sources due to their integrated thermal sensors and flat absorption curve. They are well suited e.g. for LED, SLED and supercontinuum sources.
Attention
Please find all safety information and warnings concerning this product in the chapter Safety in the Appendix.
1.1 Ordering Codes and Accessories
| PM160 | Handheld Power Meter with attached Silicon Photodiode; Optical Power Range: 10 nW – 200 mW; Wavelength Range: 400 – 1100 nm. |
| PM160T | Handheld Power Meter with attached Thermal Sensor; Optical Power Range: 100 µW – 2 W; Wavelength Range: 0.19 – 10.6 µm |
| PM160T-HP | Handheld Power Meter with attached High-Power Thermal Sensor. Optical Power Range: 10 mW – 70 W; Wavelength Range: 190 nm – 20 µm. |
Accessories:
For fiber coupled applications, we recommend to use the following connectors fiber adapters:
| Fiber Connector | Adapter for internal SM05 thread (PM160) | Adapter for internal SM1 thread (PM160T) |
| FC | PM20-FC | S120-FC |
| SC | PM20-SC | S120-SC |
| LC | PM20-LC | S120-LC |
| SMA | PM20-SMA | S120-SMA |
| ST | PM20-ST | S120-ST |
Please visit our homepage http://www.thorlabs.com for various accessories like fiber adapters, posts and post-holders, data sheets and further information.
First Steps
Inspect the shipping container for damage.
If the shipping container seems to be damaged, keep it until you have inspected the contents for completeness and tested the PM160x mechanically and electrically.
Verify that you have received the following items within the package:
2.1 Parts List
- PM160x Wireless Handheld Power Meter in the ordered version.
- USB cable, type ‘A’ to ‘micro USB’
- SM05 Adapter (PM160) / SM1 Adapter (PM160T, PM160T-HP)
- 0.9 mm (0.035″) Hex Key (PM160T to mount the adapter)
- Quick Reference
- Certificate of Calibration
2.2 Requirements
The software Optical Power Monitor (OPM) for remote operation of the PM160x requires a PC hardware and software environment as specified on the software website.
Operating Elements
3.1 PM160 Operating Elements
1. Sensor aperture
2. Slideable optical filter
3. SM05 adapter
5. 270° rotatable arm with build-in sensor and optical filter
6. OLED display
7. Combined imperial/metric 8-32 / M4 threads for mounting (3 places)
8. to 11. Push buttons for local control, see chapter Rear View
12. USB connector
13. Integrated bluetooth antenna
The position of the slideable optical filter (2) is detected in order to correct the power read-out accordingly.
The push buttons 8 to 11 are soft keys, their function is shown in the display. The functions as stated on the rear panel are the defaults when the PM160 is switched off. The position for the functions changes when the display orientation 10 is changed.
The SM05 adapter can accommodate a Thorlabs fiber adapter.
3.2 PM160T Operating Elements
1. Sensor aperture
4. SM1 adapter
5. 270° rotatable arm with build-in sensor
6. OLED display
7. Combined imperial/metric 8-32 / M4 threads for mounting (3 places)
8. to 11. Push buttons for local control, see chapter Rear View
12. USB connector
13. Integrated bluetooth antenna
The push buttons 8 to 11 are soft keys, their function is shown in the display. The functions as stated on the rear panel are the defaults when the PM160T is switched off. The position for the functions changes when the display orientation10 is changed.
The SM1 adapter can accommodate a Thorlabs fiber adapter.
3.3 PM160T-HP Operating Elements
1 Sensor aperture
4 SM1 adapter
5 270° rotatable arm with build-in sensor
6 OLED display
7 Combined imperial/metric 8-32 / M4 threads for mounting (3 places)
8 to 11 Push buttons for local control, see chapter Rear View
12 USB connector
13 Integrated bluetooth antenna
The push buttons 8 to 11 are soft keys, their function is shown in the display. The functions as stated on the rear panel are the defaults when the PM160T-HP is switched off. The position for the functions changes when the display orientation10 is changed.
The SM1 adapter can accommodate a Thorlabs fiber adapter.
3.4 Rear View PM160x
8. ON/OFF push button
9. MENU button to go though options
10. HOLD and START a measurement
11. UP/DOWN button to go though the Menu
12. USB connector
14. RESET button
The position for the functions changes when the display orientation10 is changed. The
PM160T-HP has 4 tapped holed (4-40UNC) on the back of the sensor. This allows mounting of a 30 mm cage system.
Operating Instructions
The PM160x can be operated locally8 as a stand-alone device or remotely12 , via USB or wireless (Bluetooth). Choose the operation mode directly on the device, using the interface menu. In any operating mode, the internal battery can be charged by connecting 10 the PM160x to a PC or to a USB charger using the supplied USB cable.
For remote operation (USB and Bluetooth), download and install the software Optical Power Monitor on the steering device (PC, laptop or tablet with Windows® operating system). For more information see chapter Remote Operation12 .For Apple® MAC®, iPod® devices (iPad®, iPod® and iPhone®), a bluetooth remote control for
PM160x is available in the AppStore. For more information see chapter Remote Operation (iOS®)12.
For Android devices, please find the application Optical Power Monitor in the app store. This application requires Android 4.2 or higher.
4.1 Local Operation
- To switch on the PM160x, push the “ON/OFF” button (8) on the side of the device.
- A start-up screen is displayed for a moment, followed by the standard measurement display.

- In the header, the connection type (USB or Bluetooth) and the battery status are shown.
Select the Local Only mode from the menu (button 9)7 on the device. - Battery: The PM160x automatically starts charging the battery when connected via USB.
- Adjust settings directly on the device. Use the
up or
down button to select settings.
Confirm the selection by pressing the button next to the icon or cancel the entry by pressing the button next to the ESC icon
. - Turning off the PM160x in Local Only mode: The PM160x shuts down 20 sec after the last button was pressed. The energy saving17 feature automatically dims the display.

Use the
up or
down button to adjust the wavelength of the incident light. Confirm the entry by pressing the button next to the icon or cancel the entry by pressing the button next to the ESC icon
.
Max-Hold function: As long as the button Hold is pressed, the PM160x detects the maximum power. After the button is released, the MAX power is displayed together with the “delta”, the difference between the actual and the MAX value.
Push the Run button to return to the normal measurement mode.
Menus
Push Menu (button 9 ) to scroll through the menu screens. Each time this button is pressed, the next menu item appears. Return to the measurement screen by pressing the button next to
.
Menu “Zero Adjust”
This function is used to compensate the photo diode’s dark current (PM160) or the thermal sensor’s offset voltage (PM160T, PM160T-HP). Cover the sensor aperture and press Run.
If zeroing was successfully carried out, the PM160x returns to normal operation, else the error screen appears:
Menu “Interface”
To operate the PM160x remotely (see sections “Operation via USB” and/or “Operation via Bluetooth” ), the appropriate interface10
needs to be selected. Press the menu button until the “Interface” menu appears. Use the buttons next to
up or
down icons to select Bluetooth or USB interface or to disable the interface (“Local Only”). Push the button next to the OK icon to confirm or
to cancel.
Menu “Orientation”
The display can be rotated in 90° steps for convenient reading. Use the
up or down
button to select the desired orientation, shown by the smiley, then press the OK button to confirm or
to cancel:
Note
The control buttons are soft keys. When changing the display orientation, the soft keys, including the switch off button, rotate with the display orientation. Switch the M160x on again by pressing button (8).4
Menu “Brightness”
Using the
up or
down button, the display brightness can be adjusted. When pressing any button, the brightness will be set to max. for 7 sec.
The value “Min.” is the minimum readable brightness in local mode.
Note
If the PM160x is operated remotely via USB or Bluetooth and the brightness is set to “Min.”, the display will be switched off 7 sec after a button was pressed. Wake it up by pressing any button.
Menu “Sound Output”
Enable or disable the sound output.
Menu “System Information”
Displays the item name, serial number, firmware version and most recent calibration date.
4.2 Remote Operation (Windows®)
· Install the application software Optical Power Montor (OPM) prior to connecting the PM160x to a PC, by USB or Bluetooth. The software Optical Power Monitor (OPM) and the respective manual can be downloaded from the Thorlabs website. Please see the system requirements for the OPM software on the respective website.
· Turn on the unit by pushing the ON/OFF button (8) on the side of the PM160x.
· If a wireless operation is desired, set the connection mode on the device to Bluetooth. Otherwise, connect the enclosed USBcable.
Operate the device by following the instructions in the OPM software manual.
· Energy Saving17 function when a remote interface (USB or Bluetooth) is enabled:
a. When the USB cable is connected and the USB remote connection is active, the PM160x will never shut down.
b. When Active Bluetooth remote connection is established and no USB cable is connected, the PM160x will only shut down when the battery is down. The display will be dimmed to save battery and the OLED’s life time.
4.3 Remote Operation (iOS®)
This describes the remote operation of a PM160x from an iPad®, representative for other iOS® devices.
Connecting the PM160x with the iPad®
- Make sure the PM160x app has been installed properly.
- Switch the PM160x on and set the interface10 to Bluetooth.
- Open the iPad® settings (the icon can be found in the dock bar) and select the Bluetooth tab.
- Switch on the iPad® Bluetooth interface, using the slide button on the top right.
- In the Devices List, an entry “Thorlabs PM160x xxxxxxxxx” should be found, where xxxxxxxxx stands for PM160x’s serial number. Compare that number with the serial number printed on the PM160x’s backor in the PM160x’s System Information menu screen. Click the “Not Paired”or the”Not Connected” text. It shouldquickly change to “Connected”.
- Exit the Settings screen by clicking the Home button.
- Click the PM160x App Icon in the dock bar. The app will start and immediately show measurement values.
Disconnecting the Bluetooth connection
As long as the PM160x is connected to the iPad®, no other Bluetooth connections with the PM160x (e.g. from a Windows® PC) can be established. Follow the procedure described below to release the PM160x Bluetooth connection:
- Press the Home button to set the PM160x App to background.
- Start the Settings screen.
- Enter the Bluetooth tab.
- Find the PM160x entry in the Devices list and click the arrow on the right of this entry.
- On the following screen click on Forget this Device and confirm.
- The display returns to the Bluetooth device list and should now show the PM160x’s entry with the text Not Paired. The PM160x now can connect to other Bluetooth hosts.
- Note If you start the PM160xApp now, with no PM160x available, the App will run in a demo mode with a fake measurement.
- If you want to reconnect the PM160x with the PM160xApp then proceed as described in Connect the PM160x with the iPad®.
Troubleshooting
If the app or the connection hang up, a restart might be required. Follow this procedure:
- Disconnect the Bluetooth connection as described in the previous section.
- Click the Home button once to set the active App to background.
- Double Click the Home button. The list of active Apps appears at the bottom.
- Press and hold the PM160xApp icon until a Minus symbol appears at the top left corner of the App’s icon:

- Click the small Minus symbol on the lower left corner. The App is stopped.
- Click the Home button twice to leave.
- Connect the PM160x with the iPad® as described above to reestablish the setup.
4.4 Remote Operation (Android)
For Android devices, please find the application Optical Power Monitor in the app store. This application requires Android version 4.2 or higher.
- Install the application Optical Power Montor through the app store prior to connecting the PM160x to the device, by USB or Bluetooth.
- Turn on the unit by pushing the ON/OFF button (8) on the side of the PM160x.
- If a wireless operation is desired, set the connection mode on the device to Bluetooth. Otherwise, connect the enclosed USB cable.
- Energy Saving17 function when a remote interface (USB or Bluetooth) is enabled:
a. When the USB cable is connected and the USB remote connection is active, the PM160x will never shut down.
b. When Active Bluetooth remote connection is established and no USB cable is connected, the PM160x will only shut down when the battery is low. The display will be dimmed to save battery and the OLED’s life time.
4.5 Firmware Updates
Find the latest firmware on the product website under the tab software. Click the software icon and the website to download the software OPM and the firmware will open.
To install new firmware, follow the instructions in the Change Log of the PM160x firmware.
Appendix
5.1 Technical Data PM160
| Specification | PM160 |
| Sensor Specifications | |
| Wavelength Range | 400 to 1100 nm |
| Optical Power Measurement Range | 10 nW to 2 mW (1 pW – 200 mW)’) |
| Optical Power Resolution | 100 pW (10 nW)’) |
| Measurement Uncertainty | +/- 3% @ 451 to 1000 nm +/- 5% @ 400 to 450 nm and 1001 nm — 1100 nm |
| Power Linearity with Optical Power | ± 1% |
| Active Area Uniformity | ± 1% |
| Slideable Optical Filter | Reflective ND [OD1.5] with diffuser |
| Average Power Density (Max) | 1 W/cm2 (20 W/cm2)1) |
| Sensor Aperture | 0 9.5 mm |
| Aperture Thread | SM05 with included adapter |
| Distance to Sensor | 1.7 mm (4.2 mm) 1.4) |
| Sensor Thickness | 3.5 mm (6.0 mm) 1-41 |
| Power Meter Specifications | |
| Analog Measurement Ranges | 500 nA, 50 pA, 5 mA 2) |
| AD Converter | 24 bit |
| Analog Amplifier Bandwidth | 10 Hz |
| Built-in Display | Monochrome white OLED 24.0 mm (0.95″) across diagonal, 96 x 64 px |
| Local Operation | 4 push buttons |
| Remote Interface | USB 2.0, Bluetooth 2.1 (Class II, 10 dBm) |
| General Data | |
| Overall Dimensions | 172.7 mm x 36.4 mm x 13.0 mm |
| Weight | 60 g |
| Operating Temperature | 0″ C – 50′ C (32 T – 122 °F) |
| Power Supply | Extemal: 5VDC via USB Internal: LiPo+ 380 mAh 3) |
| Battery-Powered Operation | Up to 20 hours |
| Mounting Options | 8-32 (imperial) and M4 (metric) tap combined, 3 positions |
- Values in ( ) are with filter slided in.
- The appropriate range is chosen internally by the power meter to achieve the best accuracy.
- The battery is recharged through the USB connection.
- See chapter Dimensions for precise distances.
All technical data are valid at 23 ± 5°C and 45 ± 15% rel. humidity (non condensing).
5.2 Technical Data PM160T, PM160T-HP
| Specifications | PM160T | PM160T-HP |
| Sensor Specifications | ||
| Wavelength Range | 190 nm to 10600 nm | 190 nm to 20000 nm |
| Optical Power Measurement Range | 100 pW to 2 W | 10 mW to 70 W 1) |
| Optical Power Resolution | 10 pW | 1 mW |
| Measurement Uncertainty | +/- 3% © 1064 nm +/- 5% (Entire Range) | +/- 3% @ 1064 nm +/- 5% (250 nm to 17000 nm) |
| Power Linearity with Optical Power | ± 1% | |
| Active Area Uniformity | ± 1% | |
| Average Power Density (Max) | 500 W / cm2 | 2 kW / cm2 |
| Sensor Aperture | 0 10.0 mm (0.39 “) | 0 25.2 mm (0.99 “) |
| Sensor Coating | Black Broadband | High Power Broadband |
| Adapter Plate Aperture Thread | SM1 with included adapter | Internal SM1 (1.035″-40); Adapter to external thread included; 4 x 4-40 Tapped Holes on the Back of the Sensor (compatible with 30 mm cage system) |
| Distance to Sensor 41 | 2.6 mm | 4.5 mm |
| Sensor Thickness 4) | 5.5 mm | 13.0 mm |
| Power Meter Specifications | ||
| Analog Measurement Ranges | 1.6 mV, 25 mV, 400 mV 2) | 2.56 mV, 16 mV, 100 mV 2) |
| AD Converter | 24 bit | |
| Analog Amplifier Bandwidth | 10 Hz | |
| Built-in Display | Monochrome white OLED 24.0 mm (0.95″) across diagonal, 96 x 64 px, 10 Hz refresh rate | |
| Local Operation | 4 push buttons | |
| Remote Interface | USB 2.0, Bluetooth 2.1 (Class II. 10 dBm) | |
| General Data | ||
| Overall Dimensions | 172.7 mm x 36.4 mm x 13.0 mm | 206.0 mm x 56.0 mm x 13.0 mm |
| Weight | 60 g | 130 g |
| Operating Temperature | 03C – 50°C | |
| Power Supply | External: 5VDC via USB Internal: LiPo+ 380 mAh 3) | |
| Battery-Powered Operation | Up to 20 hours | |
| Mounting Options | 8-32 (imperial) and M4 (metric) tap combined, 3 positions | 8-32 (imperial) and M4 (metric) tap combined, 3 positions 4 x 4-40 Tapped Holes on Back of Sensor for 06 mm Cage Rods |
- Maximum exposure time: 70 W – 10 s; 30 W – 60 s; 10 W – 1 hour. Please see also back of the device.
- The appropriate range is chosen internally by the power meter to achieve the best accuracy.
- The battery is recharged through the USB connection.
- See chapter Dimensions for precise distances.
All technical data are valid at 23 ± 5°C and 45 ± 15% rel. humidity (non condensing).
5.3 Energy Saving
The PM160x features display dimming and an automatic shut down in order to save battery and the lifetime of the OLED display.
Display Dimming
When a button is pressed, the display brightness is set to 100%. 7 sec after a button was pressed last time, the display is dimmed to the brightness that can be adjusted in the menu “Brightness “, between a “Min” value and 100%.
Note
The “Min” value is 1% in local operation mode (Interface: “Local Only “)10 and 0% in remote mode (USB or Bluetooth interface enabled and remote connection established). This is a convenient feature when using the PM160x remotely in a darkroom: The stray light from the OLED display is eliminated.
Auto Shut Down
During battery charging via the USB cable, the auto shut down is disabled, but after a certain time the display is switched off (“Stand-by”). The tablebelow illustrates all possible states:
| Interface Setting | Operation mode | USB Cable | Stand by | Shut down |
| Local Only | local | no | never | 20 sec |
| yes | 20 sec | never | ||
| USB or Bluetooth | no | never | 5 min | |
| yes | 5 min | never | ||
| USB | remote control | yes | never | never |
| Bluetooth | no | never | when battery empty | |
| yes | never | never |
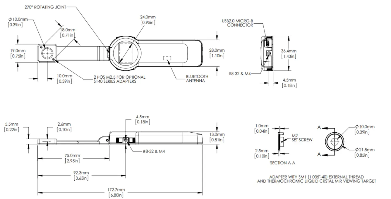
5.4 Dimensions
PM160
PM160T

PM160x
PM160T-HP

5.5 Safety
Attention The safety of any system incorporating the equipment is the responsibility of the assembler of the system.
All statements regarding safety of operation and technical data in this instruction manual will only apply when the unit is operated correctly as it was designed for.
The PM160x must not be operated in explosion endangered environments!
Do not obstruct the air ventilation slots in the housing! Do not remove covers and do not open the cabinet. There are no parts serviceable by the operator inside!
This precision device is only serviceable if returned and properly packed into the complete original packaging including the cardboard insert that holds the enclosed devices. If necessary, ask for replacement packaging. Refer servicing to qualified personnel.
Only with written consent from Thorlabs may changes to single components be made or components not supplied by Thorlabs be used.
All modules including control inputs / outputs must be connected with duly shielded connection cables.
Attention
The following statement applies to the products covered in this manual, unless otherwise specified herein. The statement for other products will appear in the accompanying documentation.
Note
This equipment has been tested and found to comply with the limits for a Class B digital device, pursuant to Part 15 of the FCC Rules and meets all requirements of the Canadian InterferenceCausing Equipment Standard ICES-003 for digital apparatus. These limits are designed to provide reasonable protection against harmful interference in a residential installation. This equipment generates, uses, and can radiate radio frequency energy and, if not installed and used in accordance with the instructions, may cause harmful interference to radio communications. However, there is no guarantee that interference will not occur in a particular installation. If this equipment does cause harmful interference to radio or television reception, which can be determined by turning the equipment off and on, the user is encouraged to try to correct the interference by one or more of the following measures:
- Reorient or relocate the receiving antenna.
- Increase the separation between the equipment and receiver.
- Connect the equipment into an outlet on a circuit different from that to which the receiver is connected.
- Consult the dealer or an experienced radio/T.V. technician for help.
Thorlabs GmbH is not responsible for any radio television interference caused by modifications of this equipment or the substitution or attachment of connecting cables and equipment other than those specified by Thorlabs GmbH. The correction of interference caused by such unauthorized modification, substitution or attachment will be the responsibility of the user.
The use of shielded I/O cables is required when connecting this equipment to any and all optional peripheral or host devices. Failure to do so may violate FCC and ICES rules.
Attention
Mobile telephones, cellular phones, or other radio transmitters are not to be used within the range of three meters of this unit since the electromagnetic field intensity may then exceed the maximum allowed disturbance values according to IEC 61326-1.
This product has been tested and found to comply with the limits according to IEC 61326-1 for using connection cables shorter than 3 meters (9.8 feet).
5.6 Certifications and Compliances
The here described devices comply with Part 15 of the FCC Rules.
Operation is subject to the following two conditions;
(1) this device may not cause harmful interference, and
(2) this device must accept any interference received, including interference that may cause undesired operation.
This device contains
FCC ID: PVH0946
IC: 5325A-0946
The cB-0946 module with the product name cB-OBS421 complies with the Japanese Technical Regulation Conformity Certification of Specified Radio Equipment (ordinance of MPT N°. 37, 1981), Article 2, Paragraph 1, Item 19, “2.4GHz band wide band low power data communication system”. The cB-0946 MIC certification number is 204-210003.
5.7 Manufacturer Address
| Manufacturer Address Europe Thorlabs GmbH Münchner Weg 1 D-85232 Bergkirchen Germany Tel: +49-8131-5956-0 Fax: +49-8131-5956-99 www.thorlabs.de Email: [email protected] | EU-Importer Address Thorlabs GmbH Münchner Weg 1 D-85232 Bergkirchen Germany Tel: +49-8131-5956-0 Fax: +49-8131-5956-99 www.thorlabs.de Email: [email protected] |
5.8 Return of Devices
This precision device is only serviceable if returned and properly packed into the complete original packaging including the complete shipment plus the cardboard insert that holds the enclosed devices. If necessary, ask for replacement packaging. Refer servicing to qualified personnel.
5.9 Warranty
Thorlabs warrants material and production of the PM160x for a period of 24 months starting with the date of shipment in accordance with and subject to the terms and conditions set forth in Thorlabs’ General Terms and Conditions of Sale which can be found at: General Terms and Conditions:
https://www.thorlabs.com/Images/PDF/LG-PO-001_Thorlabs_terms_and_%20agreements.pdf
and https://www.thorlabs.com/images/PDF/Terms%20and%20Conditions%20of%20Sales_Thorlabs-GmbH_English.pdf
5.10 Copyright and Exclusion of Liability
Thorlabs has taken every possible care in preparing this document. We however assume no liability for the content, completeness or quality of the information contained therein. The content of this document is regularly updated and adapted to reflect the current status of the product.
All rights reserved. This document may not be reproduced, transmitted or translated to another language, either as a whole or in parts, without the prior written permission of Thorlabs.
Copyright © Thorlabs 2022. All rights reserved. Please refer to the general terms and conditions linked under Warranty 24.
5.11 Thorlabs Worldwide Contacts and WEEE policy
For technical support or sales inquiries, please visit us at https://www.thorlabs.com/locations.cfm for our most up-to-date contact information.
| USA, Canada, and South America Thorlabs, Inc. [email protected] [email protected] Europe Thorlabs GmbH [email protected] France Thorlabs SAS [email protected] Japan Thorlabs Japan, Inc. [email protected] | UK and Ireland Thorlabs Ltd. [email protected] [email protected] Scandinavia Thorlabs Sweden AB [email protected] Brazil Thorlabs Vendas de Fotônicos Ltda. [email protected] China Thorlabs China [email protected] |
Thorlabs ‘End of Life’ Policy (WEEE)
Thorlabs verifies our compliance with the WEEE (Waste Electrical and Electronic Equipment) directive of the European Community and the corresponding national laws. Accordingly, all end users in the EC may return “end of life” Annex I category electrical and electronic equipment sold after August 13, 2005 to Thorlabs, without incurring disposal charges. Eligible units are marked with the crossed out “wheelie bin” logo (see right), were sold to and are currently owned by a company or institute within the EC, and are not dissembled or contaminated. Contact Thorlabs for more information. Waste treatment is your own responsibility. “End of life” units must be returned to Thorlabs or handed to a company specializing in waste recovery. Do not dispose of the unit in a litter bin or at a public waste disposal site. It is the users responsibility to delete all private data stored on the device prior to disposal.
References
Thorlabs, Inc. - Your Source for Fiber Optics, Laser Diodes, Optical Instrumentation and Polarization Measurement & Control
Thorlabs, Inc. - Your Source for Fiber Optics, Laser Diodes, Optical Instrumentation and Polarization Measurement & Control
thorlabs.de
Thorlabs - Your Source for Fiber Optics, Laser Diodes, Optical Instrumentation and Polarization Measurement & Control.
Light Emitting Diodes (LEDs) - Thorlabs
Benchtop SLD Light Sources
Thorlabs - Your Source for Fiber Optics, Laser Diodes, Optical Instrumentation and Polarization Measurement & Control.






















