Whirlpool WHAMBS5 Water Purifier Filtration System User Manual
Specifications & Performance Claims
| SPECIFICATIONS | |
| Supply Water Pressure Min. – Max. | 30 – 100 psi (207 – 689 kPa) |
| Supply Water Temperature Min. – Max. | 40 – 100 °F (4 – 38 °C) |
| Rated Service Flow | 0.74 gallons per minute (2.8 liters per minute) |
| Filter Service Life | 550 gallons (2,082 liters) |
| Inlet – Outlet | 3/8″ quick connect fittings |
| Maximum Supply Water Iron, Manganese & Hydrogen Sulfide | 0 |
This system conforms to NSF/ANSI 42 and 53 for the specific performance claims as verified and substantiated by test data. This system conforms to NSF Protocol P231 for Microbiological Water Purifiers.
This filter improves the taste and odor and reduces many chemical contaminants in drinking water. The faucet indicator monitors the length of time the filter has been installed and will flash amber continuously, indicating that the battery and the filters need to be replaced.
This system has been tested according to NSF/ANSI 42 and 53 for the reduction of the substances listed below. The concentration of the indicated substances in water entering the system was reduced to a concentration less than or equal to the permissible limit for water leaving the system, as specified in NSF/ANSI 42 and 53. The testing was performed using spiked tap water at a flow rate of 0.74 GPM (2.8 L/min.), pH of 7.5 ±0.5, pressure of 60 PSIG, and temperature of 68 ±5°F.
IMPORTANT NOTICE: Read this performance data and compare the capabilities of this unit with your actual water treatment needs. It is recommended that, before purchasing a water treatment unit, you have your water supply tested to determine your actual water treatment needs. This filter system is designed to be used for the reduction of the performance claims listed below. Do not use for the treatment of water that is visually contaminated (cloudy) or has an obvious contamination source, such as contamination by raw sewage. This system is not intended to convert waste water or raw sewage into drinking water. Systems certified for cyst reduction may be used on disinfected water that may contain filterable cysts. While testing was performed under standard laboratory conditions, actual performance of the system may vary based on local water conditions. Some or all of the contaminants reduced by this unit may not be in your water supply. See elsewhere in this manual for instructions on filter cartridge replacement, system installation, operating procedures, and warranty. The maintenance instructions must be followed for the product to perform as indicated below.
NOTE: See labels on the water treatment system for additional information.
| PERFORMANCE CLAIMS | ||||||
| Contaminant | Required Influent Level (μg/L)② | NSF Max. Per- missible Effl. Level (μg/L)② | Average Influent Level (μg/L)② | Avg. / Max. Effluent Level (μg/L)② | Avg. / Min. Percent Removal | EPAj Max. Contaminant Level (μg/L)② |
| Lead @ pH 6.5 | 150 ±10% | 10 | 160 | 1.1 / 5.2 | 99.3 / 96.8 | 15 |
| Lead @ pH 8.5 | 150 ±10% | 10 | 150 | 1.2 / 3.5 | 99.2 / 97.7 | 15 |
| Substance | ||||||
| Chlorine Taste & Odor | 2000 ±10% | 50%③ | 1,900 | 50 / 60 | 97.4 / 96.9 | Nonem |
| Particulate, Class In (0.5 to <1 micron) | 10,000n | 85%③ | 6,800,000n | 10,200 /18,000n | 99.9 / 99.9 | Nonem |
| VOC Reductiono | ||||||
| Chloroform | 300 ±10% | 95%③ | 330 | 1.9 / 11 | 98.0 / 96.7 | 15 |
- Environmental Protection Agency maximum contaminant level as required under the Safe Drinking Water Act.
- Micrograms per liter, which is equivalent to parts per billion (PPB).
- NSF minimum percent reduction requirement. The acceptance level for this substance is based on percent reduction, rather than maximum effluent concentration.
- The EPA has not determined a maximum contaminant level for this chemical.
- Particulate Class I, reported in particles per milliliter.
- Chloroform was used as a surrogate for the reduction of chemicals specified in the Organic Chemicals Reduced by Chloroform Surrogate Testing table (on the following page).
Performance Claims
ORGANIC CHEMICALS REDUCED BY CHLOROFORM SURROGATE TESTING
| Contaminant | Averagej Influent (μg/L)② | Maximum Effluent (μg/L)② | Percent Removal | EPA MCL⑦ (μg/L)② |
| Alachlor | 50 | 1.0③ | >98 | 2.0 |
| Atrazine | 100 | 3.0③ | >97 | 3.0 |
| Benzene | 81 | 1.0③ | 99 | 5.0 |
| Carbofuran | 190 | 1.0③ | >99 | 40 |
| Carbon Tetrachloride | 78 | 1.8m | 98 | 5.0 |
| Chlorobenzene | 77 | 1.0③ | 99 | 100 |
| Chloropicrin | 15 | 0.2m | 99 | NA |
| 2,4-D | 110 | 1.7m | 98 | 70 |
| Dibromochloropropane (DBCP) | 52 | 0.02③ | >99 | 0.2 |
| o-Dichlorobenzene | 80 | 1.0③ | 99 | 600 |
| p-Dichlorobenzene | 40 | 1.0③ | 98 | 75 |
| 1,2-Dichloroethane | 88 | 4.8n | 95n | 5.0 |
| 1,1-Dichloroethylene | 83 | 1.0③ | 99 | 7.0 |
| cis-1,2- Dichloroethylene | 170 | 0.5③ | >99 | 70 |
| trans-1,2- Dichloroethylene | 86 | 1.0③ | 99 | 100 |
| 1,2-Dichloropropane | 80 | 1.0③ | 99 | 5.0 |
| cis-1,3- Dichloropropylene | 79 | 1.0③ | 99 | NA |
| Dinoseb | 170 | 0.2m | 99 | 7.0 |
| Endrin | 53 | 0.59m | 99 | 2.0 |
| Ethylbenzene | 88 | 1.0③ | 99 | 700 |
| Ethylene Dibromide (EDB) | 44 | 0.02③ | >99 | 0.05 |
| Haloacetonitriles (HAN): | ||||
| Bromochloroacteonitrile | 22 | 0.5m | 98 | NA |
| Dibromoacetonitrile | 24 | 0.6m | 98 | NA |
| Dichloroacetonitrile | 9.6 | 0.2m | 98 | NA |
| Trichloroacetonitrile | 15 | 0.3m | 98 | NA |
| Contaminant | Averagej Influent (μg/L)② | Maximum Effluent (μg/L)② | Percent Removal | EPA MCL⑦ (μg/L)② |
| Haloketones (HK): | ||||
| 1,1-Dichloro-2- propanone | 7.2 | 0.1m | 99 | NA |
| 1,1,1-Trichloro-2- propanone | 8.2o | 0.3m | 96 | NA |
| Heptachlor | 25 | 0.01③ | >99 | 0.4 |
| Heptachlor Epoxide | 10.7o | 0.2o | 98 | 0.2 |
| Hexachlorobutadiene | 44 | 1.0③ | 98 | NA |
| Hexachlorocyclopenta- diene | 60 | 0.002③ | >99 | 50 |
| Lindane | 55 | 0.01③ | >99 | 0.2 |
| Methoxychlor | 50 | 0.1③ | >99 | 40 |
| Pentachlorophenol | 96 | 1.0③ | 99 | 1.0 |
| Simazine | 120 | 4.0③ | 97 | 4.0 |
| Styrene | 150 | 0.5③ | >99 | 100 |
| 1,1,2,2-Tetrachloroethane | 81 | 1.0③ | 99 | NA |
| Tetrachloroethylene | 81 | 1.0③ | 99 | 5.0 |
| Toluene | 78 | 1.0③ | 99 | 1,000 |
| 2,4,5-TP (Silvex) | 270 | 1.6③ | 99 | 50 |
| Tribromoacetic Acid | 42 | 1.0③ | 98 | NA |
| 1,2,4-Trichlorobenzene | 160 | 0.5③ | >99 | 70 |
| 1,1,1-Trichloroethane | 84 | 4.6m | 95 | 200 |
| 1,1,2-Trichloroethane | 150 | 0.5③ | >99 | 5.0 |
| Trichloroethylene | 180 | 1.0③ | >99 | 5.0 |
| Trihalomethanes (incl.): | 300 | 15 | 95 | 80 |
| Chloroform (surrogate chemical) | ||||
| Bromoform | ||||
| Bromodichloromethane | ||||
| Chlorodibromomethane | ||||
| Xylenes (total) | 70 | 1.0③ | 99 | 10,000 |
- Influent challenge levels are average influent concentrations determined in surrogate qualification testing.
- Micrograms per liter, which is equivalent to parts per billion (PPB).
- Maximum product water level was not observed but set at the detection limit of the analysis.
- Maximum product water level set at a value determined in surrogate qualification testing.
- Chemical reduction percent and maximum product water level calculated at chloroform 95% breakthrough point, as determined in surrogate qualification testing.
- The surrogate test results for Heptachlor Epoxide demonstrated a 98% reduction. These data were used to calculate an upper occurrence concentration, which would produce a maximum product water level at the MCL.
- Environmental Protection Agency maximum contaminant level as required under the Safe Drinking Water Act.
Cyst, virus and bacteria reduction tested by BioVir Labs, in accordance with the U.S. EPA test protocol.
| Substance | Log Reduction | %Reduction |
| Cyst | 3.5 | 99.95 |
| Virus | 4 | 99.99 |
| Bacteria | 6 | 99.9999 |
What the Water Purifier will Do
The WHAMBS5 is a water purification treatment system. This system uses a triple filter configuration to remove undesirable elements in your water. These elements may include chlorine taste and odor, particulates, lead, virus, bacteria, cysts, and many organic compounds. At the same time, the system allows the minerals found in water to remain, for great tasting water.
The WHAMBS5 utilizes patented technology to ensure a safe water supply for the user. Replace all filters every 6 months or 550 gallons. The purifier technology is designed to stop flowing when its capability to protect the user has been exhausted. This one-of-a-kind failsafe technology ensures that the user will not be exposed to contaminated water.
NOTE: A performance data sheet is included listing what the system will reduce from the water supply. See the performance data sheet for individual contaminants and microbial reduction performance.
The drinking water system fits under the kitchen or bathroom sink. However, you can install it where it is most convenient. You need a COLD water supply pipe within a few feet (6 feet of tubing is included). You can purchase longer lengths of tubing if needed to reach more distant points. Be sure tubing is acceptable for use on potable water supplies.
Before You Start
- Read all steps and guides carefully before installing and using your microbiological drinking water purifier. Follow all steps exactly to correctly install. Reading this manual will also help you to get all the benefits from the microbiological drinking water purifier.
- Do not use for the treatment of water that is visually contaminated (cloudy) or has an obvious contamination source, such as contamination by raw sewage.
- All plumbing should be done in accordance with local codes and requirements. In Massachusetts, plumbing code 248 CMR 3.00 and 10.00 shall be adhered to. Consult with your licensed plumber.
- The microbiological drinking water purifier works on water pressures of 30 psi (minimum) to 100 psi (maximum). If your house water pressure is over the maximum, install a pressure reducing valve in the water supply pipe to the filter system.
- Do not install the microbiological drinking water purifier outside, or in extreme hot or cold temperatures. The temperature of the water supply to the undersink drinking water filter system must be between 40°F and 100°F. Do not install on hot water.
Dimensions

Questions? Call Toll Free 1-866-986-3223 or visit whirlpoolwatersolutions.com
When you call, please be prepared to provide the model number and date code, found on the rating decal on back.
Parts of the System
- Filter system assembly
- Water supply fitting
- Filtered water faucet for sink or countertop mounting
- Color coded 3/8″ tubing to make all needed connections
- Filter change drip tray
Materials and Tools Needed
NOTE: Gather the required tools before starting installation. Read and follow the instructions provided with any tools listed here.
- Slotted and Phillips screwdrivers
Pliers and adjustable jaw wrench - Tubing cutter
- Electric drill and 1-1/4″ drill bit if mounting hole is needed for the faucet
IMPORTANT: To avoid damaging the sink, consult a qualified plumber or installer for drilling procedures in porcelain or stainless steel.
Typical Undersink Installation
Locate the water filter housing on the cold water supply pipe, under the kitchen and/or bathroom sink, to filter the cold drinking water. Refer to the following drawing.

Installation Instructions
Step A – Install Cold Water Supply Fitting
Check and comply with local plumbing codes as you plan, then install a cold water supply fitting. The fitting must provide a leak-tight connection to the water filter 3/8″ tubing. A typical connection using the included water supply fitting is shown in Figure 3A. An optional connection using standard plumbing fittings (not included) is shown in Figure 3B.
Included Water Supply Fitting
- Close the cold water shutoff valve (angle stop valve) that the water supply fitting will be installed on, and open faucet(s) to relieve pressure.
- Disconnect the existing cold water line from the water shutoff valve.
- Make sure that the water supply fitting’s gasket is inside the female threaded portion of the fitting.
- Install the water supply fitting onto the cold water shutoff valve, where the existing cold water line was removed, and hand tighten. Make sure not to cross thread or overtighten.
- Connect the existing cold water line to the male threaded portion of the water supply fitting and hand tighten. Make sure not to cross thread or overtighten.
Optional Pipe Fittings (compression type shown)
NOTE: Be sure to turn off the water supply and open a faucet to drain the pipe. Complying with plumbing codes, install a fitting on the cold water pipe to adapt 3/8″ OD tubing. A typical connection is shown in Figure 3B. If threaded fittings are used, be sure to use pipe joint compound or thread sealing tape on outside threads.

Step B – Make Hole For Filtered Water Faucet
IMPORTANT: To avoid damaging the sink, consult a qualified plumber or installer for drilling procedures in porcelain, stainless steel, or granite. Special drill bits are made for this.
- Select one of the following places to install the faucet. Be sure there is room underneath so you can make the needed connections.
- In an existing sink spray attachment hole.
- Drill a hole in the sink top.
- Drill a hole in the countertop next to the sink.
- If drilling is needed make a 1-1/4″ dia. (minimum) hole for the faucet.
Step C – Install Faucet
- Insert one end of the 3/8″ blue tubing into the push-in fitting on the bottom of the faucet. Push tubing through the collet and all the way into the fitting. Full engagement is 3/4″ length of tube into the fitting.
- Feed the 3/8″ tubing that is attached to the faucet through the mounting hole. Slide the toggle bolts through the mounting hole. Tighten the screws to secure the base flat on the mounting surface. Do not overtighten.
- Move the faucet down onto the base. Turn 1/4 clockwise to attach the faucet to the base.
- Install battery in the base. See “Battery Change” section for instructions.

Step D – Make Tubing Connections
- Allowing some slack, measure and cut a length of 3/8″ tubing to connect between the supply fitting and the filter system inlet (See Figure 2). Cut the ends of the tubing square.
- Insert tubing all the way into the supply fitting and inlet fitting. Pull on the tubing to be sure that it’s held firmly in the fittings.
- Repeat steps 1 and 2 to connect tubing from the faucet to the filter system outlet (See Figure 2). Tubing Connection (all push-in fitting locations): This system includes push-in fittings for quick tubing connections. If working with the fittings, do the following.
Connect Tubing:
- Use a box cutter or knife to cut the end of tubing square.
- Inspect the end (about 1″) of the tubing to be sure there are no nicks, scratches, or other rough spots. If needed cut the tubing again.
- Push tubing through the collet and all the way into the fitting. Full engagement is 3/4″ length of tube into the fitting. If tubing other than supplied with the system is used, be sure it is of high quality, exact size, and roundness with a smooth surface.

To Disconnect Tubing:
- Push the collet inward and hold with a finger while pulling the tubing out.
collet (depress to remove tubing)
Step E – Turn On Water, Check for Leaks and Rinse Carbon Fines
- Open the shutoff valve(s) that you closed at the beginning of this installation.
- Open the sink faucet and filtered water faucet to purge air from the system. When the water runs smooth, with no bubbles or spurting, close faucets and check the installation for leaks.
- Open the filtered water faucet and let the water run for 10 minutes to rinse out carbon fines.
Filter Cartridges
Filter Cartridge Life
Taste and Odor, and Microbiological Purifying Cartridges: Taste and odor, and microbiological purifying cartridges contain activated carbon. When new, open the filtered water faucet and allow fine, carbon particles to purge from the cartridges. Flush for 10 minutes. It is recommended to replace filter cartridges every six months or 550 gallons of use. There are several variables that determine how long a cartridge will last. These include:
- How much water you use, and
- How much sediment, taste and/or odor, or other unwanted substance, is in the water.
Use the following information as a guide. However, no matter which type of cartridge you are using, you will know it is time to replace them when you first notice the return of the unwanted sediment, taste and/or odor in your water, or when the flow diminishes or stops.
Whirlpool ® Water Purifier Filtration System model WHAMBS5 with replacement element pack WHEMBF conforms to NSF/ANSI 42 and 53 for the specific performance claims as verified and substantiated by test data. The rated capacity for this system is 550 gallons (2,082 liters) at a rated service flow of 0.74 gallons per minute.
Register for reminders to change filters at
whirlpoolwatersolutions.com
Filter Cartridge Replacement
- Turn the filter cartridge counterclockwise to remove cartridges from the filter manifold.
NOTE: You may notice some water under the system during filter change. - Dispose of the cartridges in a proper manner.
- Install new cartridges. Turn cartridges clockwise to re-attach to the filter manifold.
- Remove and replace the timer battery. See “Battery Change” section for instructions. Taste and Odor, and Microbiological Purifying Cartridges: Taste and odor, and microbiological purifying cartridges contain activated carbon, a black powder. When new, open the filtered water faucet and allow fine, carbon particles to purge from the cartridges. Flush for 10 minutes.

Faucet Electronics
Faucet Timer
Inside the faucet base is a battery operated 6 month timer.
An amber LED indicator is also located in the front of the faucet base. This LED will flash continuously after 6 months have passed. This indicates that it is time to replace the battery and filters.
Battery Change
To change the battery, complete the following steps.
- Loosen the screw on the right side of the faucet base.
- Press the battery housing upwards from the faucet base until it releases from the base.
- Replace the battery (CR 2032 or equivalent). Place battery into the holder with the positive (+) side facing the back of the holder.
NOTE: Recycle or properly dispose of the old battery. - When the battery is first replaced the light in the base will flash six times and turn off. This indicates the battery is fully charged. After the six flashes, the timer enters the 6 month time cycle. If it repeatedly flashes two times, the battery is weak and needs to be replaced.
- Re-install the battery housing and firmly tighten the mounting screw.

Troubleshooting the System
| Problem: No water or decreased water flow. | |
| Cause: Filter 1 is clogged. | Correction: Replace the filter 1 cartridge. |
| Cause: Flow through the microbiological purifying filter will decrease and eventually clog when exposed to an excess of microbiological loading materials in the water. This failsafe feature reduces the chance of product use beyond its intended life, and will shut down the filter when it is exposed to contaminated water. | Correction: Replace all filter cartridges. |
| Problem: Taste and/or Odor. | |
| Cause: Filter cartridges exhausted. | Correction: Replace all filter cartridges. |
| Cause: System contaminated. | Correction: Sanitize system. Call 1-866-986-3223 for instructions. |
| Problem: Faucet LED indicator light does not function after battery change. | |
| Cause: Battery dead. | Correction: Replace with new battery. |
| Cause: Battery installed incorrectly. | Correction: Install battery correctly. |
| Problem: Water leaks at push connect fittings. | |
| Cause: Tubing not pushed in all the way. | Correction: Push tubing in all the way into fittings. |
| Cause: Tubing not cut square. | Correction: Cut tubing square. |
| Cause: Tubing nicked. | Correction: Remove nicked portion, reinsert tubing into fitting. |
| Cause: Outer tubing surface not smooth. | Correction: Remove rough portion, reinsert tubing into fitting. |
Need help troubleshooting? Call Toll Free 1-866-986-3223 or visit whirlpoolwatersolutions.com
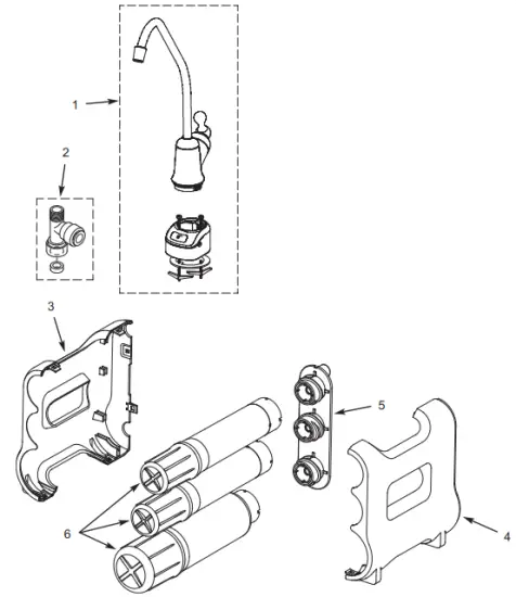
Parts List

| Key No. | Part No. | Description |
| 1 | 7292674 | Faucet, with base & electronics |
| 2 | 119-8600088 | Water Supply Fitting, 3/8″ Q.C. |
| – | 1128-05-HD | Repl. Cabinet (incl. Key Nos. 3 & 4) |
| 3 | ↑ | Cabinet, Left |
| 4 | ↑ | Cabinet, Right |
| 5 | 1128-05-HB | Manifold Assembly (includes Key Nos. 3-5) |
| 6 | WHEMBF | Repl. Filter Cartridges, 1 each of Sediment, LTO (Lead, Taste & Odor) & Microbiological Purifying |
| 7168435 | Tubing, 3/8″ x 72″ long, White | |
| 7387348 | Owner’s Manual |
Please purchase replacement cartridges from the retailer where you bought your water filtration system.
Not illustrated
To order repair parts call toll free 1-866-986-3223.
Manufactured and warranted by
Water Channel Partners
1890 Woodlane Drive
Woodbury, MN 55125
FOR IOWA USE ONLY
All sales in Iowa require the following signature before consummation of sale. These signatures must be retained by seller/renter for 2 years minimum.
Buyer/Renter __________________________________________________________ Date _________________
Seller ________________________________________________________________ Date _________________
Seller’s Address _______________________________________________________________________________
Seller’s Phone No. _____________________________________________________________________________
Product: Whirlpool® Water Purifier Filtration System – Model WHAMBS5
WARRANTY
EXTEND YOUR WARRANTY:
You can turn your water filtration system’s one year factory warranty into a lifetime warranty by saving your receipts for purchases of Whirlpool ® replacement filter cartridges. See “Lifetime Warranty” below for details.
WATER PURIFIER FILTRATION SYSTEM – MODEL WHAMBS5
(not including filter cartridges)
Warrantor: Water Channel Partners, 1890 Woodlane Drive, Woodbury, MN 55125 One Year Warranty:
Warrantor guarantees, to the original owner, that the Water Purifier Filtration System (WHAMBS5), when installed and maintained in accordance with the instructions, will be free from defects in materials and workmanship for a period of one (1) year from the date of purchase.
Lifetime Warranty:
Warrantor guarantees, to the original owner only, that the Water Purifier Filtration System (WHAMBS5) will be free from defects in materials and workmanship for the lifetime of the owner, provided that:
- The system is installed and maintained in accordance with the instructions in the same home where it was originally installed.
- The owner replaces all three filters every six (6) months and saves their receipts, for proof of purchase of the Whirlpool WHEMBF filter cartridge set, in case a warranty claim is made. Purchase of no more than two (2) WHEMBF filter sets in a 12 month period may be applied toward compliance with this warranty.
Failure to adhere to the above requirements from the date of purchase voids the lifetime warranty.
If, during such respective periods, a part proves, after inspection, to be defective, Warrantor will, at its sole option, either replace or repair the part without charge except normal shipping and installation charges. Labor to maintain the equipment is not part of the warranty. Filters, which are expendable, are not covered by the warranty.
TO OBTAIN WARRANTY PARTS, SIMPLY CALL 1-866-986-3223 for assistance. This warranty applies only while this product is in use in the United States or Canada.
General Provisions
The above warranties are effective provided the Water Purifier Filtration System is operated at water pressures not exceeding 100 psi, and at water temperatures not exceeding 100°F; provided further that the Water Purifier Filtration System is not subject to abuse, misuse, alteration, neglect, freezing, accident or negligence; and provided further that the Water Purifier Filtration System is not damaged as the result of any unusual force of nature such as, but not limited to, flood, hurricane, tornado or earthquake.
Warrantor is excused if failure to perform its warranty obligations is the result of strikes, government regulation, materials shortages, or other circumstances beyond its control.
*THERE ARE NO WARRANTIES ON THE WATER PURIFIER FILTRATION SYSTEM BEYOND THOSE SPECIFICALLY DESCRIBED ABOVE. ALL IMPLIED WARRANTIES, INCLUDING ANY IMPLIED WARRANTY OF MERCHANTABILITY OR OF FITNESS FOR A PARTICULAR PURPOSE, ARE DISCLAIMED TO THE EXTENT THEY MIGHT EXTEND BEYOND THE ABOVE PERIODS. THE SOLE OBLIGATION OF WARRANTOR UNDER THESE WARRANTIES IS TO REPLACE OR REPAIR THE COMPONENT OR PART WHICH PROVES TO BE DEFECTIVE WITHIN THE SPECIFIED TIME PERIOD, AND WARRANTOR IS NOT LIABLE FOR CONSEQUENTIAL OR INCIDENTAL DAMAGES. NO WARRANTOR DEALER, AGENT, REPRESENTATIVE, OR OTHER PERSON IS AUTHORIZED TO EXTEND OR EXPAND THE WARRANTIES EXPRESSLY DESCRIBED ABOVE.
Some states do not allow limitations on how long an implied warranty lasts or exclusions or limitations of incidental or consequential damage, so the limitations and exclusions in this warranty may not apply to you. This warranty gives you specific legal rights, and you may have other rights which vary from state to state. This warranty applies to consumer-owned installations only.
PRODUCT REGISTRATION AND WARRANTY EXTENSION
Please register your product on whirlpoolwatersolutions.com
If you have any questions or concerns when installing, operating or maintaining your water filtration system, call our toll free number:
1-866-986-3223
or visit whirlpoolwatersolutions.com
When you call, please be prepared to provide the model number and date code of your product, found on the rating decal on back.
System tested and certified by NSF International against NSF/ANSI Standards 42 and 53 for the performance claims listed on pages 3 and 4.
The WHAMBS5 system is certified by NSF International against NSF Protocol P231 for Microbiological Water Purifiers, based on the recommmendations set forth in the U.S. EPA Guide Standard and Protocol for Testing Microbiological Water Purifiers (OPP Task Force Report, 1987).


















