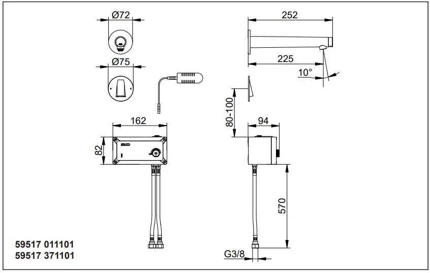
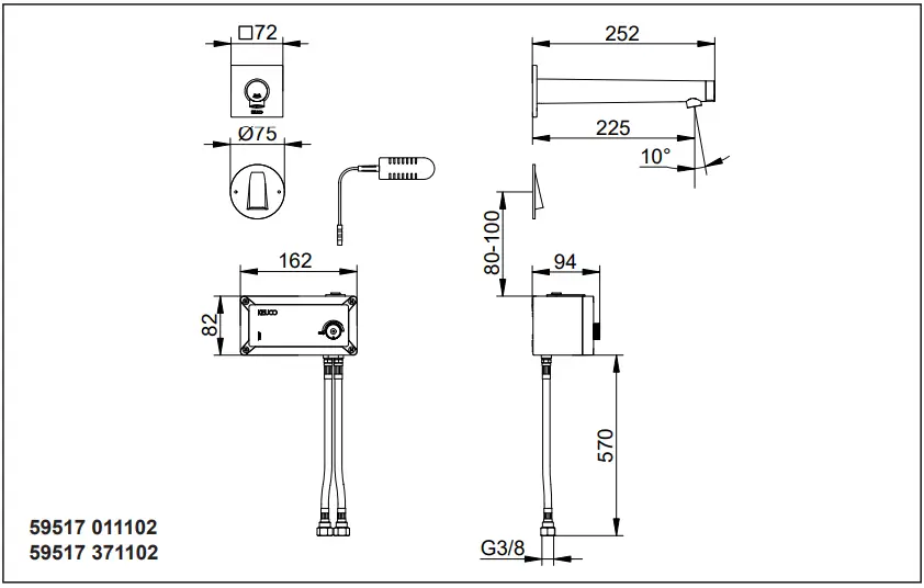
KEUCO 59517 011101 Wall Mounted Electronic Basin Faucet

Mounting dimensions

These instructions are designed for the installation engineer to assemble the product and for the user to operate and maintain it.
After installation, please pass them on to the user for safekeeping.
Symbols and their meaning
Caution! Warning against bodily injury or damage to property.
Note, tip or reference
Incorrect installation
Correct installation/test of functionality
Observe installation details
Cold water
Water flow
Optional/accessories
Hot water
No water flow
Safety Information
- This device is not intended to be used by persons (including children) with limited physical, sensory or mental abilities, or with inadequate experience and/or knowledge, unless they are supervised by somebody responsible for their safety and have received instructions from them on how to use the device.
- Children must be supervised to ensure they do not play with the device.
- Avoid contact with the eyes or mucous membrane.
- The electrical installations must be undertaken by a specialist electrical installer in compliance with IEC 60364-7-701/VDE 0100 Part 701! National and local regulations must be taken into consideration!
- Do not start the appliance if it or the power supply cable is damaged, but have it replaced by the manufacturer, its customer service or by an equally qualifi ed person.
Intended use
- Sensor washbasin mixer for use in private and public bathrooms and WCs.
- Operation possible with pressure tanks and thermally and hydraulically controlled instantaneous water heaters.
- Operation with unpressurised tanks (open water heaters) is not possible!
- Operation only with potable water.
- With the optional Bluetooth® adapter (article No.: 59911 000000) the sensor washbasin mixer can be operated and programmed via app.
- Product is only suitable for installation indoors!
- Attention! Only install in frost-free places. Declaration of conformity! This product complies with the requirements of the valid EU Guidelines. The declaration of conformity for this product can be requested from the following address: KEUCO GmbH & Co. KG, Oesestraße 36, D-58675 Hemer.
Technical specifications
- Supply voltage: 220-240V AC 50/60Hz
- Secondary voltage: 6.75 V DC
- Max. Power consumption 2.5 W
- Ambient conditions:
- Temperature 5°– 40° C
- Flow at 3 bar pressure: max. 5 l/min
- Pressure: min. 0.5 bar/recommended 1-5 bar
- Operating pressure max. 8 bar
- Test pressure: 16 bar
- Recommended hot water inlet temperature: max. 70°C
- Water connection:
- cold = blue marking
- hot = red marking
Avoid pressure diff erences between the cold and hot water feeds.
Install a pressure reducer for static pressures above 5 bar.
Factory settings
- Detection zone: ~12 cm (factory setting)
- Automatic flushing: deactivated
(factory setting) - Run-on time: 1 s
- Cleaning mode: 180 s*
- Continuous water flow
(thermal disinfection): 2 min* - Water stop: 20 s*
Value can only be adjusted using the KEUCO Bluetooth app with the optional Bluetooth® adapter (article No.: 59911 000000).
Installation







Operating
When the sensor washbasin mixer is ready for use:
- Hold hand in front of sensor window
- Water comes out at the preset temperature


Temperature setting
- Change temperature by rotary button

Replacing the solenoid valve
Assemble in reverse order.
Replacing the mixing cartridge
Assemble in reverse order.
Cartridge nut torque: 12-13 Nm
Cleaning aerator
Assemble in reverse order.
Spare parts
For information about warranty and maintenance, see the enclosed Care Instructions and Warranty Card.
Disposal information! Equipment with this labelling must not be disposed of in household refuse, but must be disposed of at a collection centre intended for this purpose.
Dispose of batteries according to laws and regulations that are applicable locally.
Malfunction / Cause / Remedy
| Malfunction / Cause / Remedy | ||
| Error | Symptom | Remedy |
|
Water doesn’t flow | Water supply cut off | Turn on water supply |
| Aerator clogged/dirty | Clean or replace aerator | |
| Filter clogged/dirty at solenoid valve | Clean or replace solenoid valve | |
| Solenoid valve defective | Replace solenoid valve | |
| Mixing cartridge clogged/defective | Clean or replace mixing cartridge | |
| Flow pressure too low | Increase flow pressure | |
| Cable plug-connector between power supply unit and sensor washbasin mixer severed | Establish cable plug-connection | |
| Connection cable kinked or broken | Replace defective cable and component | |
| No mains power available | Check mains power supply, ensure power supply | |
| Plug-in power supply defective | Replace the plug-in power supply | |
| Sensor detection zone not properly adjusted | Adjust detection zone | |
| Sensor window scratched/dirty | Carefully clean sensor window | |
| Interfering reflections from washbasin | Adjust detection zone | |
| Water runs continuously and stops when an object is in the detection zone! | Polarity of plug between electronic module and solenoid valve reversed | Connect plug connection properly |
| Sensor detection zone set too small | Increase size of sensor detection zone | |
| Water doesn’t stop flowing! | Solenoid valve defective | Replace solenoid valve |
| Interfering objects in detection zone | Remove objects from detection zone | |
| Flow pressure too high | Check flow pressure, set to 0.5 – 5.0 bar | |
| Water starts flowing on its own! | Sensor window scratched/dirty | Carefully clean sensor window |
| Sensor washbasin mixer is affected by influences from the room (mirror, metal surfaces, glass washbasin, etc.) | Decrease size of detection zone | |
| Fitting leaky, water leaks out! | Defective gaskets or incorrect installation | Check installation and replace defective gaskets as necessary |
| Water drips from spout, solenoid not closing properly | Clean or replace solenoid valve as necessary | |
|
Temperature cannot be properly adjusted! | Too little or no hot or cold water | Open the angle valve completely |
| Filter clogged/dirty in water supply | Clean or replace filter | |
| Water temperature too low or too high | Check temperature of water supply and adjust as necessary | |
| Water temperature too low or too high (mixed water temperature cartridge) | Adjust temperature with rotary button | |
KEUCO UK Ltd.
57 Sheffi eld Road
Dronfi eld
S18 2GF Derbyshire
Phone: +44 (0) 1442 865 220
E-Mail: [email protected]
www.keuco.com



























