
MANGO POWER Union
User Manual
Introduction
Congratulations on your purchase of the MANGO POWER Union.
The MANGO POWER Union is the world’s first battery system to integrate both home and portable power solutions. It consists of 2 parts: the main base – the Power Home – and the detachable Power Move. The Power Home and Power Move connect via a unique linking mechanism we call the mUnion, which allows for ultra-fast docking and undocking. You can use your MANGO POWER Union to back up essential circuits and important appliances at home, reducing your energy bill and carbon footprint, and can take its power with you anywhere you want to go to electrify your outdoor excursions.
Here is a brief breakdown of the system’s specifications:
![]() | MANGO POWER Union Battery Capacity : 6.9kWh Output : 120V~,Max 4000W,5V~20V , Max 350W AC Input : 2 x (120V~, 20A), Max 3300W PV Input : 2 x (60V~150V , 20A), Max 4000W Power Modes : Backup Mode/Time-based Control Mode/Economical Mode |
![]() | MANGO POWER Move Battery Capacity : 2.3kWh Output : 120V~,Max 2000W,5V~20V , Max 350W AC Input : 120V~, 20A, Max 1300W PV Input : 60V~150V , 20A, Max 2000W Power Modes : N/A |
![]() | MANGO POWER Home Battery Capacity : 4.6kWh Output : 120V~,Max 2000W AC Input : 120V~, 20A, Max 2000W PV Input : 60V~150V , 20A, Max 2000W Power Modes : Backup Mode/Time-based Control Mode/Economical Mode |
Safety Instructions
- MANGO POWER Union should be installed by a professional engineer certified to carry out high voltage installations of 48Vdc, and 120Vac to 240Vac in residential homes.
- Carefully read this document before installation and use. Otherwise, serious damage or personal injury may result.
- This battery contains compounds which may be harmful, carcinogenic, or cause fertility disorders if improperly handled. Do not remove the internal battery without the express permission of the manufacturer or one of its designated suppliers.
- We’re proud of the Mango Power Union’s lightweight design, but it is still a 70kg+ product. Please be careful when handling and use an auxiliary transport tool if necessary.
- If you notice any extrusion, deformation, or other defect of your MANGO POWER Union, immediately stop use of the product, and contact our support staff.
- Before undertaking any installation or wiring, first make sure the MANGO POWER Union’s Power Button and Breaker are in the “off” position.
- Do not dismantle or attempt to dismantle the MANGO POWER Union without the express permission of the manufacturer. Some of its parts are not replaceable. If you have any issue with your MANGO POWER Union, contact our support staff. If maintenance is required, professional maintenance engineers will be required.
- To protect the product during transportation, please do not stand or sit on the MANGO POWER Union’s packing boxes. When opening and unpacking, be sure to handle with care. Do not place other items on top of the MANGO POWER Union.
- Do not install the MANGO POWER Union near a heater or other heat source. It is prohibited to place or operate this equipment in an environment with any flammable, explosive gas, or smoke.
- Do not install the MANGO POWER Union any place where it will be directly exposed to the rain, and do not allow it to soak in water or any other liquid.
Please do not use chemical cleaners or expose the MANGO POWER Union to any other flammable or volatile chemicals. - Do not use spray products to clean the MANGO POWER Union.
- This product should only be installed in environments that stay within its operating temperature range: -20-55° Celsius/-4-131° Fahrenheit.
- Strictly follow guidelines laid out in this user manual when installing or using your MANGO POWER Union.
- Only use official accessories from MANGO POWER to use in conjunction with your MANGO POWER Union.
- Do not insert foreign objects into any of the MPU ports (whether AC or DC or ventilation holes). This power station generates the same potentially lethal AC power as a household wall outlet. Please use it carefully and keep children away from it.
- This product must be grounded. If it should malfunction or breakdown, grounding provides a path of least resistance for electric current to reduce the risk of electric shock. This product is equipped with a cord having an equipment grounding conductor and a grounding plug. The plug must be plugged into an outlet that is properly installed and grounded in accordance with all local codes ordinances. WARNING – Improper connection of the equipment grounding conductor is able to result in a risk of electric shock. Check with a qualified electrician if you are in doubt as to whether the product is properly grounded. Do not modify the plug provided with the product – if it will not fit the outlet, have a proper outlet installed by a qualified electrician.
Abbreviation
MPU: MANGO POWER Union
mUnion: Unique and ultra-fast linking between Power Home and Power Move
AC: Alternating Current
DC: Direct Current
SOC: State of Charge
Grid: Home Power Supplied by Utility
MPPT: Maximum Power Point Tracking
MANGO POWER App
The MANGO POWER Union, Power Home, and Power Move all support both Wi-Fi and Bluetooth connections. Please download the MANGO POWER App from the iOS App Store or Google Play before installing the MANGO POWER Union.
Step 1:
Make sure your MANGO POWER Union and your smartphone are both on the same Wi-Fi network.
Step 2:
Turn your MANGO POWER Union on by pressing the power buttons on both the Power Move and the Power Home.
Step 3:
On the MANGO POWER App, register and login.
Step 4:
Connect the MANGO POWER Union and Power Move to the same Wi-Fi network as the device on which you have downloaded the MANGO POWER App.

![]() | ![]() |
| https://apps.apple.com/cn/app/mangopower/id1577150286 | https://play.google.com/store/apps/details?id=com.eybond.mangopower |
After login, you can monitor and control your MANGO POWER Union through the app. In the navigation bar at the bottom of the app interface, you can choose Home Page, Notifications, or the My Profile tab.

Home Page
The Home Page shows the battery status for all parts of the product: the MANGO POWER Union, the Power Move, and the Power Home.
At any time, you can click on the MANGO POWER Union device to control what mode it’s in, and the AC / DC output.

The Green Report section displays your current green energy generation and consumption statistics.The Power Flow section gives you a clear picture of how energy flows into your Mango Power Union via solar or from the grid, and how it’s used via the connected devices.

The Customize section lets you choose different modes for advanced control of your energy use. Currently, the MANGO POWER Union supports Backup Power, Economical, and Time-Based Control Modes. For an in-depth description of these modes, refer to sections 4.1-4.3.

Notifications
The Notifications page shows any notifications from your device and contains your latest reports. In the My Profile tab, you can find all your account and warranty information. You can also check for the latest Over-The-Air updates in “About”.
Backup Power Mode
Backup Power Mode prioritizes energy storage for the MANGO POWER Union battery, so it’s fully charged in case of a power outage.
Backup Power Mode maintains a certain charge (85% is the default, but this can be adjusted in the MANGO POWER App) in your Mango Power Union to guarantee seamless power to your home’s essential circuits in the event of a power outage. The MANGO POWER Union will charge from your grid or solar power system and will only discharge during a grid outage, or if the total battery capacity is higher than your chosen threshold. To activate this mode, connect your device and MANGO POWER App, and switch to Backup Power Mode in the app
Step 1:
Open the MANGO POWER App and choose MANGO POWER Union on the Home Page.

Step 2:
Scroll down the screen and click on the Customize bottom.

Step 3:
Choose the Backup Mode and choose the power reserve threshold you prefer for your battery. We recommend a setting above 80% for this mode. After this, your MANGO POWER Union will be set to Backup Mode.

Time-Based Control Mode
Time-Based Control Mode sets battery charging and usage times according to your peak/off-peak electricity needs to ensure you always enjoy lower energy costs and/or make greater use of solar power.
If your electricity prices vary throughout the day, you are likely on a time-of-use plan. Time-of-use plans are utility rate structures in which electricity prices vary depending on time of day, day of the week, and season.
Utilities usually break the plan into three sections:
Peak: High demand hours that have the most expensive prices.
Off-Peak: Low demand hours with the least expensive prices.
Shoulder: All other times.
Time-Based Control Mode will help you maximize savings with smart charging and battery use. To enable this mode in the Mango Power App, follow these steps:
Step 1:
Open the MANGO POWER App and choose MANGO POWER Union on the Home Page.

Step 2:
Scroll down the screen and click on the Customize bottom.

Step 3:
Choose the Time-Based Control Mode and set the charge and battery usage times according to your local utility conditions. After this, Time-Based Control Mode is now active.

Economical Mode
Economical Mode prioritizes energy from green sources such as solar to guarantee a larger share of your energy consumption is environmentally conscious.
Economical Mode stores any solar energy not used during the day to power your home at night.
In Economical Mode, the MANGO POWER Union will charge when excess solar power is produced during the day. This stored energy will then be used when your home needs more power than solar can provide. If you are consuming more than is available through your solar and the stored energy of your MANGO POWER Union, you will begin to import energy from the grid.To activate this mode, connect the MANGO POWER Union with your solar power system and switch to this mode in the MANGO POWER App. In the app, you can see in detail the power flow to and from your MANGO POWER Union and your energy report.
Step 1:
Open the MANGO POWER App and choose MANGO POWER Union on the Home Page.

Step 2:
Scroll down the screen and click on the Customize bottom.

Step 3:
Choose the Economical Mode and set the threshold for the minimum battery reserve. The mode is now active.
Note: When you have enough solar energy to offset all consumption and your MANGO POWER Union is fully charged, the excess energy will NOT be exported to the grid.

What’s in the Box
| No. | Category | Quantity | |
| 1 | ![]() | MANGO POWER Union | 1 |
| 2 | AC Charging Cable 20A | 2 | |
| 3 | MC4 to Aviation Cable (Solar Input Cable) | 2 | |
| 4 | 40A Home Backup Cable | 1 | |
| 5 | User Manual | 1 | |
| 6 | Warranty Card | 1 | |
| 7 | QC PASS Certificate | 1 |
Features

| No. | Name | Description |
| 1 | ox USB-A 27W output | Quick charge USB-A ports |
| 2 | USB-C 65W/100W output | Can be used to charge most devices currently on the market at 65W/100W Max. |
| 3 | 2x DC 5521 12V/5A output | Traditional ports for routers, cameras, old laptops, etc. |
| 4 | Touch Screen | Can be pressed/tapped to control the Mango Power Union |
| 5 | Power button for Power Move | Short press to turn the Power Move ON/OFF |
| 6 | US AC TT 30A | NEMA TT-30: standard recreational vehicle connector (120V/30A), also known as RV 30 |
| 7 | 2x Wireless charging 15W | Can charge your phone or other devices which support wireless charging |
| 8 | DC 12’V/10A cigarette lighter port | Output port for devices with a corresponding
plug such asvehicle-use vacuums, refrigerators, etc. |
| 9 | AC output 20A x4 | Standard AC receptacle: widely used in areas that use 100-120V; generates almost same AC power as a household wall outlet |
| 10 | Home backup outlet | To fully backup your home’s essential circuits |
| 11 | Grid AC Input for Power Home | Can connect the Power Home to grid for AC charging |
| 12 | Solar input for Power Move | Can be connected to solar panels |
| 13 | Power button for Power Home | Short press to turn the Power Home ON/OFF |
| 14 | Grid AC Input for Power Move | Can connect the Power Move to grid for AC charging |
| 15 | Communication Interface of Extension | Communication Interface for several MANGO POWER Union Extensions |
| 16 | Solar input for Power Home | Can be connected to solar panels |
| 17 | Smartcharge button | Long press (>3s) to turn the Power Homes smart charge ON/OFF |
| 18 | AC ON/OFF button | Long press (>3s) to turn the Power Home’s AC output ON/OFF (with 40A Home Backup Cable connected) |
| 19 | Home backup breaker | Breaker for home backup circuit |
How to connect
Before connecting the MANGO POWER Union to solar, the grid, or your home’s essential circuits, please confirm the following:

Connecting with Solar
Both the Power Home and the Power Move have PV input ports on the backside of the device.
The MANGO POWER Union supports 60V-150V solar panels. You can connect it to a roof solar system or to portable solar panels. Please use the included PV Charging Cable (MC4 Port to Aviation Port) if necessary. Up to 2x solar MPPTs (maximum power point trackers) can be plugged in.
For home use, you can connect both the Power Home and the Power Move to maximize solar input. The maximum solar input of the entire Mango Power Union is 4000W, with 2000W coming from each module. When using outdoors, you can independently connect the Power Move to your home solar system or connect to portable solar panels for a maximum input of 2000W.

Connect with the Grid
Both the Power Home and the Power Move have Grid AC input ports on the backside of the device. The MANGO POWER Union supports a maximum 3300W input. Connect the AC input ports to home sockets using the included charging cables. (Please be sure the home sockets you connect to support a current of more than 20A).

Connect with Your Home’s Essential Circuits
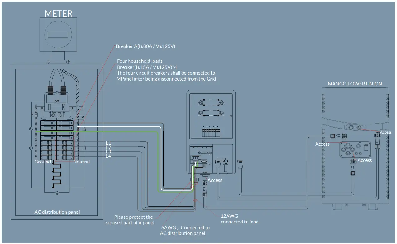
To fully back up your home’s essential circuits, we recommend using the mPanel accessory (not included) capable of supporting up to 4x circuits with a total load of 4000W/40A per single MANGO POWER Union unit.
To test the home backup power supply and UPS (Uninterrupted Power Supply) features without the mPanel, you can connect the MANGO POWER Union or Power Move with the gird and connect your essential circuits or devices with the output ports on top of the Power Move.
Turn on the Home Backup Breaker on the backside of the device and tap the UPS button on the Power Move’s touchscreen. The backup power supply will start working.
Now when a power outage occurs, the power supply for all the appliances connected to the backup circuit will automatically and immediately begin powered by the MANGO POWER Union and/or Power Move.
Please note this method (connecting via the output ports instead of the mPanel) can only support 2000W/20A for each AC port. If you use the MANGO POWER Union to connect several devices with several AC ports for the test, make sure the total power needed is less than 4000W. If you want to increase the overall capacity and back up all your home’s essential circuits, we recommend connecting several MANGO POWER Unions and running them in parallel.

After connecting as prescribed in 7.2-7.4, your overall connection will be as shown below:

Detailed wiring diagram please refer to appendix 13.1.
Let’s Get Started
Startup: short press the Power Home’s and/or the Power Move’s power buttons to turn them on; their indicator lights will also turn on at the same time.
Shutdown: short press the Power Home’s and/or the Power Move’s power button to turn them off; their indicator lights will also turn off.
The MANGO POWER Union’s DC and AC power switches are integrated into the interaction LCD screen; press “DC” button and/or “AC” button on the screen to turn on/off the DC/AC output. If the Power Move is detached from the Power Home, you can turn the Power Home’s AC output on by long pressing the “AC ON/OFF” button for more than 3s.
Touchscreen
| 1 Power Move button | 4 Charge level |
| 2 Power Home button | 5 Switch arrow |
| 3 Union icon | 6 Status bar |
After tapping the or, you can separately read the Power Move’s or Power Home’s charge level through the pages shown below:

Tap the 5 switch arrow icon on the homepage to move to the settings page. 7 Input & Output power will be shown on this page. Get more 9 function button by touching the 8 scroll up arrow and 11 scroll down on settings page.

Settings page7 Input & Output Power 10 Settings 8 Scroll up Arrow 11 Scroll down Arrow 9 Function Button
On the settings page, you can get the input & output power information, and by tapping the switch button, you can switch the MANGO POWER Union into different modes:
AC: turn ON/OFF the AC output
DC: turn ON/OFF the DC output
Backup: switch to/switch off backup mode
Smart-Charge: switch to/switch off full power charging mode
240V mBoost: switch to/switch off 240V output
Touch the settings, the cue words of selecting appropriate input current will be shown on screen and then switch to input current and battery capacity setting page. Please select the appropriate input current according to the rated current of the AC receptacle by 10A / 15A / 20A, with the default is 15A. Similarly, for the backup battery capacity, please select the appropriate value according to usage scenario by 95% / 90% / 85%, with the default is 95%.

If there is a communication failure, the mUnion icon will show gray as below:

If a system error occurs, the error warning will be shown as below:

The touch screen will automatically turn off after 3 minutes of idle operation. Wake it up by touching anywhere on the screen.
Technical Specifications
| MANGO POWER Union Power move (Power Home+Power move) (detachable portable power station) | ||
| General | ||
| Net Weight | 160 lbs. 72.58kg | 58 lbs. 26.35kg |
| Size | 17.6 x 13.6 x 31.7 inches 446 x 346 x 805mm | 17.6 x 13.6 x 13.1 inches 446 x 346 x 333mm |
| Working Temperature | -4°F-131°F (-20°C -55°C) | |
| Warranty | 36 Months | |
| Certifications | Meets US and International Safety and EMI Standards | |
| Smart Charge | Yes | |
| mBoost Mode | Yes | |
| Running Noise | <45dB | |
| Battery | ||
| Battery Energy | 6.9 kWh | 12.3 kWh |
| Cell Chemistry | EV-class LFP Battery Cell | |
| Life Span | Capacity Retention >80% after 2000 cycles | |
| Battery Management Systems | Over Voltage Protection, Overload Protection, Over Temperature Protection, Short Circuit Protection, Low Temperature Protection, Low Voltage Protection, Overcurrent Protection, DC/DC Converter Optimizer | |
| Input | ||
| Charging Method AC Wall Outlet, Solar Panel | ||
| AC Charging 3300W 1300W | ||
| Solar Input 2x 2000W MPPT (60V-150V) 2000W MPPT (60V-1S0) | ||
| Inverter | ||
| AC Output Power | 4x 20A+1x 30A +1x 40A (backup)/ 4000W | 4x 20A+1x 30A / 2000W |
| Surge Power | 6600W/100ms | 3300W/100ms |
| Maximum Power Point Trackers | 2x, Supports Both Roof and Po table Solar Panels |
| Inverter Efficiency | Up to 95% | |
| New Inverter Tech | GaN/SiC 3rd generation semiconductor | |
| 24/7 Seamless Home Backup & UPS | Yes | Yes |
| Backup Essential Circuits Connection
Output | 4kW/40A | N/A |
| Output Ports | 19 | 18 |
| AC Output | 4x 20A+Ix 30A+Ix 40A (backup)/ 4000W | 4x 20A+Ix 30A / 2000W |
| USB-A (6x) | QC 3.0 27W | |
| USB-C (1x) | PD 65W | |
| USB-C (1x) | PD 100W | |
| Wireless Charging Pad (2x) | 15W | |
| Car Power Output | 12V/10A | |
| DC5521 Output(2x) Smart Control | 12V/5A | |
| Connection | Bluetooth and Wi-Fi | |
| App Remote Control | Yes | |
| OTA Upgrade | Yes | |
| USB Firmware Update | Yes | |
| Customized Mode | Backup Power Mode / Time- based Mode / Economical Mode | N/A |
| Smart Measurement | Yes | |
| Smart Energy and Carbon Footprint Report | Yes | |
| Smart Notifications | Yes | |
| Touch Screen | ||
| Size | 4.3 Inches | |
| Resolution Ratio | 480 x 800 | |
| Screen Pigment | 16.7M colors |
| Safety | ||
| Smart Self-Check System | Yes | |
| 9-Chips Security System | Yes | N/A |
FAQ
– The MANGO POWER Union cannot currently work in parallel with other existing battery systems, but we’re working on making it compatible with a variety of systems. Stay tuned for future updates.
– The MANGO POWER Union (6.9 kWh) supports up to 3300W AC charging, so it can be charged in less than 2.5 hours with the maximum charging speed.
The detachable module Power Move (2.3 kWh) supports up to 1300W AC charging, so it can also be charged in less than 2.5 hours with the maximum charging speed.
– The MANGO POWER Union supports OTA and USB firmware upgrades.
Declaration
Some changes may occur without notice such as external appearance or specifications due to availability of materials or improvements to the hardware or app that are made over time. Our company shall not be liable for any damage caused during force majeure events such as wildfires, typhoons, floods, earthquakes, etc., or for the user’s intentional or unintentional negligence or misuse of the product, or for other abnormal conditions. No compensation shall be made for damages resulting from the use of non-standard adapters and accessories. This unit is not suitable for use on equipment or machines involving: personal safety, such as atomic energy devices, Hi-Fi player devices, emergency medical devices, etc., or any equipment or machines that require extremely highly reliable power sources. We are not responsible for accidents, fires, wrongful or negligent actions caused by such equipment or machines which may result in damage when connected to a MANGO POWER Union unit.
Appendix
Mango Power Union wiring diagram with mPanel


©2022 MANGO POWER. All rights reserved. MANGO POWER, the MANGO POWER logo, MANGO POWER Union, MANGO POWER Move, MANGO POWER Home, MANGO POWER mPanel, MANGO POWER mSocket, MANGO POWER APP, and other trademarks or service names are the trademarks of MANGO POWER, Inc. Date subject to change.
























