HOOVER POWERDASH CARPET CLEANER User Manual

IMPORTANT SAFETY INSTRUCTIONS SAVE THESE INSTRUCTIONS
READ ALL SAFETY WARNINGS AND INSTRUCTIONS BEFORE USING THIS PRODUCT.
WARNING:
When using an electrical product, basic precautions should always be followed to avoid electric shock, fire, and/or serious injury, including the following:
- Fully assemble or install product prior to use.
- Do not leave product when plugged in. Unplug from outlet when not in use and before servicing.
- Do not allow to be used as a toy. Not intended for use by children age 12 and under. Close supervision is necessary when used by or near children. To avoid injury or damage, keep children away from product, and do not allow children to place fingers or other objects into any openings.
- Use only as described in this user’s manual. Use only Hoover recommended attachments.
- To Reduce the Risk of Fire and Electric Shock due to internal component damage, use only Hoover Cleaning Fluids intended for use with this appliance.
- Do not use product with damaged cord or plug. If product is not working as it should, has been dropped, damaged, left outdoors, or dropped into water, call customer service at 1 (800) 944-9200.
- Do not pull or carry by cord, use cord as a handle, close a door on cord, or pull cord around sharp edges or corners. Do not run appliance over cord. Keep cord away from heated surfaces.
- Do not unplug by pulling on cord. To unplug charger, grasp the plug, not the cord.
- Do not handle plug or appliance with wet hands.
- Do not put any object into openings. Do not use with any opening blocked; keep free of dust, lint, hair, and anything that may reduce air flow.
- Keep hair, loose clothing, fingers, and all parts of body away from openings and moving parts.
- Turn off all controls before unplugging.
- Use extra care when cleaning on stairs. To avoid personal injury or damage, and to prevent the products from falling, always place product at bottom of stairs or on floor. Do not place product on stairs or furniture.
- Do not use to pick up flammable or combustible liquids, such as gasoline, or fine wood sandings, or use in areas where they may be present.
CAUTION: · Connect to a properly grounded outlet only. See Grounding Instructions.
TO REDUCE THE RISK OF DAMAGE:
- Avoid picking up hard, sharp objects with this product, as they may cause damage.
- Store appropriately indoors in a dry place. Do not expose machine to freezing temperatures.
- To assist in reducing drying time, be certain the area is well ventilated when using detergents and other cleaners with this machine.
- To help prevent matting and resoiling, avoid contact with carpets until they are dry. Keep children and pets away from carpets until they are completely dry.
- Do not store extractor with solution in tanks.
- With brushes on, do not allow cleaner to sit in one location for an extended period of time, as damage to floor can result.
- Do not use this extractor on hard floors. Using this product on hard floors may scratch or damage your floor.
- Water will drip from the brushes and underside of the product after use and may puddle. To avoid damage to wood and laminate flooring and to avoid potential slip hazard, after use (a) do not leave the product on wood and laminate surfaces and remove to a hard surface and (b) place unit on absorbent material (such as a towel) to soak up drips.
GROUNDING INSTRUCTIONS
This appliance must be grounded. If it should malfunction or breakdown, grounding provides a path of least resistance for electric current to reduce the risk of electric shock. This appliance is equipped with a cord having an equipment-grounding conductor (C) and grounding plug (A). The plug must be inserted into an appropriate outlet (B) that is properly installed and grounded in accordance with all local codes and ordinances.
WARNING:
2 Improper connection of the equipment-ground- ing conductor can result in the risk of electric shock. Check with a qualified electrician or service person if you are in doubt as to whether the outlet is properly grounded. Do not modify the plug provided with the appliance – if it will not fit the outlet, have a proper outlet installed by a qualified electrician. This appliance is for use on a nominal 120-volt circuit and has a grounding plug that looks like the plug (A) illustrated in Fig. 1.

A temporary adapter (D) may be used to connect this plug to a 2-pole receptacle (E) if a properly grounded outlet is not available (Fig. 2).

The temporary adapter should be used only until a properly grounded outlet (B) can be installed by a qualified electrician (Fig. 1). The green colored rigid ear, lug, or the like (F) extending from the adapter must be connected to a permanent ground (G) such as a properly grounded outlet box cover (Fig. 2). Whenever the adapter is used, it must be held in place by a metal screw.
NOTE: In Canada, the use of a temporary adapter is not permitted by the Canadian Electrical Code.
WARRANTY
LIMITED WARRANTY FOR HOOVER® PRODUCT / 1 (ONE) YEAR LIMITED WARRANTY (DOMESTIC USE)
If this product is not as warranted, contact TTI Floor Care North America Customer Service at 1-800-944-9200. Please have available the proof of purchase and model number for the warranted product.
WHAT THIS WARRANTY COVERS:
This limited warranty provided by Royal Appliance Mfg. Co., doing business as TTI Floor Care North America (referred to hereafter as “Warrantor”) applies only to products purchased in the U.S. (including its territories and possessions), a U.S. Military Exchange, or Canada. When used and maintained in normal household use and in accordance with the Owner’s Guide, this product is warranted against original defects in material and workmanship for 1 (ONE) year from the date of original purchase (the “Warranty Period”). If Warrantor determines that the issue you are experiencing is covered under the terms of this warranty (a “covered warranty claim”), we will, at our sole discretion and free of charge (subject to the cost of shipping), either (i) repair your product; (ii) ship you a replacement product, subject to availability; or (iii) in the event that the applicable parts or replacement are not reasonably available, ship you a similar product of equal or greater value. In the unlikely event that we are unable to repair your product or ship a replacement or similar product, we reserve the right, at our sole discretion, to issue you a refund or store credit (if applicable) of the actual purchase price at the time of the original purchase as reflected on the original sales receipt. Parts and replacements may be new, refurbished, lightly used, or remanufactured, in Warrantor’s sole discretion.
WHO THIS LIMITED WARRANTY COVERS:
This limited warranty extends only to the original retail purchaser, with original proof of purchase from Warrantor or an authorized dealer of Warrantor products, in the U.S., U.S. Military Exchanges, and Canada.
WHAT THIS WARRANTY DOES NOT COVER:
This warranty does not cover use of the product in a commercial operation (such as maid, janitorial, and equipment rental services, or any other income-generating activity); improper maintenance of the product; the product if it has been subject to misuse, negligence, neglect, vandalism, or the use of voltages other than that on the data plate of this product. This warranty does not cover damage resulting from an act of God, accident, owner’s acts or omissions, service of this product by other than Warrantor or a Warrantor authorized service provider (if applicable), or other acts beyond the control of Warrantor. This warranty also does not cover use outside the country in which the product was initially purchased, or resale of the product by the original owner. Pick-up, delivery, transportation, and house calls are not covered by this warranty. In addition, this warranty does not cover any product that has been altered or modified, or repairs made necessary by normal wear or the use of other products, parts, or accessories which are either incompatible with this product or adversely affect this product’s operation, performance, or durability. Normal wear items are not covered under this warranty. Depending on the product, normal wear items may include, but are not limited to, belts, filters, brush rolls, blower fans, blower and vacuum tubes, and vacuum bags and straps.
OTHER IMPORTANT TERMS:
This warranty is not transferable and may not be assigned; any assignment made in contravention of this prohibition is void. This warranty shall be governed and construed under the laws of the state of North Carolina. The Warranty Period will not be extended by any replacement of batteries, parts, or products or by virtue of any repair performed under this warranty.
THIS LIMITED WARRANTY IS THE EXCLUSIVE WARRANTY AND REMEDY, AND ALL EXPRESS AND IMPLIED WARRANTIES OTHER THAN THE LIMITED WARRANTY SET FORTH ABOVE, INCLUDING IMPLIED WARRANTIES OF MERCHANTABILITY AND FITNESS FOR A PARTICULAR PURPOSE, ARE EXPRESSLY DISCLAIMED. IN NO EVENT WILL WARRANTOR BE LIABLE FOR ANY SPECIAL, INDIRECT, INCIDENTAL OR CONSEQUENTIAL DAMAGES OF ANY KIND OR NATURE TO OWNER OR ANY PARTY CLAIMING THROUGH OWNER, WHETHER BASED IN CONTRACT, NEGLIGENCE, TORT, OR STRICT PRODUCTS LIABILITY OR ARISING FROM ANY CAUSE WHATSOEVER, EVEN IF THIS WARRANTY FAILS OF ITS ESSENTIAL PURPOSE. TO THE EXTENT PERMITTED BY APPLICABLE LAW, NO WARRANTIES THAT ARISE BY OPERATION OF LAW, IF APPLICABLE, SHALL EXCEED THE DURATION OF THE LIMITED WARRANTY PROVIDED HEREIN. WARRANTOR’S LIABILITY FOR DAMAGES TO YOU FOR ANY COSTS WHATSOEVER ARISING OUT OF THIS STATEMENT OF LIMITED WARRANTY SHALL BE LIMITED TO THE AMOUNT PAID FOR THIS PRODUCT AT THE TIME OF ORIGINAL PURCHASE. Some states do not allow the exclusion or limitation of incidental or consequential damages, disclaimers of implied warranties, or limitations on the duration of implied warranties, so the above exclusions, disclaimers, and/or limitations may not apply to you. This warranty gives you specific legal rights, and you may also have other rights, which vary from state to state.
GENUINE PARTS AND ACCESSORIES:
We recommend using only with genuine HOOVER® solutions (for carpet and spot cleaners), parts, and accessories. Damage caused by use with other than genuine HOOVER® solutions, parts, and accessories is not covered by and may void your warranty. h as solutions available at Hoover.com.
GETTING STARTED
ASSEMBLY
- Fully assemble product prior to use. Insert the Upper Handle into Upper Handle Pole and insert Upper Handle Pole into the base. You will hear a “CLICK” when each end locks into place.

- Slide the Clean Water Tank into place. Push down firmly.

NOTE: To avoid damage to wood floors underneath area rugs or carpet, place waterproof material (ex: plastic) underneath them before cleaning.
OPERATION
FILL THE CLEAN WATER TANK
- Lift up to remove the Clean Water Tank, then remove the cap and add warm water to the fill line. Add Hoover Solution to the solution fill line. Secure cap.

- Align the tank and firmly press it into place.

NOTE: Cap must be locked in place for proper performance and to prevent leaking.
NOTE: Read the directions on the Hoover® Carpet Cleaning fluid prior to use.
CLEANING FLUID:
SEE THE HOOVER SOLUTION GUIDE insert or visit Hoover.com/cleaning-solutions.
CAUTION: Not to be used for grooming a pet.
BEFORE YOU BEGIN CLEANING
- Vacuum carpet and upholstery thoroughly with a Hoover vacuum before use. Don’t use the carpet cleaner as a traditional vacuum cleaner.
- Use your Hoover carpet cleaner only if upholstery fabric is marked with a “W” (for “wet” clean) or “S/W” (for “solvent/dry” or “wet” clean). Don’t clean fabric marked “S” (“solvent/dry” clean only).
- Test for colorfastness in a small, hidden area. Gently rub surface with a dampened white cloth. Wait ten minutes and check for color removal or bleed with a white paper towel.
CAUTION: Do not use this EXTRACTOR on hard floors. Using this
PRODUCT on hard floors may scratch or damage your floor.
HOW TO CLEAN CARPETS
- Step on the Handle Release Pedal to recline the cleaner for cleaning position.
- Step on the Power Pedal to turn ON

IMPORTANT: Empty Dirty Water Tank when you hear an audible change. Ensure the tank is secured before cleaning. - Squeeze trigger for a slow forward and backward wet stroke.

- Release trigger for a slow forward and backward dry stroke. To Rinse: Fill with warm water and omit adding solution to the Clean Water Tank.
WARNING: Risk of personal injury – Brush roll may suddenly restart –
unplug before cleaning or servicing.
This product contains no serviceable parts. If appliance is not working as it should, has been dropped, damaged, left outdoors, or dropped into water, call customer service at 1.800.944.9200 prior to continuing use.
HOW TO CLEAN THE DIRTY WATER TANK
To Dry System: Run system for ten seconds before shutting off without engaging trigger.
- Turn power OFF and unplug the power cord.

- Open the Quick Pour Spout to empty the tank. Rinse, and allow to air dry.

- Prior to replacing tank, check and clean filter as needed.

- Replace Dirty Water Tank by tilting back then rocking it forward to snap into place.

MAINTENANCE
HOW TO REMOVE & CLEAN THE BRUSH ROLL AND REMOVE THE BELT
CAUTION:
To reduce the risk of injury from moving parts, unplug before servicing.
- Remove the nozzle cover by pulling up and forward on the latch. Rinse nozzle cover and allow to air dry.

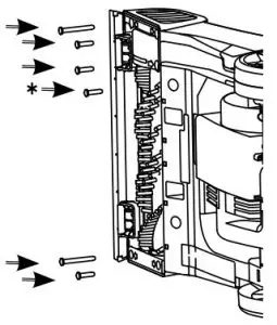
- Lay the product down to access the underside. Use a Philips screwdriver to remove 6 screws. Arrows show location of screws on the underside of your cleaner.

- Remove underside belt cover then pull brushrol l out. Belt will still be attached to cleaner.

- Rinse brush roll and allow to air dry.

- Slide belt off shaft and remove. If replacing belt, install the new belt.
REPLACING THE BELT
- Place new belt on motor shaft.

- Slip brush roll through belt.

- Position non-belt side end cap of brush roll into pockets.

- Carefully stretch belt to position the other end cap into the pocket.

- Replace belt cover and secure by replacing all 6 screws.

NOTE: Rotate brush rolls manually to make sure belt is not twisted or pinched.
LUBRICATION: The motor is equipped with bearings which contain sufficient lubrication for their lifetime. The addition of lubricant could cause damage. Do not add lubricant to motor bearings.
STORAGE: Wrap the power cord around the cord hooks for convenient storage. Attach the plug end to the cord. Allow brushes and underside of carpet cleaner to air dry thoroughly before storing carpet cleaner on a carpeted or wood surface.
TROUBLESHOOTING
WARNING: Risk of personal injury Brush roll may suddenly restart unplug before cleaning or servicing.
REPLACEMENT PARTS AND ACCESSORIES SUCH AS SOLUTIONS AVAILABLE AT HOOVER.COM. IF APPLIANCE IS NOT WORKING AS IT SHOULD, HAS BEEN DROPPED, DAMAGED, LEFT OUTDOORS, OR DROPPED INTO WATER, CALL CUSTOMER SERVICE AT 1-800-944-9200 PRIOR TO CONTINUING USE. ALWAYS IDENTIFY YOUR CLEANER BY THE COMPLETE MODEL NUMBER. (THE MODEL NUMBER APPEARS ON THE BACK OF THE CLEANER.)
| Problem | Cause Possible | Solution |
| Cleaner won’t run | Not firmly plugged in | Plug unit in firmly |
| Sucking is weak | Dirty water tank debris filter is clogged | Refer to the chapter Dirty water tank |
| The device does not distribute
no water | The clean water tank is not correctly positioned | Make sure the tank is securely locked in place. |
| The brushes do not rotate
not during cleaning from the floor. | Check that there is no blockage and / or that the belt is not broken | Turn off the device and unplug it from the outlet current. Remove any obstructive debris or replace the belt |
FAQs
Does it come with the carpet shampoo?
t comes with a 64oz bottle.
What is the total weight and motor capacity?
The thing weighs about 12 pounds
Does it pick up pet urine?
Yes, pretreat with Hoover Expert Pet Spot Treatment.
Is the carpet supposed to be completely clean when the water is completely clear?
If you are sucking up clear water, yes the area you are cleaning should be clean.
Does it heat the water?
No it does not heat the water.
Is it difficult to assemble?
It comes assembled.
Can you remove both water tanks?
Yes, clean water tank and dirty water tank
Does it work on wood floors?
No, this is a carpet cleaner only. The Hoover Floormate cleans all hard floor surfaces.
What country is this machine manufactured in?
China
Are the brushes stiff
No, the Hoover PowerDash Pet Carpet Cleaner brushes are gentle on carpets
Do I need to vacuum up the cat hair first?
Yes, use an upright vacuum to pickup the cat hair before carpet cleaning.
Video
HOOVER POWERDASH CARPET CLEANER User Manual – Download [optimized]
HOOVER POWERDASH CARPET CLEANER User Manual – Download



































