Danfoss Optyma Plus and INVERTER

Optyma™ Plus and INVERTER
Field Pressure change from AKS 32R to DST P110

Components & Tools Required:
- Personal safety equipment (Hand gloves and safety glasses)
Procedure
Work should be done by electric professionals only !
- Disconnect power supply and ensure fan motor stop before removing side and front panel. Turn of isolator switch before servicing (Rotate Anticlockwise).
- Remove service panel screw and open front panel and service panel.

- Rotate Rotalock (receiver) valve spindel towards clockwise direction to close the valve. Pump down / remove Refrigerant from the system before servicing pressure sensor. (Keep liquid and suction line open.)

- Remove the tie cable and wire from electrical box. Hold the connection pipe (Schrader valve) and rotate sensor anticlockwise to remove. Don’t damage connection pipe and thread.
- Now assembly new spare in condensing unit. (Torque 15Nm)
- 075G1036(118U4021) – In Compressor discharge line.
- 075G1013(118U4025) – in Condensing unit Suction line.
- After assembling pressure sensor, connect the cable from P110 sensor to Optyma controller as shown wiring diagram. Use give cables comes with spare part (See Annex -A for Wiring drawing).
- Complete the electrical connection and ensure there is no leak observed and proper electrical connection.
- Vaccum entire units, Danfoss recommend to fill fresh refrigerants and close the service and front panel.
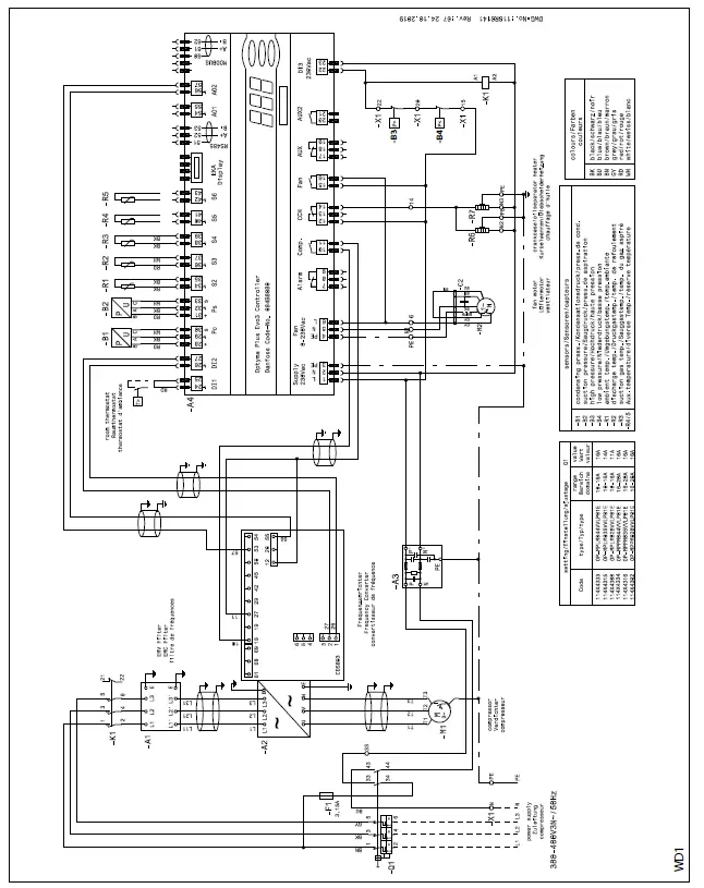
Annex -A: Wiring diagram
OP-MPLM028-035-044, OP-MPPM028-035-044

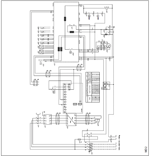
OP-MPLM028-035-044, OP-MPPM028-035-044 – Emergency wiring diagram

- A1 : RFI Filter (Compressor)
- A2 : Frequency Converter
- A3 : RFI Filter (Controls)
- A4 : Optyma™ Plus Controller
- B1 : Condensing Pressure Transducer
- B2 : Suction Pressure Transducer
- B3 : High Pressure Switch
- B4 : Low Pressure Switch
- B5* : Fan Speed Controller / Pressure Switch
- C1 : Run Capacitor (Fan)
- F1 : Fuse (Control Circuit)
- K1 : Contactor
- M1 : Compressor
- M2 : Fan Motor
- Q1 : Main Switch
- R1 : Ambient Temp. Sensor
- R2 : Discharge Temp. Sensor
- R3 : Suction Temp. Sensor
- R4,R5 : Auxiliary Temp. Sensor (optional)
- R6 : Crankcase Heater
- R7 : Oil Separator Heater
- R8 : Compressor Speed Potentiometer
- S1 : Room Thermostat (optional)
- X1 : Terminal
- Supply : Supply
- Fan : Fan
- Alarm : Alarm
- Comp. : Compressor
- CCH : Crankcase Heater
- Aux : Auxiliary




















