ALUMINUM WORM GEAR SPEED REDUCER
INSTRUCTION MANUAL
Item No.: 8607400
Introduction
The Aluminum Worm Gear Speed Reducer is a new product combining the advanced technology of our cast iron speed reducers with a new aluminum body. It is ideal for applications requiring a reduced output speed, increased torque or change in drive direction.
USE AND SAFETY GURANTEE
- Do not exceed the maximum input horsepower rating.
- This speed reducer is shipped with oil and it does not need to be filled before it is used.
- During installation make sure not to damage the oil seals on the input or output shaft.
- Make sure the input and output shaft are the correct rotation before turning on the electric motor.
This will prevent damaging the speed reducer or any of the other components. - Install safety covers over any open rotating shafts to prevent injuries from occurring.
Features
- Aluminum heat sinking designed housing with epoxy coating
- Lightweight and rust resistant
- The compact design requires less mounting space
- Completely sealed against dust, dirt and other contaminates
- High torque output with low noise and reduced vibration
Specifications
| SKU No. | Model No. | Ratio | Specifications | |
| 8607400 | RV063F-60-3/4HP | 60:1 | Max. Input HP | 1 HP |
| Max. Torque Output (in-lb) | 1,132 | |||
| Hollow Input Shaft Dia. (in.) | 8-May | |||
| Hollow Output Shaft Dia. (in.) | 1 1/8 | |||
| Max. Input Shaft Speed (RPM) | 1,800 | |||
| Efficiency | 72% | |||
| C-face mounting | NEMA motor | |||
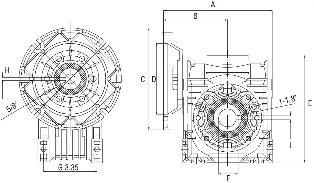
Installation Dimensions(Inch)

| SKU No. | MODEL No. | RATIO | A | B | C | D | E | F | G |
| 8607400 | RV063F-60-3/4HP | 60:1 | 6.91 | 4.06 | 6.5 | 4.5 | 6.87 | 1.24 | 3.35 |
| SKU No. | MODEL No. | RATIO | HOLLOW INPUT SHAFT(DIA.) | H | HOLLOW OUTPUT SHAFT(DIA.) | I |
| 8607400 | RV063F-60-3/4HP | 60:1 | 5/8 | 3/16 | 1 1/8 | 1/4 |
Exploded Parts View

| Part No. | Parts Name | Parts Quantity |
| 1 | Housing | 1 |
| 2 | Hex Head Cap Screw | 6 |
| 3 | Input Hollow Shaft Cap | 1 |
| 4 | Input Hollow Shaft Bearing | 2 |
| 5 | O-ring | 2 |
| 6 | Oil Drain Plug | 1 |
| 7 | Steel Plug | 1 |
| 8 | Hex Head Cap Screw | 8 |
| 9 | Output Bearing Carrier Cap | 1 |
| 10 | O-ring | 1 |
| 11 | Output Hollow Shaft Seal | 2 |
| 12 | Output Hollow Shaft Bearing | 2 |
| 13 | Ring Gear | 1 |
| 14 | Output Hollow Shaft | 1 |
| 15 | Flange | 1 |
| 16 | Input Hollow Shaft Oil Seal | 1 |
| 17 | Input Hollow Shaft Key Slot | 0 |
| 18 | Worm Gear Input Hollow Shaft | 1 |
Read these instructions thoroughly before installing or operating the gearbox.
GENERAL INSTALLATION INSTRUCTIONS
- Leave the protective shaft sleeves in place for safe handling of the gearbox during installation.
- This speed reducer is tested and filled with synthetic oil prior to shipment (Refer to the Lubrication and Maintenance section for more information.)
- Align all shafts accurately, since improper alignment can result in premature failure.
- For hollow-bore output gearboxes – Use anti-seize compound when inserting the load shaft into the Hollow Output Shaft. It is preferable to size the load shaft with sufficient length to allow complete insertion through the Hollow Output Shaft of the gearbox. This allows equal support of the load shaft by both of the output shaft bearings, and permits the use of the output shaft set screws to lock the two shafts together on both sides of the gearbox. At minimum, the load shaft should be inserted at least half way into the hollow output shaft, and secured with the setscrews on the insertion end of the gearbox.
- Mount the gearbox to a rigid foundation, and use the maximum possible bolt size. Periodically inspect the mounting bolts. (Refer to the Lubrication and Maintenance section for allowable mounting orientations.)
- Mount auxiliary drive components such as sprockets, gears and pulleys on the gearbox shafts as close to the housing as possible in order to minimize the effects of side loading. Avoid force fits that might damage bearings or gears.
- Check and record gear backlash at installation and again at regular intervals. This should be done by measuring the degrees of rotary movement of the output shaft (rotating alternately clockwise and counterclockwise) while holding the input shaft stationary. The gearbox should be replaced when the backlash exceeds four times the measurement taken at installation.
- Initial operating temperatures may be higher than normal during the break-in period of the gear set.For maximum life, DO NOT ALLOW THE SPEED REDUCER TO OPERATE CONTINUOUSLY ABOVE 225°F at the gear case. In the event of overheating, check for overloads or high ambient temperatures. Keep shafts and vent plugs clean to prevent foreign particles from entering seals or gear housing.
Preparing the Area
Clean the work area until it is free of debris and dust before disassembling the Reducer.
Contaminates can adhere to oil coating the parts and may damage the mechanism. Have a clean container ready to place the parts during the disassembly process.
Tools Required
- 6mm Allen Wrench
- Torque Wrench
When this manual refers to a part name, please refer to the Exploded Parts View on Page 2.
Removal and Installation of the Ring Gear Output Hollow Shaft Assembly Removal:
To remove the Ring Gear Output Hollow Shaft Assembly you need to remove the Worm Gear Hollow Input Shaft Assembly first.
- Remove the Oil Drain Plug (#6) to completely drain the oil.
- Remove the Hex Head Cap Screws (#8) from the Output Bearing Carrier Cap (#9)
- CAREFULLY slide the Front Output Bearing Carrier Cap (#9) off of the Output Hollow Shaft (#14)
- The Ring Gear Output Hollow Shaft Assembly ((#13, #14, #12)) can now be removed from the Housing (#1)
Note: Be careful not to nick or scratch the ring gear or output Hollow shaft
Replacing the Ring Gear:
- Place the Ring Gear Output Hollow Shaft Assembly into a press and remove the rear Output Bearing (#12) and Ring Gear (#13) from the Output Hollow Shaft (#14)
- Press on the new Ring Gear (#13) and then the rear Output Shaft Bearing (#12)*
*Make sure the Output Hollow Shaft Assembly is tight with no spaces between the components
Installation:
To install the Ring Gear Output Hollow Shaft Assembly into the housing you need to install the Worm Gear Input Hollow Shaft Assembly at the same time so they can be meshed together.
- Install the Ring Gear Output Hollow Shaft Assembly into the Housing (#1)
- Slide the Output Bearing Carrier (#9) over Output Hollow Shaft (#14) and bolt it to the housing with the Hex Head Cap Screws (#8) and torque them to 225 in. lbs.
Removal and Installation of the Worm Gear Input Hollow Shaft Assembly Removal:
- Remove the Hex Head Cap Screws (#2) from the Flange (#15)
- CAREFULLY remove the Input Hollow Shaft Cap (#3) and the Flange (#15)
- Remove the Worm Gear Input Hollow Shaft Assembly (#18) by gently tapping it on one end of the shaft with a rubber mallet until it comes out the other side of the housing
Note: The Worm Gear Input Hollow Shaft Assembly (#18) can not be switched to the other side
Installation
- Place the Worm Gear Input Shaft Assembly (#4,18,) back in the Housing (#1) in its original configuration
- Install the O-ring (#5) on each side of the Housing (#1)
- Slide the Flange over Input Shaft (#18) and bolt it to the housing with the Hex Head Cap Screws (#2) and torque them to 225 in. lbs.
Installation
1.1 Motor and Speed Reducer
RV series speed reducers are shipped with oil so they do not need to be filled before use.
1.2 Motor Wiring
To Power Supply
Connection of the electric motor to the power supply should be made by a qualified electrician. The current rating of the motor will be identified on the motor plate, and the correct sizing of the wire to meet electrical regulations is essential.
1.3 Mounting the Electric Motor to the Speed Reducer
- Apply anti-seize compound to the Motor Shaft
- Line up the electric motor key with the Input Hollow Shaft Key Slot (#17 ) and slip the Motor Shaft into the Bore of Input Hollow Shaft(#18)
- Install the four 3/8-16 UNC bolts and lock washers and tighten bolt (torque it to 225 in. lbs.) evenly for a solid fit between Motor and “C” flange
1.4 Mounting The Speed Reducer
To mount the speed reducer feet to the equipment use 3/8″ UNC bolts (Minimum ISO grade 8.8) and torque them to 750 in-lbs.
It can either be free standing by foot mounting, or if required, mounted on a standard base-plate with a foot mounted motor correctly aligned
a) Align the Speed Reducer
Note: It is important to insure when aligning the speed reducer on the base-plate that all machined mounting points are supported over their full area.
During the final assembly insure the unit or base-plate are not distorted. This will cause strain on the gear case resulting in the possible misalignment of the shafts and gearing.
b) Install safety guards in accordance with local regulations
c) Check the motor wiring diagram for the correct direction of rotation. This is important when a load holding device has been added.
CAUTION
- Worm Gear Speed Reducers are Not To Be Considered a Fail Safe Or Self-Locking Devices. If These Features Are Required, A Properly Sized Independent Holding Device Should Be Utilized.
- Depending Upon Gear Geometry and Operating Conditions, Worm Gear Speed Reducers May Or May Not Back Drive. Special Consideration Should Be Given To High Inertia Loads Connected To The Reducer Output Shaft.
- Reducers Driven By Brake Motors Must Be Sized To Accommodate Motor Driving and Brake and Inertia Loads To Prevent The Braking Torque Or Inertia Loads From Exceeding The Motor Rating.
Lubrication and Maintenance
2.1 Lubrication
This speed reducer is shipped with oil and it is not necessary to fill it before use.
2.2 Oil Changes
The Speed Reducer is shipped to you filled with synthetic lubricant which should be changed every 6,000 hours of operation or every 2 years, which ever comes first.
It is very important to use the proper lubricant type. It is also very important to keep the oil free from oxidation and contamination by water or debris.
- Remove the oil Drain Plug (#6) to completely drain out the oil.
- Replace the Drain Plug (#6) and remove the Steel Plug (#7). Refill with 10.14 oz. of recommended gear oil.
- Install the Steel Plug (#7) and torque to 195 in. lbs.
Note: If you fill the speed reducer with a synthetic lubricant, please use the original steel plug (see fig.1).If you fill the speed reducer with a mineral lubricant, please use the supplied plastic air vent for air bleeding (see fig.2).
- Remove the Steel Plug (#7).
- Replace with the supplied plastic air vent and torque to 195 in. lbs.
2.4 Lubricant Capacity and Mounting Orientation
| Aluminum Speed Reducer Lubricant Capacities | |||||
| Speed Reducer Mounting Orientation | A | B | I C | D | E |
| Approx Capacity(fl oz) | 10. | ||||
| This speed reducer has been filled with oil and tested. You do not need to add oil before it is used. | |||||
| Speed Reducer Mounting Orientation | |||||
| Horizontal Input Shaft | Vertical Input Shaft | ||||
| A | B | C | D | E | F |
![]() | ![]() | ![]() | ![]() | ![]() | ![]() |
| Ambient Temperature | Load | Oil Viscosity (ISO) | Oil Viscosity (SAE Gear Oil) |
| – 30°C to 5°C (-22 T to 41T) | Normal | VG-100 | 85 |
| Heavy-duty | VG-150 | 90 | |
| 5°C to 25°C (41 T to 77°F) | Normal | VG-220 | 90 |
| Heavy-duty | VG-320 | 140 | |
| 25°C to 40°C (77 °F to 104°F) | Normal | VG-320 | 140 |
| Heavy-duty | VG-460 | 140 | |
| 40°C to 65°C (104 T to 149°F) | Normal | VG-460 | 140 |
| Heavy-duty | VG-680 | 250 |
Troubleshooting
Contact Princess Auto Ltd. for a solution if the speed reducer does not function properly or parts are missing. If unable to do so, have a qualified technician service the device.
| Problem (s) | Possible Cause (s) | Suggested Solution (s) |
| Overheating | 1.Improper alignment between the prime mover, speed reducer or operating device 2.Overloading 3.Excessive friction of the output shaft oil seal 4.The gear oil is over or under filled 5.The oil is very contaminated or of inferior quality | 1. Adjust installation position to make all components align 2. Adjust load or replace with a suitable type of speed reducer 3.Lubricate the output shaft oil seal 4.Adjust to the proper oil level using oil sight glass 5.Change the oil and replace with the recommended type |
| Vibration | 1.The prime mover, speed reducer or the operating device is not mounted properly 2.The tooth surface of the worm gear set is worn-out or damaged 3.A bearing is worn-out | 1. Isolate the loose bolts and tighten 2.Replace the worm gear set 3.Replace the bearing |
| Noise | 1.A bearing is damaged or worn 2.The worm gear set is not meshing properly 3.The oil level is low 4.Contamination inside the gear housing | 1.Replace the bearing 2.Mend the tooth surface or replace the worm gear set 3.Adjust to the proper oil level using oil sight glass 4.Drain out the dirty oil and replace with the recommended type |
| Oil Leakage | 1.The oil seal lip is worn-out 2.The shaft is worn in the area of the oil seal 3.The oil level is to high 4.The oil drain plug is loose | 1 .Replace the oil seal 2• Replace input or output shaft 3. Adjust to the proper oil level using oil sight glass 4.Remove the oils drain plug, coat with sealant and reinstall |
| Tooth surface of the worm gear sets abrades quickly | 1.Overloading 2.The oil does not conform to the recommended standards 3.The oil level is low 4.The oil is contaminated and needs replaced 5.Overheating while running | 1.Adjust load or replace with a suitable type of speed reducer 2.Replace with approved oil 3. Adjust to the proper oil level using oil sight glass 4.Change the oil and replace with the recommended type 5. Adopt preventative measure to make the ambient emperature lower |
REV 03/30/15 2.09.05.30.571

























