TOURATECH 01-048-5470-0 Expedition Skid Plate Instruction Manual
INSTRUCTION
We recommend having the accessory parts fitted by a specialist workshop
Caution
Note
Warning
Liquid
Torque
Template
2Persons
Original motorcycle par

Instruction
These instructions are written based on our current state of knowledge. Information is provided without any guarantee as to its accuracy. Subject to technical modifications.
The order of assembly steps must be followed.
Touratech accepts no liability for incorrectly fitted parts and resulting material damage or personal injury!
Please observe applicable road vehicle (construction and use) regulations as well as EC/ECE Directives and applicable laws in your country. If parts are fitted which require inspection and/or approval after fitting, take your vehicle to a testing station immediately and have the vehicle papers updated.
Check and if necessary tighten all bolted connections after 50 km.
Standard tightening torques in Nm for bolted connections with strength class 8.8. For special tightening torques refer to your specialist workshop!
Please take into account that fitting panniers, crash bars, foot peg lowering kits (rider and pillion) Kickstand enlargmentplate, front spoilers and engine guards may restrict the bike’s lean angle!
If modifications are made to the fairing, stem, handlebar, fairing parts, etc., ensure that electrical wiring, brake lines, accelerator and clutch cables are refitted correctly. Check clearance, both sides with full steering lock .
Always disconnect the battery when working on the electrics!
We recommend cutting protective film to size and applying it to impact areas that are likely to be chipped by stones.
Work on the brake system and suspension should always be carried out by a specialist workshop.
The maximum load on luggage racks is 5 kg! Luggage racks ZegaPro TC is 10 kg!
If other inal accessories or aftermarket accessories are used, ensure clearance, fitment and do not come into contact with other parts!
Apply conventional lubricant to stainless steel bolts prior to assembly.
PDF fitting instructions also can be downloaded from the Touratech webshop.
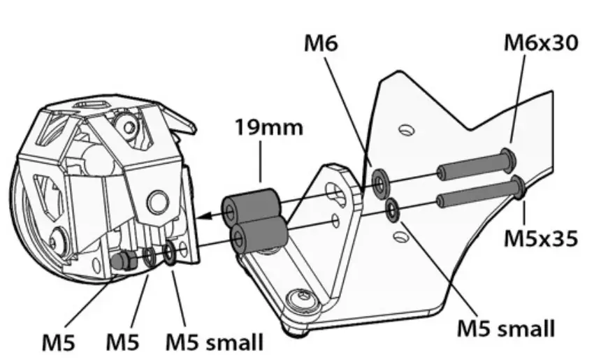
Mounting instructions
Left side
(same instructions on right)
Left side
Left side
(same instructions on right)
(same instructions on right)
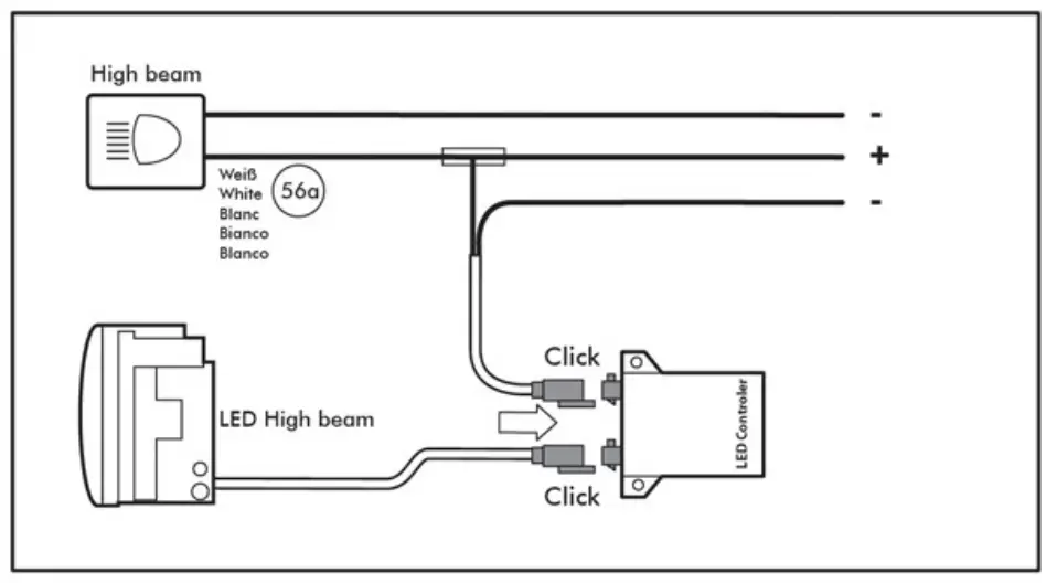
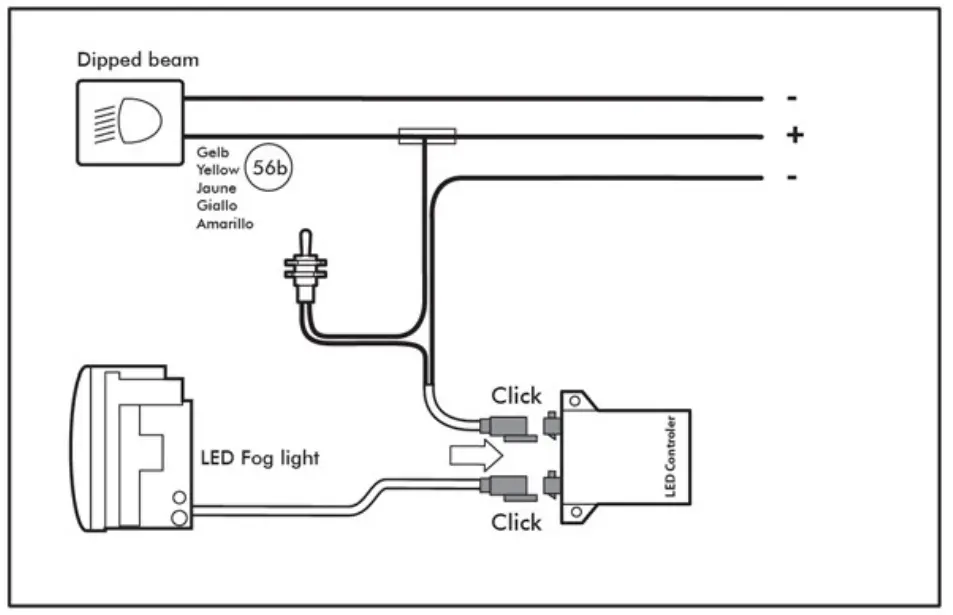
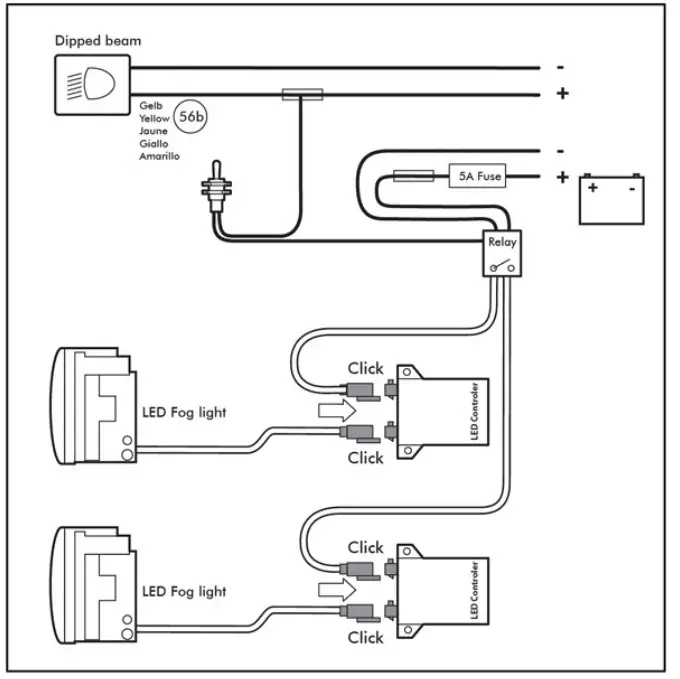
Mounting Instruction

Mounting instructions
1x LED High Beam
1x LED Fog Beam
2x LED Fog Beam


















