Rinnai CHP3PHAUX 3HP Auxiliary Relay Box
Congratulations on the purchase of your Rinnai appliance. We trust you will have many years of comfort and enjoyment from your appliance.
BEFORE USING THIS APPLIANCE
Before proceeding with the operation or installation read this manual thoroughly and gain a full understanding of the appliance, to ensure safe and correct use.
IMPORTANT NOTICE FOR INSTALLERS
Please leave these instructions with the end user after commissioning of the system and alert the end user of the content sections ”Warnings and ”Periodic Inspection” and ”Maintenance”.
This appliance must be installed in accordance with:
- Manufacturer’s Installation Instructions
- Current AS/NZS 3000
- Local Regulations and Municipal Building Codes including local OH&S requirements
This system must be installed, commissioned, serviced, maintained, and removed ONLY by an Authorised Person. For the continued safety of this appliance, it must be installed and maintained in accordance with the manufacturer’s instructions.
WARNINGS AND IMPORTANT INFORMATION
SAFETY AND REGULATORY INFORMATION
DO NOT operate this system before reading the manufacturer’s instructions.
This appliance must be installed, commissioned, and serviced by an authorized person in accordance with all applicable local rules and regulations. Access covers of water heating system components will expose 415V wiring and MUST only be removed by an authorised person. This appliance is not intended for use by persons (including children) with reduced physical, sensory or mental capabilities, or lack of experience and knowledge unless they have been given supervision or instruction concerning the use of the appliance by a person responsible for their safety.
For the continued safety of this appliance, it must be installed, operated, and maintained in accordance with the manufacturer’s instructions. Children should be supervised to ensure they DO NOT play with the appliance. The power mains must have a circuit breaker and it must be adequate for unit FLA. If the power supply cord is damaged, it MUST BE replaced by an authorised person in order to avoid a hazard. Take care not to touch the power connections or plugs with wet hands.
Care should be taken not to touch the pipework as it may be HOT!
- DO NOT place articles on or against this appliance.
- DO NOT store chemicals or flammable materials near this appliance.
- DO NOT operate with collectors or covers removed from this appliance.
- DO NOT activate the heat pump unless the cylinder is full of water.
- NEVER use a flammable spray such as hair spray, paint, etc near this unit as this may cause a fire.
At the end of the service life of the heat pump water heater and prior to being disposed of, a person qualified with refrigerant handling must recover the refrigerant from the system. The refrigerant must not be vented into the atmosphere. Please call our National Help Line to arrange for an inspection.
MANDATORY INSPECTION PRIOR TO INSTALLATION
Immediately report any damage or discrepancies to the Supplier of the appliance. This appliance was inspected and tested at the time of manufacture and packaging and released for transportation without known damage. Upon receipt, inspect the exterior for evidence of rough handling in shipment. Ensure that the appliance is labeled correctly for the gas and electrical supply, and/or other services it is intended to be connected to.
For safety and warranty purposes, appliances that may be damaged or incorrect MUST NOT be installed or operated under any circumstances. Installation of damaged or incorrect appliances may contravene local government regulations. Rinnai disclaims any liability or responsibility whatsoever in relation to the installation or operation of damaged or incorrect appliances.
NOTICE TO VICTORIAN CONSUMERS
This appliance must be installed by a person licensed with the Victorian Building Authority. Only a licensed person will have insurance protecting their workmanship. So make sure you use a licensed person to install this appliance and ask for your Compliance Certificate. For further information contact the Victorian Building Authority on 1300 815 127
BASIC OPERATION
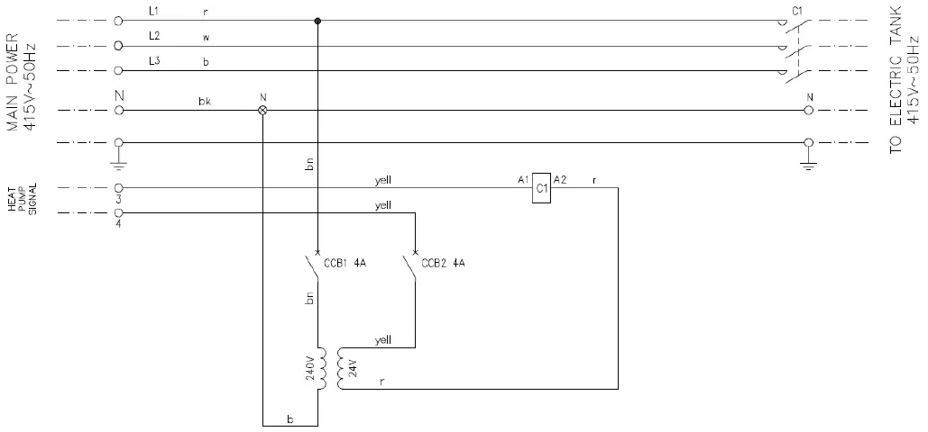
The 3-phase auxiliary relay box is used in conjunction with the Rinnai commercial heat pump and electric tank and operates by receiving close signal from the heat pump. Depending on the installation of the heat pump hot water system, a 3-phase auxiliary relay box (i.e. auxiliary booster control box) may be supplied for supplementing heat at low ambient temperature. Terminals from the heat pump provide a power-free signal to control the auxiliary booster (as shown below). Use a minimum 0.75mm2 two-core cable (provided by the installer) to wire to heat pump terminals.
The auxiliary booster has been interlocked with the heat pump to only operate under low ambient or fault conditions.
- When ambient temperature falls below 5°C, an auxiliary booster is activated. The auxiliary booster will operate until the set point reaches. The auxiliary booster will remain active until the ambient temperature reaches above 7°C. The heat pump and auxiliary booster may work simultaneously.
- When the ambient temperature falls below 0°C, a heat pump is deactivated. The heat pump won’t activate until the ambient temperature reaches above 2°C. Only the auxiliary booster will operate until the set point reaches.
- When the heap pump is at fault, the auxiliary booster will operate instead of the heat pump until the set point reaches. The auxiliary booster will remain active until the heat pump fault is cleared.

SPECIFICATIONS
| CHP3PH | |
| Power Supply | AC415V~50Hz |
| Dimensions (mm) | 290 (H) ×240 (W) ×150 (D) |
| Net Weight (kg) | 4 |
| Colour | Grey |
| Material | ABS |
| Ingress Protection Rating | IP44 |
MAIN POWER CONNECTION
The premises wiring to the heater MUST be capable of withstanding the appliance load. Refer to the table “Specifications” on page 4 for load details. All electrical connections and wiring MUST be installed, maintained, and removed by authorised persons in accordance with AS/NZS 3000, and all other relevant local regulations and municipal building codes including OH&S requirements. Disconnect all power prior to installation and commissioning.
The 3-phase auxiliary relay box must be directly connected to a 415 V AC 50 Hz mains power supply. The 3-phase auxiliary relay box must be on its own circuit with an isolating switch installed at the switchboard. A secondary isolating switch must be installed within reach of the box. Connect all ACTIVE and NEUTRAL wires in accordance with the wiring diagram. Ensure the incoming EARTH wire is securely fixed to the earth post.
Select a suitable cable size according to the electric element capacity of the tank. Normally each 3-phase auxiliary relay box works with one electric tank.
AUXILIARY BOOSTER SIGNAL
Wire terminals “3” and “4” to heat pump with a minimum 0.75mm2 two-core cable (provided by installer). The cable length should be less than 10 meters.
POWER SUPPLY TO ELECTRIC TANK
Connect all active, neutral, and earth wires directly from the contractor or terminals and wire to the electric tank. Normally each 3-phase auxiliary relay box works with one electric tank. Refer to the electric tank wiring diagram for tank wiring.
WIRING DIAGRAMS
ELECTRICAL DIAGRAM

MULTIPLE ELECTRIC TANK APPLICATION

Contact
Rinnai Australia Pty Ltd
ABN 74 005 138 769 | AU45204 100 Atlantic Drive, Keysborough, Victoria 3173
P.O. Box 460, Braeside, Victoria 3195
Tel: (03) 9271 6625
Fax: (03) 9271 6622
National Help Line
Tel: 1300 555 545* Fax: 1300 555 655
Monday to Friday, 8.00 am to 5.00 pm EST.
After-Hours Hot Water Service Line
Tel: 1800 000 340*
The cost of a local call may be higher than a mobile phone.(National calls from public phones in Australia are free.) For further information visit www.rinnai.com.au or email [email protected].
Rinnai has a Service and Spare Parts network with personnel who are fully trained and equipped to give the best service on your Rinnai appliance. If your appliance requires service, please call our National Help Line. With our policy of continuous improvement, we reserve the right to change or discontinue at any time, specifications or designs without notice.
3PH Auxiliary Relay Box OIM – Issue 1 – October 2022.





















