
DIGITAL INVERTER GENERATOR
OPERATOR’S MANUAL
RYi2022GRA/RYi2022VNM
![]()

NOTICE
![]()
Do not use E15 or E85 fuel in this product. It is a violation of federal law and will damage the unit and void your warranty. Only use unleaded gasoline containing up to 10% ethanol. Ne pas utiliser d’essence E15 ou E85 dans ce produit.
NEUTRAL FLOATING
WARNING: To reduce the risk of injury, the user must read and understand the operator’s manual before using this product.
SAVE THIS MANUAL FOR FUTURE REFERENCE
See this fold-out section for all of the figures referenced in the operator’s manual.

| A – Muffler with spark arrestor screen B – Vented fuel cap C – Starter grip and rope D – Easy Start dial E – Auto idle switch F – Overload reset button G – 20 amp AC circuit breaker | H – Ground terminal I – CO sensor LED J – 120 volt AC 20 amp receptacles K- Engine cove L – Oil drain cover M- Overload indicator N – Carry handle O – Parallel kit terminal |
A – Funnel
B – Oil cap/dipstick
A – Funnel
B – Fuel cap
A – Auto idle switch
B – On
C – Off
A – Easy Start dial-in COLD START
B – Easy Start dial-in RUN/RE-START position
C – Easy Start dial-in OFF/STORAGE position
A – Starter grip and rope 
A – Engine cover
B – Knob

A – Screw
B – Air filter cover
C – Filter element

A – Screws
B – Oil drain cover
C – Oil cap/dipstick
D – Container
A – Spark plug cap
B – Spark plug

A – Screws
B – Muffler outlet
C – Spark arrestor
D – Wire brush
E – Rear pane
F – Washer

A – Vented fuel cap
B – Container

A – Carburetor drain screw
B – Carburetor drain tube
C – Container to catch fuel
D – Spout
To register your Ryobi product, please visit: www.ryobitools.com
LOCATE GENERATOR AT LEAST 20 FT.* AWAY TO REDUCE THE RISK OF CARBON MONOXIDE GETTING INSIDE THE HOME
* Minimum distance as recommended by U.S. Department of Health and Human
Services Centers for Disease Control and Prevention (www.cdc.gov/co). Your specific home and/or wind conditions may require additional distance. 
WARNING:
GROUNDING THE GENERATOR
If this generator will be used only with a cord and plug-connected equipment, National Electric Code does not require that the unit be grounded. However, other methods of using the generator may require grounding to reduce the risk of shock or electrocution. Consult a qualified electrician, electrical inspector, or local agency having jurisdiction for local codes or ordinances to find out if grounding is needed in your situation before using the generator.
When grounding is required, the nut and ground terminal on the frame are used to connect the generator to a suitable ground source. The ground path should be made with #8 size wire. Connect the terminal of the ground wire between the lock washer and the nut, and tighten the nut fully. Connect the other end of the wire securely to a suitable ground source that is in contact with the soil for a minimum distance of 8 ft.
The National Electric Code contains several practical ways in which to establish a good ground source. If a steel or iron rod is used, it should be at least 5/8 in. diameter, and if a nonferrous rod is used, it should be at least 1/2 in. diameter and be listed as material for grounding. If a rock bottom is encountered before reaching a depth of 8 ft., drive the ground rod in at an angle of up to 45°. If the rock bottom is again encountered, the rod can be buried in a trench that is at least 30 in. deep. In all cases, the upper end of the grounding rod should either be flush with (or below) the ground or must be otherwise protected from physical damage.
All electrical tools and appliances operated from this generator must be properly grounded by use of a third wire or be “Double insulated.” It is recommended to:
1. Use electrical devices with 3-prong grounded plugs.
2. Use an extension cord intended for outdoor use with a 3-pole receptacle and a 3-prong plug at opposite ends to ensure continuity of the ground protection from the generator to the appliance.
Check and adhere to all applicable federal, state, and local regulations relating to grounding specifications. Consult a qualified electrician or service personnel if the grounding instructions are not completely understood or if in doubt as to whether the generator is properly grounded.
IMPORTANT SAFETY INSTRUCTIONS
DANGER:
Carbon Monoxide. Using a generator indoors CAN KILL YOU IN MINUTES.
Generator exhaust contains high levels of carbon monoxide (CO), a poisonous gas you cannot see or smell. If you can smell the generator exhaust, you are breathing CO. But even if you cannot smell the exhaust, you could be breathing CO.
- Never use a generator inside homes, garages, crawlspaces, or other partly enclosed areas. Deadly levels of carbon monoxide can build up in these areas. Using a fan or opening windows and doors does NOT supply enough fresh air.
- ONLY use a generator outdoors and far away from open windows, doors, and vents. These openings can pull in the generator exhaust.
Even when you use a generator correctly, CO may leak into the home. ALWAYS use a battery-powered or battery-backup CO alarm in the home.
If you start to feel sick, dizzy, or weak after the generator has been running, move to fresh air RIGHT AWAY. See a doctor. You could have carbon monoxide poisoning.
WARNING:
Read and understand all instructions. Failure to follow all instructions listed below could result in electrocution, fire, and/or carbon monoxide poisoning, which can cause death or serious injury.
WARNING:
In some applications, National Electric Code requires the generator to be grounded to approved earth ground. Before using the ground terminal, consult a qualified electrician, electrical inspector, or local agency having jurisdiction for local codes or ordinances that apply to the intended use of the generator.
SAVE THESE INSTRUCTIONS
This manual contains important instructions for this product that should be followed during the installation and maintenance of the generator.
- Do not connect to a building’s electrical system unless the generator and transfer switch have been properly installed and the electrical output has been verified by a qualified electrician. The connection must isolate the generator power from utility power and must comply with all applicable laws and electrical codes.
- Do not allow children or untrained individuals to use this unit.
- Do not start or operate the engine in a confined space, building, near open windows, or in other unventilated spaces where dangerous carbon monoxide fumes can collect. Carbon monoxide, a colorless, odorless, and extremely dangerous gas can cause unconsciousness or death.
- Keep all bystanders, children, and pets at least 10 feet away.
- Wear sturdy and dry shoes or boots. Do not operate while barefoot.
- Do not operate a generator when you are tired or under the influence of drugs, alcohol, or medication.
- Keep all parts of your body away from any moving parts and all hot surfaces of the unit.
- Do not touch bare wire or receptacles.
- Do not use generators with electrical cords which are worn, frayed, bare, or otherwise damaged.
- Before storing, allow the engine to cool for 30 minutes and drain fuel from the unit.
- Do not operate or store the generator in the rain, snow, or wet weather.
- Store the generator in a well-ventilated area with the fuel tank empty. Fuel should not be stored near the generator.
- Empty fuel tank, turn the Easy Start Dial to the off position, and restrain the unit from moving before transporting to a vehicle.
- Provide a plastic sheet or absorbent pad below the generator to catch any drips of fuel or lubricant when transporting.
- To reduce the risk of fire and burn injury, handle fuel with care. It is highly flammable.
- Do not smoke while handling fuel.
- Position the unit on level ground, stop the engine, and allow it to cool for 5 minutes before refueling.
- Loosen the fuel cap slowly to release pressure and to keep fuel from escaping around the cap.
- Tighten the fuel cap securely after refueling.
- Wipe spilled fuel from the unit.
- Never attempt to burn off spilled fuel under any circumstances.
- Generators vibrate in normal use. During and after the use of the generator, inspect the generator as well as extension cords and power supply cords connected to it for damage resulting from vibration. Have damaged items been repaired or replaced as necessary? Do not use plugs or cords that show signs of damage such as broken or cracked insulation or damaged blades.
- For power outages, permanently installed stationary generators are better suited for providing backup power to the home. Even a properly connected portable generator can become overloaded. This may result in overheating or stressing the generator components, possibly leading to generator failure.
- Use only recommended or equivalent replacement parts and accessories and follow instructions in the Maintenance section of this manual. Use of any other parts or failure to follow maintenance instructions may create a risk of shock or injury.
- Maintain the unit per maintenance instructions in this Operator’s Manual.
- Inspect the unit before each use for loose fasteners, fuel leaks, etc. Replace damaged parts.
SPECIFIC SAFETY RULES
DANGER:
Risk of fire and serious burns: Never remove the fuel cap when the unit is running. Shut off the engine and allow the unit to cool for at least five minutes. Remove cap slowly.
WARNING:
When this generator is used to supply a building wiring system: the generator must be installed by a qualified electrician and connected to a transfer switch as a separately derived system in accordance with NFPA 70, National Electrical Code. The generator shall be connected through a transfer switch that switches all conductors other than the equipment grounding conductor. The frame of the generator shall be connected to an approved grounding electrode. Failure to isolate the generator from the power utility can result in death or injury to electric utility workers.
- Do not use this generator to provide power for emergency medical equipment or life support devices.
- Always use a battery-powered carbon monoxide detector when running the generator. If you begin to feel sick, dizzy, or weak while using the generator, shut it off and get to fresh air immediately. See a doctor. You may have carbon monoxide poisoning.
- Place the generator on a flat, stable surface with a slope of no more than 4°.
- Operate outdoors in a well-ventilated, well-lit area isolated from working areas to avoid noise interference.
- Operating the generator in wet conditions could result in electrocution. Keep the unit dry.
- Keep the generator a minimum of 3 feet away from all types of combustible material.
- Do not operate the generator near hazardous material.
- Do not operate a generator at a gas or natural gas filling station.
- Do not touch the muffler or cylinder during or immediately after use; they are HOT and will cause burn injury.
- This generator has a neutral floating condition. This means the neutral conductor is not electrically connected to the frame of the machine.
- Do not allow the generator’s gas tank to overflow when filling. Fill to 1 in. below the top neck of the gasoline tank to allow for fuel expansion. Do not cover the fuel tank cap when the engine is running. Covering the fuel tank cap during use may cause engine failure and/or damage to the tool.
- Do not smoke when filling the generator with gasoline. Shut down the engine and allow it to cool for 5 minutes before adding gasoline or lubricant to the generator.
- Do not remove the oil dipstick or the fuel tank cap when the engine is running.
- Pay close attention to all safety labels located on the generator.
- Keep children a minimum of 10 feet away from the generator at all times.
- The unit operates best in temperatures between 23°F and 104°F with a relative humidity of 90% or less.
- The operating voltage and frequency requirement of all electronic equipment should be checked prior to plugging them into this generator. Damage may result if the equipment is not designed to operate within a +/- 10% voltage variation and +/- 3 Hz frequency variation from the generator nameplate ratings.
- For outdoor use only.
- NEVER ignore an automatic shutoff event. IF AUTOMATIC SHUTOFF OCCURS – YOU MUST leave the area immediately and relocate to an open outdoor area. Ventilate the area thoroughly before occupying again. Ensure the generator is located in an open, outdoor area at least 20 feet away from all doors, windows, and occupied spaces. Never run the generator in enclosed areas (e.g. not in a house or garage). Failure to follow these instructions can lead to carbon monoxide (CO) poisoning which can result in death or serious personal injury.
- The carbon monoxide sensor on this generator is not designed to detect smoke, fire, or any other gas. It will only activate due to the presence of carbon monoxide gas at the sensor. Carbon monoxide gas may be present in other areas.
- The carbon monoxide shutoff feature on this generator is not a substitute for safe generator practices. Always operate the generator in open, outdoor areas, at least20 feet away from occupied structures. Never operate the generator in fully or partly enclosed areas or near open windows, doors, or other unventilated spaces.
- DO NOT tamper with, adjust, or modify the carbon monoxide (CO) sensor module on your generator. Failure to follow these instructions can cause the monitor to malfunction which can result in death or serious personal injury.
- Save these instructions. Refer to them frequently and use them to instruct others who may use this product. If you loan someone this product, loan them these instructions also.
SYMBOLS
The following signal words and meanings are intended to explain the levels of risk associated with this product.
| SYMBOL | SIGNAL | MEANING |
| DANGER: | Indicates a hazardous situation, which, if not avoided, will result in death or serious injury. | |
| WARNING | Indicates a hazardous situation, which, if not avoided, could result in death or serious injury. | |
| CAUTION: | Indicates a hazardous situation, that, if not avoided, may result in minor or moderate injury. |
NOTICE:
(Without Safety Alert Symbol) Indicates information considered important, but not related to a potential injury (e.g. messages relating to property damage).
Some of the following symbols may be used on this product. Please study them and learn their meaning. Proper interpretation of these symbols will allow you to operate the product better and safer.
| SYMBOL | NAME | DESIGNATION/EXPLANATION |
| Safety Alert | Indicates a potential personal injury hazard | |
| Read Operator’s Manual | To reduce the risk of injury, users must read and understand the operator’s manual before using this product. | |
| Wet Conditions Alert | Do not expose to rain or use in damp locations. | |
| Electric Shock | Failure to use in dry conditions and to observe safe practices can result in electric shock. | |
| Toxic Fumes | Running generator gives off carbon monoxide, an odorless, colorless, poison gas. Breathing carbon monoxide can cause nausea, fainting, or death. | |
| Fire/Explosion | Fuel and its vapors are extremely flammable and explosive. Fire or explosion can cause severe burns or death. |
| Hot Surface and Exhaust Gases | To reduce the risk of injury or damage, avoid contact with any hot surface and do not place any body parts in the path of hot exhaust gases. | |
| Lifting Hazard | To reduce the risk of serious injury, avoid attempting to lift the generator alone. | |
| Ground | Consult with a local electrician to determine grounding requirements before operation. | |
| V | Volts | Voltage |
| A | Amperes | Current |
| Hz | Hertz | Frequency (cycles per second) |
| W | Watt | Power |
| hrs | Hours | Time |
| gal | Gallon | Volume |
| qt | Quart | Volume |
SYMBOLS
SAFETY LABELS
The information below can be found on the generator. For your safety, please study and understand all of the labels before starting the generator. If any of the labels come off the unit or become hard to read, contact customer service or a qualified service center for replacement.
- You WILL be KILLED or SERIOUSLY HURT if you do not follow the Operator’s Manual instructions.
- Risk of Fire. Do not add fuel while the product is operating.
- The generator is a potential source of electric shock. Do not expose to moisture, rain, or snow. Do not operate with wet hands or feet.
- The exhaust contains poisonous carbon monoxide gas that can cause unconsciousness or DEATH. Operate in well-ventilated, outdoor areas away from open windows or doors.
- Do not expose to rain or use in damp locations.
- Using a generator indoors CAN KILL YOU IN MINUTES. The generator exhaust contains carbon monoxide. This is a poison you cannot see or smell.
- NEVER use inside a home or garage, EVEN IF doors and windows are open.
- Only use OUTSIDE and far away from windows, doors, and vents.
CARBON MONOXIDE (CO) SENSOR
In the event of a carbon monoxide hazard, the CO sensor LED will flash red and the generator will shut off. Leave the area immediately and relocate to an open outdoor area. Ventilate the area thoroughly before occupying again. Ensure the generator is located in an open, outdoor area at least 20 feet away from all doors, windows, and occupied spaces. Never run the generator in enclosed areas (e.g. not in a house or garage). DO NOT tamper with, adjust, or modify the carbon monoxide (CO) sensor module on your generator.
FUEL WARNING
No smoking when filling with gasoline. Do not overfill. The full level is 1 in. below the top of the fuel neck. Stop the engine for five minutes before refueling to avoid the heat from the muffler igniting fuel vapors.
DANGER
![]()
YOU WILL BE KILLED OR SERIOUSLY
Risk of fire. Do not add fuel while the product is operating.
![]()
Do not expose to rain or use in a damp location
The exhaust contains poisonous carbon monoxide gas that can cause
The generator is a potential source of electric shock. Do not expose to moisture, rain, or snow. Do not operate with wet hands or feet.
WARNING AVERTISSEMENT
DO NOT tamper with, adjust, or modify the carbon monoxide (CO) sensor module. Failure to follow these instructions can cause the monitor to malfunction which can result in death or serious personal injury.
DANGER
Using a generator indoors CAN KILL YOU IN MINUTES. The generator exhaust contains carbon monoxide. This is a poison you cannot see or smell.
NEVER use inside a home
Only use OUTSIDE and far away from windows, doors, and vents.
DANGER![]()
IF AUTOMATIC SHUTOFF OCCURS- YOU MUST:
Leave the area immediately and relocate to an open, outdoor area, Ventilate the area thoroughly before occupying again, Ensure the generator is located in an open, outdoor area at least 20 feet away from all doors, windows, and occupied spaces, Always point exhaust away from occupied structures, Never run the generator in enclosed areas (e.g. not in house or garage). Failure to follow these instructions can lead to carbon monoxide (CO) poisoning which can result in DEATH or SERIOUS INJURY.
IF YOU FEEL SICK, DIZZY, OR WEAK SEEK MEDICAL HELP IMMEDIATELY.
ENGINE LUBRICANT WARNING
You must add lubricant before first operating the generator. Always check the lubricant level before each operation. The lubricant level should always register between the hatched areas on the dipstick. The unit is equipped with a sensor that will automatically shut off the engine if the lubricant level falls below a safe limit.
FUEL CAP WARNING
Never remove the fuel cap when the unit is running. Shut off the engine and allow the unit to cool for at least five minutes. Remove cap slowly to release any pressure built up in the fuel system and to avoid the heat from the muffler igniting fuel vapors.
NOTICE
Add lubricant to full mark to start. The engine will not start or will shut off if the sensor detects a low lubricant level.
DANGER
RISK OF RIRE AND SERIOUS BURNS: Never remove the fuel cap when units in running. Shut off the engine and allow the unit to cool for at least five minutes. Remove cap slowly.
DANGER The product does not include ground rod or copper wire. Call a qualified electrician for local grounding requirements.
GROUNDING WARNING
This generator does not include a ground rod or copper wire. Call a qualified electrician for local grounding requirements.
STORAGE NOTICE
Always store the generator standing on its feet. Never store the unit on its side or in a vertical position.
CLEARANCE WARNING
While operating and storing, keep at least 3 feet of clearance on all sides of this product, including overhead. Allow a minimum of 30 minutes of “cool down” time before storage. The heat created by muffler and exhaust gases could be hot enough to cause serious burns and/or ignite combustible objects.
Noice
Do not store units vertically.
RISK of Fire. Keep all objects at least 3 feet away from this machine. The heat from Muffler and Exhaust gases can ignite combustible objects. Check for any fuel overflow or leaking. Stop the engine before refueling.
DO NOT USE FUEL CONTAINING MORE THAN 10% ETHANOL; IT IS A VIOLATION OF U.S FEDERAL LAW THAT WILL DAMAGE YOUR PRODUCT, AND VOID THE WARRANTY.
SPARK ARRESTOR
The operation of this equipment may create sparks that can start fires around dry vegetation. A spark arrestor may be required. The operator should contact local fire agencies for laws or regulations relating to fire prevention requirements
HOT SURFACE WARNING
Do not touch the muffler or aluminum cylinder of the engine. They are very HOT and will cause severe burns. Don’t put body parts or any flammable or combustible materials in the direct path of the exhaust.
DANGER
The operation of this equipment may create sparks that can start fires around dry vegetation. A spark arrestor may be required. The operator Should contact local fire agencies for laws or regulations related to fire prevention requirements.
HOT SURFACE AND EXHAUST
ELECTRICAL
EXTENSION CORD CABLE SIZE
Refer to the table below to ensure the cable size of the extension cords you use are capable of carrying the required load. Inadequate size cables can cause a voltage drop, which can damage the appliance and overheat the cord
| Current in Amperes | Load in Watts | Maximum Allowable Cord Length | |||||
| At 120V | At 240V | #8 Wire | #10 Wire | #12 Wire | #14 Wire | #16 Wire | |
| 2.5 | 300 | 600 | 1000 ft. | 600 ft. | 375 ft. | 250 ft. | |
| 5 | 600 | 1200 | 500 ft. | 300 ft. | 200 ft. | 125 ft. | |
| 7.5 | 900 | 1800 | 350 ft. | 200 ft. | 125 ft. | 100 ft. | |
| 10 | 1200 | 2400 | 250 ft. | 150 ft. | 100 ft. | 50 ft. | |
| 15 | 1800 | 3600 | 150 ft. | 100 ft. | 65 ft. | ||
| 20 | 2400 | 4800 | 175 ft. | 125 ft. | 75 ft. | ||
| 25 | 3000 | 6000 | 150 ft. | 100 ft. | |||
| 30 | 3600 | 7200 | 125 ft. | 65 ft. | |||
| 40 | 4800 | 9600 | 90 ft. | ||||
ELECTRIC MOTOR LOADS
It is characteristic of common electric motors in normal operation to draw up to six times their running current while starting. This table may be used to estimate the watts required to start electric motors; however, if an electric motor fails to start or reach running speed, turn off the appliance or tool immediately to avoid equipment damage. Always check the requirements of the tool or appliance being used compared to the rated output of the generator.
| Motor Size (H.P.) | Running Watts | Watts Required to Start Motor | ||
| Universal | Capacitor | Split Phase | ||
| 1/8 | 275 | N/A | 850 | 1200 |
| 1/6 | 275 | 600 | 850 | 2050 |
| 1/4 | 400 | 800 | 1050 | 2400 |
| 1/3 | 450 | 950 | 1350 | 2700 |
| 1/2 | 600 | 1000 | 1800 | 3600 |
| 3/4 | 850 | 1200 | 2600 | — |
| 1 | 1100 | N/A | 3300 | — |
NOTICE:
The operating voltage and frequency requirement of all electronic equipment should be checked prior to plugging them into this generator. Damage may result if the equipment is not designed to operate within a +/- 10% voltage variation and +/- 3 Hz frequency variation from the generator nameplate ratings. To avoid damage, always have an additional load plugged into the generator if solid-state equipment (such as a television set) is used. A power line conditioner is recommended for some solid-state applications.
GENERATOR CAPACITY
Make sure the generator can supply enough continuous (running) and surge (starting) watts for the items you will power at the same time. Follow these simple steps.
- Select the items you will power at the same time.
- Total the continuous (running) watts of these items. This is the amount of power the generator must produce to keep the items running. See the wattage reference chart at the right.
- Estimate how many surge (starting) watts you will need. Surge wattage is the short burst of power needed to start electric motor-driven tools or appliances such as a circular saw or refrigerator. Because not all motors start at the same time, total surge watts can be estimated by adding only the item(s) with the highest additional surge watts to the total rated watts from step 2.
Example:
| Tool or Appliance | Running Watts* | Starting Watts* |
| Refrigerator | 600 | 780 |
| Portable Fan | 40 | 120 |
| Laptop | 250 | 0 |
| 46 in. Flat Panel Television | 190 | 0 |
| Light (75 Watts) | 75 | 0 |
| 1155 Total Running Watts | 780 Highest Starting Watts |
Total Running Watts 1155
Highest Starting Watts + 780
Total Starting Watts Needed 1935
POWER MANAGEMENT
To prolong the life of the generator and attached devices, it is important to take care when adding electrical loads to the generator. There should be nothing connected to the generator outlets before starting its engine. The correct and safe way to manage generator power is to sequentially add loads as follows:
- With nothing connected to the generator, start the engine as described later in this manual.
- Plugin and turn on the first load, preferably the largest load you have.
- Permit the generator output to stabilize (the engine runs smoothly and the attached device operates properly).
- Plugin and turn on the next load.
- Again, permit the generator to stabilize.
- Repeat steps 4 and 5 for each additional load.
Never add more loads than the generator capacity. Take special care to consider surge loads in generator capacity as previously described.
NOTICE:
Do not overload the generator’s capacity. Exceeding the generator’s wattage/amperage capacity may damage the generator and/or electrical devices connected to it.
| Application/Equipment | Estimated Running Watts* | Estimated Starting Watts* |
| Emergency / Home Standby | ||
| Lights (qty. 4 x 75 W) | 300 | 0 |
| Refrigerator | 600 | 780 |
| 46 in. Flat Panel Television | 190 | 0 |
| Satellite Receiver | 250 | 0 |
| Portable Fan | 40 | 120 |
| Heater | 1300 | 1300 |
| Laptop | 250 | 0 |
| Slow Cooker | 270 | 0 |
| Radio | 200 | 0 |
| Job Site | ||
| Electric Drill − 3/8 in. | 440 | 600 |
| Quartz Halogen Work Light | 1000 | 0 |
| Reciprocating Saw | 960 | 960 |
| Circular Saw − 7-1/4 in. | 1400 | 2300 |
| Miter Saw − 10 in. | 1800 | 1800 |
| Air Compressor − 1/4 HP | 970 | 1600 |
| Airless Sprayer − 1/3 HP | 600 | 1200 |
FEATURES
PRODUCT SPECIFICATIONS
ENGINE
Engine Type……………………….. 80cc Overhead Valve (OHV)
Spark Plug………………………… NGK BPR7HS or equivalent
Lubricant Fill Volume ………………………………. approx. 12 oz
Fuel Volume……………………………………………………….. 1.2 gal.
GENERATOR
Rated Voltage……………………………………………….. 120V AC
Rated Amps……………………………………………….. 13.75A AC
Rated Output*………………………………………………… 1,650 W
Starting Watts………………………………………………… 2,050 W
Rated Frequency ……… 60 Hz *Rated output determined by PGMA Standard G300
KNOW YOUR GENERATOR
See Figure 1.
The safe use of this product requires an understanding of the information on the product and in this operator’s manual as well as a knowledge of the project you are attempting. Before the use of this product, familiarize yourself with all operating features and safety rules.
120 V AC RECEPTACLES
Your generator has two single-phase, 60 Hz outlets that are 120 Volt AC, 20 Amp receptacles. These can be used for operating appropriate appliances, electrical lighting, tools, and motor loads.
ANSI/UL-2201 CERTIFIED
This generator complies with the ANSI/UL-2201 Standard for Low Carbon Monoxide (CO) Emission Rates for portable generators. When used properly, portable generators with lowered CO emissions and CO shutoff capability mitigate the risk of CO related poisoning
DANGER:
ANSI/UL 2201 compliance is not a substitute for safe generator practices. Always operate the generator in open, outdoor areas, at least 20 feet away from occupied structures. Never operate the generator near open windows, doors, or other unventilated spaces.
AUTO IDLE SWITCH
The auto-idle switch is used to control the speed of the engine and conserve fuel. When Auto Idle is on and no appliances are connected to the unit, the engine will idle. If an appliance is added, the engine speed will increase to power the item. If the appliance is removed, the engine will return to idle.
AUTOMATIC SHUTOFF
The generator’s carbon monoxide sensor is designed to monitor the level of carbon monoxide present during generator operation. If the unit is positioned incorrectly and carbon monoxide levels rise to an unsafe level, the CO sensor LED will flash red and the generator will automatically shut down. Leave the area immediately and relocate to an open outdoor area. Ventilate the area thoroughly before occupying again. Ensure the generator is located in an open, outdoor area at least 20 feet away from all doors, windows, and occupied spaces, and point exhaust away from occupied structures before restarting. NOTE: After a shutoff event has occurred, the LED will continue to flash red for up to 20 minutes. Once the generator is relocated and CO levels are safe, the generator can be restarted even if the light is still flashing.
EASY START DIAL
The Easy Start dial is used when starting, stopping, and running the engine. It also controls the choke and the fuel valve.
FUEL TANK
The fuel tank has a capacity of 1.2 gallons.
GROUND TERMINAL “
The ground terminal is used to assist in properly grounding the generator to help protect against electrical shock. Consult with a qualified local electrician for grounding requirements in your area.
LED DISPLAY LED
provides feedback to indicate whether the generator is overloaded.
LOW OIL SHUT DOWN PROTECTOR
The low oil sensor causes the engine to stop if the level of lubricant in the crankcase is insufficient. The engine may not be restarted until sufficient engine lubricant has been added to the generator.
OIL CAP/DIPSTICK
Remove the oil fill cap to check and add lubricant to the generator when necessary.
PARALLEL KIT TERMINALS
The non-polarized parallel kit terminals are used with a parallel kit (sold separately) that will allow generators to be linked together to increase output.
NOTICE: Do not connect or disconnect cables while the generator is running. The generator or the load may be damaged.
NOTE: Read and understand the parallel kit’s instructions prior to use.
RECOIL STARTER
The recoil starter is used (along with the Easy Start dial) to start the generator’s engine.
RESET BUTTON
The reset button is used to restore power if an overload occurs. To restore power, remove the last electrical load added, then press the reset button.
ASSEMBLY
UNPACKING
This product has been shipped completely assembled. n Carefully remove the product and any accessories from the box. Make sure that all items listed in the Packing List are included
WARNING:
Do not use this product if it is not completely assembled or if any parts appear to be missing or damaged. Use of a product that is not properly and completely assembled could result in serious personal injury.
- Inspect the product carefully to make sure no breakage or damage occurred during shipping.
- Do not discard the packing material until you have carefully inspected and satisfactorily operated the product.
- If any parts are damaged or missing, please call 1-800-525-2579 for assistance
PACKING LIST
Generator
Engine Lubricant (SAE 10W 30)
Funnel
Spark Plug Wrench
Operator’s Manual
WARNING:
If any parts are damaged or missing do not operate this product until the parts are replaced. Use of this product with damaged or missing parts could result in serious personal injury.
WARNING:
Do not attempt to modify this product or create accessories not recommended for use with this product. Any such alteration or modification is misused and could result in a hazardous condition leading to possible serious personal injury.
OPERATION
DANGER:
Carbon Monoxide. Using a generator indoors CAN KILL YOU IN MINUTES. Generator exhaust contains high levels of carbon monoxide (CO), a poisonous gas you cannot see or smell. If you can smell the generator exhaust, you are breathing CO. But even if you cannot smell the exhaust, you could be breathing CO.
- Never use a generator inside homes, garages, crawlspaces, or other partly enclosed areas. Deadly levels of carbon monoxide can build up in these areas. Using a fan or opening windows and doors does NOT supply enough fresh air.
- ONLY use a generator outdoors and far away from open windows, doors, and vents. These openings can pull in the generator exhaust.
Even when you use a generator correctly, CO may leak into the home.
If you start to feel sick, dizzy, or weak after the generator has been running, move to fresh air RIGHT AWAY. See a doctor. You could have carbon monoxide poisoning.
WARNING:
NEVER ignore an automatic shutoff event. IF AUTOMATIC SHUTOFF OCCURS – YOU MUST leave the area immediately and relocate to an open outdoor area. Ventilate the area thoroughly before occupying again. Ensure the generator is located in an open, outdoor area at least 20 feet away from all doors, windows, and occupied spaces. Always point exhaust away from occupied structures. Never run the generator in enclosed areas (e.g. not in a house or garage). Failure to follow these instructions can lead to carbon monoxide (CO) poisoning which can result in death or serious personal injury.
WARNING:
If this generator will be used only with a cord and plug-connected equipment, National Electric Code does not require that the unit be grounded. However, other methods of using the generator may require grounding to reduce the risk of shock or electrocution. Consult a qualified electrician, electrical inspector, or local agency having jurisdiction for local codes or ordinances to find out if grounding is needed in your situation before using the generator.
WARNING:
Do not allow familiarity with this product to make you careless. Remember that a careless fraction of a second is sufficient to inflict serious injury.
WARNING:
Do not use any attachments or accessories not recommended by the manufacturer of this product. The use of attachments or accessories not recommended can result in serious personal injury.
NOTICE:
This product is equipped with a spark arrestor that has been evaluated by the USDA Forest Service; however, product users must comply with Federal, State, and local fire prevention regulations. Check with appropriate authorities. Contact customer service or a qualified service center to purchase a replacement spark arrestor.
NOTICE:
Before each use, inspect the entire product for damaged, missing, or lose parts, such as screws, nuts, bolts, caps, etc. Tighten securely all fasteners and caps and do not operate this product until all missing or damaged parts are replaced. Please contact customer service or a qualified service center for assistance.
APPLICATIONS
This generator is designed to supply electrical power for operating compatible electrical lighting, appliances, tools, and motor loads.
BEFORE OPERATING THE UNIT
- Only use OUTSIDE and at least 20 feet away from windows, doors, and vents as recommended by the U.S Department of Health and Human Services Centers for Disease Control and Prevention. Your specific home and/ or wind conditions may require additional distance.
- NEVER use inside a home or garage, EVEN IF doors and windows are open.
- Always position the generator on a flat firm surface.
SPECIAL REQUIREMENTS:
There may be General or State Occupational Safety and Health Administration (OSHA) regulations, local codes, or ordinances that apply to the intended use of the generator. Please consult a qualified electrician, electrical inspector, or the local agency having jurisdiction:
- In some areas, generators are required to be registered with local utility companies.
- If the generator is used at a construction site, there may be additional regulations that must be observed.
CHECKING/ADDING LUBRICANT
See Figure 2.
NOTICE:
Attempting to start the engine before it has been properly filled with lubricant will result in equipment failure.
NOTE: If a separate engine manual is provided for this product, please follow the instructions provided in the engine manual instead of the information listed below.
Engine lubricant has a major influence on engine performance and service life. For general, all-temperature use, SAE 10W-30 is recommended. Always use a 4-stroke motor lubricant that meets or exceeds the requirements for API service classification SJ.
This engine comes with a feature that will shut off the engine when a specific lubricant level is not maintained. The engine will not restart until an appropriate lubricant level is reached.
NOTE: Non-detergent or 2-stroke engine lubricants will damage the engine and should not be used.
- Loosen the knob at the side of the engine cover. Remove cover and set aside.
- Unscrew the oil cap/dipstick and remove.
- Wipe dipstick clean and re-seat in the hole; do not re-thread.
- Remove the dipstick again and check the lubricant level. The lubricant level should fall between the minimum and maximum marks on the dipstick.
- If the level is low, add engine lubricant until the fluid level rises between the minimum and maximum marks on the dipstick.
- Replace and secure the oil cap/dipstick.
USING FUEL STABILIZER
Fuel gets old, oxidizes, and breaks down over time. Adding a fuel stabilizer (not included) extends the usable life of fuel and helps prevent deposits from forming that can clog the fuel system. Follow the fuel stabilizer manufacturer’s directions for the correct ratio of stabilizer to fuel. - Mix fuel stabilizer and gasoline prior to filling the tank by using a gas can or other approved fuel container and shaking gently to combine.
NOTE: To control the amount of fuel stabilizer being added to the engine, always mix fuel stabilizer with gasoline before fueling the tank rather than adding fuel stabilizer directly into the generator’s fuel tank. - Replace and secure the fuel tank cap.
- Start and run the engine for at least 5 minutes to allow the stabilizer to treat the entire fuel system.
ETHANOL-BLENDED FUELS
NOTICE:
Do not use E15 or E85 fuel in this product. It is a violation of federal law and will damage the unit and void your warranty. Only use unleaded gasoline containing up to 10% ethanol.
ADDING FUEL
See Figure 3.
DANGER:
Risk of fire and serious burns: Never remove the fuel cap when the unit is running. Shut off the engine and allow the unit to cool for at least five minutes. Remove cap slowly.
WARNING:
Gasoline and its vapors are highly flammable and explosive. To prevent serious personal injury and property damage, handle gasoline with care. Keep away from ignition sources, handle outdoors only, do not smoke while adding fuel, and wipe up spills immediately.
When adding gas to the generator, make sure the unit is sitting on a flat, level surface. If the engine is hot, let the generator cool for five minutes before adding gas. ALWAYS fill the fuel tank outdoors with the machine turned off.
- Place the Easy Start dial in the OFF/STORAGE position.
- Remove the fuel cap slowly.
- Fill the fuel tank to 1 in. below the top of the fuel neck.
- Replace and secure the fuel cap.
WARNING:
Always shut off the engine before fueling. Never remove the fuel cap or add fuel to a machine with a running or hot engine. Make sure the unit is sitting on a flat, level surface and only add fuel outdoors. If the engine is hot, let the unit cool for at least five minutes before adding fuel. After fueling, immediately replace the fuel cap and tighten securely. Move at least 30 ft. from the refueling site before starting the engine. Do not smoke and stay away from open flames and sparks! Failure to follow these instructions could result in a fire and cause serious personal injury.
NOTE: Always use unleaded gasoline with a pump octane rating of 86 or higher. Never use old, stale, or contaminated gasoline, and do not use an oil/gas mixture. Do not allow dirt or water into the fuel tank. Do not use E85 fuel.
STARTING THE ENGINE
See Figures 4 – 6.
NOTICE:
On a level surface with the engine off, check the lubricant level before each use of the generator.
NOTE: If the location of the generator is not level, the unit may not start or may shut down during operation.
To start the generator the first time:
- Add engine lubricant per the Operator’s Manual instructions.
- Place the Easy Start dial to the COLD START (CHOKE) position.
- Fill the fuel tank per the Operator’s Manual instructions.
- Place the auto-idle switch in the OFF position.
- Pull the recoil starter until the engine starts.
NOTE: Do not allow the grip to snap back after starting; return it gently to its original place. The initial starting of the unit may require additional pulls. - Allow the engine to run for 15-30 seconds, then move the Easy Start dial to the RUN/RE-START position.
- For quieter more efficient operation, place the auto-idle switch in the ON position.
To start subsequent times:
- Unplug all loads from the generator.
- Place the auto-idle switch in the OFF position.
- Turn the Easy Start dial to the COLD START position.
NOTE: When the Easy Start dial is in the COLD START (top) position, the fuel will flow from the fuel tank to the engine. If the engine is warm, turn the Easy Start dial to the RUN/RE-START (middle) position. - Pull the recoil starter until the engine runs.
NOTE: Do not allow the grip to snap back after starting; return it gently to its original place. The initial starting of the unit may require additional pulls. - Allow the engine to run for 15-30 seconds, then move the Easy Start dial to the RUN/RE-START position.
STOPPING THE ENGINE
See Figure 5.
- Remove any load from the generator.
- Place the Easy Start dial in the OFF/STORAGE position.
To stop the engine in an emergency situation: - Place the Easy Start dial in the OFF/STORAGE position.
WARNING:
While operating and storing, keep at least 3 feet of clearance on all sides of this product, including overhead. Allow a minimum of 30 minutes of “cool down” time before storage. The heat created by muffler and exhaust gases could be hot enough to cause serious burns and/ or ignite combustible objects.
MAINTENANCE
Normal maintenance, replacement, or repair of emission control devices and systems may be performed by any qualified repair establishment or individual with original or equivalent parts. Warranty and recall repairs must be performed by an authorized service center; please contact customer service for assistance.
WARNING:
Before inspecting, cleaning, or servicing the machine, shut off the engine, wait for all moving parts to stop, and disconnect the spark plug wire and move it away from the spark plug. Allow 30 minutes of cool-down time before performing any maintenance. Failure to follow these instructions can result in serious personal injury or property damage.
WARNING:
When servicing, use only recommended or equivalent replacement parts. Use of any other parts could create a hazard or cause product damage.
WARNING:
DO NOT tamper with, adjust, or modify the carbon monoxide (CO) sensor module on your generator. Failure to follow these instructions can cause the monitor to malfunction which can result in death or serious personal injury.
NOTICE:
Periodically inspect the entire product for damaged, missing, or loose parts such as screws, nuts, bolts, caps, etc. Tighten securely all fasteners and caps and do not operate this product until all missing or damaged parts are replaced. Please contact customer service or a qualified service center for assistance.
GENERAL MAINTENANCE
Keep the generator in a clean and dry environment where it is not exposed to dust, dirt, moisture, or corrosive vapors. Do not allow the cooling air slots in the generator to become clogged with foreign material such as leaves, etc. Do not use a garden hose to clean the generator. Water entering the fuel system or other internal parts of the unit can cause problems that will decrease the life of the generator. To clean the unit:
- Use a soft bristle brush and/or vacuum cleaner to loosen and remove dirt and debris.
- Clean air vents with low-pressure air that does not exceed 25 psi.
- Wipe the exterior surfaces of the generator with a damp cloth.
CHECKING/CLEANING AIR FILTER
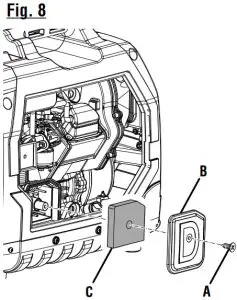
See Figures 7 – 8.
For proper performance and long life, keep the air filter clean. - Loosen the knob on the side of the engine cover. Remove cover and set aside.
- Loosen the screw in the center of the air filter cover. Remove the cover and set it aside.
- Remove the air filter.
- Wash the air filter with warm, soapy water. Rinse and squeeze to dry.
- Reinstall the air filter.
NOTE: Make sure the filter is seated properly inside the generator. Installing the filter incorrectly will allow dirt to enter the engine, causing rapid engine wear.
- Reinstall the air filter cover. Tighten screw to secure.
- Reinstall the engine cover. Tighten the knob to secure.
CHANGING ENGINE LUBRICANT
See Figure 9.
For best performance, engine lubricant should be changed after every 100 hours or 6 months of operation. - Loosen the knob at the side of the engine cover. Remove cover and set aside.
- Loosen the two screws and remove the oil drain cover.
- Remove the oil fill cap/dipstick.
- Tilt the generator to the side and allow lubricant to drain from the oil fill hole into an approved container.
NOTE: Drain the lubricant while the engine is still warm but not hot. Warm lubricant will drain quickly and more completely.
WARNING:
Do not change engine lubricant while it is hot. Accidental contact with hot engine lubricants could result in serious burns.
- Return the generator to an upright position and refill with lubricant following the instructions in the Checking/ Adding Lubricant section previously in this manual. For the amount of lubricant needed to refill, see Product Specifications earlier in this manual or the accompanying engine manual, if applicable.
- Replace and secure the oil cap/dipstick.
- Reinstall the oil drain cover and tighten the screws.
- Reinstall the engine cover. Tighten the knob to secure.
NOTE: Used lubricant should be disposed of at an approved disposal site. See your local retailer for more information.
SPARK PLUG REPLACEMENT
See Figure 10.
The spark plug must be properly gapped and free of deposits in order to ensure proper engine operation. To check:
- Loosen the knob on the side of the engine cover. Remove cover and set aside.
- Remove the spark plug cap.
- Clean any dirt from around the base of the spark plug.
- Remove the spark plug using a spark plug wrench.
- Inspect the spark plug for damage, and clean with a wire brush before reinstalling. If the insulator is cracked or chipped, the spark plug should be replaced. For replacement spark plug, see Product Specifications earlier in this manual or the accompanying engine manual, if applicable.
- Measure plug gap. The correct gap is 0.024−0.028 in. (0.60-0.70 mm). To widen the gap, if necessary, carefully bend the ground (top) electrode. To lessen the gap, gently tap the ground electrode on a hard surface.
- The seat spark plug in position; thread in by hand to prevent cross-threading.
- Tighten with a wrench to compress the washer. If the spark plug is new, use 1/2 turn to compress the washer appropriate amount. If reusing an old spark plug, use 1/8 to 1/4 turn for proper washer compression.
NOTE: An improperly tightened spark plug will become very hot and could damage the engine.
NOTICE:
Be careful not to cross-thread the spark plug. Cross-threading will seriously damage the product. - Reinstall the spark plug cap.
- Reinstall the engine cover. Tighten the knob to secure.
CLEANING THE EXHAUST PORT AND MUFFLER
Depending on the type of fuel used, the type and amount of lubricant used, and/or your operating conditions, the exhaust port and muffler may become blocked with carbon deposits. If you notice a power loss with your gas-powered products, you may need to remove these deposits to restore performance. We highly recommend that only qualified service technicians perform this service.
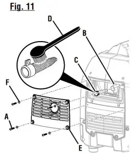
SPARK ARRESTOR
See Figure 11.
NOTICE:
This product is equipped with a spark arrestor that has been evaluated by the USDA Forest Service; however, product users must comply with Federal, State, and local fire prevention regulations. Check with appropriate authorities. Contact customer service or a qualified service center to purchase a replacement spark arrestor.
The spark arrestor must be cleaned or replaced every 50 hours or yearly to ensure the proper performance of your product. Spark arrestors may be in different locations depending on the model purchased. Contact customer service or a qualified service center for the location of the spark arrestor for your model.
To clean the spark arrestor:
- Loosen the screws on the rear panel. Remove the rear panel and set it aside.
- Remove the screw securing the spark arrestor in place.
- Remove the spark arrestor and gently clean using a wire brush.
- Replace the spark arrestor and rear panel. Ensure that all screws are tightened securely.
DRAINING FUEL TANK/CARBURETOR
See Figures 12 – 13.
To help prevent gum deposits in the fuel system, drain the fuel from the tank and carburetor before storing.
DRAINING THE FUEL TANK
NOTICE:
Remove all lubricants from the unit before draining the fuel tank. Failure to do so could cause damage to the unit. - Remove the fuel cap.
- Tilt the generator and allow fuel to drain from the fuel tank into an approved container.
- When the fuel has drained from the tank, replace the fuel cap.
DRAINING THE CARBURETOR
- Loosen the knob at the side of the engine cover. Remove cover and set aside.
- Place the Easy Start dial in the RUN/RE-START position.
- Pull the carburetor drain tube out of the spout on the generator base and place it into a container suitable to catch fuel.
- Loosen the carburetor drain screw and allow fuel to drain completely into the container.
- Retighten drain screw securely.
- Reinstall the carburetor drain tube into the drain spout on the generator base.
WARNING:
Make sure the drain tube is fully seated into the drain spout. Failure to fully seat the drain tube could allow fuel to leak into the bottom of the generator housing, which could cause serious personal injury and property damage. - Place the Easy Start dial in the OFF/STORAGE position.
NOTE: Consult hazardous waste management guidelines in your area for the proper way to dispose of used fuel.
TRANSPORTING - Place the Easy Start dial in the OFF/STORAGE position.
- Make sure the engine and exhaust of the unit are cool.
- Keep unit level to prevent fuel spillage.
- Do not drop or strike the unit or place it under heavy objects.
- If transporting in a vehicle, drain the fuel tank, place the Easy Start dial in the OFF/STORAGE position and securely restrain the generator.
- Provide a plastic sheet or absorbent pad below the generator to catch any drips of fuel or lubricant.
This product has a Three-year Limited Warranty for personal, family, or household use (90 days for business or commercial use). For warranty details, visit www.ryobitools.com or call (toll-free) 1-800-525-2579.
STORAGE
When preparing the generator for storage, allow the unit to cool for 30 minutes then follow the guidelines below. Always store the generator standing on its feet. Never store the unit on its side or in a vertical position.
STORAGE TIME | PRIOR TO STORING |
| Less than 2 months |
|
| 2 months to 1 year |
|
| 1 year or more |
|
NOTE: If storing gasoline in a suitable container for later use, make sure gasoline has been treated with a fuel stabilizer according to the stabilizer manufacturer’s instructions.
MAINTENANCE SCHEDULE
NOTE: If a separate engine manual is provided for this generator, please follow the maintenance schedule provided in the engine manual instead of the maintenance information listed below.
| Before each use | After 1st month or 20 hours of operation | Every 3 months or 50 hours of operation | Every 6 months or 100 hours of operation | Every year or after 300 hours of operation | |
| Check Engine Lubricant | • | ||||
| Change Engine Lubricant2 | • | • | |||
| Check Air Filter | • | ||||
| Clean Air Filter | • | ||||
| Change Air Filter2 | • | ||||
| Check/Adjust Spark Plug | • | ||||
| Replace Spark Plug 2 | • | ||||
| Check/Clean Spark Screen | • | ||||
| Check/Adjust Valve Clearance 1,2 | • | ||||
| Clean Fuel Tank and Filter1,2 | • | ||||
| Check Fuel Hose | • | • | |||
| Fuel Filter | Inspect | Replace | |||
| Check All Hose Connections | • | • | |||
| Inspect Fuel Tank Vapor Vent (If Equipped) | • | • | |||
| Inspect Carbon Canister (CARB Models Only) | • | • |
1. These items should only be carried out by a qualified service center.
2. See the engine manual for the maintenance schedule for this item.
NOTE: Maintenance should be performed more frequently when the generator is used in dusty areas.
When the generator has exceeded the maximum figures specified in the table, maintenance should still be cycled according to the intervals of time or hours stated herein.
TROUBLESHOOTING
PROBLEM | POSSIBLE CAUSE | SOLUTION |
| The engine will not start. | Easy Start dial is in OFF/STORAGE or RUN/RE-START position. No fuel. Stale gasoline or water in gasoline. The lubricant level is low. Spark plug faulty fouled, or improperly gapped. Engine stored without treating or draining gasoline, or refueled with bad gasoline. Dirty fuel filter. CO sensor LED is flashing red, indicating a CO hazard. CO sensor LED is flashing yellow and/ or making an audible chirp, indicating a sensor fault. | Move Easy Start dial to COLD START position. Fill fuel tank. Drain entire system and refill with fresh fuel. The engine is equipped with Low Oil Shutoff. If the engine lubricant level is low, it must be filled before the unit will start. Check engine lubricant level and fill, if necessary. Replace spark plug. Drain fuel and carburetor. Refuel with fresh gasoline. Contact a qualified service center. Leave the area immediately and relocate to an open outdoor area. Ventilate the area thoroughly before occupying again. Ensure the generator is located in an open, outdoor area at least 20 feet away from all doors, windows, and occupied spaces, and point exhaust away from occupied structures. The CO sensor needs to be repaired or replaced. Contact customer service or a qualified service center for assistance. |
| Engine hard to start. | Water in gasoline. Weak spark at the spark plug. gasoline. | Drain entire system and refill with fresh fuel. Replace spark plug or contact a qualified service center. |
| Engine lacks power. | The engine is stored without treating or draining gasoline or refueled with the bad dirty air filter. | Drain fuel and carburetor. Refuel with fresh gasoline. If the problem continues, contact a qualified service center. Clean or replace as needed. |
| AC receptacle does not work. | Item plugged in is defective. The generator is overloaded. | Try a different item. Remove loads and press the reset button. |
| If the problem persists after trying the above solutions, contact customer service or a qualified service center for assistance. | ||
| NOTICE: As the equipment owner, you are responsible for the performance of the required maintenance listed in the Maintenance section. It is recommended that you retain all receipts covering maintenance on your equipment. Neglecting or failing to perform the required maintenance may increase emissions, decrease fuel efficiency, degrade performance, cause irreversible engine damage, and/or void your warranty. | ||

OPERATOR’S MANUAL
RYi2022GRA/RYi2022VNM
• PARTS AND SERVICE: Prior to requesting service or purchasing replacement parts, please obtain your item, manufacturing, and serial numbers from the product data plate.
ITEM NO.* _____________MANUFACTURING NO. ______________
SERIAL NO. ____________
* Model/item number on a product may have additional letters at the end. These letters designate manufacturing information and should be provided when calling for service.
HOW TO OBTAIN REPLACEMENT PARTS: Replacement parts can be purchased online at www.ryobitools.com or by calling
1-800-525-2579. Replacement parts can also be obtained at one of our service centers.
HOW TO LOCATE A SERVICE CENTER: Service centers can be located online at www.ryobitools.com or by calling 1-800-525-2579.
HOW TO OBTAIN CUSTOMER OR TECHNICAL SUPPORT: To obtain customer or technical support please contact us at
1-800-525-2579.
RYOBI is a trademark of Ryobi Limited and is used pursuant to a license granted by Ryobi Limited.
TECHTRONIC INDUSTRIES POWER EQUIPMENT
P.O. Box 1288, Anderson, SC 29622 USA
1-800-525-2579 • www.ryobitools.com
995000816
1-13-21 (REV:05)


















