POLARIS GPS NP300 Maxx Wireless Carplay

Warranty details
Thank you for purchasing the NP300Maxx
Before installing, be sure to thoroughly read these instructions.
The warranty for this product is 2 years from the date of purchase, however, warranty will be void if:
- The unit is tampered with, damaged or modified in any way.
- The reverse camera cable is cut or modified in any way (If applicable).
- The reverse camera is subjected to overvoltage (if applicable).
- The Navigation SD card is damaged or tampered with in any way (this includes installing foreign mapping or software onto the SD card).
- The installation of 3rd party apps that may cause harm to the unit.
- Warranty Terms
The NP300Maxx is covered for 2 years and includes:
- Defective Equipment
- Defective Cables
Not Covered under warranty:
- Abuse
- Improper installation
- Alteration to Cables (includes cutting of any cables)
- Accidents
- Water damage
- Improper use
- Labor
- Postage and Handling
If you have any questions concerning the installation, warranty or operation of the unit, please contact Polaris on 1300 555 514.
We hope that you enjoy the NP300Maxx
Installation Notes
- The wiring and installation of this unit require special technical skill and experience. If you do not feel confident installing this product or do not have the level of skill necessary, please contact Polaris on 1300 555 514 so we can refer to a recommended installer.
- This unit is designed to be used in a vehicle with a 12 volt battery and a negative grounding. Before installing this unit to a recreational vehicle, bus, or truck, make sure the battery voltage is appropriate for this unit to be used.
- To avoid short circuits in the electrical system, ensure that the negative battery cable is disconnected before installation.
- To avoid possibility of shorting out the electrical circuit in the unit, never connect the battery wire directly to the vehicle battery.
- Always secure all wirings with cable clamps or adhesive tape to prevent short circuit.
- Please make sure all wiring connections and speaker wires are well insulated.
- When pulling the dash apart, please use quality trim tools to avoid damaging your dash.
- Please do NOT cut any plugs off of any Polaris cameras. Doing so will void your warranty! If you need to blend other brand cameras into our system, please call Polaris on 1300 555 514 so we can refer you to a recommended dealer who has the skill and experience in performing this type of work.
- If there is something you are not 100% sure about when installing this unit, please give our experienced technicians a call on 1300 555 514.
Removing the Dash panel
- Start by removing the 2 trims beside the original head unit
- Make sure to use a quality trim tool to avoid damaging your dash
- Remove 5 screws either side of the radio unit and air con panel

- Remove the air con panel first and disconnect any plugs at the back
- Remove original radio
- Disconnect any plugs at the back
Main Harness
As our unit will fit into lower and higher end models, the below plugs will depend on what model NP300 you have. Please use the plug that matches with your vehicle.
Main Power:
Steering Wheel Controls & OEM Reverse Camera 
Steering Wheel Controls (No OEM Reverse Camera)
Retain OEM Aux 
Radio Antenna Adaptor
Important
If you are retaining AUX or Factory Camera, once you have plugged the matching plug into the vehicle, you need to trace it back to the correct RCA plug on the MAIN harness and plug this RCA into the correct RCA coming out of the back of the head unit. If this step isn’t done then the head unit does not “know” that you have plugged the factory plug in.
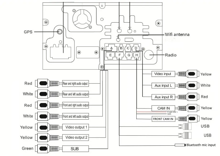
Wiring
Factory USB retention 
Bluetooth Microphone (optional) 
Factory AUX Retention (more on page 5) 
GPS Antenna 
Installing the head unit
- Grab the original unit and remove the metal clips from the original fascia

- Attach clips onto Polaris head unit

- Install head unit. We suggest testing all features before putting the dash panel back together

If you have any questions regarding the installation of this unit, please call Polaris on 1300 555 514 or email [email protected]

























