
Professional LED Light
Instruction Manual
Professional LED light
Product Manual
Thanks for choosing Weeylight Fill Light! Please read the Manual carefully to understand and use all functions of the fill light.
www.weeylite.com
Product Features :
Ninja 2D adapts Ngh color rendering index COB LED lamp beads, with high luminous efficiency, accurate color temperature, and long life. It is used for photography, , video, studio, exhibition hall, and make-up and other high light requirements of the scenes.
- Appoint control
- LCD screen, display more intuitive,
- One-button silent mode, no noise, no interference
- Dual-channel constant current LED driver, no stroboscopic color temperature more stable
- The steam pipe radiator makes the LED chip work at a lower temperature and ensures a longer life of the LEO.
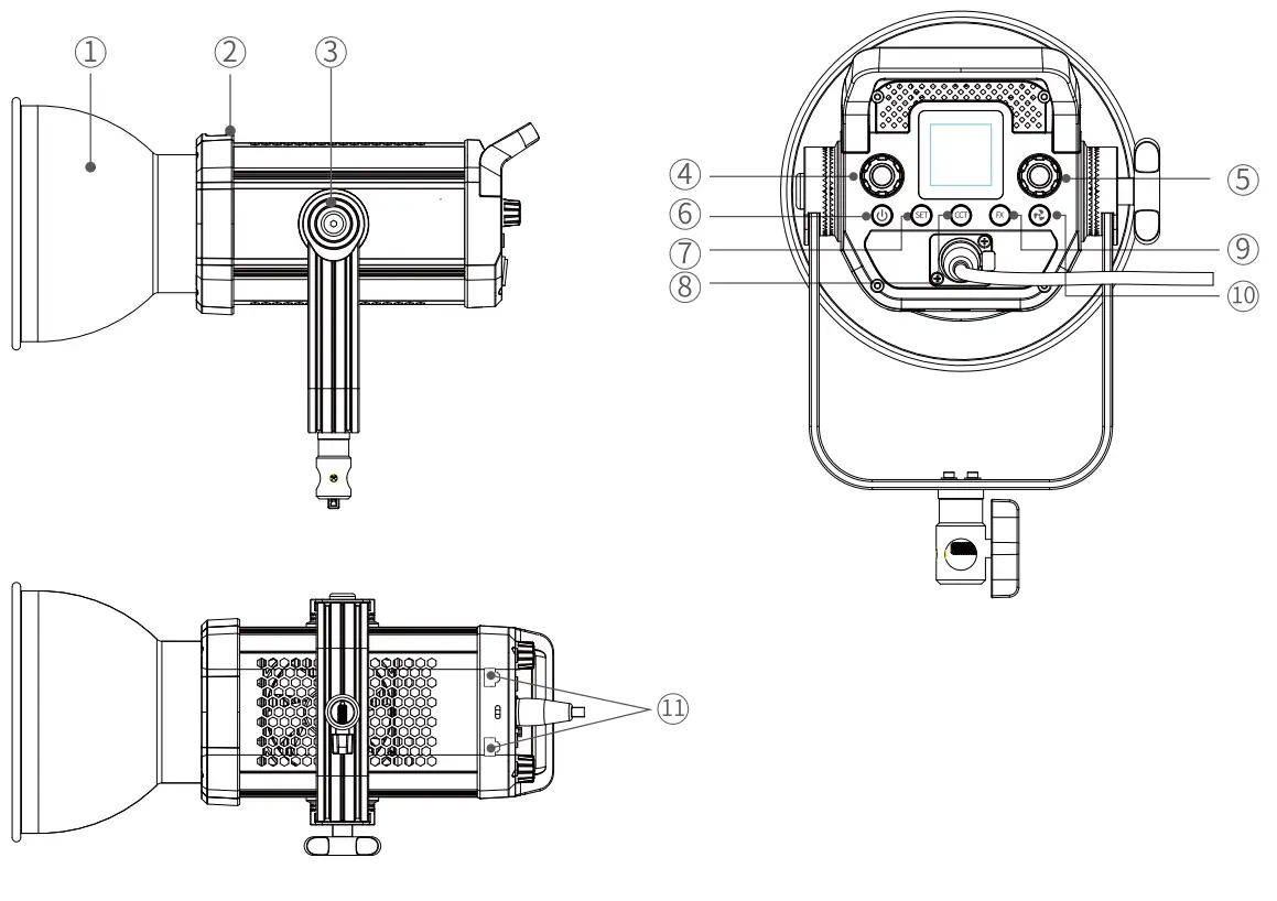
Part identification

- Lampshade
- Lampshade connection button
- U-shaped bracket
- Leh rotary knob
- Right rotary knob
- On/off
- SET key
- CCT key
- FX key
- Fan switch key
- DMX interface
Instructions
3.1 Use the external power supply
- Connect the power adapter to the charging power terminal (On the interface shown in Figure Al)

3.2 ON/OFF
Long press
turn on the fill light, and relevant parameters of the fill light can be set.
3.3 Connect Bluetooth/DMX
Bluetooth mode
Short press:(SET Key) enter Bluetooth mode and adjust the channel; Turn (4k& rotary knob ) to adjust the parameters, and group number. just turn the right rotary knob to adjust.
DMX mode
Long press:(SET Key) enter OW mode. tum(4.Left rotary knob) to adjust the channel.
Long press: (SET key) to exit DMX mode.
3.4 CCT MODE
Relate the (5, right rotary knob )button left and right to adjust the power level. The product has a single color temperature and can only adjust the power level.
3.5 FX MODE”
PressFX Key to switch the items in this mode, and press left rotary knob to switch items. right rotary knob ) button left and right to adjust mode and power level.
3.6 Fan MODE
Press: the key to switch between full speed mode and silent mode, and turn (5, turn button:.. file right ) to adjust the power (0-20%) and reduce the power to 20% in silent mode.
Smartphone App for Light Adjustment
1. Keep the Bluetooth of your phone on, and then open the App, “Weeylite Pro”, to set its channel number and group number, which shall be the same as those of the designated lights. (If the channel number of the designated lights is 1, the channel number of the App shall be 1. If the group number of the designated lights is A, the group number of the App shall be A. The App cannot control the lights if the parameters are inconsistent.)
Note: Do not turn off the power or disconnect ninja 500 with your computer during the upgrade, otherwise the product will be damaged.
For Android users to scan and download the app
https://play.google.com/store/apps/details?id=com.ruitianzhixin.weeylite2
For IOS users to scan and download the App 
https://apps.apple.com/cn/app/weeylitepro/id1589472770
APP
(The channel number and the group number of the lights and the smartphone App shall be the same)
Light Adjustment by Remote Control
(need to be purchased separately) 
Long press the “MODE” key to switch the following 4 modes
These three modes are designed for colorful RGB, non-RGB models do not need to enter in these three modes
0peration instructions of the remote control
| Model | RC-11 Remote Controller |
| Frequency | 2.4GHz Bluetooth wireless remote system |
| Control distance (in the open air) | 30 Meters |
| Wireless remote group | A, B. C, D, E, F |
| Channel | 1-19 |
| Stand-by time | 30minutes without operation, it will off automatic |
| Environment temperature | -10-500 |
| Power | AAA 1.5V battery |
| Dimension | 101mmx38mmx 18mm |
| Weight | Approx37g ( exclude batteries ) |
Common problems and notes
- Do not use the fill light directly on other people’s eyes at close range, otherwise, it may damage their eyes.
- After a long time use, the temperature may exceed 60 degrees, pay attention to bums.
- It is forbidden to cover towels, tapes, and other objects on the lamp body, otherwise, the high temperature of the lamp body may cause damage to the amp body and cause a fire.
- Do not subject the lamp body to strong vibrations, otherwise, it may cause malfunctions and cause component damage.
- If the remote control will not be used for a long time, please remove thebattery from the remote control.
- Do not attempt to disassemble or repair the fill light by yourself, otherwise, it may cause electric shock or malfunction.
- Make sure the lamps are stable during installation, avoid heavy lamps from falling, and avoid children and the elderly to touch these lamps.
- If smoke or burning odor is found, immediately stop operation and unplug the power supply to prevent supplemental fire or burning.
- The fill light must not be immersed in water or exposed to rain or water vapor water into the lamp, it may cause the filled lamp to catch fire or electric shock this case, the power should be cut off immediately.
- Prohibit using the fill light in places with flammable gas ( including propane, gasoline, and dust), it may cause an explosion or fire.
- Turn on the silent mode, the fan is silent, the power of the LED light is reduced to 20%, and 0-20% is adjustable. Exit the silent mode, the fan runs at full speed, the power of the LED light returns to the current value, and the power is adjustable from 0 – 100%.
Product Parameters
| Model | ninja 20 |
| Dimming method | Host control /APP/Bluetooth/DMX |
| Color temperature | 5600k |
| Brightness | 1-100%(Adjustable) |
| Max.Brightness | 22000Im |
| Maxilluminance | Naked light>7800Iux/1m, Reflector >790001ux/lm |
| Remote-controlled distance | 20 meters (the distance will Increase or decrease because of obstacles in the operating environment) |
| Lamp beads | Constant Power output up to 200W |
| Group | 6 Group (A,B,C,D,E,F) |
| Channel | 1-19 |
| Color rendering index | ?….. 95 (RA) |
| Power Adapter | Output: DC 36V/6.38A Three-pin Cannon port Input:AC 100-240V, 5-2.5A ,50-60Hz |
| Size | 382x390x183mm |
| Weight | at:2390(g) |
Operative Standards: Q/JYKJ002-2019
Shenzhen Jueying Technology Co., Ltd.
Telephone: +86-755-2877 5024
Fax: 0755-2877 4730
Email: [email protected]
Website: time.weelite.com
Address: 2nd Floor, Building 4, 8aokun Science and Technology
Industrial Park, Xialingpal Village, Dalang Street, Longhua New District, Shenzhen
Warranty Card
Weeylite International Warranty Card is an important document, in order to enjoy the product Warranty service, please present this warranty card and invoice during the warranty registration period The original must be stamped by the company’s authorized dealer.
FCC Warning
This device complies with part 15 of the FCC Rules. Operation is subject to the following two conditions: (1) This device may not cause harmful interference, and (2) this device must accept any interference received, including interference that may cause undesired operation.
Any changes or modifications not expressly approved by the party responsible for compliance could void the user’s authority to operate the equipment.
Note: This equipment has been tested and found to comply with the limits for a Class B digital device, pursuant to part 15 of the FCC Rules. These limits are designed to provide reasonable protection against harmful interference in a residential installation. This equipment generates uses and can radiate radio frequency energy and, if not installed and used in accordance with the instructions, may cause harmful interference to radio communications. However, there is no guarantee that interference will not occur in a particular installation. If this equipment does cause harmful interference to radio or television reception, which can be determined by turning the equipment off and on, the user is encouraged to try to correct the interference by one or more of the following measures:
- Reorient or relocate the receiving antenna.
- Increase the separation between the equipment and receiver.
- Connect the equipment into an outlet on a circuit different from that to which the receiver is connected.
- Consult the dealer or an experienced radio/TV technician for help.
This equipment complies with FCC radiation exposure limits set forth for an uncontrolled environment. This equipment should be installed and operated with a minimum distance 20cm between the radiator & your body.



















