Akuvox IT88S 10 Inch Smart Intercom Panel

Unpacking
Before you begin using the device, please check the version you got and ensure that the following items are included in the shipped box:
- Plastic wall anchor x 4
- M3x6 cross head screw x 1
- 11-Pin cable x 1
- Wall-mounting bracket x 1

- ST 4×20 cross head screw x 4
- M3xl0.5 hex socket screw x 1
- 10-Pin cable x 1
- M4x30 cross head screw x 4

- Diode x 2
- Allen wrench x 1
- IT88X x 1

Product Overview
Installation
Step 1: Wall-mounting Bracket Installation
Without an embedded box in the wall
- According to the position of the cable in the wall, dig out a square hole
(height*width*depth=66*50 *50mm) that can accommodate all cables. - Align the square hole of the wall-mounting bracket with the hole dug out before, then mark the four fixation holes through
wall-mounting bracket on the wall.
- Take down the wall-mounting bracket, then using a 6mm hand drill to make the four fixation holes on the wall which marked before.
- Once the fixing holes were made, insert four plastic wall anchors.

- Twist M3xl0.5 hex socket screw into the bottom hole of the wall-mounting bracket until the tail of which aligns with the edge. Then fix the wall-mounting bracket on the wall with four ST4x20 crosshead screws. If there is a ground wire to be connected, please use M3x6 crosshead screw to fix it on the wall-mounting bracket.

With embedded box in the wall 
Twist the M3xl0.5 hex socket screw into the bottom hole of the wall-mounting bracket until the tail of which aligns with the edge. Then fix the wall-mounting bracket on the wall with two M4x30 crosshead screws. If there is a ground wire to be connected, use an M3x6 crosshead screw to fix it on the wall-mounting bracket.
Step 2:Device Mounting
- Connect the cables to device.

- Push down to fix the device securely. Tighten the M3x10.5 hex socket screw on the device with alien wrench.

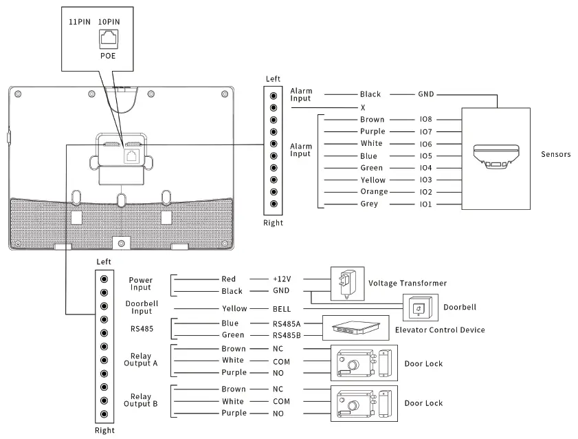
Device Wiring
Warning
When you connect a device containing a coil, such as a relay or an electromagnetic lock, it is necessary to protect the
intercom against voltage peak while switching off the induction load. For this way of protection, we recommend e a diode Lock

Application Network Topology

Configuration
- Access basic information: After setting up network and power, enter Setting> System Info to check Account, Network,Version status.
- Access the Website: Launch a browser and type in the IP address then enter the username and password to login (user name/password: ad min /ad min by default).
- Account Registration: On web UI, go to the path: Account> Basic page to fill in the account information,click Submit to confirm (Please refer to user manual for more information).
Operation
Make a call:
Enter the callee’s number or room address, then press the Dial icon to make an audio call or press the Video icon to make a video call. Press the Dial icon to hang up.
Receive a call:
Press the
icon to pick up the incoming call in video or press
icon to pick up the call in audio mode.
Unlock:
During the talk, you can press Unlock icon on the talking interface to unlock the door.
Monitor:
Press the Monitor icon to receive the video from the door phone or from third-party devices.
Notice Information
Information contained in this document is believed to be accurate and reliable at the time of printing. This document is subject to change without notice, any update to this document can be viewed on Akuvox’s website:
© Copyright 2022 Akuvox Ltd. All rights reserved.
AKUVOX (XIAMEN) NETWORKS CO., LTD.
ADD: 10/F, NO.56 GUAN RI ROAD, SOFTWARE PARK 11, XIAMEN 361009, CHINA
www.akuvox.com




Installation






















