
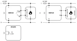
RT520RF – Wiring diagram
User Guide

LEGEND
![]() | Battery-powered | Wireless communication | |
| L, N | 230V AC power supply | ![]() | Pump |
| Fuse | ![]() | Valve actuator | |
| COM, NO, NC | Voltage free output | ![]() | Temperature sensor |
| S, S1, S2 | Input terminals | ![]() | 3-speed 230V AC fan |
| SL | 230V AC voltage output | ![]() | A light bulb or another load |
| Contact normally open | Thermoelectric actuator | ||
| Contact normally closed | ![]() | Time programmer | |
| NC/COM/NO switch | External normally open contact | ||
![]() | Boiler – Boiler connection * – Boiler’s contacts for ON/OFF thermostat (according to the boiler’s instructions) | Voltage converter |



























