Instructions
Natron WE-A
Addressable fire alarm wireless expander
(network gateway)
module with built-in isolator
ATTENTION: Read carefully this installation Instructions before installing the device!
This manual is subject to change without notice!
General Description
Natron WE-A is an addressable wireless expander (network gateway) module, designed for operation with iRIS8 and iRIS4 addressable fire alarm panels. Natron WE-A is powered directly by the loop line and can be controlled via the communication protocol. Natron WE-A has a built-in isolator module.
Natron WE-A communicates with Natron series wireless devices enrolled to its configuration. The wireless devices are automatically recognized from the fire panel and are set in consecutive addresses after the set address of the expander (network gateway) module. Up to 32 wireless devices can be enrolled to a specific expander (network gateway), forming a linear network. Up to 5 Natron WE-A wireless expander (network gateway) modules can be connected to a single iRIS8/iRIS4 fire alarm control panel.
Natron WE-A is mounted in a compact plastic enclosure box suitable for wall mounting. The information of the status of the enrolled wireless devices is presented on a LCD text display.
A dipole SMA type antenna is supplied with the expander (network gateway) module to ensure wide covering range and stable communication with the enrolled wireless devices.
Functional Features
- Loop powered
- Built-in isolator module
- Up to 5 wireless expander (network gateway) modules to iRIS8/iRIS4 addressable panel
- Up to 32 NATRON series wireless devices enrolled to single Natron WE-A module
- Dipole antenna, SMA connector type
- Event messages for wireless device status: low battery, tamper, lost device
- Menu for reviewing the signal strength of the enrolled devices
- LCD display, dot matrix 16×2
- Multilanguage menus
- Standards applied: EN 54-18; EN 54-17; EN 54-25
Technical Specifications
| Loop Characteristics: – Operating voltage – Nominal consumption, LCD display ON – Nominal consumption, LCD display OFF – Max. consumption, LCD display ON – Max. consumption, LCD display OFF | 17-30V DC 12mA@29V DC 9mA@29V DC 17mA@16V DC 13mA@16V DC |
| Radio frequency | 868MHz |
| Communication type | Bidirectional |
| Communication protocol | NATRON TTE |
| Radio signal modulation type | GFSK |
| Number of frequency channels | 6 pair channels |
| Radiated power | 5 25 mW |
| Receiver category (EN300-220-1) | 2. |
| Max. connected Natron WE-A modules to iRIS8/iRIS4 panel/building | 5 |
| Max. enrolled wireless devices to single Natron WE-A module | 32 |
| Communication range with Natron wireless devices (open space*) * Depends on system/control panel capacity and building structure | 1500m |
| Trace attenuation | > -90dBm |
| Antenna: – Type – Frequency – Impedance – Type of Radiation – Gain – Connector type – Dimensions | Dipole antenna 866-870MHz, Center 868Mhz 500 Omni-directional 2 dBi SMA Male (Swivel) 242×12.5mm |
| Operation temperature | -10°C to +55°C |
| Related humidity resistance (no condensation) | (93±3)%@ 40°C |
| Enclosure box: – Material – Dimensions – Color – Protection – Weight (with mounted PCB and antenna) | ABS 191x125x6Omm RAL 7024 (graphite grey) IP66/68 – 180g |
Installation Place and Mounting
It is strongly recommended to design the Natron wireless system in advance on paper, before starting the installation. Natron WE-A expander (network gateway) module should be installed at 2-2.5m above the floor level.
Attention: Avoid installation of Natron WE-A module and the wireless devices near to:
- Power lines or other high voltage equipment with large electric consumption.
- Big metal structures – cabinets, pending ceilings, thick concrete walls. Note that, the quality of the signal strength is reduced with 80%, and sometimes with 100% (full reflection) in premises with metal walls or surfaces.
- Fluorescent lamps and lighting fixtures.
- Wi/Fi Routers, wireless telephone stations, computers and network cabling.
General View and Dimensions![]() | Opening the enclosure box![]() |
Mounting holes Use fixing elements according the mounting surface | Positioning of the antenna For achieving the best signal strength and coverage it is recommended the antenna to be mounted in straight up position!The SMA antenna is mounted to the module PCB after installation of the box. The position of the antenna can be adjusted according the mounting place. The antenna’s body can be bent at position of 45° and 90° and is providing continuous rotation on 360° at its base. |
Openings for running cables There are two openings for running cables Ø20mm at the box bottom. | |
Closing the enclosure box![]() |
System Topology
Natron WE-A wireless expander (network gateway) module is powered on directly from the loop line and is addressed like all other addressable devices in the system architecture of iRIS8/iRIS4 fire alarm panel. The enrolled to the module Natron series devices, operate in linear network.
Up to 5 separate Natron WE-A modules can be connected in one iRIS8/iRIS4 system configuration. For optimum operation, plan to ensure at least 2m distance between two modules and the same minimal distance between each device and the module.
Note: In case of connection of 5 modules to a fire alarm panel, they must be set for operation at different frequency channel numbers to avoid delay in operation – see item 16.
PCB Elements
To access the PCB of the module, open the enclosure box (follow the steps described in item 4).
The PCB is factory mounted at the back side of the front cover.
- – 5-position plug terminal block for connection to loop line – see item 7.
- – Micro USB for reading the configuration with ProsTE software.
- – Antenna connector.
- – Button for entering the menus for programming and settings.
- – Tamper button for self-protection of the module’s box.
- – LED indicators – see the detailed description in item 8.
Connection to Loop Line
Natron WE-A is connected and powered directly from iRIS8/iRIS4 loop line. The module is equipped with a built-in isolator module, which can be used or not, according the requirements of the fire alarm installation.
Attention: The connection to the loop line of Natron WE-A must be done with switched off main and back-up power supply of iRIS8/iRIS4 fire alarm panel!
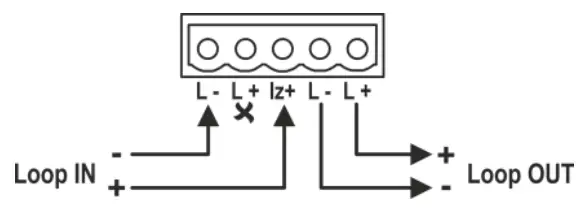
The module is equipped with 5-position plug terminal for easy connection to the loop line. To connect the loop wires just pick up the plug to dismount it from the PCB terminal. Make the electrical connections observing the polarity. Connect the positive input loop line to “Is+” terminal (in the middle) in case the built-in isolator module should be used. Then mount back the 5position plug to the PCB terminal.
Connection with using the built-in isolator
Connection without using the built-in isolator
Description of loop wiring:
“Loop IN -” – Connect negative input wire of the loop line.
“Loop IN +” – Connect positive input wire of the loop line. Connect to “Iz+” terminal in case the built-in isolator module is used.
“Loop OUT -” – Connect negative output wire of the loop line.
“Loop OUT +” – Connect positive output wire of the loop line.
Front Panel
At the front panel of Natron WE-A, are located LCD text display and operation buttons.
- – Antenna (mounted to the antenna connector on the PCB).
- – LCD text display, dot matrix 16×2.
- – LED indication for the module status:
Symbol LED State Description 
red Blinking at 10 sec intervals Communication with the control panel iRIS8/iRIS4. Lighting on Selected device from iRIS8/iRIS4 panel (button TURN ON/ OFF). 
green Lighting on Programming mode entry. - – Operation buttons:
Button Function Description 
ENTER Enter in selected programming menu. Confirmation of operation or introduced settings. 
CANCEL Exit from programming menu. Reject the operation or introduced settings. 
UP/DOWN Button for scrolling up/down the programming menus or available settings.
Addressing of Natron WE-A to iRIS8/iRIS4 Fire Alarm Panel
Every Natron WE-A module has a factory ID number for addressing in iRIS8/iRIS4 fire alarm control panel. After the connection to the loop line and power-up of the module, the iRIS8/iRIS4 panel will recognize it automatically with system name “Natron WE-A”.
Attention: Natron WE-A module takes one address number as loop connected device. The following 32 address numbers will be kept reserved for all Natron series wireless fire alarm devices enrolled to that specific module.
It is recommended to plan the system configuration in advance as:
– In new installation, add the expander (network gateway) module as first device to the loop.
Thus, you will reserve the next 32 addresses ensuring the future expanding with wireless devices avoiding doubling of addresses and other system conflicts.
– In present installation, research the free addresses in the loop. You need of 33 consecutive free address numbers in the loop line to ensure the normal addressing of the wireless devices.
Note: Never add Natron WE-A module between other present already taken addresses in the configuration. That will result in system conflicts and doubling of addresses! The enrolled devices will be set automatically in consecutive addresses following the order and numbering of enrollment to the module.
All added devices to iRIS8/iRIS4 configuration must be saved with pressing “APPLY” button on the upper left corner of the screen. The ID number, software revision and the available setting for the device are available after pressing the MORE button.
Attention: If the wireless expander (network gateway) module is deleted from iRIS8/iRIS4 system configuration (REMOVE button), the wireless devices saved at the next addresses will be deleted too from the iRIS8/iRIS4 system configuration.
Initial Power-up of Natron WE-A
- Research the fire installation and choose loop line providing at least 33 free consecutive address numbers.
- Switch off the main and back-up power supply of iRIS8/iRIS4 fire alarm panel.
- Open the enclosure box of the expander (network gateway) module and mount it on the place of installation – see item 4.
- Connect Natron WE-A module to the loop line observing the polarity of the connection – see item 7.
- Switch on the main and back-up power supply of iRIS8/iRIS4 panel.
- Message “New loop device found” on the screen of iRIS8/iRIS4 panel will appear.
- At access level 3 of iRIS8/iRIS4, enter in SYSTEM-PROGRAMMING-DEVICES-LOOP menu and find the current taken address number* of the module – iRIS8/iRIS4 will recognize the device as “Natron WE-A” with current system status “New”. Press APPLY button to save the module in the system configuration. The current status of the module will change to “Normal”.
- Mount the antenna and enroll wireless devices to Natron WE-A module – see item 12. The devices are added at the reserved consecutive address numbers after the address number of the expander (network gateway) module. Press APPLY button at the settings screen of every wireless device to save it to iRIS8/iRIS4 configuration.
- Close the enclosure box of the module. Set the position of the antenna for best signal strength and coverage – see item 4.
- Check the signal strength of every wireless device and test its operation in case of fire alarm condition – see item 15.
*Note: After saving, you can change the set address and loop number of the Natron WE-A module, but pay strong attention of that the enrolled wireless devices to it will be also preset at new addresses consecutive to the new address of the module.
The access to programming mode and setup menus of Natron WE-A wireless expander (network gateway) module is limited for support engineers and maintenance technicians only.
At normal operation mode, with no fault conditions, the screen of Natron WE-A is switched off and only the red LED for communication with wireless devices is blinking in 10 seconds intervals.
Pressing any of the operation buttons will activate the screen, as according the current state of the expander (network gateway) module, NATRON text or fault/warning message will appear. To enter in programming mode, you have to open the enclosure box and single press the programming button on the control module’s PCB – see item 6, position 4.
The scrolling between available menus is realized with UP/DOWN operation buttons. The confirmation of set parameters is with ENTER button and rejecting and exit from current menu – with CANCEL button – see item 8, position 4.
The SETUP MENU includes the following main menus for operation and settings:
| No | Menu | Short description | See details |
| 1 | ADD DEVICE | Enrolling wireless devices to module’s configuration. | Item 12 |
| 2 | REMOVE DEVICE | Deleting wireless devices from module’s configuration. | Item 13 |
| 3 | FIND DEVICE | Finding location and operation test of wireless devices. | Item 14 |
| 4 | DEVICE RSSI | Checking the signal strength between the module and a selected device. | Item 15 |
| 5 | CHANNEL SETUP | Setting a frequency channel number. | Item 16 |
| 6 | LANGUAGE | Set the language of the menus. | Item 17 |
The exit of the setup menus can be done at any time with pressing the programming button on the control PCB – see item 6, position 4. The exit is also automatic after 2 minutes if there is no activity with the module (pressed operation button).
Enrolling of Wireless Devices
Natron WE-A wireless expander (network gateway) module supports operation with Natron series wireless devices. The enrolment algorithm is common for all devices.
- Prepare the device for enrolment. Remove the mounting base to access the PCB with the batteries compartment. The batteries of all new devices are protected from activation with a folio strip.
Note: If the device is not new, you have to reset it before enrolment to the module. To reset a device, power it on with the batteries and after that press and hold ENROLL button for 5-7 seconds. The reset is complete when the LEDs of the device flash 3 times in green, followed from 1 long flash in red and 1 long flash in green. - Enter in programming mode of Natron WE-A. Select menu 1. ADD DEVICE and press ENTER button. A list with already enrolled devices is shown on the screen with an order number and type of the device: SD (optical-smoke detector), TD (heat detector), MD (combined detector), MCP (manual call point), WSS (sounder with strobe), MIO (input-output module) – you can find detailed information about the wireless devices in their installation manuals.
- Scroll down to find a free address to enroll the device. The free address is labeled as EMPTY.
- Press ENTER button. Message SEARCHING >>> (arrows are blinking) appears on the screen showing that the module is scanning for signals from wireless device in its covering range.
Note: If there is no signal from the device in 2-minute period, the module will exit automatically the programming mode. - Power on the wireless device. If the device is new just remove the protective folio from the batteries – the enrolling process starts automatically. If the device is powered and reset – single press the ENROLL button. The LEDs of the device start flashing in red.
- In case of successful enrolment, the LEDs of the device flash 3 times in green, the message DONE appears on the screen and then the module automatically moves to the next free address in the list. The enrolled wireless device is added to the list with its specific type.
- Test the signal strength between the wireless device and the expander (network gateway) module. Single press the ENROLL button of the device and wait for the LED indication:
– 3 flashes in green – excellent signal strength;
– 3 flashes in orange – good signal strength; but, if possible, change the place of installation;
– 3 flashes in red – poor signal strength; it is obligatory to change the place of installation.
You can also check the signal quality for the device in 4. DEVICE RSSI menu – see item 15. - If the signal quality and strength are excellent or good, mount the device at installation place*.
- In iRIS8/iRIS4 programming menus, find the new enrolled wireless device and save it with APPLY button to the system configuration*.
* Refer to the installation manual of the device for detailed information.
Deleting of Wireless Devices
The enrolled wireless devices can be completely removed from the module’s configuration. The removed devices are automatically deleted from the iRIS8/iRIS4 system configuration.
It is recommended after removing of wireless devices from the module’s configuration to reset the iRIS8/iRIS4 fire alarm panel. The procedure of removing is common for all devices.
- Enter in programming mode of Natron WE-A. Scroll to menu 2. REMOVE DEVICE and press ENTER button. A list with present enrolled devices is shown on the screen with an order number and type of the device.
- Find in the list the device which you want to remove. (Note: You can check if this is the exact device for removing as first perform finding device procedure – see item 14.)
- Press ENTER button. Message “Are you sure?” will appear on the screen.
- Confirm the removing with ENTER button. Or reject the action with CANCEL button.
- In case of successful removing, the message DONE appears on the screen and then the module automatically moves to the first number in the list, regardless there is enrolled device to it or not.
- Press CANCEL button to exit the menu for removing devices.
- Reset iRIS8/iRIS4 fire alarm panel.
Finding of Wireless Devices
This is a procedure that helps the engineer to find the exact location of every wireless device in the fire installation and test the connection with module. The Natron series wireless fire alarm detectors are equipped with built-in buzzed for addition audio signalization in addition to the visual LED indication. The procedure of finding is common for all devices.
- Enter in programming mode of the module. Scroll to menu 3. FIND DEVICE and press ENTER button. A list with present enrolled devices is shown on the screen with an order number and type of the device.
- Find in the list the device which you want to locate in the fire installation.
- Press ENTER button. Message FINDING >>> (arrows are blinking) appears on the screen showing that the module is scanning for signals from the selected wireless device. The message will change for a while to FINDING DONE in case of success.
- The device will respond with activated indication and signalization depending on its type:
Device Type Signalization Action TD Heat detector LEDs
+
SoundLEDs are flashing in orange accompanied with short sound signals. SD Optical-smoke detector MD Combined detector WSS Sounder with strobe LEDs are flashing accompanied with short sound signals. MCP Manual call point LED The status LED is flashing in red. MCP-DE Manual call point MIO Input-output module - The module will exit automatically the finding procedure after 70-80 seconds. You can also stop the procedure at any time with pressing CANCEL button.
- Press CANCEL button again to exit from the menu for finding devices.
Checking the Signal Quality (RSSI)
This is a menu for checking the RF signal quality between wireless devices and expander (network gateway) module. The signal quality is assessed in [dB] as it can be measured and displaced for every of the devices. The procedure of checking RSSI is common for all devices.
- Enter in programming mode of the module. Scroll to menu 4. DEVICE RSSI and press ENTER button. A list with present enrolled devices is shown on the screen with an order number and type of the device.
- Find in the list the device for which you want to check the current RSSI.
- Press ENTER button. The RSSI signal quality for the device is displayed. Refer to the table below:
Signal quality Level RSSI Description < -90 dB Loss Bad signal or no connection. -90 ÷ -70 dB Good The signal is satisfactory but needs improvement. It is
recommended to change the installation place of the device.> -70 dB Excellent Excellent signal. - You can exit the menu at any time with pressing CANCEL button.
- Press CANCEL button again to exit from the menu for checking the signal quality.
Note: You can check the signal quality of every of the wireless devices also in iRIS8/iRIS4 fire alarm control panel. At access level 3, enter SYSTEM-PROGRAMMING-DEVICES-LOOP menu and find the address of the wireless device. Press MORE button two times. On the screen are displayed two static fields:
- Channel – Here is displayed the number of the frequency channel currently used for communication between the expander (network gateway) module and the wireless device.
- RSSI – Here is displayed the signal quality and its meaning.
Channel Setup
Natron series wireless devices communicate with the expander (network gateway) module via 6 different frequency pair channels. The installer can set operation via specific channel pair from 1 to 6, or to set automatic choice of the frequency channel. Basically, the installer can assess which channel has the lowest noise and interference level and to set the wireless system to operate on that exact channel.
To set a frequency channel, enter in programming mode and scroll to menu 5. CHANNEL SETUP.
Press ENTER button. Set a number of pair channels using the arrow buttons, or set AFA (Automatic Frequency Agility) option for automatic choice of the frequency channel. The current displayed setting on the screen will be saved when you exit the menu with CANCEL button.
Note: When in a fire alarm system are connected the maximum number – 5 pcs – of wireless expander (network gateway) modules, they must be set for operation at different frequency channel numbers to avoid delay in operation.
Setting the Language
The menus of Natron WE-A are available in different languages. To change the language of the menus, enter programming mode and scroll to 6. LANGUAGE menu. Press ENTER button. Use the arrow buttons to review the languages. The currently displayed language will be automatically set when you exit the menu with CANCEL button.
Events Reviewing Mode
Natron WE-A wireless expander (network gateway) module informs the users about different type of events concerning the current state of wireless devices enrolled to its configuration.
In case of alarm, fault or warning event, it is displayed first on the screen of iRIS8/iRIS4 fire panel (Faults menu). To review the active messages for events from the module itself, the user has to press a random button on its front panel. The messages can be reviewed with arrow buttons, as the fire alarm and fault messages are with higher priority and are shown first, regardless their current number in the list.
The meaning of the displayed messages is as follows:
| Message | Type | Description |
| Fire Alarm | Alarm | The message is with the highest priority and is displayed in case if fire alarm event – activation of wireless fire detector or call point. |
| Device Lost | Fault | There is no communication between the module and a wireless device. The possible reasons might be: no power supply of the device (absence or discharged batteries), signal lost or jamming. |
| High Dust | Fault | The smoke chamber of a fire detector is dirty and must be cleaned immediately. |
| Chamber Fault | Fault | There is a problem with the smoke chamber of a wireless device. |
| Tamper | Warning | Open tamper switch of a wireless detector or sounder – the device has been removed from its base. |
| Low Battery | Warning | The level of the power batteries is low. The batteries must be changed in one month time period after this message is displayed. |
The message for the event is displayed always on the first row and on the second is displayed the order number of the device in the module’s configuration and its type:
In the example above, after pressing a random button at the front panel, the fault message is displayed at first place, because of its higher priority. Use the arrows to review if there are other messages with lower priority.
The exit from the events’ reviewing mode is automatic after 2 minutes, if there is no button pressed or other operation.
If currently there are no events, after pressing a random button, only NATRON text is displayed on the screen.
The settings menu of Natron WE-A wireless expander (network gateway) module is accessed at Level 3. Enter in SYSTEM-PROGRAMMING-DEVICES-LOOP menu and find the address number of the module.
Press MORE button to review the factory ID number and the software version of the module:
Press EXIT button to move back to the settings screen of Natron WE-A.
Fields description:
- System Name
- System Status – Inactive text field with the current operation status of the module: New, Normal, Fault, Type Error, Double Address.
- Operation Status – Active button for changing operation status of the device: Enabled/Disabled.
- Remove Button – Use it to remove the module from the iRIS8/iRIS4 configuration. Note: If the module is removed, all wireless devices saved on the following addresses will be removed too.
- Device Name – Active text field for entering text. Press the field and enter a specific description of the module up to 40 symbols.
- Address – This is the address number of the module in iRIS8/iRIS4 panel. Use the arrows to review the devices set on the next or previous address.
- Loop Number – This is the loop number to which the module is connected.
- Device Zone – Use the arrow buttons to attach a zone number (1-200 iRIS8; 1-96 iRIA4) for the module. All changes are saved with the APPLY button.
- MORE Button – Press the button to access more settings for the module.
- TURN ON/OFF Button – Turns on the red communication LED to check the module current location in the loop.
- LED Blink ON/OFF Button – Active button for enabling (ON set) or disabling (OFF set) the LED indication for communication with iRIS8/iRIS4 panel.
- Inactive fields for reviewing the Software revision of the wireless module and the unique ID number.
23
2918
DoP No: 226
EN 54-18:2005
EN 54-18:2005/AC:2007
EN 54-17:2005
EN 54-17:2005/AC:2007
EN 54-25:2008
Teletek Electronics JSC
Address: 2 Iliyansko Shose Str,
1220 Sofia, Bulgaria
18021249, RevB, 07/2023


Use fixing elements according the mounting surface
For achieving the best signal strength and coverage it is recommended the antenna to be mounted in straight up position!
There are two openings for running cables Ø20mm at the box bottom.
















