GW 10 794H KNX Timed Thermostat
Instruction Manual
Timed thermostat / Programmer T+H KNX – flush-mounting![]()
GW 10 794H – GW 12 794H – GW 13 794H
GW 14 794H – GW 15 794H
GW 10 794H KNX Timed Thermostat

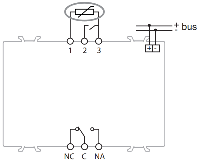
- Input for external temperature probe sensor
- Auxiliary input for potential-free contact
- Common for inputs
- NO Output
- NC Output
- Common for outputs
- Programming LED
- Programming key
- Bus terminal
- Fixing screw
- Light intensity sensor
with external temperature probe sensor

with potential-free contact


- Bus cable
- Electrical continuity conductor
- Shielding

- Bus device connection
- Bus device connection





– Device safety is only guaranteed when the safety and usage instructions are respected, so keep them handy. Make sure these instructions are received by the installer and end user.
– This product must only be used for the purpose for which it was designed. Any other form of use should be considered improper and/or dangerous. If you have any doubts, contact the GEWISS SAT technical support service.
– The product must not be modified. Any modification will annul the warranty and may make the product dangerous.
– The manufacturer cannot be held liable for any damage if the product is improperly or incorrectly used or tampered with.
– Contact point indicated for the purposes of fulfilling the applicable EU directives and regulations:
GEWISS S.p.a. Via A. Volta, 1 – 24069 Cenate Sotto (BG) – Italy Tel.: +39 035 946 111 – [email protected]
If the crossed-out bin symbol appears on the equipment or packaging, this means the product must not be included with other general waste at the end of its working life. The user must take the worn product to a sorted waste centre, or return it to the retailer when purchasing a new one. Products for disposal can be consigned free of charge (without any new purchase obligation) to retailers with a sales area of at least 400 m², if they measure less than 25cm. An efficient sorted waste collection for the environmentally friendly disposal of the used device, or its subsequent recycling, helps avoid the potential negative effects on the environment and people’s health, and encourages the re-use and/or recycling of the construction materials. GEWISS actively takes part in operations that sustain the correct salvaging and re-use or recycling of electric and electronic equipment.
PACK CONTENTS
1 KNX timed thermostat – flush-mounting
1 BUS terminal
1 Cover
1 Installation manual
BRIEFLY
The KNX flush-mounting timed thermostat with humidity management is used to automatically manage (on a weekly basis) a humidification/dehumidification system alongside a temperature adjustment system, or to interact with the temperature adjustment system and the causes of humidity formation. The temperature and humidity are adjusted by commanding – on a KNX BUS – the KNX actuators that control the heating or air cooling elements, (including the fan coils) and the humidification/ dehumidification elements.
The timed thermostat can work in “autonomous” control mode, to autonomously manage the temperature adjustment system (or parts of it); when combined with the KNX flush-mounting thermostats on the other hand, it can work in “Master” control mode to create multi-area temperature adjustment systems. The hourly profiles are defined on a weekly basis. An independent hourly profile can be programmed for each day of the week, with a 15 minute resolution and without any limit to the daily variations. If an hourly profile is configured to control the HVAC or Setpoint mode of a KNX flush-mounting temperature adjustment probe, the profile parameters can be visualised.
The Setpoint values used by the timed thermostat are the ones configured via ETS, and they can be modified locally and via the BUS (if these options were enabled during the ETS configuration).
The timed thermostat offers:
- 2 types of operation: heating and cooling with independent control algorithms;
- 5 operating modes: OFF (anti-freeze / high temperature protection), Economy, Pre-comfort, Comfort and Automatic;
- 4 heating adjustment temperatures (Teconomy, Tpre-comfort, Tcomfort, Tantigelo (Tanti-freeze));
- 4 cooling adjustment temperatures (Teconomy, Tpre-comfort, Tcomfort, Tprotezione_alte_temperature (Thigh_temperature_protection));
- 2 control modes: Master (if combined with Slave devices) or autonomous;
- 2 control stages: single stage (with single switching command) or dual stage (with dual switching command, for systems with a high degree of thermal inertia);
- 2-way or 4-way system control algorithms (first stage): 2 points (ON/OFF command or 0%/100%), proportional PI (PWM type control or continuous), fan coil (max. 3 speeds);
- control algorithms (second stage): 2 points (ON/OFF or 0% / 100%):
- 1 relay output with NO/NC contact, that can be used by the timed thermostat or other KNX command devices;
- 1 input for a potential-free contact (e.g. a window contact, or as a general input with command function on the BUS);
- 1 input that can be configured for a NTC external temperature sensor (e.g. protection sensor for underfloor heating) or, alternatively, a potential-free contact.
The timed thermostat is powered from the BUS line and is equipped with an LCD display with RGB backlighting, a front light intensity sensor (for automatic display lighting adjustment), 4 command push-buttons, a built-in sensor for detecting the ambient temperature (whose value is sent on the BUS at intervals that can be parameterised, or following a temperature variation, depending on the ETS configuration). There is also a housing for the alkaline batteries (AA, not included), so the date and time are maintained in the event of a BUS voltage drop. The timed thermostat does not have its own humidity sensor, so the relative humidity value must be supplied by an external KNX sensor. The device is configured with the ETS software, to perform the following functions
Temperature control
- at 2 points, with ON/OFF commands or 0%/100% commands;
- integral proportional control, with PWM commands or continuous adjustment (0% – 100%).
Fan coil management
- control of fan coil speed, with ON/OFF selection commands or continuous adjustment (0% – 100%);
- management of 2-way or 4-way systems, with ON/OFF commands or 0% / 100% commands.
Operating mode setting
- from the BUS, with distinct 1-bit objects (OFF, ECONOMY, PRE-COMFORT, COMFORT);
- from the BUS, with a 1-byte object.:
Temperature measurement
- with a built-in sensor;
- combined built-in sensor / KNX temperature adjustment probe / external temperature sensor with definition of the relative weight;
- calculation of the dew temperature;
- setting of 1 threshold associated with the dew point temperature, with BUS commands sent when the threshold is exceeded and restored.
Measuring relative humidity
- relative humidity measurement received from an external KNX sensor;
- estimate of relative humidity in the point where the timed thermostat is installed;
- setting of up to 5 relative humidity thresholds, with BUS commands sent when the threshold is exceeded and restored:
– 1 bit, 2 bit, 1 byte commands to act on the humidification/dehumidification system;
– HVAC mode commands to act (with feedback) on the heating/cooling system;
– setpoint values to act (with feedback) on the heating/cooling system; - calculation of specific humidity;
- indication of the thermal well-being status.
Underfloor probe
- setting of threshold value for floor temperature alarm.
Temperature control for specific zones
In “Master” control mode:
- with transmission of the operating mode towards Slave thermostats;
- with transmission of the Setpoint towards Slave devices;
In “autonomous” control mode: - with local selection of operating mode and Setpoints.
Scenes
- memorisation and activation of 8 scenes (value 0..63).
Hourly profiles
- programming on a weekly basis, with a 7-day program and hourly profiles that can be independently configured for each day;
- the possibility to set up to 12 hourly profiles 2 when used as a timed thermostat, and 10 when used as a time timer; the profiles can be attributed to temperature adjustment or another communication object;
- the possibility to pre-set hourly profiles directly via ETS, with a limit of 4 daily switchovers; the profiles can be attributed to temperature adjustment or another communication object.
Other functions
- setting of the Setpoint (OFF, ECONOMY, PRE-COMFORT, COMFORT) from the BUS;
- setting of the type of operation (heating / cooling) from the BUS;
- transmission of the status information (mode, type), measured temperature and current Setpoint on the BUS;
- setting of the date and time from the BUS;
- transmission of the date and time on the BUS;
- management of the status information arriving from the commanded actuator;
- management of the status signalling for temporarily switching off the timed thermostat;
- auxiliary input for fronts management, brief/prolonged operation, dimmer with single push-button, roller shutters with single push-button, scenes and window contact;
- auxiliary output for controlling the timed thermostat solenoid valve for heating/ cooling, or used as a general output for executing ON/OFF commands, timed commands, priority commands and scene management;
- management of display parameters.
POSITION OF THE COMMANDS
The timed thermostat is equipped with a backlit LCD display and four command push-buttons that can always be accessed. (figure G).
DESCRIPTION OF THE COMMANDS
| COMMAND PUSH-BUTTONS | Symbol |
| 1 Select operating mode / Confirm | |
| 2 Adjust temperature (+) / Visualise pages | |
| 3 Adjust temperature (-) / Visualise pages | |
| 4 Set parameters / Program profiles |
INFORMATION ON THE DISPLAY
| 5 Time / Variable value of the hourly profile / Value shown on the humidity page (Hr = relative humidity; HA = specific humidity; tr = dew point temperature) | |
| 6 Day of the week | |
| 7 Programming mode | |
| 8 Settings menu | SET |
| 9 Battery charge level if the profile flashes: device powered from batteries alone (no BUS) | |
| 10 Heating activation – 1st stage (flame) or 2nd stage (flame+asterisk) if the flame flashes: no/incorrect reception of heating solenoid valve (1st stage) alert if the asterisk flashes: no/incorrect reception of heating solenoid valve (2nd stage) alert | |
| 11 Cooling activation – 1st stage (snowflake) or 2nd stage (snowflake+asterisk). On the humidity page, the asterisk indicates a comfortable environment if the snowflake flashes: no/incorrect reception of cooling solenoid valve (1st stage) alert if the asterisk flashes: no/incorrect reception of cooling solenoid valve (2nd stage) alert | |
| 12 Type of operation: heating (winter) if it flashes: floor temperature alarm in progress | ![]() |
| 13 Type of operation: cooling (summer) | ![]() |
| 14 Party function | ![]() |
| 15 Holiday function | |
| 16 Non-workday program | ![]() |
| 17 Enable remote commands if it flashes: operation on basis of a remote command | |
| 18 Select display page to be viewed | |
| 19 Fan coil operating mode – speed OFF – speed 1 (automatic / manual) – speed 2 (automatic / manual) – speed 3 (automatic / manual) if the fan flashes: no/incorrect reception of fan coil speed alert if the segments flash: the speed set (manually or by algorithm) is waiting to be activated | ![]() |
| 20 Hourly profile visualised (for hourly timer only) | |
| 21 Timed thermostat in “Master” mode | |
| 22 Temperature measured / Time of day / Relative humidity value measured / Specific humidity value / Dew-point temperature value if it flashes: manual forcing of the setpoint, or end of humidity probe monitoring time | |
| 23 Temperature measurement unit | |
| 24 Indication of auxiliary input status (I = contact closed, O = contact open) | |
| 25 Thermal gradient self-learning function | |
| 26 Thermal residual current device | |
| 27 Timed thermostat mode – Economy (in heating mode) – Comfort (in cooling mode) – Pre-comfort (in heating mode and cooling mode) – Comfort (in heating mode) – Economy (in cooling mode) – Anti-freeze / High temperature protection (OFF) or Automatic (AUTO) if the segments flash: the setpoint is temporarily forced | |
| 28 Hourly timer mode – Variable value 1 of hourly profile – Variable value 2 of hourly profile – Variable value 3 of hourly profile – Variable value 4 of hourly profile | |
| 29 Visualise hourly program |
INSTALLATION INSTRUCTIONS
ATTENTION: the device must only be installed by qualified personnel, observing the current regulations and guidelines for KNX installations.
ASSEMBLY
The timed thermostat is made up of two sections: a front, removable part, and a fixed part that must be connected to the Chorus frame.
For all applications where you want to prevent the front being detached from the fixed part (e.g. offices, hotel rooms, etc.), fix the two sections to each other using the screw supplied. (figure H)
CORRECT POSITIONING
To correctly measure the controlled ambient temperature, the timed thermostat must not be installed in niches, near doors or windows, or next to radiators or air- conditioning units, and it must not be in the line of draughts or direct sunlight. (figure I)
RECOMMENDATIONS FOR INSTALLING THE KNX
- The length of the BUS line between the timed thermostat and the power supply must not exceed 350 metres.
- The length of the BUS line between the timed thermostat and the furthest KNX device to be commanded must not exceed 700 metres.
- To avoid unwanted signals and overvoltages, do not use ring circuits.
- Keep a distance of at least 4 mm between the individually insulated cables of the BUS line and those of the electricity line (figure C).
- Do not damage the electrical continuity conductor of the shielding (figure D).
ATTENTION: the unused BUS signal cables, and the electrical continuity conductor, must never touch any live elements or the earthingconductor
ELECTRIC CONNECTIONS
Figure B shows a diagram of the electrical connections.
- Connect the red wire of the BUS cable to the red clamp (+) of the terminal, and the black wire to the black clamp (-). Up to 4 BUS lines can be connected to the BUS terminal (same-coloured wires on the same terminal) (figure E).
- Insulate the shield, the electrical continuity conductor, and the other white and yellow wires of the BUS cable (if a 4-conductor BUS cable is being used), that are not necessary (figure D).
- Insert the BUS clamp in the pins of the device. The correct connection direction is determined by the fixing rails. Insulate the BUS terminal with the special cover, that must be fixed to the device. The cover guarantees the minimum separation distance of 4mm between the power cables and the BUS cables (figure F).
- Connect any inputs and the output contact to the screw terminals on the back of the timed thermostat (figure A).
INSERTING/REPLACING THE BATTERIES
Before proceeding, make sure you have removed the fixing screw that might be holding together the front and the fixed part. (figure L)
To access the timed thermostat battery compartment, separate the removable part from the fixed part by pulling the front towards you.
Insert two 1.5 V (type AA) batteries, housing first the one nearest the connector and respecting the polarities shown (when removing the batteries, follow these steps in the reverse order). When you have finished, reconnect the front to the fixed part.
ATTENTION: – Replace all the batteries at the same time.
– Do not use old and new batteries together.
– Use batteries of the same type (do not mix alkaline batteries with carbon zinc ones).
– Do not throw old batteries into a fire.
– Batteries are classified as special waste, so their disposal is subject to precise legal dispositions and they must therefore be delivered to the appropriate waste collection centres.
USER INSTRUCTIONS
BEHAVIOUR UPON THE FAILURE AND RESETTING OF THE BUS POWER SUPPLY
If power fails on the BUS, the device will not carry out any action. When the power supply resumes, the timed thermostat will reactivate the conditions that were in place prior to the power failure.
The timed thermostat has a buffer battery, so the date and time are maintained even when there is a BUS voltage failure (battery lifespan > 2 years).
If the front is connected to the fixed part, the relay contact will remain open after a power drop and the subsequent resetting of the BUS power supply; if, on the other hand, the front is detached from the fixed part, the relay will remain in the condition it was in before being removed.
MAINTENANCE
The device does not require any maintenance. Use a dry cloth if cleaning is required.
PARAMETER SETTING
Detailed information about how to set the timed thermostat parameters is given in the Programming Manual (www.gewiss.com).
PROGRAMMING WITH ETS
The device must be configured with the ETS software. Detailed information about the configuration parameters and their values is given in the Technical Manual (www.gewiss.com).
TECHNICAL DATA
| Communication | KNX BUS |
| Power supply | via KNX BUS, 29V DC SELV + 2 1.5V AA alkaline batteries (not included) for maintaining the date and time in the event of a BUS voltage failure. |
| Current absorption by the BUS | 10 mA |
| BUS cable | KNX TP1 |
| Command elements | 4 front button keys 1 miniature button key for programming physical address |
| Outputs | 1 relay with NO/NC potential-free contact |
| Max switching current | 5A (cosϕ=1), 250V AC |
| Maximum power for load type | Incandescent and halogen lamps (230V AC): 500W Halogen lamps commanded by electronic transformers: 100W Halogen lamps commanded by ferromagnetic transformers: 200VA Compact fluorescent lamps: 3x23W Motors and gear motors: 100W Use a supply relay for all loads not indicated here |
| Inputs | 1 input for potential-free contact (max. cable length 10m) 1 input for external temperature sensor (e.g. GW 10 800) (NTC 10K) |
| Visualisation elements | 1 RGB colour display with front light intensity sensor for backlighting adjustment 1 red LED for programming physical address |
| Measuring elements | 1 internal sensor adjustment range: 5°C .. +40 °C measurement range: 0°C .. +60 °C measurement resolution: 0.1°C measurement accuracy: ±0.5°C between +10°C and +30°C |
| Temperature adjustment range | T antigelo (T anti-freeze): +2 – +7°C T protezione alte temperature (T high temperature protection): +30 – +40°C Other Setpoints: +5 – +40°C |
| Usage environment | Dry, indoor places |
| Operating temperature | -5 – +45°C |
| Storage temperature | -25 – +70°C |
| Relative humidity | Max 93% (non condensative) |
| BUS connection | 2-pin coupling terminal – Ø 1 mm |
| Electric connections | Screw terminals – max. cable section 2.5 mm2 |
| Degree of protection | IP20 |
| Size | 3 Chorus modules |
| Standard references | Low Voltage Directive 2014/35/EU Electromagnetic Compatibility Directive 2014/30/EU, EN50090-2-2, EN50428 |
| Certifications | KNX |
Follow the instructions and keep them safe for delivery to the end user. Avoid any misuse, tampering and modifications. Comply with the current regulations regarding the systems.
Punto di contatto indicato in adempimento ai fini delle direttive e regolamenti UE applicabili:
Contact details according to the relevant European Directives and Regulations:
GEWISS S.p.A. Via A.Volta, 1 IT-24069 Cenate Sotto (BG) Italy tel: +39 035 946 111 E-mail: [email protected]
According to applicable UK regulations, the company responsible for placing the goods in UK market is:
GEWISS UK LTD – Unity House, Compass Point Business Park, 9 Stocks Bridge Way, ST IVES Cambridgeshire, PE27 5JL, United Kingdom tel: +44 1954 712757 E-mail: [email protected]
+39 035 946 11
8:30 – 12:30 / 14:00 – 18:00
monday – friday
www.gewiss.com
http://qr.gewiss.com/?qrcode=000482


























