ED811FQ15E Induction Hob
Instruction Manual
Scope of delivery
After unpacking all parts, check for any damage in transit and completeness of the delivery.
→ Fig. 1
QR code for the installation video
This is were you will find the QR code for the installation video.
→ Fig. 2
Appliance dimensions
You will find the dimensions of the appliance here
→ Fig. 3
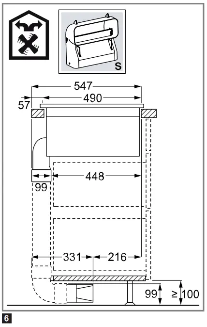
Installation dimensions for flat duct bends
This is where you can find an overview of the installation dimensions for the flat duct bends.
Side view:
→ Fig. 4
→ Fig. 5
→ Fig. 6
Front view:
→ Fig. 7
Installation variants
This is where you can find an overview of the different installation variants.
Odour filter and adapter for circulating-air mode:
→ Fig. 8
Odour filter, diffuser and seal for circulating-air mode:
→ Fig. 9
Acoustics filter and seal for air extraction mode:
→ Fig. 10
Note: Channels suitable for installation can be obtained from customer service, our website or from specialist retailers.
Safety clearances
Comply with the safety clearances for the appliance.
Clearances to the overflow container:
→ Fig. 11
Position of the overflow container:
→ Fig. 12
The performance is optimal at a clearance of 50 mm between the unit back panel and the wall. The performance is reduced at a smaller clearance.
→ Fig. 13
Observe the safety clearances for the worktop cutout.
Do not place any objects in the drawer which exceed the maximum height of the drawer. The objects may come into contact with the base of the appliance and thus disrupt the functions.
→ Fig. 14
General information
- Read this instruction manual carefully.
- Only a licensed expert may connect the appliance.
- Switch off the power supply before carrying out any work.
- Never use this appliance in boats or in vehicles.
- Follow the worktop manufacturer’s recommendations.
Safe installation
Follow these safety instructions when installing the appliance.
The appliance can only be used safely if it is correctly installed according to the safety instructions.
The installer is responsible for ensuring that the appliance works perfectly at its installation location.
WARNING ‒ Danger: Magnetism!
The appliance contains permanent magnets. They may affect electronic implants, e.g. pacemakers or insulin pumps.
- Persons with electronic implants must stand at least 10 cm away from the appliance.
WARNING ‒ Risk of poisoning!
Risk of poisoning from flue gases being drawn back in. Room-air-dependent heat-producing appliances (e.g. gas, oil, wood or coal-operated heaters, continuous flow heaters or water heaters) obtain combustion air from the room in which they are installed and discharge the exhaust gases into the open through an exhaust gas system (e.g. a chimney).
With the extractor hood switched on, air is extracted from the kitchen and the adjacent rooms. Without an adequate supply of air, the air pressure falls below atmospheric pressure. Toxic gases from the flue or the extraction shaft are sucked back into the living space.
- Always ensure adequate fresh air in the room if the appliance is being operated in exhaust air mode at the same time as a room-air-dependent heat-producing appliance is being operated.
- It is only possible to safely operate the appliance if the pressure in the room in which the heating appliance is installed does not drop more than 4 Pa (0.04 mbar) below atmospheric pressure.
This can be achieved whenever the air needed for combustion is able to enter through openings that cannot be sealed, for example in doors, windows, incoming/exhaust air wall boxes or by other technical means. An incoming/exhaust air wall box alone does not ensure compliance with the limit. - In any case, consult your responsible chimney sweep. They are able to assess the house’s entire ventilation setup and will suggest the suitable ventilation measures to you.
- Unrestricted operation is possible if the appliance is operated exclusively in circulating-air mode.
WARNING ‒ Risk of fire!
Grease deposits in the grease filter may catch fire.
- Never work with naked flames close to the appliance (e.g. flambéing).
- Do not install the appliance near a heat-producing appliance for solid fuel (e.g. wood or coal) unless a closed, non-removable cover is available. There must be no flying sparks.
WARNING ‒ Risk of injury!
Changes to the electrical or mechanical assembly are dangerous and may lead to malfunctions.
- Do not make any changes to the electrical or mechanical assembly.
Parts that are accessible during installation may have sharp edges and may lead to cutting injuries.
- Wear protective gloves
The appliance is heavy.
- To move the appliance, two people are required.
- Use only suitable tools and equipment.
WARNING ‒ Risk of suffocation!
Children may put packaging material over their heads or wrap themselves up in it and suffocate.
- Keep packaging material away from children.
- Do not let children play with packaging material.
WARNING ‒ Risk of poisoning!
Risk of poisoning from flue gases being drawn back in.
- Do not emit the exhaust air into a smoke or exhaust gas flue that is in operation.
- Do not emit the exhaust air into a shaft that is used to ventilate installation rooms for heat-producing appliances.
- If the exhaust air is to be conveyed into a smoke or exhaust gas flue, you must obtain the consent of the heating engineer responsible.
Risk of poisoning from flue gases being drawn back in.
- If an extractor hood with an open-flued heat production source is installed, the power supply for the extractor hood must be provided with a suitable safety switch.
Information about the electrical connection
In order to safely connect the appliance to the electrical system, follow these instructions.
WARNING ‒ Risk of electric shock!
It must always be possible to disconnect the appliance from the electricity supply. The appliance must only be connected to a mains socket that has been installed correctly.
- An all-pole isolating switch must be integrated into the permanent electrical installation in accordance with the conditions of overvoltage category III and in accordance with the installation regulations.
- The permanent electrical installation must only be wired by a professional electrician. We recommend installing a residual current circuit breaker (RCCB) in the appliance’s power supply circuit.
- Do not kink or trap the connection cable, and keep it away from sharp edges.
- Route the connection cable in such a way that it does not touch the hot casing.
- Use only the connection cable that is supplied with the appliance or is provided by technical after-sales service.
- This appliance complies with the EC interference suppression regulations.
- The appliance corresponds to protection class 1.
You should therefore only use the appliance with a protective earth connection. - The manufacturer shall assume no liability for malfunctions or damage resulting from incorrect electrical wiring.
Preparing the electrical connection
Requirement: Only after-sales service staff who have been trained accordingly may carry out work on the inside of the appliance or replace the power cord.
- Observe the information about the electrical connection.
An incorrect installation, an improper installation or connection invalidates the warranty. - If a longer mains power cable is required, contact the after-sales service. Connecting cables up to 2.20 m are available.
- On appliances without a preinstalled cable, insert the power cable into the mains socket.
Opening the mains socket
- Use a screwdriver to lift the cover of the mains outlet.
→ Fig. 15
Preparing the mains socket
- Undo the screw.
→ Fig. 16
- Use a screwdriver to lift the hose clamp.
→ Fig. 17
- Undo the hose clamp.
→ Fig. 18
Connecting the cable to the mains socket
- For 3 N, connect the cable to the mains socket in accordance with the following figure.
→ Fig. 19
- For 2 N, connect the cable to the mains socket in accordance with the following figure.
→ Fig. 20
- For 1 N, connect the cable to the mains socket in accordance with the following figure.
→ Fig. 21
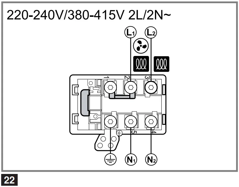
- For 2 L/2 N, connect the cable to the mains socket in accordance with the following figure.
→ Fig. 22
- Note the colours of the cables.
- BN: Brown
- BU: Blue
- GN/YE: Yellow and green
- BK: Black
- GY: Grey
- If required, install the enclosed copper bridges in accordance with the connection diagram.
- Connect the cables and then tighten the screws of the mains socket.
- For a 1 N~ or 2 L/2 N connection in accordance with the connection diagram, 1 corresponds to the fan motor.
- For a 2 N~/3 N~ connection, phase L1 (grey) corresponds to the fan motor.
Secure the cable in the mains socket
- Use the hose clamp to secure the power cord.
- Tighten the screw at the correct position.
- Do not use a cordless screwdriver.
→ Fig. 23
- Do not use a cordless screwdriver.
- To facilitate closing the mains socket, arrange the cables in the central area of the mains socket.
- Close the cover of the mains socket.
Instructions for the exhaust air pipe
The appliance manufacturer does not provide any warranty for faults attributable to the pipeline.
- Use a short, straight exhaust air pipe with as large a pipe diameter as possible.
- Long, rough exhaust air pipes, many pipe bends or small pipe diameters reduce the suction power and increase the fan noise.
- Use an exhaust pipe that is made of non-combustible material.
- To prevent condensate from returning, fit the exhaust pipe with a 1° gradient from the appliance.
Flat ducts
Use flat ducts with an inner cross-section that corresponds to the diameter of the round pipes:
- Diameter of 150 mm corresponds to approx. 177 cm².
- Use sealing strips for different pipe diameters.
- Do not use any flat ducts with sharp bends.
Round pipes
Round pipes with an inner diameter of 150 mm.
Instructions for the air extraction mode
For air extraction mode, a one-way flap should be installed.
Notes
- If a one-way flap is not included with the appliance, one can be ordered from a specialist retailer.
- If the exhaust air is conveyed through the external wall, a telescopic duct should be used.
Checking the units
- Check whether the fitted unit is level and has sufficient load-bearing capacity.
The maximum weight of the appliance is approx. 25 kg.
The worktop into which you are fitting the appliance must be able to withstand loads of approx. 60 kg. - Ensure that the stability of the fitted unit is also guaranteed following cut-out work.
- Use suitable substructures to ensure the loadbearing capacity and the stability, particularly in the case of thin worktops.
- Take the appliance weight, including additional load, into consideration.
- Use heat-resistant and moisture-resistant reinforcement material.
- Ensure that the fitted unit is heat-resistant up to 90 °C.
- Do not support any other appliances, e.g. ovens, refrigerators, dishwashers or washing machines.
- Only check that the appliance is level once it has been installed in the installation opening.
Preparing the units
Requirement: The fitted units must be heat-resistant up to 90 °C.
- Mark the unit cut-out in accordance with the installation diagram.
→ Fig. 14 - Drill four holes with a diameter of 6 mm.
→ Fig. 24
- Ensure that the angle of the cut surface to the worktop is 90°.
→ Fig. 24
Observing the minimum clearances when installing above a drawer
- When removing the overflow container on integrated appliances, take the minimum clearances into consideration.
→ Fig. 11 - Observe the position of the overflow container.
→ Fig. 12
Preparing the unit for circulating-air mode with the adapter
- Observe the relevant dimensions when combining with the adapter for the cut-out in the back wall.
→ Fig. 25
- Use the template to create the cut-out in the back wall.
- In circulating-air mode, establish an air outlet in the unit’s plinth.
- Provide a minimum air outlet cross-section of approx. 440 cm².
- To keep the draught and noise low, ensure that the outlet opening in the base panel is as large as possible.
- To guarantee that the appliance works correctly, ventilate the hob appropriately via an air outlet with a minimum cross-section of 200 cm² in the base unit.
- After making the cut-outs, remove any shavings.
- Seal the cut surfaces so that they are heat-resistant and waterproof.
→ Fig. 24
Preparing the unit for circulating-air mode with a circulating-air duct
- If required, remove the unit’s back wall.
- Observe the relevant dimensions when combining with the flat duct elbow for the cut-out in the back wall.
→ Fig. 26
- In circulating-air mode, establish an air outlet in the unit’s plinth.
- Provide a minimum air outlet cross-section of approx. 440 cm².
- To keep the draught and noise low, ensure that the outlet opening in the base panel is as large as possible.
- To guarantee that the appliance works correctly, ventilate the hob appropriately via an air outlet with a minimum cross-section of 200 cm² in the base unit.
- After making the cut-outs, remove any shavings.
- Seal the cut surfaces so that they are heat-resistant and waterproof.
→ Fig. 24
Preparing the unit for air extraction mode
- If required, remove the unit’s back wall.
- Observe the relevant dimensions when combining with a flat duct elbow for the cut-out in the back wall.
→ Fig. 27
- After making the cut-outs, remove any shavings.
- Seal the cut surfaces so that they are heat-resistant and waterproof.
→ Fig. 24
Installing the appliance
WARNING ‒ Risk of injury!
Parts that are accessible during installation may have sharp edges and may lead to cutting injuries.
- Wear protective gloves
The appliance is heavy. - To move the appliance, two people are required.
- Use only suitable tools and equipment.
- Install the appliance for air extraction mode
→ Page 22, circulating-air mode → Page 21 or circulating-air mode with circulating-air duct → Page 22.
Note: The appliance is only intended for flush installation.
Installing the appliance for circulating-air mode with adapter
Note: When installing directly on a non-insulated outer wall (µ ≥ 0.5 W/m² °C), we recommend a configuration with circulating-air duct.
- For the circulating-air mode, use the adapter and the odour filter.
- Ensure that the clearance between the appliance and the rear panel of the unit is between 10 and 80 mm.
Attaching the adapter
- Clean and degrease the adhesive surface around the cut-out in the unit’s back panel.
- Insert the adapter into the outlet opening on the rear of the hob.
→ Fig. 28
- Remove the adhesive tape’s protective film from the adapter.
→ Fig. 29
Inserting the appliance into the worktop cut-out
- Ensure that the connection cable is connected to the appliance.
- Carefully insert the appliance into the worktop cutout.
→ Fig. 30
Securing the adapter
- Hold the adapter at the central holder and use the side holders to slide it towards the unit’s back panel in the base unit, then affix it.
→ Fig. 31
- If required, also use screws to secure it.
→ Fig. 32
Installing the appliance for air recirculation mode with circulating-air duct
- For circulating-air mode, use the seal, the circulating-air duct, the diffuser and the odour filter.
- Observe the dimensions for the different flat duct bends. → Page 18
Securing the seal
- Secure the seal on the flat duct elbow at a maximum of 5 mm from the edge.
→ Fig. 33
Inserting the flat duct elbow
- Insert the flat duct elbow into the outlet opening on the rear of the appliance.
→ Fig. 34
Inserting the appliance into the worktop cut-out
- Ensure that the connection cable is connected to the appliance.
- Carefully insert the appliance into the worktop cutout.
→ Fig. 35
Establishing the pipework between the appliance and the diffuser
- Connect the components of the circulating-air duct to each other.
→ Fig. 36
- Connect the circulating-air duct to the flat duct elbow on the rear of the hob.
→ Fig. 37
- Connect the diffuser to the circulating-air duct.
→ Fig. 38
Install the appliance for air extraction mode
- For air extraction mode, use the seal and the acoustics filters.
- Observe the instructions for the exhaust air pipe. → Page 20
Securing the seal
- Secure the seal on the flat duct elbow at a maximum of 5 mm from the edge. → Fig. 33
Establishing the piping
- Insert the flat duct elbow into the outlet opening on the rear of the appliance. → Fig. 34
- If required, install additional piping elements.
Inserting the appliance into the worktop cut-out
- Ensure that the connection cable is connected to the appliance.
- Carefully insert the appliance into the worktop cutout. → Fig. 35
Connecting the exhaust air pipe
- Secure the exhaust air pipe to the flat duct bend.
- Establish the connection to the exhaust air opening.
- Seal the joints appropriately.
Inserting filters
Note: For circulating-air mode, insert the odour filters.
For air extraction mode, insert the acoustics filters.
- Observe the filters’ air flow direction.
- Insert two of the filters into the left and right of the appliance, and slide them forwards.
→ Fig. 39
- Insert the other filters into the left and right of the appliance.
→ Fig. 40
Inserting grease filters
- Insert the grease filter.
→ Fig. 41
Establishing the connection to the power supply
- Observe the connection data on the rating plate.
- For 3 N, connect the cable to the mains socket in accordance with the figure.
→ Fig. 42
- For 2 N, connect the cable to the mains socket in accordance with the figure.
→ Fig. 43
- For 1 N, connect the cable to the mains socket in accordance with the figure.
→ Fig. 44
- For 2 L/2 N, connect the cable to the mains socket in accordance with the figure.
→ Fig. 45
- Note the colours of the cables.
- BN: Brown
- BU: Blue
- GN/YE: Yellow and green
- BK: Black
- GY: Grey
- If required, arrange the supplied wire end ferrules differently depending on the type of connection.
- To connect two cables, if required, use a wire end ferrule.
- Shorten the wires.
- Remove the insulation.
Checking the function
- Switch on the appliance.
- If , or lights up, the appliance is not connected correctly.
- “Checking and correcting the electrical connection”, Page 22
- If no faults appear in the appliance’s display, use the operating instructions to check that the ventilation is working.
Checking and correcting the electrical connection
- Disconnect the appliance from the power supply.
- Check whether the connection to the appliance (fig. 4) and the building-side connection (fig. 8) correspond to the connection diagram in these installation instructions.
- “Preparing the electrical connection”, Page 20
- “Establishing the connection to the power supply”, Page 22
- For 3 N, observe the following figure.
→ Fig. 46
- For 2 N, observe the following figure.
→ Fig. 47
- For 1 N, observe the following figure.
→ Fig. 48
Switching the display for air extraction mode
- If required for the air extraction mode and the air recirculation mode, change the display of the electronic control in the basic settings.
- Observe the basic settings section in the instruction manual.
Removing the appliance
ATTENTION!
Tools may damage the appliance frame.
- Do not prise out the appliance from above.
- Disconnect the appliance from the power supply.
- Remove the exhaust air duct or undo the circulating-air connections.
- Remove the silicone joint.
- Push out the appliance from below.
BSH Hausgeräte GmbH
Carl-Wery-Straße 34
81739 München, GERMANY
siemens-home.bsh-group.com
Valid within Great Britain:
Imported to Great Britain by
BSH Home Appliances Ltd.
Grand Union House
Old Wolverton Road
Wolverton, Milton Keynes
MK12 5PT
United Kingdom
Manufactured by BSH Hausgeräte GmbH under the trademark licence of Siemens AG















































