


PDRYCB320
Dry Contact for Thermostat
| Electrical: | |
| Power Supply | 12 VDC (from indoor unit) |
| Surrounding Conditions: | |
| Operating Temperature | 14 to 1580F |
| Storage Temperature | ‐4 to 1760F |
| Humidity | 0 to 98% (non‐condensing) |
| Unit Data: | |
| Dimensions | 4‐1/8″ W x 3‐1/16″ H x 1‐3/8″ D |
| Contact Rating | 3A @ 125 VAC |
| Connectivity: | |
| LG Communications | 30” Wiring Harness (included) |
Standard Features:
- Control indoor unit operation with 3rd party thermostat or controller
- Inputs for control of Unit On/Off, Thermo On/Off, Mode (Cool/HeaFan), and Fan Speed (Low, Med, High).
- Universal input to set a desired setpoint using DC Voltage or resistance.
- Setpoint Tracking Logic for improved inverter utilization.
- Outputs for Operation and Error Status.
- Compatible with all Multi V and select DFS units.
Notes:
- For a complete list of compatible IDUs, contact your LG representative.
- Must follow installation instructions in the applicable LG installation manual.
Wiring:
For setting desired temperature using Universal Input:
2.5 ‐ 8.5 VDC (640F to 860F)
2.8 ‐ 8.5 (kOhm) (640F to 860F)

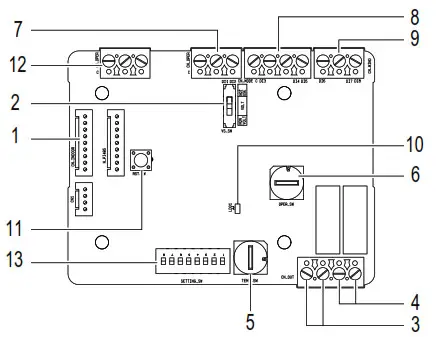
Parts Description:
CN_INDOOR: Connector for indoor unit.- VS_SW: Switch to select External Voltage or Non-Voltage for input contact signal.
- CN_OUT (O1, O2): Output terminal to show whether the indoor unit is operating (Relay contact).
- CN_OUT (E3, E4): Output terminal to show whether there is an error with the indoor unit (Relay contact).
- TEMP_SW: Switch to set the desired temperature of the indoor unit.
- OPER_SW: Switch to select whether to use a set function of Dry contact.
- CN_OPER: Input terminal for thermo & operation signal.
- CN_MODE: Input terminal for Mode signal.
- CN_WIND: Input terminal for Windsignal.
- LD01: LED to display the status of Dry contact Module.
- RST_SW: Reset switch.
- CN_AI: Input terminal for Universal Input. 13.SETTING_SW: Switch to select the Universal Input.
For input contact voltage: DC 5‐12 V, 24 V~

SB_DryContact_Therm_PDRYCB320_2020_01_30_093624
or continual product development, LG reserves the right to change specifications without notice. © LG Electronics U.S.A., Inc., Englewood Cliffs, NJ. All rights reserved. “LG Life’s Good” is a registered trademark of LG Corp. /www.lghvac.com
CN_INDOOR: Connector for indoor unit.


















