
ELECTRICAL WINCH
S17500
S20000
Assembly & Operating Instructions
INTRODUCTION
Congratulations on your purchase of a high-quality winch. We design and build winches to strict specifications and with proper use and maintenance will bring you years of satisfying service.
WARNING – Read, study and follow all instructions before operating this winch. Failure to read these instructions may result in personal injury and/or property damage.
Your winch can develop tremendous pulling forces and if used unsafely or improperly could result in property damage, serious injury, or death. Throughout this manual, you will find the following symbols for caution, warning, and danger.
Pay particular attention to the notes preceded by these symbols as they are written for your safety. Ultimately, the safe operation of this device rests with you, the operator.
CAUTION This indicates a potentially hazardous situation, which if not avoided, may result in minor or moderate injury. This notation is also used to alert you against unsafe practices.
CAUTION This indicates a potentially hazardous situation, which if not avoided, could result in death or serious injury.
GETTING TO KNOW YOUR WINCH
Your winch is a powerful piece of machinery. It is important that you understand the basics of its operation and specifications so that when you need to use it, you can use it with confidence and safety. Below is a list of the components of your winch and their use. You should practice using your winch before you are in a situation where you need to use it.
- This winch is engineered for maximum line pull with only one layer of cable spooled onto the winch drum (the first layer).
- Motor: Your8hp/8.6hp motor is powered by a 12/24 volt battery and provides power to the gear mechanism which turns the drum and winds the wire rope;
- Winch Drum: The winch drum is the cylinder on which the wire rope is It can feed or wind the rope depending on the remote winch switch.
- Wire Rope (cable): Your winch has a 15/32″X87′ galvanized aircraft cable designed specifically for load capacity rating The wire rope feeds onto the drum in the “under wind” position through the roller fairlead and is looped at the end to accept the Bevis hook pin.
- Roller Fairlead: When using the winch at an angle the roller fairlead acts to guide the wire rope onto the drum and minimizes damage to the wire rope from abrasion on the winch mount or
- Mechanic Gear System: The reduction gears convert the winch motor power into extreme pulling
- Braking System: Braking action is automatically applied to the winch drum when the winch motor is stopped and there is a load on the wire rope. A separate mechanical brake applies the braking
- Free Spooling Clutch: The clutch allows the operator to manually disengage (“CLUTCH our) the spooling drum from the gear train, free spool. Engaging the clutch (“CLUTCH IN”) locks the winch into the gear
- Solenoid: Power from the vehicle battery flows through the weather-sealed switch before being directed to the winch
- Remote Lead: The Power switch leads have a dual switch for powering in or powering out your winch drum. The remote leads allow you to stand clear of the wire rope when the winch is under load.
- Wireless Remote Control: allow you to control winch up to 50 Ft away. (Only available on 12v)
- Universal Flat Bed Mounting Plate: Your winch could have been optionally supplied with a flat bed mounting channel that can be mounted to most flat surfaces such as trailers, step bumpers, truck beds, etc. Our IST640 mounting channel also has holes to accept your roller fairlead as well as mounting for 17500/20000lbs winches.
- Snatch Block: If Your winch is supplied with a snatch block that can double the pulling power of the winch, or change the pulling direction without damaging the wire rope. We recommend you to use double line and snatch block for pulling over 70% of the rated line pull.
SAFETY PRECAUTIONS
| Layer | Rated line pull lbs (kgs) | Total rope on the drum ft (m) | |||||
| 1 | 17500 | (7938) | 20000 | (9072) | 18.0 | (6.0 | ) |
| 2 | 14140 | (6414) | 16160 | (7330) | 41. | ( 13.0 | ) |
| 3 | 11862 | (5381) | 13557 | (6149) | 66. | ( 21.0 | ) |
| 4 | 10217 | (4634) | 11677 | (5297) | 87. | ( 26.5 | ) |
WARNING![]()
WARNING – Do not exceed the rated capacity shown in this table.
WARNING – Intermittent use only. Allow winch to cool between uses.
WARNING – Do not use a winch to lift (vertically)
WARNING – Do not use a winch to pull or move people in any way.
WARNING – NEVER cut, weld, or modify any part of the winch or cable.
WARNING – Never use your winch as securing device and DO NOT excessively lower loads.
WARNING – A minimum of five wraps of cable around the drum barrel is necessary for pulling and holding the rated load.
WARNING – Keep yourself and others at a safe distance to the side of the cable when it is under tension.
WARNING – The wire rope may break before the motor stalls. For heavy loads at or near rated capacity, use a pulley block/snatch block to reduce the load on the wire rope.
WARNING – Never step over a cable, or go near a cable under load (under tension).
WARNING – Don’t move the vehicle to pull a load (towing) on the winch cable.
This could result in cable breakage.
WARNING- Disconnect the remote control and battery leads when not in use.
WARNING- Avoid “shock loads” by using the control switch intermittently to take up the slack in the wire rope. “Shock loads” can far exceed the rated capacity for the wire rope and drum.
WARNING- When re-spooling the cable ensure that the cable spools are in the under-wind position with the cable entering the drum from the bottom, not the top. To spool correctly you should keep a slight load on the cable while pushing the remote button to draw in the cable. Walk toward the winch not allowing the cable to slide through your hands. Do not let your hands get within 12″ of the winch while re-spooling. Turn off the winch and repeat the procedure until a few feet of cable is left. Disconnect the remote control and finish spooling by hand by rotating the drum by hand with the clutch disengaged. Keep hands clear of the fair lead and drum while the winch is under power.
WARNING – Do not use it as a hoist. Do not use for overhead lifting.
WARNING – NEVER use your winch without a suitable isolated installed, failure to install an isolation switch will void any warranty.
WARNING – Use gloves to protect hands when handling the cable. Never let the cable slide through your hands.
WARNING – Never connect the cable back to itself. Apply blocks to the wheels of the vehicle when on an incline. The duration of winching pulls should be kept as short as possible. If the motor becomes uncomfortably hot to the touch, stop winching immediately and let it cool down for a few minutes. Do not pull for more than one minute at or near the rated load.
CAUTION – If the motor stalls do not maintain power to the winch. Electric winches are designed and made for intermittent use and should not be used in constant duty applications.
CAUTION – Never disengage the clutch when there is a load on the winch.
CAUTION – Use the hand saver hook when handling the hook for spooling or un-spooling the wire rope.
GENERAL TIPS FOR SAFE OPERATION
- The 20000lbs and its all derivative types are rated at 20000Ibs capacity when spooling the first rope layer on the drum. Overloading can damage the winch/motor/ or wire rope. For loads over 70% of rated line pull. we
recommend the use of the pulley block/snatch block to double the wire rope This will aid in two ways: a) reduce the number of rope layers on the drum, as well as, b) reduce the load on the wire rope by as much as 50%. When doubling the line back to the vehicle, attach to the frame or other load-bearing part. - The vehicle engine should be kept running during the operation of the winch to minimize battery drain and maximize the power and speed of the winch. If the winch is used for a considerable amount of time with the engine the battery may be drained and too weak to restart the engine.
- Get to know your winch before you actually need to use it. We recommend that you set up a few tests runs to familiarize yourself with rigging techniques, the sounds your winch makes under various loads, the way the cable spools on the drum, etc.
- Inspect the wire rope and equipment before each use. A frayed or damaged rope must be replaced immediately. Use only the manufacturer’s identical replacement rope with the exact specifications.
- Inspect the winch installation and bolts to ensure that all bolts are tight before each operation.
- Never connect the cable back to itself. This will cause cable damage. Always use a snatch block, sling, or chain of suitable strength as shown in the
- Store the remote control inside your vehicle in a place that it will not be
- Any winch that appears to be damaged in any way is found to be worn, or operates abnormally shall be removed from service.
- Pull only on parts of the vehicle as specified by the vehicle manufacturer.
- Only attachments and/or adapters supplied by the manufacturer shall be used.
- Whenever before your winch start to work, please slightly test-run your winch in two directions, even if the winch drum only round a few degrees of angle, ensure the winch is well-balanced, especially after you operated the clutch, the test-running winch can make winch in gear.
WINCHING TECHNIQUES A-Z
a. Take time to assess your situation and plan your pull.
b. Put on gloves to protect your hands.
c. Disengage the clutch to allow free-spooling and to save energy.
d. Attach the hand saver hook to the clevis hook.
e. Pull out the wire rope to your desired anchor point using the hand saver hook.
f. Secure the clevis hook to the anchor point: Sling, chain, or snatch block. Do not attach the hook back onto the wire rope.
g. Engage the clutch.
h. Connect the remote control switch to the winch.
i. Start your engine to ensure power is being replenished to the battery.
j. Power in the wire rope guiding the wire under tension to draw up the slack in the wire. Once the wire is under tension stand well clear. Never step over the wire rope.
k. Double-check your anchors and make sure all connections are secure.
l. Inspect the wire rope. Make sure there are at least 5 wraps of wire rope around the winch drum.
m. Drape a blanket or jacket over the wire rope approximately 5 to 6 feet from the hook. Open the hood of the vehicle for added protection.
n. Clear the area. Make sure all spectators are back and that no one is directly in front or behind the vehicle or anchor point.
o. Begin winching. Be sure that the wire rope is winding evenly and tightly around the drum. The vehicle that is being winched can be slowly driven to add assistance to the
winching process. Avoid shock loads; keep the wire rope under tension.
p. The vehicle to be winched should be placed in neutral and the emergency brake released. Only release the brake pedal when under full tension. Avoid shock loads to the winch and NEVER leave the winch attached as a securing device otherwise you will damage the brake, winch, and possible vehicle or load.
q. The winch is meant for intermittent use. Under full load with a single line rig do not power in for more than two minutes without letting the motor cool down for a further 10
minutes and then resume the winching operation.
r. The winching operation is complete once the vehicle is on stable ground and is able to drive under its own power.
s. Secure the vehicle. Be sure to set the brakes and place the vehicle in the park.
t. Release the tension on the wire rope. The winch is not meant to hold the vehicle for long periods of time or be used as securing device.
u. Disconnect the wire rope from the anchor.
v. Rewind the wire rope. Make sure that any wire already on the drum has spooled tightly and neatly. If not, draw out the wire and re-spool from the point where the rope
is tight.
w. Keep your hands clear of the winch drum and fairlead as the wire rope is being drawn in.
x. Secure the hook and hook strap.
y. Disconnect the remote control and store it in a clean, dry place.
z. Clean and inspect connections and mounting hardware for next winching operation.
WINCH ASSEMBLY AND MOUNTING
- Your winch is designed with a bolt pattern that is standard in this class of winch. Our winch mounting kit(s) IST640 are available that utilize this bolt pattern for popular vehicles and mounting channels. If you will utilize our mounting channel (IST640) you must ensure that it is mounted on a flat surface so that the three major sections (motor, drum, and gear housing) are properly aligned. Proper alignment of the winch motor on the left and gearbox on the right will allow even distribution of the full rated load.
- When using our mounting channel (IST640), Start by connecting the roller fairlead (Part# S2000800) to the mounting channel using 2 each of the cap screw M10 X 35 (Part# S2000022), lock washer (Part# S2000004), and securing (Make sure the screw is placed through the mounting channel and roller fairlead from inside the channel. This will allow enough clearance for the winch to be placed in the channel without obstruction.)
- Assemble the winch to the mounting channel or vehicle bump base by first pulling and releasing the clutch knob to the “CLUTCH OUT” position (free spooling). Pull out a few inches of cable from the drum and feed the wire loop through the opening in the front of the mounting channel and roller fairlead. Now, using the remaining M12 x 30 cap screws (Part# S2000020) and lock washer (Part# S2000021) secure the winch to the mounting channel.
- Connect the winch motor leads as detailed below:

CAUTION – Batteries contain gases that are flammable and explosive. Wear eye protection during installation and remove all jewelry. Do not lean over the battery while making connections. - Assemble the clevis hook to the cable. Take off the pin from the clevis hook, connect the clevis hook to the cable and mount the pin back to the clevis hook.
- Always use the hand saver when free-spooling and re-spooling the wire rope. Using the hand saver keeps your hands and fingers away from the rotating drum.
- Check for proper drum rotation. Pull and turn the clutch knob to the “CLUTCH OUT” position. Pull out some cable from the drum, and then turn the clutch knob to the “CLUTCH IN” position to engage the gears. Press the cable out button on the power switch. If the drum is turning and releasing more cable then your connections are accurate. If the drum is turning and collecting more cable then reverse the leads on the motor. Repeat and check rotation.
MOUNTING DRAWING
S17500
S20000
WINCH ACCESSORIES YOU WILL NEED
NOT INCLUDED WITH YOUR WINCH
Gloves – For handling the wire rope and hook strap.
Anchor Strap/Chain – Tree saver anchor straps are made of high-quality nylon with high tensile strengths up to 15000lbs.
Mounting Plate – IST640 mounting channel required to fit your winch front mounted.
RIGGING TECHNIQUES
Self-Recovery
Locate a suitable anchor such as a strong tree trunk or boulder.
Always use a sling as an anchor point.
CAUTION Do not attach the clevis hook back onto the cable as this could cause damage to the cable. As shown in Fig 3.1
CAUTION Do not winch from an acute angle as the wire rope will pile up on one side of the drum causing damage to the wire rope and the winch. Fig 3.2
Short pulls from an angle can be used to straighten the vehicle. Long pulls should be done with the wire rope at a 90° angle to the winch/vehicle.
When pulling a heavy load, place a blanket or jacket over the wire rope five or six feet from the hook. In the event of a broken cable, it will dampen the snapback. For additional protection open the hood of the vehicle as shown in Fig 3.3
For pulls over 70% rated line pull, we recommend the use of the snatch block/pulley block to double line the wire rope. Fig 3.4
This reduces the load on the winch and the strain on the rope by up to 50% depending on the included angle 
WARNING – Never use your winch for overhead hoisting or for lifting people or moving people.
WINCH WORKING DEMONSTRATION
- Disengage the clutch by turning the clutch to the “CLUTCH OUT” position.
- Grab the cable assembly (Part# S2001000) and pull the cable to the desired length, then attach to the item being pulled.
,
Caution: Always leave at least five turns of cable on the drum; Review winch safety warnings and precautions on pages 2, 3 before continuing. - Reengage the clutch by turning the clutch assembly (Part# S2000700) to the
“CLUTCH IN” position, if the clutch is not engaged, the winch drum must be turned by hand, until the clutch is totally engaged. - Insert the switch assembly (Part# S2000900) connector onto the control box.
- Test-run winch in two directions, each direction for one or two seconds.
- While standing aside from the towpath, hold and operate the switch assembly supplied by your choice. To reverse directions, wait until the motor stops before reversing directions.
- When the pulling is complete, remove the switch assembly (Part# S2000900).
From the female connector of the directional valve and replace the female connectors cover.
REPLACING THE WIRE ROPE
If the wire rope has become worn or is beginning to show signs of strands breaking, it must be replaced before being used again.
- Turning clutch to the “CLUTCH OUT” position.
- Extend cable assembly to its full length. Note how the existing cable is connected to the drum.
- Remove old cable assembly and attach new one as the old cable connected to the drum. Insert the end of the new rope and secure the screw M8x10(Part#S2000007).
- ensure that the new cable wraps in the same rotation direction as the old one.
The cable should leave the drum from the bottom, under the drum. - Turning clutch to the “CLUTCH IN” position.
- Retract Cable Assembly onto the drum, first five wraps being careful not to allow kinking, then winch cable must be wound onto the drum under a load of at least 10% rated line pull.
WARNING – Only replace the wire rope with the identical replacement part recommended by the manufacturer, Steel/Synthetic ropes are not covered by any part of this warranty, it is the user’s responsibility to replace them when damaged, frayed, or worn.
MAINTENANCE
- Periodically check the tightness of mounting bolts and electrical connections.
Remove all dirt or corrosion and always keep clean. - Do not attempt to disassemble the gearbox.
- The gearbox has been lubricated using a high-temperature lithium grease and is sealed at the factory. No internal lubrication is required.
TROUBLESHOOTING
| SYMPTOM | POSSIBLE CAUSE | SUGGESTED ACTION |
| The motor does not turn on | -Switch Assembly not connected properly -Loose battery cable connections – Defective switch assembly – Defective motor – Water has entered the motor | _Insert switches assembly all the way into the connector. -Tighten nuts on all cable connections. -Replace switch assembly. -Check for voltage at armature port with Switch pressed. If voltage is present, replace the motor. -Allow draining and dry. Run in short bursts without load until completely dry. |
| Motor runs but cable drum does not turn | -Clutch not engaged | -Turn clutch to the “In” position. If the problem persists, a qualified technician needs to check and repair it. |
| Motor runs slowly or without normal power | -Insufficient current or voltage | -Battery weak recharge. Run winch with vehicle motor running. -Loose or corroded battery cable connections. Clean, tighten, or replace. |
| Motor overheating | -Winch running time too long | -Allow the winch to cool down periodically. |
| Motor runs in one direction only | -Defective switch assembly. | -Loose or corroded battery cable or motor cable connections. Clean and tighten. -Repair or replace switch assembly. |
| Winch braking malfunction. | -Winch working in the wrong direction. -Brake slice worn or worn not. | -Change winch working direction looking is to clockwise look at the motor end – Simply readjusted the braking angle or replaces the new brake slice. |
WARNING – Brake angle adjustment method: Tighten the spring in the direction of rotation for two circles, then adjust the angle of the spline gear sleeve by 20°±5° (see below section view). 
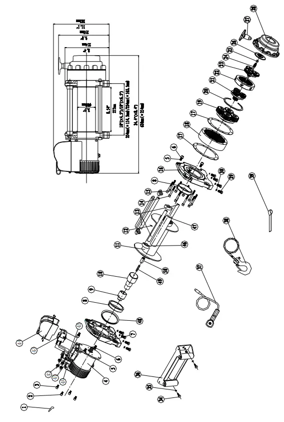
WINCH ASSEMBLY DRAWING S17500

WINCH PARTS LIST (S17500)
| No. | Part # | Qty | Description | Remark |
| 1 | 51750001 | 3 | Terminal Protector | |
| 2 | S1750002 | 4 | Screw M8 x 20 | |
| 3 | S1750003 | 4 | Lock Washer 1)8 | |
| 4 | 51750100 | 1 | Motor Assembly | |
| 5 | S1750004 | 6 | Screw M10 x 30 | |
| 6 | S1750005 | 6 | Lock Washer 010 | |
| 7 | S1750006 | 1 | Motor Bracket | |
| 8 | 51750007 | 2 | Bushing-Drum | |
| 9 | S1750008 | 1 | Coupling | |
| 10 | S1750200 | 1 | Break/shift Assembly | |
| 11 | 51750300 | 1 | Drum Assembly | |
| 12 | 51750009 | 1 | Screw M8 x 10 | |
| 13 | 51750010 | 3 | Tie Bar | |
| 14 | S1750011 | 10 | Screw M8 x 75 | |
| 15 | 51750003 | 10 | Lock Washer 08 | |
| 16 | 51750012 | 1 | End Bearing | |
| 17 | S1750013 | 2 | Gasket | |
| 18 | S1750014 | 1 | Gear Ring I Output | |
| 19 | 51750400 | 1 | Gear Carrier Assembly ‘ Output | |
| 20 | S1750015 | 1 | Circlip For Hole | |
| 21 | S1750500 | 1 | Gear Carrier Assembly I Intermediate | |
| 22 | S1750016 | 1 | Gear Ring I Intermediate | |
| 23 | 51750600 | 1 | Gear Carrier Assembly ‘ Input | |
| 24 | S1750017 | 1 | Gear Input Sun | |
| 25 | S1750018 | 1 | Shaft Sleeve | |
| 26 | S1750019 | 1 | Thrust Washer | |
| 27 | 51750700 | 1 | Clutch Assembly | |
| 28 | S1750020 | 1 | Gear Housing | |
| 29 | S1750021 | 8 | Screw M12 x 30 | |
| 30 | 51750022 | 8 | Lock Washer 012 | |
| 31 | S1750023 | 2 | Lock Washer 05 | |
| 32 | S1750024 | 2 | Screw M5 x 10 | |
| 33 | S1750800 | 1 | Control Box Assembly | |
| 34 | S1750025 | 2 | Screw M10x 35 | |
| 35 | S1750022 | 2 | Lock Washer 010 | |
| 36 | S1750900 | 1 | Roller Fairlead | |
| 37 | S1751000 | 1 | Remote Control Switch ‘ RC8 | |
| 38 | 51751100 | 1 | Cable Assembly | |
| 39 | S1750026 | 1 | Strap | |
| 40 | S1750027 | 1 | Mounting Play | |
| 41 | 51750028 | 1 | Connecting Piece | |
| 42 | 51750029 | 1 | Connecting Piece | |
| 43 | S1751200 | 1 | Relay With Screw Assembly | |
| 44 | S1751300 | 1 | Cover With Screw Assembly | |
| 45 | S1750030 | 1 | Connecting Piece | |
| 46 | S1750031 | 4 | Connecting Block | |
| 47 | S1750032 | 2 | Connecting Rod Sets | |
| 48 | S1750033 | 2 | Ring seals | |
| 49 | S1750034 | 1 | Six angle bar | |
| 50 | S1750035 | 1 | Coupling | |
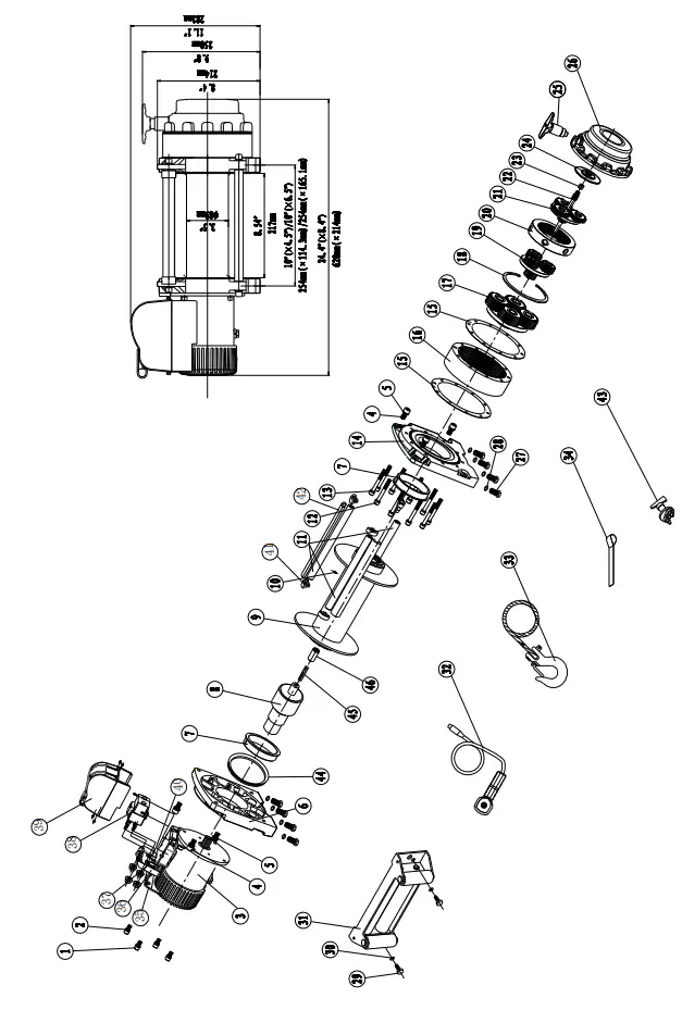
WINCH ASSEMBLY DRAWING S20000 
WINCH PARTS LIST S20000
| No. | Part # | Qty | Description | Remark |
| 1 | S2000001 | 4 | Screw M8 x 25 | |
| 2 | S2000002 | 4 | Lock Washer 1)8 | |
| 3 | S2000100 | 1 | Motor Assembly | |
| 4 | S2000003 | 6 | Screw M10 x 30 | |
| 5 | S2000004 | 6 | Lock Washer 1)10 | |
| 6 | S2000005 | 1 | Motor Bracket | |
| 7 | S2000006 | 2 | Bushing-Drum | |
| 8 | S2000200 | 1 | Break/shift Assembly | |
| 9 | S2000300 | 1 | Drum Assembly | |
| 10 | S2000007 | 1 | Screw M8 x 10 | |
| 11 | S2000008 | 3 | Tie Bar | |
| 12 | S2000009 | 10 | Screw M8 x 75 | |
| 13 | S2000010 | 10 | Lock Washer 1)8 | |
| 14 | S2000011 | 1 | End Bearing | |
| 15 | S2000012 | 2 | Gasket | |
| 16 | S2000013 | 1 | Gear Ring ‘ Output | |
| 17 | S2000400 | 1 | Gear Carrier Assembly ‘ Output | |
| 18 | S2000014 | 1 | Circlip For Hole | |
| 19 | S2000500 | 1 | Gear Carrier Assembly ‘ Intermediate ‘ | |
| 20 | S2000015 | 1 | Gear Ring ‘ Intermediate | |
| 21 | S2000600 | 1 | Gear Carrier Assembly ‘ Input | |
| 22 | S2000016 | 1 | Gear Input Sun | |
| 23 | S2000017 | 1 | Shaft Sleeve | |
| 24 | S2000018 | 1 | Thrust Washer | |
| 25 | S2000700 | 1 | Clutch Assembly | |
| 26 | S2000019 | 1 | Gear Housing | |
| 27 | S2000020 | 8 | Screw M12 x 30 | |
| 28 | S2000021 | 8 | Lock Washer 012 | |
| 29 | S2000022 | 2 | Screw M10 x 35 | |
| 30 | S2000004 | 2 | Lock Washer 010 | |
| 31 | S2000800 | 1 | Roller Fairlead | |
| 32 | S2000900 | 1 | Remote Control Switch ‘ RC8 | |
| 33 | S2001000 | 1 | Cable Assembly | |
| 34 | S2000023 | 1 | Strap | |
| 35 | S2000024 | 1 | Mounting Play | |
| 36 | S2000025 | 1 | Connecting Piece | |
| 37 | S2000026 | 1 | Connecting Piece | |
| 38 | S2001100 | 1 | Relay With Screw Assembly | |
| 39 | S2001200 | 1 | Cover With Screw Assembly | |
| 40 | S2000027 | 1 | Connecting Piece | |
| 41 | S2000028 | 4 | Connecting Block | |
| 42 | S2000029 | 2 | Connecting Rod Sets | |
| 43 | S2001300 | 1 | Battery Switch | |
| 44 | S2000030 | 2 | Ring seals | |
| 45 | S2000031 | 1 | Six angle bar | |
| 46 | S2000032 | 1 | Coupling |
SPECIFICATION (S17500)
| Rated line pull | 17500 lbs (7938 kgs) |
| Motor: series wound | 12V:Input: 5.4kW / 7.2hp;Output: 2.9 kW /3.9hp 24V:Input: 6.0kW / 8.0hp;Output: 3.1 kW /4.1 hp |
| Gear reduction ratio | 430:1 |
| Cable (Dia. x L) | 015/32 “x 87 ‘ (012mm x 26.5m) |
| Drum size (Dia. x L) | 03.5 “x8. 5” (089mm x 217mm) |
| Mounting bolt pattern | 10 “x 4.5 ” (254mm x 114.3mm) /10 “x 6.5 ” (254mm x 165.1mm) 8-M12 |
| Overall dimensions (LXWXH) | 24.4″ x 8.4″ x 11.1″ 620mm X214mm X282mm |
| Net weight lbs(kg) | 147.7 (67.0) |
Pull, Speed, Amperes, Volts (First layer):
| Line Pull | Line Speed ft/min (m/min) | Current A | ||
| lbs (kgs) | 12V DC | 24V DC | 12V DC | 24V DC |
| 0 | 19.7 (6.0) | 21.0 (6.4) | 100 | 40 |
| 6000 (2722 ) | 7.2 (2.2) | 7.9 (2.4) | 220 | 100 |
| 10000 (4536) | 5.6 ( 1.7) | 5.9 (1.8) | 320 | 140 |
| 12500 (5670) | 4.9 ( 1.5 ) | 5.2 (1.6) | 350 | 180 |
| 14000 (6350) | 4.6 ( 1.4 ) | 4.6 (1.4) | 380 | 200 |
| 17500 (7938) | 3.0 (0.9) | 3.9 (1.2) | 450 | 250 |
Line pull and rope capacity in layer
| Layer | Rated line pull lbs (kgs) | Total rope on the drum ft (m) | ||
| 1 | 17500 | (7938) | 18.0 | (6.) |
| 2 | 14140 | (6414) | 41. | (13.) |
| 3 | 11862 | (5381) | 66. | (21.) |
| 4 | 10217 | (4634) | 87. | (27.) |
SPECIFICATION(S20000)
| Rated line pull | 20000 lbs (9072 kgs) |
| Motor: series wound | 12V:Input: 5.8kW / 7.8hp;Output: 3.1 kW /4.1 hp 24V:Input: 6.4kW / 8.6hp;Output: 3.3 kW /4.4hp |
| Gear reduction ratio | 430:1 |
| Cable (Dia. x L) | 015/32 “x87 ‘ (012mm x 26.5m) |
| Drum size (Dia. x L) | 03.5 “x8. 5” (089mm x 217mm) |
| Mounting bolt pattern | 10 “x 4.5 ” (254mm x 114.3mm) /10 “x 6.5 ” (254mm x 165.1mm)8- M12 |
| Overall dimensions (LXWXH) | 24.4″x 8.4″x 11.1″ 620mm X214mm X282mm |
| Net weight lbs(kg) | 158.7 (72.0) |
Pull, Speed, Amperes, Volts (First layer):
| Line Pull | Line Speed ft/min (m/min) | Current A | ||
| lbs (kgs) | 12V DC | 24V DC | 12V DC | 24V DC |
| 0 | 21.3 (6.5) | 19.7 (6.0) | 100 | 40 |
| 6000 (2722) | 7.2 (2.2) | 7.9 (2.4) | 220 | 100 |
| 10000 (4536) | 5.6 (1.7) | 5.9 (1.8) | 320 | 140 |
| 12500 (5670) | 4.9 (1.5) | 5.2 (1.6) | 350 | 180 |
| 14000 (6350) | 4.6 (1.4) | 4.6 (1.4) | 380 | 200 |
| 17500 (7938) | 3.0 (0.9) | 3.9 (1.2) | 450 | 250 |
| 20000 (9072) | 3.0 (0.9) | 3.3 (1.0) | 480 | 265 |
Line pull and rope capacity in layer
| Layer | Rated line pull lbs (kgs) | Total rope on the drum ft (m) | ||
| 1 | 20000 | (9072) | 18.0 | (6.) |
| 2 | 16160 | (7330) | 41. | (13.) |
| 3 | 13557 | (6149) | 66. | (21.) |
| 4 | 11677 | (5297) | 87. | (27.) |
WARRANTY
Your winch has been manufactured and tested to the highest standards. Please ensure you read and understand the assembly and operating instructions before use. Failure to comply with these instructions or any improper use of the equipment will terminate the warranty.
Please ensure you record the information below:
| Distributor | |
| Date of Purchase | |
| Invoice No | |
| Serial No |
In the unlikely event, you experience problems, contact the distributor with this information.
A limited lifetime with 3 years on electrical
Limited Lifetime Warranty for WARRIOR WINCHES
Winch solutions are the sole distributors of WARRIOR WINCHES.
Winch solutions (“seller” or winch solutions) warrant to the original retail buyer only (“Buyer”) that any mechanical component of a genuine WARRIOR WINCH (“product”) is free of defects in material and workmanship for the lifetime of the winch.
The electrical components (including the motor, contactor, and switches) will be free of defects in material and workmanship for a period of (3) three years (36 Months) from the original purchase provable date of purchase.
Any Product Winch solutions determines to be defective will be repaired or replaced at Winch solutions sole discretion without charge to the Buyer upon Buyer’s compliance with this procedure. Seller or its Authorized Agent may make reasonable charges for parts and for labour for repairs not covered by this Lifetime Limited Warranty. The warranties set forth herein are exclusive and in lieu of all other warranties, whether oral or written, express or implied.
All purchases must be registered. Any product that has not been registered will be covered by the standard 1-year warranty.
To obtain service under this warranty, the Buyer shall mail, ship, or otherwise deliver to the address noted below, at the Buyers expense; (1) the Product, (2) a written description f the problem, (3) Buyers name, address, and contact number, (4) copy of the original purchase receipt.
The Warranty does not cover the cost of labour or transportation/shipping charges for the replacement or installation of defective parts.
This warranty does not apply to defects of the Product caused by; (1) normal wear and tear, (2) failure to comply with any installation or maintenance instructions provided by the Seller, including but not limited to subjecting the product to loads in excess of the loads listed in any instructions, Owners Manual or as detailed upon the Sellers website, (3) commercial or industrial use, (4) alteration or modification by any parties other than the Seller, (5) misuse, abuse, neglect, accidents, Acts of God, terrorism, or (6) other causes beyond the control of the Seller after delivery of the Product to the Sellers’s Authorized Agent.
This Warranty does not cover steel cables, synthetic ropes, fairleads, or exterior finishes
Winch solutions shall not be responsible or liable for any indirect or consequential damages.
These consequential damages may include but are not limited to, lost profits or loss of use and downtime.
A winch solution reserves the right to change the product design without notice. A winch solution reserves the right to replace any part or whole unit with a newer design of the same function
Please ensure you record the information below:
| Distributor | |
| Date of Purchase | |
| Invoice No | |
| Serial No |


















