DETAIL K2 INC.

CHIPPER ASSEMBLY GUIDE
MODEL: OPC504 and OPC506 4 and 6 INCH COMMERCIAL CHIPPER
| DK2 POWER USA 4301 S Valley View Blvd STE 10-11 Las Vegas, NV 89103 1-702-331-5353 | DETAIL K2, INC. 1080 Clay Avenue Unit 2 Burlington, Ontario, Canada L7L0A1 | DK2 USA EAST 6245 Industrial Parkway Whitehouse, OH 43571 |
TOLL-FREE 1-888-277-6960 EMAIL – [email protected]
COMMERCIAL CHIPPER
SWING CHUTES TOWABLE KOHLER ENGINE

STEP 1: CHECK THE PACKING
Open and unpack all items. Leave lots of working space.
Inspect all parts.
The Chipper is shipped in a crate. Leave the sides folded down and use it as your workspace.

NOTE: UPON INSPECTION OF PARTS IF YOU FIND ANY DAMAGE OR MISSING
PARTS PLEASE CALL DK2 POWER AT 702-331-3535 OR CONTACT US VIA
OUR WEBSITE WWW.DK2POWER.COM
WE WILL REPLACE ANY DAMAGED or MISSING PARTS TO YOU FREE
PLEASE DO NOT RETURN TO THE STORE
STEP 2:
- Remove all hardware from the axle.
- Install 2 wheels with washers, nuts, cotter pins, and caps.
- Your chipper tires are DOT approved and you can tow on the road. Safely tow at 25 mph max is recommended.
- The extended axle is standard and adds stability on hills and the corner turns when towing.


STEP 3:
- Place rear wheel axle assembly on Chipper using supplied bolts and install both wheels.
- Install the bolts from the OUTSIDE with the nuts on INSIDE.

STEP 4: INSTALL THE TOWBAR AND STAND ASSEMBLY
- INSTALL THE TOW BAR HITCH USING 4 BOLTS. PLACE BOLTS
FROM OUTSIDE AND PLACE NUTS ON INSIDE. - ASSEMBLE TOW STAND AND INSERT THE HITCH PIN
- INSERT TOW BAR AND SECURE WITH TOW BAR SCREW LOCK

STEP 5: INSTALL CHIP CHUTE
- INSTALL CHIP CHUTE ON BARN HINGES. SWING CHUTE CLOSED AND LOCK IT.
- A RUBBER MALLET MAY BE USED IF NEEDED TO SET THE
BARN HINGE PINS INTO THE MATING HINGES FOR THE FIRST TIME INSTALL.

STEP 6: INSTALL CHIP CHUTE DEFLECTOR
- Install the Chip Chute Directional Deflector and tighten the locking handles.


STEP 7: INSTALL FEED CHUTE
- Install the feed chute on the 2 hinges. To seat the hinge pins for the first time a rubber mallet may be used to tap the pins into the hinges. These are tight-fitting to reduce vibration noise.
- Close the Chute and latch it.
- Plug the safety key shut-off wire connectors together.

STEP 8:
READ THE KOHLER ENGINE MANUAL SUPPLIED WITH YOUR UNIT FOR FULL ENGINE OPERATION, SAFETY, AND MAINTENANCE.

| 1 | ON/OFF KEY LOCK |
| 2 | GAS – USE MID-GRADE OR HIGHER |
| 3 | CHOKE – LEFT IS ON / RIGHT IS OFF (RUN POSITION) |
| 4 | GAS ON/OFF SWITCH – LEFT IS OFF / RIGHT IS ON |
| 5 | THROTTLE – RABBIT FAST / TURTLE SLOW |
| 6 | PULL STARTER – PULL TIGHT- THEN PULL START |
| 7 | OIL – FILL TO MARK 10W30, WILL NOT START IF OIL IS LOW, HAS LOW OIL SHUTOFF PROTECTION. 2 YELLOW CAPS ARE OIL FILL CAPS. USE EITHER ONE TO FILL OIL. |
Your Chipper is equipped with dual REVERSABLE cutting blades.
- Turn the engine key off, remove the key and unplug the spark plug.
- Open the large feed chute
- Before removing the bolts that mount the blades place paper towels in the area opening between the drum and the drum housing. This will prevent bolts from dropping into the drum housing.
- Remove the first 4 bolts.
- Before removing the last bolt be sure to support the blade from sliding down into the drum. More paper towels or a shop towel does a good job.
- Remove the blade, reverse it to the new sharp edge and reinstall it. Use only DK2 POWER OEM blades.
- Use Loctite on the bolt threads when replacing bolts.
- Use the supplied T-Handle tool to remove and replace bolts
- Wear protective gloves, the blades are very sharp.
- Remove the paper towels, any paper left in the chipper will be cut up on the next running operation.


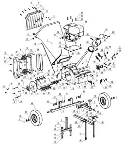
| No. Specification 1feed hopper 2outlet hopper 3support foot 4tow bar connecting part 5wheel axle 6crush house 7tool box cover 8M8 locknut 9⌀8lockwasher 10 washer⌀8*⌀16*1.6 11 plate for protection sheet 12 protection sheet 13 hexagon headed boltM8X25 14 key switch 15 pipe plug 16 wire 17 belt 18 Spacer sleeve⌀9*⌀14*44 19 Belt cover accessory plate 20 boltM8*60 21 engine pulley 22 washer⌀10*⌀40*3.0 23 bolt3/8-24UNF-25 24 belt cover 25 boltM8*16 26 boltM10X25 27 washer⌀10*⌀40*3.0 28 rotor pulley 29 M10locknut 30⌀10lockwasher 31 Spacer sleeve⌀11*⌀20*17 32 key 33 Mounted Bearings 34 steel plate for Mounted Bearing 35 rotor 36 blade 37 blade bolt | No. Specification 38Hexagonal slotted thin nutM24*1.5 39washer⌀25*⌀47.5*3.0 40DOT Tire 41pin⌀4.0X40 42boltM10*80 43washer⌀10*⌀22*2.2 44rubber 45boltM8*65 46buckle 47chain 48boltM10*90 49tow bar 50hitch trailer 51Square latch 52M10 knob 53blade gap adjusting plate 54feeding helper plate 55engine wire 56engine plate 57key 58Spacer sleeve⌀26*⌀35*15 59engine 60knob 61outlet hopper adjusting plate 62upper part of outlet hopper 63bolt M6*16 64⌀6lockwasher 65clip 66bearing cap 67B shaft ring⌀30 68Inside hexagonal cylindrical head screwM6*90 69M6locknut 70boltM5*16 71clip 72washer⌀5*⌀10*1.0 73⌀5lockwasher 74M5locknut |
OPERATION – BEFORE TURNING THE KEY AND PULLING STARTING ENGINE CLEAR THE AREA OF ALL PEOPLE AND PROPERTY THAT COULD BE DAMAGED. THINK SAFETY. CHIPS ARE FLYING PROJECTILES AND CAN CAUSE INJURY. CHECK BOTH CHUTES AND MAKE SURE THEY ARE CLOSED AND LOCKED. WEAR SAFETY GLASSES, HEARING PROTECTION, AND GLOVES DO NOT WEAR LOOSE-FITTING CLOTHES THAT COULD GET STUCK IN THE CHIPPER ONLY CHIP WOOD, NO METAL OR PLASTIC. CHILDREN SHOULD NOT RUN THIS EQUIPMENT STAY ALERT OF THEIR SURROUNDINGS AND PERSONS THAT COULD APPEAR IN THE CHIP PATH WHILE YOU ARE WORKING. FEED LARGE DIA TREES SLOWLY INTO THE CUTTING DRUM ALLOWING THE DRUM TO REGAIN RPM AND CUTTING SPEED BETWEEN CUTS. RUN ALL CONTENTS IN THE HOPPER THROUGH THE MACHINE BEFORE SHUTTING THE ENGINE OFF TO PREVENT LOOSE WOOD FROM LOGGING BETWEEN BLADES JAMMING DRUM EFORE YOUR NEXT ENGINE START-UP. REMOVE SMALL SIDE COVER WITH 2 NUTS AND TURN DRUM COUNTERCLOCKWISE TO FREE UP WOOD STUCK IN THE BLADE. NEVER RUN CHIPPER WITH CHUTES OPEN. RUNNING A MACHINE WITH CHUTES OPEN CAN CAUSE INJURY OR DEATH. READ AND OBEY ALL WARNING LABELS ON THIS MACHINE.
TOW THE MACHINE 25 MPH MAX.
PLEASE DO NOT RETURN TO THE STORE
YOU HAVE A 1 YEAR WARRANTY AND DK2 WILL REPLACE A DEFECTIVE PART FOR FREE
CALL US AT 702-331-5353 FOR FAST WARRANTY PARTS AND QUESTIONS
WHAT IS COVERED
DK2 Inc. warrants to the original purchaser of any DK2 product that it will be free and clear of manufacturing defects in workmanship and materials under normal use and service for a period of one (1) year from the date of the original purchase.
If within one (1) year from the original date of purchase this product fails due to a defect in material or workmanship, Detail K2 will repair, replace, or supply any defective part at our option for DK2 trailer products. DK2 POWER outdoor power equipment is 1-year parts only warranty no labor. Upon expiry of one (1) year, Detail K2 will have no further liability related to the product. Detail K2 does not authorize any party, including its authorized distributors or dealers, to offer any other warranty on behalf of Detail K2 Inc.
KOHLER ENGINES – KOHLER CH-SERIES ENGINES COMMERCIAL 3 YR PARTS AND LABOR WARRANTY KOHLER ENGINES – KOHLER SH SERIES ENGINES RESIDENTIAL 2 YR PARTS AND LABOR WARRANTY see your Kohler manual for a specific warranty.
DIESEL TRACTORS – Chassis component parts only, no labor, ENGINES – 1 YR KOHLER WARRANTY 3PT EQUIPMENT – 1-YEAR parts only, Gearbox drive unit 3- year warranty parts only. DK2 POWER OUTDOOR EQUIPMENT – 1-Year parts only, no labor. 3-year commercial Kohler warranty.
THIS WARRANTY DOES NOT COVER OR APPLY TO:
Damage to the product due to misuse, mishandling, and abuse
(b) Improper installation, maintenance, and storage
(c) Expendable parts such as nuts and bolts, pins and springs, wiring and switch components, hydraulic hoses and fittings, cutting teeth, cutting chains, cutting blades, throttles, belts, and tires.
(d) Normal wear and tear
(e) Consequential damage & incidental damages such as damage to persons or property
PROCEDURE FOR OBTAINING AN RETURN AUTHORIZATION
Within the one (1) year warranty period, the purchaser of the product must notify DK2 of the claimed defect and provide proof of original purchase. At this time the validity of the claim will be determined, and if approved replacement parts will be issued.
A Return Goods Authorization Number (RGA) will be issued if approved for DK2 Automotive products. No returned product will be accepted under warranty unless accompanied by an RGA# issued by Detail K2 Inc.
RESOLUTION FOR A DEFECTIVE PRODUCT
DK2 POWER – Tractors, Chippers, Stump Grinders, Log Splitters, 3pt, and Outdoor Power Equipment.
Call DK2 at 702-331-5353 in Las Vegas between 8 am-4 pm M-F Pacific Time.
DK2 Snow, Trailer, Rack, and Winch Products.
Call DK2 at 888-277-6960 in Burlington Canada between 8 am-4 pm M-F Eastern Time.



















