COMELIT KCA0061 2-Wire Analog Ciao-Mini Single-Family Audio Kit

Parts description
Warning
- This Comelit product was designed for use in the creation of audio and video communication systems in residential, commercial or industrial settings and in public buildings or buildings used by the public.
- All activities connected to the installation of Comelit products must be carried out by qualified technical personnel, with careful observation of the indications provided in the manuals / instruction sheets supplied with those products.
- Cut off the power supply before carrying out any maintenance procedures.
- Use wires with a cross-section suited to the distances involved, observing the instructions provided in the system manual.
- We advise against running the system wires through the same duct as the power cables (230V or higher).
- To ensure Comelit products are used safely: carefully observe the indications provided in the manuals / instruction sheets and make sure the system created using Comelit products has not been tampered with / damaged.
- Comelit products do not require maintenance aside from routine cleaning, which should be carried out in accordance with the indications provided in the manuals / instruction sheets. Any repair work must be carried out: for the products themselves, exclusively by Comelit Group S.p.A., for systems, by qualified technical personnel.
- Comelit Group S.p.A. does not assume any responsibility for: any usage other than the intended use; non-observance of the indications and warnings contained in this manual / instruction sheet. Comelit Group S.p.A. nonetheless reserves the right to change the information provided in this manual / instruction sheet at any time and without prior notice.
Fitting


BAL Balancing adjustment trimmer
SPK Loudspeaker volume adjustment trimmer
MIC Microphone volume adjustment trimmer
- Secondary 12 V AC output
- 230 V AC digital input
A suitable omnipolar switch with a contact opening of at least 3mm must be installed upstream of the video entry phone system. Disconnect the power supply before carrying out any operations on the wiring. Replace the protections on the terminals. Do not obstruct the ventilation and cooling slots or apertures.
Mounting








Ringtone volume selector
Red indicator: ringtone in silent mode
Operating distances


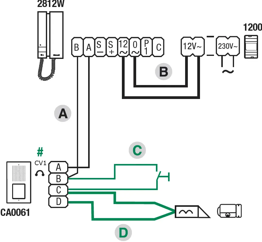
- Cut off CV1 if a door lock with impedance under 10 Ω is connected
Use of additional button for various purposes
Connection of call repetition devices
Additional door-entry phone connection variant 



















