Newton Channel
Mic Preamp, EQ, Compressor, SILK
Operations Manual

Important Safety Instructions
- Read these instructions.
- Keep these instructions.
- Heed all warnings.
- Follow all instructions.
- Do not use this apparatus near water.
- Clean only with a dry cloth.
- Do not block any ventilation openings. Install in accordance with the manufacturer’s instructions.
- Do not install near any heat sources such as radiators, heat registers, stoves, or other apparatus (including amplifiers) that produce heat.
- Do not defeat the safety purpose of the polarized or grounding-type plug. A polarized plug has two blades with one wider than the other. A grounding-type plug has two blades and a third grounding prong. The wide blade or the third prong are provided for your safety. If the provided plug does not fit into your outlet, consult an electrician for replacement of the obsolete outlet.
- Protect the power cord from being walked on or pinched particularly at plugs, convenience receptacles, and the point where they exit from the apparatus.
- Only use attachments/accessories specified by the manufacturer.
- Use only with a cart, stand, tripod, bracket, or table specified by the manufacturer, or sold with the apparatus. When a cart is used, use caution when moving the cart/apparatus combination to avoid injury from tip-over.
- Unplug this apparatus during lightning storms or when unused for long periods of time.
- Refer all servicing to qualified service personnel. Servicing is required when the apparatus has been damaged in any way, such as power supply cord or plug is damaged, liquid has been spilled or objects have fallen into the apparatus, the apparatus has been exposed to rain or moisture, does not operate normally, or has been dropped.
- This apparatus shall not be exposed to dripping or splashing, and no object filled with liquids, such as vases or beer glasses, shall be placed on the apparatus.
- Do not overload wall outlets and extension cords as this can result in a risk of fire or electric shock.
- This apparatus has been designed with Class-I construction and must be connected to a mains socket outlet with a protective earthing connection (the third grounding prong).
- This apparatus has been equipped with a rocker-style AC mains power switch. This switch is located on the rear panel and should remain readily accessible to the user.
- The MAINS plug or an appliance coupler is used as the disconnect device, so the disconnect device shall remain readily operable.
CAUTION AVIS
RISK OF ELECTRIC SHOCK. DO NOT OPEN RISQUE DE CHOC ELECTRIQUE. NE PAS OUVRIR
CAUTION: TO REDUCE THE RISK OF ELECTRIC SHOCK DO NOT REMOVE COVER (OR BACK)
NO USER-SERVICEABLE PARTS INSIDE. REFER SERVICING TO QUALIFIED PERSONNEL
ATTENTION: POUR EVITER LES RISQUES DE CHOC ELECTRIQUE, NE PAS ENLEVER LE COUVERCLE. AUCUN ENTRETIEN DE PIECES INTERIEURES PAR L’USAGER.
CONFIER L’ENTRETIEN AU PERSONNEL QUALIFIE.
AVIS: POUR EVITER LES RISQUES D’INCENDIE OU D’ELECTROCUTION, N’EXPOSEZ PAS CET ARTICLE A LA PLUIE OU A L’HUMIDITE
The lightning flash with arrowhead symbol within an equilateral triangle is intended to alert the user to the presence of uninsulated “dangerous voltage” within the product’s enclosure, that may be of sufficient magnitude to constitute a risk of electric shock to persons.
The exclamation point within an equilateral triangle is intended to alert the user of the presence of important operating and maintenance (servicing) instructions in the literature accompanying the appliance.
This symbol indicates that this product must not be disposed of with other waste. Instead, it is your responsibility to dispose of your waste equipment by handing it over to a designated collection point for the recycling of waste electrical and electronic equipment. The separate collection and recycling of your waste equipment at the time of disposal will help conserve natural resources and ensure that it is recycled in a manner that protects human health and the environment. For more information about where you can drop off your waste equipment for recycling, please contact your local city recycling office or the dealer from whom you purchased the product. - NOTE: This equipment has been tested and found to comply with the limits for a Class B digital device, pursuant to part 15 of the FCC Rules.
These limits are designed to provide reasonable protection against harmful interference in a residential installation. This equipment generates, uses, and can radiate radio frequency energy and, if not installed and used in accordance with the instructions, may cause harmful interference to radio communications. However, there is no guarantee that interference will not occur in a particular installation. If this equipment does cause harmful interference to radio or television reception, which can be determined by turning the equipment o! and on, the user is encouraged to try to correct the interference by one or more of the following measures:
• Reorient or relocate the receiving antenna.
• Increase the separation between the equipment and the receiver.
• Connect the equipment into an outlet on a circuit different from that to which the receiver is connected.
• Consult the dealer or an experienced radio/TV technician for help.
CAUTION: Changes or modifications to this device not expressly approved by Rupert Neve Designs LLC, could void the user’s authority to operate the equipment under FCC rules. - This apparatus does not exceed the Class A/Class B (whichever is applicable) limits for radio noise emissions from digital apparatus as set out in the radio interference regulations of the Canadian Department of Communications.
- Exposure to extremely high noise levels may cause permanent hearing loss. Individuals vary considerably in susceptibility to noise-induced hearing loss, but nearly everyone will lose some hearing if exposed to sufficiently intense noise for a period of time. The U.S. Government’s Occupational Safety and Health Administration (OSHA) has specified the permissible noise level exposures shown in the following chart. According to OSHA, any exposure in excess of these permissible limits could result in some hearing loss. To ensure against potentially dangerous exposure to high sound pressure levels, it is recommended that all persons exposed to equipment capable of producing high sound pressure levels use hearing protectors while the equipment is in operation. Ear plugs or protectors in the ear canals or over the ears must be worn when operating the equipment in order to prevent permanent hearing loss if exposure is in excess of the limits set forth here:
| Duration, per day in hours | Sound Level dBA, Slow Response | Typical Example |
| 8 | 90 | Duo in small club |
| 6 | 92 | |
| 4 | 95 | Subway Train |
| 3 | 97 | |
| 2 | 100 | Typical music via head phones |
| 2. | 102 | |
| 1 | 105 | Siren at 10 m distance |
| 0.5 | 110 | |
| 0.25 or less | 115 | Loudest parts at a rock concert |
WARNING — To reduce the risk of fire or electric shock, do not expose this apparatus to rain or moisture.
Rupert Neve Designs Newton Channel
Thank you for purchasing the Rupert Neve Designs Newton Channel. We hope you enjoy using this product as much as we have enjoyed designing and building it. The Newton Channel features Class-A analog signal paths, a 3-band discrete EQ section, a VCA compressor and custom Rupert Neve Designs transformer coupled outputs with variable SILK. The Newton Channel is designed to provide users with an intuitive, high-quality channel strip that is useful in a wide variety of recording and mixing applications.
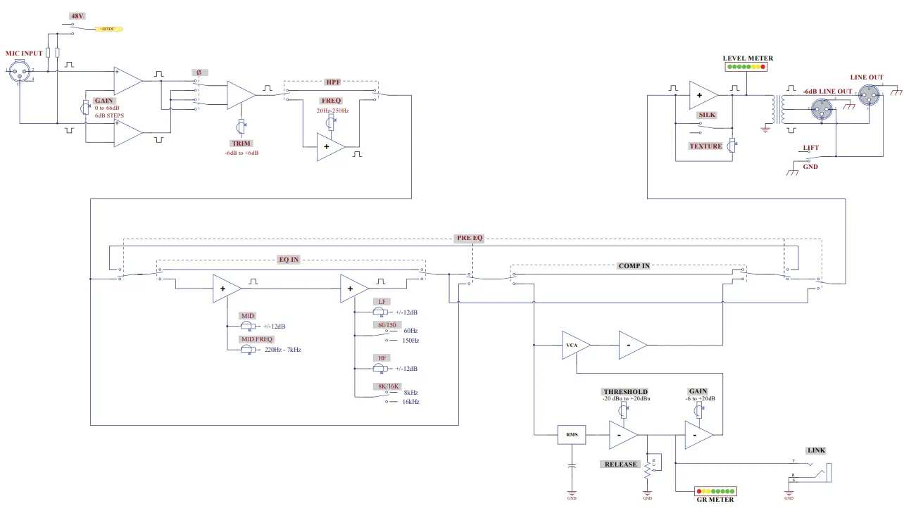
Newton Channel Block Diagram
Newton Channel Front Panel
Newton Channel Rear Panel

Newton Channel Front Panel Features
Mic Gain
12-position rotary switch that controls the microphone preamp gain in 6dB steps. For line level input signals, set the Mic Gain to the “0dB” position.
48V
Push-button switch that illuminates RED when +48V Phantom Power is engaged.
Ø (Polarity)
Push-button switch that illuminates AMBER when engaged and inverts the phase of the preamp signal.
TRIM
31-detent potentiometer that allows the user to adjust the preamp gain within a range of +/- 6dB.
HPF
Push-button switch that illuminates GREEN when the variable high pass ! lter is engaged.
FREQ
31-detent potentiometer that allows the user to adjust the cuto” frequency of the variable high pass ! lter within a range of 20 Hz to 250 Hz.
EQ IN
Push-button switch that illuminates GREEN when the EQ section is engaged.
LF
31-detent potentiometer that controls the amount of boost or cut for the low frequency shelf within a range of +/- 12dB.
60/150
Push-button switch that selects between the two available low frequency shelf frequencies: 60Hz (OUT) and 150Hz (IN).
MID FREQ
31-detent potentiometer that controls the frequency of the midland peaking EQ within a range of 220Hz to 7kHz.
MID
31-detent potentiometer that controls the amount of boost or cut for the MID FREQ peaking EQ within a range of +/- 12dB.
8K/16K
Push-button switch that selects between the two available high frequency shelf frequencies: 8kHz (OUT) and 16kHz (IN).
HF
31-detent potentiometer that controls the amount of boost or cut for the high frequency shelf within a range of +/12dB.
COMP IN
Push-button switch that illuminates GREEN when the compressor section is engaged.
THRESHOLD
31-detent potentiometer that controls the compressor threshold range from +20dBu to -30dBu. When the input signal rises above the set threshold level, compression begins with a soft-knee at a 2:1 ratio.
RELEASE
31-detent potentiometer that controls the compressor release time. The overall timing range available is 50mS (FAST) to 500mS (SLOW).
GAIN
31-detent potentiometer that controls the compressor make-up gain within a range of -6dB to +20dB.
PRE EQ
Push-button switch that routes the compressor section ahead of the EQ section when engaged.
SILK
Illuminated push-button switch that toggles through the three available SILK modes: OFF, RED, and BLUE. RED enhances harmonic content in high mid and high frequencies. BLUE enhances harmonic content in low and low mid frequencies.
TEXTURE
31-detent potentiometer that controls the amount of SILK harmonics added within the transformer output stage when SILK is engaged.
GR and OUT Metering
8-segment LED meters that indicate compressor gain reduction (dB) and output level (dBu).
POWER
LED that illuminates GREEN when the Newton Channel is powered ON.
POWER
IEC AC power inlet with integrated power switch. 100-240VAC at 50/60Hz. 35 Watts maximum AC power consumption.
GROUND LIFT
Slide switch that lifts XLR Pin 1 from chassis ground on the MAIN OUT and the -6dB OUT to help isolate from ground interference.
-6dB OUT
Balanced XLR output utilizing the center tap of a custom Rupert Neve Designs transformer.
MAIN OUT
Balanced XLR output utilizing a custom Rupert Neve Designs transformer.
LINK
1/4” TRS jack that allows two Newton Channel compressors to be linked together for stereo compressor operation. ONLY INTENDED FOR USE WITH OTHER NEWTON CHANNEL LINK JACKS.
INPUT
Balanced XLR-1/4” TRS combo jack input that can be used for MIC or LINE level signals.
Specifications
Note: All measurements typical, all measurements recorded using 25ft. XLR output cables
| Input Impedance Input to Line Output (No Features Engaged, Un-weighted) | 8900 ohms |
| Maximum Input Level | +23.6 dBu |
| Noise (Un-weighted) | |
| Line Out (Unity Gain) | -102 dBu |
| -6dB Line Out (Unity Gain) | -107 dBu |
| Line Out (+30dB Gain) | -95 dBu |
| Equivalent Input Noise @ +30dB Gain (EIN) | -125 dBu |
| Maximum Output Level @ 1kHz | +23.6 dBu |
| Frequency Response | |
| <10Hz to 30 kHz | +/- 0.1 dB |
| <5Hz to 70 kHz | +/- 0.25 dB |
| <5Hz to 140 kHz | -3 dB |
| THD+N | BW (<10Hz to 22 kHz) |
| 0 dBu at 1 kHz | 0.00% |
| +20 dBu at 1 kHz | 0.00% |
| Input to Line Output (Equalizer Engaged) | |
| Noise (BW <10 Hz to 22 kHz) | -91 dBu |
| THD+N @ 0 dBu (EQ Flat) | 0.01% |
| Product Dimensions (W x D x H) | 19” (48.3 cm) x 8.125” (20.63 cm) x 1.75” (4.5 cm) |
| Shipping Dimensions (W x D x H) | 24” (61 cm) x 13” (33 cm) x 4” (10.2 cm) |
| Shipping Weight | 9 lbs. (4.1 kg) |
Mic Preamp Frequency Response Graph
Z =SOURCE 150 ohms, -45dBu Input Signal
Measurement sweeps taken at +6dB, +24dB, +42dB, and 60dB GAIN

EQ Frequency Response Graph

Z SOURCE =150 ohms, Measurement sweeps taken at +10, 0, -10, -20, and -30dBu Threshold

PRODUCT WARRANTY
Rupert Neve Designs warrants this product to be free from defects in materials and workmanship for a period of three (3) years from date of purchase, and agrees to remedy any defect identied within such three year period by, at our option, repairing or replacing the product.
LIMITATIONS AND EXCLUSIONS
This warranty, and any other express or implied warranty, does not apply to any product which has been improperly installed, subjected to usage for which the product was not designed, misused or abused, damaged during shipping, damaged by any dry cell battery, or which has been altered or modied in any way. This warranty is extended to the original end user purchaser only. A purchase receipt or other satisfactory proof of date of original purchase is required before any warranty service will be performed. THIS EXPRESS, LIMITED WARRANTY IS IN LIEU OF ALL OTHER WARRANTIES, EXPRESS OR IMPLIED, TO THE EXTEND ALLOWED UNDER APPLICABLE STATE LAW. IN NO EVENT SHALL RUPERT NEVE DESIGNS BE LIABLE FOR ANY SPECIAL, INCIDENTAL, OR CONSEQUENTIAL DAMAGES RESULTING FROM THE USE OF THIS PRODUCT. Some states do not allow the exclusion or limitation of consequential damages or limitations on how long an implied warranty lasts, so this exclusion may not apply to you.
WARRANTY SERVICE
If you suspect a defect in this product, please contact our support sat” for troubleshooting by phone (512-847-3013) or email ([email protected]). If it is determined that the device is malfunctioning, we will issue a Return Material Authorization and provide instructions for shipping the device to our service department.
Rupert Neve Designs
PO Box 1969
Wimberley TX 78676
www.rupertneve.com
tel: +1 512-847-3013
fax: +1 512-847-8869
775-00043 Rev A
Newton Channel Rear Panel

















