
IP Enclosures IP-ACIWM035.001 Air Conditioner for Electrical Enclosure User Manual


WARNING
- Safety of AIR CONDITIONER is warranted only by proper use of these instruction which must be kept.
- Installation must be done by qualified personnel only after enclosure power supply disconnecting.
- Before any operation, switch off the power supply.
- The appliance is classified as not accessible to the general public
- The air conditioner is not to be used by persons (including children) with reduced physical, sensory or mental capabilities, or lack of experience and knowledge, unless they have been given supervision or instruction.
- Children being supervised not to play with the air conditioner.
- The air conditioner must be installed in accordance with national wiring regulations (IEC 60335-2-40:2018)
- Upstream of the electrical connection, an efficient disconnection system must be provided in compliance with the AS / NSZ 3000 standard
- Internal and external components of electrical enclosure don’t have to affect the proper installation of air conditioner.
- Inside of electrical enclosure there must not be components that could affect the proper ventilation.
- Provide a proper fixing of the electrical enclosure to the floor to prevent accidental tipping due to the supplementary weight of installed AIR CONDITIONER.
- Installation position of AIR CONDITIONER must be selected to ensure good ventilation. Take care that any internal/external components of enclosure don’t obstruct air passage. (see section 2.2 GENERAL CHECKS BEFORE INSTALLATION)
- The heat loss of the components installed inside of the electrical enclosure must be lower than useful cooling power of the AIR CONDITIONER.
- AIR CONDITIONER IP-ACIW series must be handled in upright position and protected against accidental tipping over.
- Do not modify the AIR CONDITIONER structure if it is not specified in these instruction or associated instructions.
- During transportation of enclosures with installed air conditioner a proper bracket must be used to support the cooling unit weight.
- Install only original spare parts and accessories.
- Protection against access to live parts must be warranty by installer.
- The supply connector of the AIR CONDITIONER must only be connected and disconnected when electrical enclosure is electrically disconnected.
- Follow all technical data shown in this manual
1 – TECHNICAL DATA


2 – INSTALLATION
2.1 PRODUCT HANDLING
AIR CONDITIONER IP-ACIW series must be handled in upright position and protected against accidental tipping over.
Air conditioners IP-ACIW series are fitted with female blind threaded insert to screw male lifting eye bolts.
The air conditioner handling, when unpacked, can be done thanks to lifting eye bolt.
If lifting eye bolts are not included, please provide an adequate M6 male lifting eye bolt (2) and screw it inside blind threaded (1) insert placed on top of the air conditioner
Check the proper fixing of eye bolts before lift the air conditioner.

2.2 GENERAL CHECKS BEFORE INSTALLATION
Before the installation make sure that the cabinet is disconnected from the electrical supply.

2.3 FITTING
1) Make the fixing hole on the enclosure as is shown in the drilling template

Deburr all sharp edges to avoid accidental injuries
2) Apply the gasket (included in fixing kit) on the back panel of the air conditioner.

3) Lift the air conditioner by lifting eyebolt and place it near the enclosure wall
4) Mount the air conditioner on the electrical cabinet according to the drilling template with M6X16 screws and washers against unscrewing (included in mounting kit)

5) Connect the condensate drain pipe like is shown in picture below. (Put some glue on aluminium pipe before to insert it)

Air conditioner produces condensate because the moist air inside of the enclosure meets cold heat exchanger (evaporator) and then it becomes water; water production decreases during air conditioner working because enclosure air becomes dry.
The enclosure must be IP 54 protected, if enclosure is not airtight, condensate production could increase.
The enclosure IP54 degree is guaranteed only if the air conditioner is proper mounted.
3 – ELECTRICAL CONNECTION
The electrical installation must be carried out by a qualified electrician who is responsible for compliance with the applicable standards and regulations.
Wire male plug (included) with an adequate cable as is shown by following picture

Electrical data shown on rating label pasted on air conditioner side must be guaranteed.
Install the delayed fuse recommended on rating plate pasted on air conditioner side to protect the line and enclosure components against short-circuit.
Upstream of the electrical connection, an efficient disconnection system must be provided and it must be clearly identified
Air conditioner is already fitted with a temperature controller, no additional temperature control must be connected upstream of the unit.
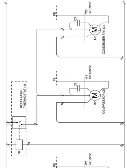
3.1 WIRING DIAGRAM
3.1.1 IP-ACIWM035.001


4 – STARTING AND ADJUSTMENT
After finishing assembly of the conditioner, wait approx. 30 min. before starting it (the oil must collect in the compressor to ensure lubrication and cooling).
he air conditioner operates automatically, that is to say, after insertion, the evaporator fan operates continuously making the air inside the cabinet circulate. This way a uniform distribution of temperature inside the cabinet itself is attained. The built-in thermostat drives compressor and condenser fan according to set point value.
Compressor and condenser fan turn ON when internal enclosure temperature rises up to set point value + hysteresis and the minimum interval of two successive switch-on of the compressor (parameter C2) is elapsed.
Compressor and condenser fan turn OFF when internal enclosure temperature decreases below set point value.
1.1 DIGITAL THERMOSTAT

Parameter list



[2]: no buzzer available
[3]: After switch between Celsius/Fahrenheit, the temperature set-point of parameter item St automatically adjusts to the corresponding temperature value of Celsius/Fahrenheit, and the temperature set-points of other parameter items related to Celsius/Fahrenheit automatically adjust accordingly.
For example, St is set to 0℃, and it will automatically adjust to 32℉ after switch; C4 (calibration value of cabinet sensor) is set to +8℃,and it will automatically adjust to +20*(8/10)=+16℉.
Suggestion: Switch Celsius/Fahrenheit first, then adjust the value of related parameter items to ensure correct parameter configuration.





5 – SPARE PARTS LIST

WARRANTY
WE
IP ENCLOSURES

guarantees that the product is free from any quality defects.
The product is guaranteed for a period of 12 months from the date of delivery, provided it operates under the following conditions:
- value of power supply indicated in the data plate is completely respected;
- requirements specified on user’s manual are completely respected;
- cabinet temperature is not higher or lower than its rated temperature;
- ambient temperature is not higher or lower than its rated temperature;
- the product is mounted on cabinets with a minimum IP54 protection level;
- the product is mounted on cabinets that not requiring higher cooling power than expected;
- the product is clearly identifiable by serial number.
The warranty does not apply if :
- the cooling circuit has been modified about type and quantity of refrigerant or composition;
- the unit operates in acid or corrosive ambient;
- the unit has been modified without IP ENCLOSURES consent.
This warranty shall become null as soon as the product is altered or modified in its structure or in circuits.
The terms of this warranty (commencement and termination dates) are not modified by any repair or replacement of products.
For every part that results defective during the period of this warranty, IP ENCLOSURES shall repair or replace it. Any others charges arising from removal, handling and installation of the products shall not be refunded by IP ENCLOSURES. Like is specified on user’s manual, installation, handling, the correct earthing in accordance with all current standards are under the responsibility of costumer. In the event of any damage caused by a defective product shall apply the EEC85.374 standard.
The malfunction must be communicated in writing to IP ENCLOSURES.
Warranty is void if the costumer is not in good standing with the payments
UE DECLARATION OF CONFORMITY
WE
IP ENCLOSURES

DECLARE THAT THE AIR CONDITIONER FOR ELECTRICAL CABINETS IP-ACIW series
DO COMPLY WITH THE FOLLOWING DIRECTIVES
2006/42/CE MACHINERY DIRECTIVE (17 May 2006)
2014/35/UE LOW VOLTAGE DIRECTIVE (26 February 2014)
2014/30/UE EMC DIRECTIVE (26 February 2014)
2011/65/UE ROHS DIRECTIVE (8 June 2011)
STANDARDS APPLIED TO MEET THE PRINCIPAL ELEMENTS OF THE DIRECTIVE
EN 60335-2-40:2003; A1; A2 (IEC 60335-2-40: 2002; A1; A2)
EN 60335-1: 2010; A11; A13; A14; A1; A2 (IEC 60335-1; A1; A2)
OTHER STANDARDS APPLIED
EN 55014-1: 2017
EN 55014-2: 2015
EN IEC 61000-3-2: 2019
EN 61000-3-3: 2013

SAA CERTIFICATE

Designation: AIR CONDITIONER FOR ELECTRICAL ENCLOSURE
Read More About This Manual & Download PDF:

















