DMH-A340DAB/DMH-A240DAB/AVH-A240DAB/AVH-A240BT
Car Multimedia Receivers
User Guide
DMH-A340DAB Car Multimedia Receivers
This guide is intended to guide you through the basic functions of this unit.
For details, please refer to the Operation manual stored on the website. https://www.pioneer-car.eu/uk/
Declaration of Conformity with regard to the Radio Equipment Directive 2014/53/EU
| Manufacturer: Pioneer Corporation Tokyo 113-0021, Japan 28-8, Honkomagome 2-chome, Bunkyo-ku, | EU Authorised Representatives & Importer: Pioneer Europe NV Haven 1087, Keetberglaan 1, B-9120 Melsele, Belgium/Belgique http://www.pioneer-car.eu |
[*] DMH-A340DAB, DMH-A240DAB, AVH-A240DAB, AVH-A240BT
Hereby, Pioneer declares that the radio equipment type
[*] is in compliance with Directive 2014/53/EU.
The full text of the EU declaration of conformity is available at the following internet address: http://www.pioneer-car.eu/compliance
[Bluetooth® specifications]
Output power: +4 dBm Maximum. (Power class 2)
Frequency band(s): 2 402.0 MHz to 2 480.0 MHz
Precaution
If you want to dispose of this product, do not mix it with general household waste. There is a separate collection system for used electronic products in accordance with legislation that requires proper treatment, recovery, and recycling.
Private households i n the member states of the EU, in Switzerland and Norway may return their used electronic products free of charge to designated collection facilities or to a retailer (if you purchase a similar new one).
For countries not mentioned above, please contact your local authorities for the correct method of disposal.
By doing so you will ensure that your disposed product undergoes the necessary treatment, recovery, and recycling and thus prevent potential negative effects on the environment and human health.
CAUTION
This product is a Class1 laser product classified under the safety standard, IEC 60825-1:2014.
CLASS1LASER PRODUCT
A Warning
Slots and openings in the cabinet are provided for ventilation to ensure reliable operation of the product, and to protect it from overheating. To prevent fire hazards, the openings should never be blocked o r covered with items (such as papers, floor mats, and cloths).
CAUTION
This product is evaluated in moderate and tropical climate conditions under the Audio, video, and similar electronic apparatus – Safety requirements, IEC 60065.
To ensure safety]
WARNING
« LIGHT GREEN LEAD AT POWER CONNECTOR IS DESIGNED TO DETECT PARKED STATUS AND MUST BE CONNECTED TO THE POWER SUPPLY SIDE OF THE HANDBRAKE SWITCH. IMPROPER CONNECTION OR USE OF THIS LEAD MAY VIOLATE APPLICABLE LAW AND MAY RESULT IN SERIOUS INJURY OR DAMAGE.
- Do not take any steps to tamper with or disable the handbrake interlock system which is in place for your protection. Tampering with or disabling the handbrake interlock system could result in serious injury or death.
- To avoid the risk of damage and injury and the potential violation of applicable laws, this product is not for use with a video image that is visible to the driver.
- In some countries the viewing of the video image on a display inside a vehicle even by persons other than the driver may be illegal. Where such regulations apply, they must be obeyed. If you attempt to watch a video image while driving, the warning “Viewing of front seat video source while driving is strictly prohibited.” will appear on the screen. To watch the video image on this display, stop the vehicle in a safe place and apply the handbrake. Please keep the brake pedal pushed down before releasing the handbrake.
About this manual
This manual uses diagrams of actual screens to describe operations. However, the screens on some units may not match those shown in this manual depending on the model used.
Getting started
What’s What

| 1 | Press and hold to power off |
| 2 | Press and hold to mute or unmute |
| 3 | [VOL ( + / – ) |
| 4 | USB port |
| 5 | Disceject |
| 6 | Disc loading slot |
Adjusting the date and time
1 Press [
|.
2
rate atime}.

Adjust the date and time
Selecting the score
Select a source
Display hidden sources
Tuner operation

| 1 | |
| 2 | |
| 3 | |
| 4 | |
| 5 | |
| 6 | |
| 7 |
Moving images operation

| 1 | |
| 2 | |
| 3 | |
| 4 | |
| 5 | |
| 6 |
Audio operation 
| 1 | |
| 2 | |
| 3 |
List search operation 
| 1 | |
| 2 | |
| 3 | |
| 4 |
Bluetooth® connection
- Press
.
Phone.- Select the unit name shown i n the mobile device display.
- Perform the pairing operation by the mobile device and this unit.
NOTE
The Bluetooth® word mark and logos are registered trademarks owned by Bluetooth SIG, Inc.and any use of such marks by Pioneer Corporation is under license. Other trademarks and trade names are those of their respective owners.
Bluetooth telephone operation 
| 1 | |
| 2 | |
| 3 | |
| 4 |
Connection
Precautions
Your new product and this manual
- Do not operate this product, any applications, or the rearview camera option Of purchased) if doing so will divert your attention in any way from the safe operation of your vehicle. Always observe safe driving rules and follow all existing traffic regulations. If you experience difficulty in operating this product, pull over, park your vehicle in a safe location and apply the handbrake before making the necessary adjustments.
- Do not install this product where it may (i) obstruct the driver’s vision, (ii) impair the performance of any of the vehicle’s operating systems of safety features, including airbags, hazard lamp buttons, or (ill) Impair the driver’s ability to safely operate the vehicle. In some cases, it may not be possible to install this product because of the vehicle type or the shape of the vehicle interior.
Important safeguards
WARNING Pioneer does not recommend that you install this product yourself. This product is designed for professional installation only. We recommend that only authorized Pioneer service personnel, who have special training and experience in mobile electronics, set up and install this product. NEVER SERVICE THIS PRODUCT YOURSELF. Installing or servicing this product and its connecting cables may expose you to the risk of electric shock or other hazards and can cause damage to this product that is not covered by a warranty.
Precautions before connecting the system
WARNING Do not take any steps to tamper with or disable the handbrake interlock system which is in place for your protection. Tampering with or disabling the handbrake interlock system could result in serious injury or death.
CAUTION
- Secure all wiring with cable clamps or electrical tape. Do not allow any bare wiring to remain exposed.
- Do not directly connect the yellow lead of this product to the vehicle battery. If the lead is directly connected to the battery, engine vibration may eventually cause the insulation to fail at the point where the wire passes from the passenger compartment into the engine compartment. If the yellow lead’s insulation tears as a result of contact with metal parts, short-circuiting can occur, resulting In considerable danger.
- It is extremely dangerous to allow cables to become wound around the steering column or gearstick. Be sure to install this product, Its cables, and wiring away In such so that they will not obstruct or hinder driving.
- Make sure that the cables and wires will not interfere with or become caught in any of the vehicle’s moving parts, especially the steering wheel, gearstick, handbrake, sliding seat tracks, doors, or any of the vehicle’s controls.
- Do not route wires where they will be exposed to high temperatures. If the insulation heats up, wires may become damaged, resulting in a short circuit or malfunction and permanent damage to the product.
- Do not shorten any leads. If you do, the protection circuit (fuse holder, fuse resistor or filter, etc.) may fail to work properly.
- Never feed power to other electronic products by cutting the insulation of the power supply lead of this product and tapping into the lead. The current capacity of the lead will be exceeded, causing overheating.
Before installing this product
- Use this product with a 12-volt battery and negative earthing only. Failure to do so may result in a fire or malfunction.
- To avoid shorts in the electrical system, be sure to disconnect the (-) battery cable before installation.
To prevent damage
WARNING
- When speaker output is used by 4 channels, use speakers over 50 W (Maximum input power) and between 4 to 8 0 (impedance value). Do not use 1 to 3 0 speakers for this unit.
- The black lead is earth. Please earth this lead separately from the earth of high current products such as power amps. Do not earth more than one product together with the earth from another product. For example, you must separate earth any amp unit away from the earth of this product. Connecting the earth together can cause a fire and/or damage the products if the earth became detached.
- When replacing the fuse, be sure to only use a fuse of the rating prescribed on this product.
- This product cannot be installed in a vehicle without ACC (accessory) position on the ignition switch.

- To avoid short-circuiting, cover the disconnected lead with insulating tape. It is especially important to insulate all unused speaker leads, which if left uncovered may cause a short circuit.
- For connecting a power amp or other devices to this product, refer to the manual for the product to be connected.
- The graphical symbol
placed on the product means direct current.
Notice the blue/ white lead
- When the ignition switch is turned on (ACC ON), a control signal is an output through the blue/white lead. Connect to an external power amp’s system remote control terminal, the auto-aerial relay control terminal, or the aerial booster power control terminal (max. 300 mA 12 V DC). The control signal is the output through the blue/White lead, even if the audio source is switched off
This product
- Microphone 3 m
- This product
- Aerial jack
- Digital Radio aerial input (DMH-A3400AB, DMH-A240DAB, AVH-A240DAB)
- Wired remote input (SWC) Hard-wired remote control adapter can be connected (sold separately).
- Pre-out supply (REAR VIEW CAMERA IN)
- Fuse (10 A)
- Power supply
Power cord
- To power supply
- Depending on the kind of vehicle, the function of 2″ and 4* may be different. In this case, be sure to connect 1* to 4* and 3′ to 2*.
- Yellow (r) Back-up (or accessory)
- Yellow (11 Connect to the constant 12 V supply terminal.
- Red (41 Accessory (or back-up)
- Red (3″) Connect to terminal controlled by ignition switch (12 V DC).
- Connect leads of the same color to each other.
- Orange/White To lighting switch terminal.
- Black (earth)
To vehicle (metal) body. - Blue/white (5′)
The pin position of the ISO connector will differ depending on the type of vehicle. Connect 5″ and 6* when Pin 5 is an aerial control type. In another type of vehicle, never connect 5* and 6″. - Blue/white (6
Connect to an auto-aerial relay control terminal (max. 300 mA 12 V DC). - Blue/white
Connect to the system control terminal of the power amp (max. 300 mA 12 V DC). - Violet/white
Of the two lead wires connected to the back lamp, connect the one in which the voltage changes when the gear shift is in the REVERSE (R) position. This connection enables the unit to sense whether the car is moving forwards or backward. - Yellow/black
If you use equipment with the Mute function, wire this lead to the Audio Mute lead on that equipment. If not, keep the Audio Mute lead free of any connections. - Light green
Used to detect the ON/OFF status of the handbrake. This lead must be connected to the power supply side of the handbrake switch. - Connection method Clamp the lead (1) then clamp firmly with needle-nosed pliers (2).
- Power supply side
- Handbrake switch
- Earth side
- Speaker leads
White: Front left + or high range left + White/black: Front left- or high range left –
Grey: Front right + or high range right +
Grey/black: Front right -or high range right-
Green: Rear left + or middle range left +
Green/black:
Rear left – or middle range left –
Violet: Rear right + or middle range right + Violet/black Rear right – or middle range right – - ISO connector In some vehicles, the ISO connector may be divided into two. In this case, be sure to connect to both connectors.
NOTE
The position of the handbrake switch depends on the vehicle model. For details, consult the vehicle Owner’s Manual or dealer.
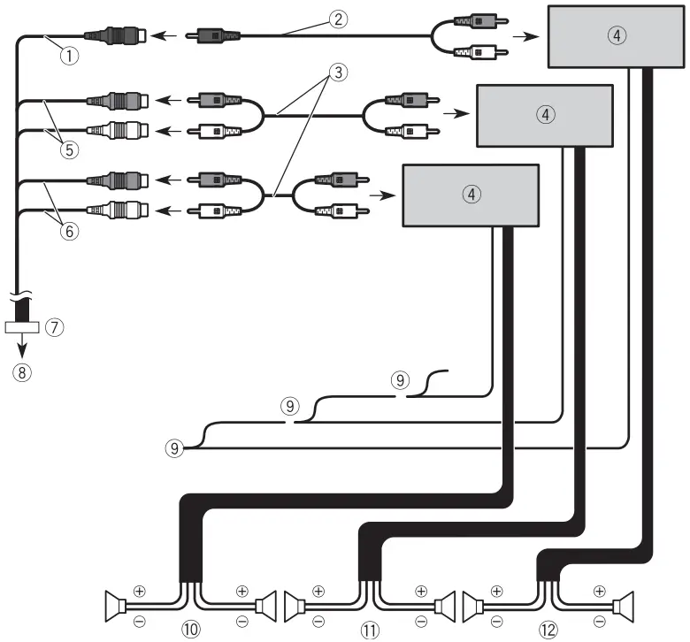
Power amp (sold separately)
Important The speaker leads are not used when this connection is in use.
- Subwoofer output (SUBWOOFER OUTPUT)
- RCA conversion cable (sold separately)
- RCA cable (sold separately)
- Power amp
- Front output (FRONT OUTPUT)
- Rear output (REAR OUTPUT)
- Pre-out cord
- To pre-out supply
- System remote control Connect to Blue/white cable (max. 300 mA 12 V DC).
- Rear speaker 0.-D
- Front speaker
- Subwoofer
iPhone and smartphone
NOTES
- For details on how to connect an external device using a separately sold cable, refer to the manual for the cable.
- For details concerning the connection and operations of iPhone or smartphone, refer to the Operation Manual.
iPhone with Lightning connector
Connecting via the USB port
- USB port
- USB cable 1.5 m
- USB interface cable for iPhone (sold separately)
- iPhone with Lightning connector
Smartphone (AndroidTM device)
Connecting via the USB port 
- USB port
- USB cable 1.5 m
- USB – micro USB cable (Type USB A -micro USB B) (sold separately) USB Type-C cable (Type USB A – USB C) (sold separately)
- Smartphone
NOTES
- The length of Type USB A – micro USB B cable cannot exceed 2 m and Type USB A
– U56 C cannot exceed 4 m according to the LISB cable standard. When using a cable other than the above conditions, the main unit function may not operate properly. - Android is a trademark of Google LLC.
Camera
About rear view camera
When you use the rearview camera, the rearview image is automatically switched from the video by moving the gearstick to REVERSE (R). Camera View mode also allows you to check what Is behind you while driving.
WARNING USE INPUT ONLY FOR REVERSE OR MIRROR IMAGE REAR VIEW CAMERA. OTHER USE MAY RESULT IN INJURY OR DAMAGE.
CAUTION
- The screen image may appear reversed.
- With the rearview camera, you can keep an eye on trailers, or back into a tight parking spot. Do not use for entertainment purposes.
- Objects in rear view may appear closer or more distant than in reality.
- The image area of full-screen Images displayed while backing or checking the rear of the vehicle may differ slightly.

- This product
- Pre-out supply
- Power supply
- To pre-out supply
- To power supply
- Power cord
- Brown (REAR VIEW CAMERA IN1
- Violet/white (REVERSE-GEAR SIGNAL INPUT) Refer to Power cord on page 10.
- RCA cable (sold separately)
- To video output
- Rearview camera (sold separately)
NOTES
- Connect only the rearview camera to the REAR VIEW CAMERA IN. Do not connect any other equipment.
- When the camera image is not displayed on the screen, check the camera setting in the setting menu. For details, refer to the Operation Manual.
External video component and the display
- This product
- Pre-out supply
- AUX input
- Mini-jack AV cable (sold separately)
- To pre-out supply
- Pre-out cord
- Yellow
- Red, white
- Yellow (REAR MONITOR OUT)
- RCA cables (sold separately)
- To video output
- To audio outputs
- The external video component (sold separately)
- To video input
- Rear display with RCA input jack
WARNING NEVER install the rear display in a location that enables the driver to watch the video source while driving. This product’s rear video output is for the connection of a display to enable passengers in the rear seats to watch the video source.
CAUTION Be sure to use a mini-jack AV cable (sold separately) for wiring. If you use other cables, the wiring position might differ resulting in disturbing images and sounds.
L: Left audio (White)
R: Right audio (Red)
V: Video (Yellow)
G: Earth
Installation
Precautions before installation
CAUTION
- Never install this product in places where, or in a manner that -Could injure the driver or passengers if the vehicle stops suddenly. -May interfere with the driver’s operation of the vehicle, such as on the floor in front of the driver’s seat, or close to the steering wheel or gearstick.
- To ensure proper installation, be sure to use the supplied parts in the manner specified. If any parts are not supplied with this product, use compatible parts in the manner specified after you have the part compatibility checked by your dealer. If parts other than supplied or compatible ones are used, they may damage internal parts of this product or they may work loose and the product may become detached.
- Do not install this product where it may (I) obstruct the driver’s vision, (ii) impair the performance of any of the vehicle’s operating systems or safety features, including airbags, hazard lamp buttons or (III) Impair the driver’s ability to safely operate the vehicle.
- Never install this product in front of or next to the place in the dashboard, door, or pillar from which one of your vehicle’s airbags would deploy. Please refer to your vehicle’s owner’s manual for reference to the deployment area of the frontal airbags.
Before installing
- Consult with your nearest dealer if installation requires drilling holes or other modifications of the vehicle.
- Before making a final installation of this product, temporarily connect the wiring to confirm that the connections are correct and the system works properly.
Installation notes
- Do not install this product in places subject to high temperatures or humidity, such as:
– Places close to a heater, vent, or air conditioner.
-Places exposed to direct sunlight, such as on top of the dashboard.
-Places that may be exposed to rain, such as close to the door or on the vehicle’s floor. - install this product horizontally on a surface within 0 to 30 degrees tolerance (AVH) or 0 to 60 degrees tolerance (DMH).
- When installing, to ensure proper heat dispersal when using this unit, make sure you leave ample space behind the rear panel and wrap any loose cables so they are not blocking the vents.

Before installing this product
- Remove transport screws. (AVH-A240DAB/AVH-A24013T)
Important
Remove these two transport screws before installation. Otherwise, the disc player will not work.
- Transport screw
- Insert the supplied extraction keys into both sides of the unit until they click into place.
- Pull the unit out of the holder.

- Extraction key
Installation with the holder
- Install the holder into the dashboard.
- Secure the mounting sleeve by using a screwdriver to bend the metal tabs (90°) into place.

- Dashboard
- Holder
- Install this product into the holder.

- Dashboard
- Attach the trim ring.
Groove Attach the trim ring with the side with a groove facing downward.
Installation using the screw holes on the side of this product
Fastening this product to the factory radio-mounting bracket. Position this product so that its screw holes are aligned with the screw holes of the bracket, and tighten the screws at three locations on each side.
- Factory radio-mounting bracket
- If the pawl interferes with the installation, you may bend it down out of the way.
- Dashboard or console
- Flush surface screw Be sure to use the screws supplied with this product.
Installing the microphone
- Install the microphone in a place where its direction and distance from the driver make it easiest to pick up the driver’s voice.
- Be sure to turn off (ACC OFF) the product before connecting the microphone.
- Depending on the vehicle model, the microphone cable length may be too short when you mount the microphone on the sun visor. In such cases, install the microphone on the steering column.
Mounting on the sun visor
- Fit the microphone lead into the groove.

- Microphone lead
- Groove
- Attach the microphone clip to the sun visor.

- Microphone clip
- Clamps
Use separately sold clamps to secure the lead where necessary inside the vehicle.
Install the microphone on the sun visor when it is in the up position. It cannot recognize the driver’s voice if the sun visor is in the down position.
Installation on the steering column
- Detach the microphone base from the microphone clip by sliding the microphone base while pressing the tab.

- Tab
- Microphone base
- Mount the microphone on the steering column.

- Double-sided tape
- Clamps
Use separately sold clamps to secure the lead where necessary inside the vehicle.
NOTE
Install the microphone on the steering column, keeping it away from the steering wheel.
Adjusting the microphone angle
The microphone angle can be adjusted.
Declaration of Conformity with regard to the Radio Equipment Regulations 2017
| Manufacturer: Pioneer Corporation 28-8, Honkomagome 2-chome, Bunkyo-ku, Tokyo 113-0021, Japan | UK Authorised Representatives & Importer: Pioneer Europe NV Salamanca, Wellington Street, Slough, SL1 1YP, UK http://www.pioneer-car.eu |
[ * ] DMH-A340DAB, DMH-A240DAB, AVH-A240DAB, AVH-A240BT
Hereby, Pioneer declares that the radio equipment type [*] is in compliance with UK SI 2017 No. 1206. The full text of the UK
declaration of conformity is available at the following internet address: http://www.pioneer-car.eu/compliance
References
car.eu
Car GPS Navigation – Multimedia Receiver – Digital Bass Control | Pioneer
Car GPS Navigation – Multimedia Receiver – Digital Bass Control | Pioneer
Product Compliance Documents | Pioneer
Pioneer Car Entertainment Deutschland - neueste Produkte und Informationen
Pioneer - Entretenimiento en el Automóvil; últimos productos y características (España)
Car GPS Navigation – Multimedia Receiver – Digital Bass Control | Pioneer
Pioneer Equipement Automobile - Nouveaux produits et nouvelles caractéristiques
Navigazione GPS per auto - Ricevitore multimediale - Controllo digitale dei bassi | Pioneer
Pioneer Car Entertainment Nederland - nieuwste producten en hun kenmerken
Car GPS Navigation – Multimedia Receiver – Digital Bass Control | Pioneer







Groove Attach the trim ring with the side with a groove facing downward.





















