CombiSteel 7527.xxxx Series Back Bar Coolers

Important safety instructions
Read these instructions for use carefully before using the device. Observe all safety instructions, so as to avoid damage through improper use.
- Keep this instruction manual for future use. Should this appliance be passed on to a third party, this instruction manual must be handed over.
- This appliance is heavy. To prevent injury or damage to it, unpack and set up by two people.
- Never use a damaged appliance! Disconnect the appliance from the mains outlet and contact your supplier, if it is damaged.
- Connect and install this appliance in strict compliance with the relevant instructions in this manual.
- Only use the appliance for its intended use. The appliance is intended for commercial use.
- No responsibility is accepted for damage resulting from improper use or non-compliance with the instructions.
- Only use the appliance indoors.
- Danger of electric shock! Never try to repair the appliance yourself. Refer to a qualified customer service outlets for maintenance and repairs.
- Regularly check the power plug and power cord for damage. A damaged power cord has to be replaced by the manufacturer, his customer service or a similarly qualified person in order to avoid danger of injury.
- Before inserting the power plug into the mains outlet, check that the power supply voltage and current rating corresponds with the power supply details shown on the appliance rating label.
- Avoid damage to the power cord. Do not squeeze, bend or scour on sharp edges. Keep away from hot surfaces and naked flames.
- Please connect the earthing wire to the terminal of equipotentiality by qualified technician.
- For your safety, only connect the appliance with a properly earthed mains outlet. Unplug the appliance immediately if you get an electric shock when touching the appliance.
- Do not pull on the power cord. Only pull on the plug. Do not wrap the power cord around the appliance.
- This appliance must be earthed!
- Securely route the power cord so that no unintentional pulling or tripping over it is possible.
- Connect the power plug with an easy reachable mains outlet so that in case of an emergency the appliance can be unplugged immediately.
- Never use accessories, which are not recommended by the manufacturer. They could pose a danger to the user and might damage the appliance. Only use original accessories.
- The appliance is powered when connected to the power supply.
- Warning! Do not insert any objects into the casing of the appliance.
- Do not open the casing.
- Do not obstruct or cover the ventilation openings. Keep the appliance well ventilated at all times.
- Should the cover of the light or ventilator grill fall off or break, unplug the appliance immediately and contact qualified personnel for repairs.
- This appliance is not intended for use by persons (including children) with reduced physical, sensory or mental capabilities, or lack of experience and knowledge, unless they have been given supervision or instruction concerning use of the appliance by a person responsible for their safety.
- Children should be supervised to ensure that they do not play with the appliance.
- Do not keep the key of the appliance lock near or within reach of children.
- Do not touch the appliance with wet or damp hands. Do not operate the appliance with wet hands or standing on a wet floor.
- Warning! During cleaning or operation do not immerse the appliance in water or other liquids. Do not clean the appliance with a garden hose.
- Should water flow into the appliance, immediately unplug the appliance and let it be inspected by qualified personnel before using again.
- Unplug from the mains outlet when not in use and before cleaning.
- Do not place combustible, explosive or volatile articles, corrosive acids or alkali in the appliance. Store high-proof spirits only in upright position and close them properly. Containers with flammable gases and liquids can leak at low temperatures and catch fire from electrical appliances’ sparking. Danger of explosion!
- Make sure that no chemical substances get into the interior of the appliance.
- Warning! This product is for food storage within containers. Do not place food inside without it being in a container.
- Leaking oil can damage the rubber gaskets of the appliance. Make sure that products with oil are wrapped properly and cannot leak.
- Keep the appliance away from any hot surfaces and naked flames.
- Always operate the appliance on a level, stable, clean, heat resistant and dry surface.
- Do not use the appliance in the proximity of explosive and inflammable vapours.
- The minimal distance specification to the surrounding roadblock is 1 meter.
- Do not damage any parts of the appliance which carry refrigerant by piercing, perforating, crushing, twisting or scraping.
- Danger of fire! In event of refrigerant leakage, unplug the appliance, remove any ignition sources nearby, ventilate the room and contact your supplier. Avoid contact with the eyes as the refrigerant may cause serious eye injury. You can find details on the refrigerant on the rating label.
- In case of fire unplug from the mains outlet or disconnect from the power supply.
- Warning! Do not spill water on the appliance when connected to the power supply. Risk of electric shock!
- Do not accelerate the defrosting process by using mechanical devices, heating sources (candles or heaters) or other means. The emerging steam can cause short circuit and too high temperatures can damage the synthetic covering of the appliance.
- Do not use electrical appliances in the inner compartment.
- Take protective measures to prevent prolonged skin contact with cold surfaces of inner compartment or with chilled products, e.g. wear gloves.
- Never put warm or hot foods directly into the appliance.
- Cover food to prevent smell and to keep fresh. Do not consume products which have been stored for too long to avoid food poisoning.
- Caution: Fire hazard
- Warning – keep clear obstruction all ventilation openings in the appliance enclosure or in the structure for built-in.
- Warning – do not use mechanical devices or other means to accelerate the defrosting process, other than those recommended by the manufacturer.
- Warning – do not damage the refrigerant circuit.
- Warning – do not use electrical appliance inside the food storage compartments of the appliance, unless they are of the type recommended by the manufacture.
Parts
7527.0005
7527.0030
- Ventilation opening with grill
- Door
- Lock
- Shelves
- Power cord with power plug
- ON/OFF switch I/O
- Control panel with cover
- Lamp (LED)
- Casing
- Inner compartment
- Castors
- LED display
- SET button
- buttons
- Cooling indicator
- Defrosting indicator
- button (Note: The appliance is provided with an automatic defrost function. No need to set manually.)
7527.0010
7527.0035
- Ventilation opening with grill
- Door
- Lock
- Shelves
- Power cord with power plug
- ON/OFF switch I/O
- Control panel with cover
- Lamp (LED)
- Casing
- Inner compartment
- Castors
- LED display
- SET button
- buttons
- Cooling indicator
- Defrosting indicator
- button (Note: The appliance is provided with an automatic defrost function. No need to set manually.)
7527.0015
7527.0040
- Ventilation opening with grill
- Door
- Lock
- Shelves
- Power cord with power plug
- ON/OFF switch I/O
- Control panel with cover
- Lamp (LED)
- Casing
- Inner compartment
- Castors
- LED display
- SET button
- buttons
- Cooling indicator
- Defrosting indicator
- button (Note: The appliance is provided with an automatic defrost function. No need to set manually.)
7527.0020
7527.0045
- Ventilation opening with grill
- Door
- Lock
- Shelves
- Power cord with power plug
- ON/OFF switch I/O
- Control panel with cover
- Lamp (LED)
- Casing
- Inner compartment
- Castors
- LED display
- SET button
- buttons
- Cooling indicator
- Defrosting indicator
- button (Note: The appliance is provided with an automatic defrost function. No need to set manually.)
7527.0025
7527.0050
- Ventilation opening with grill
- Door
- Lock
- Shelves
- Power cord with power plug
- ON/OFF switch I/O
- Control panel with cover
- Lamp (LED)
- Casing
- Inner compartment
- Castors
- LED display
- SET button
- buttons
- Cooling indicator
- Defrosting indicator
- button (Note: The appliance is provided with an automatic defrost function. No need to set manually.)
Before first use
- Remove all packaging ( → Disposal of packaging).
- Check for completeness and transport damage. In case of damages or incomplete delivery please contact your dealer. ( → Guarantee).
- Clean the appliance ( → Cleaning).
- Place the appliance on a horizontal and stable surface with a maximum incline of 5%.
- Do not expose parts which heat up. Try to position the appliance close to a wall, but leave enough space for ventilation to ensure good circulation and efficiency of the appliance.
- Keep the appliance away from any substance, which can cause ignition.
- Do not position the appliance in direct sunlight or near any heat sources.
- Protect the appliance from moisture, extreme heat or cold.
- Climate class of the appliance: 4. Please see the climate class and matched temperature range for reference.
Test room climate class Dry bulb temperature Relative humidity ◦C % 1 16 80 2 22 65 3 25 60 4 30 55 5 40 40 - Never use an extension cord – risk of overheating! If the power cord (5) does not reach the nearest mains outlet, either rearrange your store layout or ask qualified personnel to fit a new outlet.
- The appliance is fitted with castors (11), so that you can easily move it from one place to another. Two of four castors have brakes. Warning! Do not move the appliance across uneven floors or steps.
- If the power is cut off, wait for at least 5 minutes before plugging the appliance in again to avoid damaging the compressor.
- Important! Allow the appliance to stand upright for 8 hours before connecting to a mains outlet for the first time, in order to allow the refrigerant to settle.
- The maximum load for a shelf (4) is 30kg..
Operation
- Connect the power plug (5) with the mains outlet.
- The showcase starts to work.
- The thermostat (digital temperature controller) is located at bottom of the appliance.
- After a few seconds the LED display (12) shows the actual inner compartment (10) temperature. The cooling indicator (15) lights up. The showcase automatically begins to cool down to the preset temperature.
- After the inner compartment temperature reaches the preset value, the cooling indicator (15) turns off as long as the inner compartment temperature is constant.
- The factory pre-set temperature is between 2-8◦C. Do not adjust this within the first 24 hours! After 24 hours adjust the temperature in gradual stages, if necessary.
Temperature adjustment
- Press SET (13), the LED display (12) flashes. Select the desired temperature by pressing and press SET again to save the settings.
- The LED display shows the actual inner compartment temperature. The cooling indicator (15) lights up. The showcase begins to cool down to the preset value.
Defrosting
- The appliance is provided with an automatic defrost function. The defrosting automatically starts every 6 hours and lasts for 20 minutes (factory setting).
- Please do not change any factory settings! These determine how your appliance works. Changing these settings makes your warranty void. Contact our service if you have any questions.
Switching the lamps on/off
- Press the ON/OFF switch I/O (6) to switch on/off the interior lamp (8).
Locking the door
- Please double check and confirm that there is no person inside the appliance before locking the door (2).
- To lock: insert the key into the lock (3), and press and then turn 180◦ clockwise and take out the key. OR To lock: insert the key into the lock (3) and turn 90◦ clockwise to lock the door.
Cleaning
- Unplug your appliance and remove any products to a suitable back-up showcase before cleaning.
- Take out all removable parts before cleaning.
- Clean the inner compartment (10), equipment parts and casing (9) with dry cloth. Do not allow the control panel (7), power cord with plug (5),ventilation opening (1), lamp (8) or other electrical components to become wet.
- Never use corrosive detergents, wire brushes, or abrasive scourers to clean your appliance.
- Never use metal or sharp implements to remove debris.
- Dry all surfaces thoroughly.
- Use dry cloth to clean the gaskets and seals. Check them for debris to ensure the door always closes properly.
- Do not remove or damage the rating label as it contains important data.
Replacing the lamp
- Please do not replace the lamp (8) yourself. Contact qualified personnel for this purpose.
- Note: the specification of replacement lamp should be the same as the original one.
Disposal instructions
Disposal of old appliances
- Disable discarded appliances by removing the plug and cutting through the power cord.
- Break any locks in order to avoid children and other persons becoming trapped. If possible, remove any doors and discard separately.
- Warning – hazardous chemicals! Do not allow children to play with the old appliance.
- Do not damage the refrigerant circuit during storage and transportation of old appliances! Make sure that the evaporator pipes, refrigerant circuit and surface coverings are not damaged. Avoid contact with the eyes as the refrigerant may cause serious eye injury.
- Do not store old appliance near heat and ignition sources. In event of leakage the refrigerant of this appliance is highly inflammable.
- Please note: the refrigeration system contains gases and refrigerants which require specialist waste disposal.
Technical data
| Model | 7527.0005 7527.0030 | 7527.0010 7527.0035 | 7527.0015 7527.0040 | 7527.0020 7527.0045 | 7527.0025 7527.0050 | |
| Type of door | Hinged doors | Sliding doors | ||||
| Rated Voltage | 220 – 240 V~ | |||||
| Rated Frequency | 50 Hz | |||||
| Climate Class | 4 | |||||
| Protection Class | I | |||||
| Temperature | 0 to +8°C | |||||
| Foam Blowing Agent | C-pentane | |||||
| Rated Current | 1.25 A | 1.66 A | 1.66 A | 1.66 A | 1.76 A | |
| Energy Consumption | 2.18 KWh/24h | 2.60 KWh/24h | 3.78 KWh/24h | 3.78 KWh/24h | 4.76 KWh/24h | |
| Refrigerant | R600a (35 g) | R600a (62 g) | R600a (85 g) | R600a (64 g) | R600a (90 g) | |
| Light | 7 W | 7 W | 9 W | 7 W | 9 W | |
| Net Volume | 128 L | 200 L | 312 L | 200 L | 312 L | |
| Net/Gross Weight | 48/58 kg (GBC1001) 51/61 kg (GBC1001S) | 62/72 kg (GBC1002) 65/75 kg (GBC1002S) | 86/96 kg (GBC1003) 89/99 kg (GBC1003S) | 65/75 kg | 86/96 kg | |
| Dimension (W x H x D) | 600x925x540mm | 900x925x540mm | 1350x925x540mm | 900x925x540mm | 1350x925x540mm | |
| Noise Level | 60 dB(A) | 67 dB(A) | 67 dB(A) | 56 dB(A) | 56 dB(A) | |
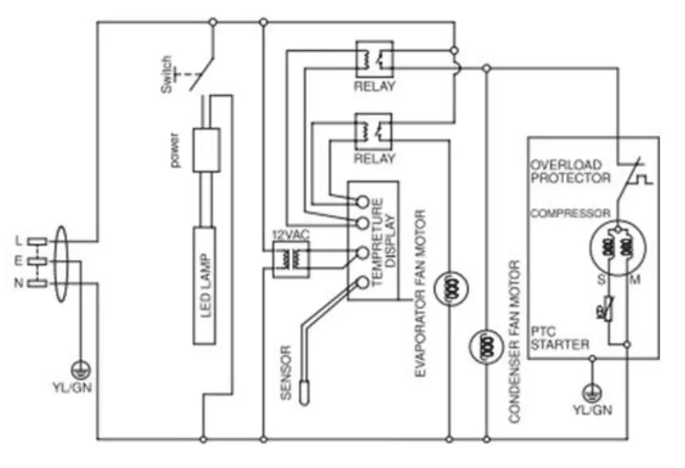
Electrical diagram 
Warranty
A statutory warranty applies for this product. Damages caused by wrong treatment or operation, by false placement or storage, improper connection or installation, as well as force or other external influences are not covered by this warranty. We recommend careful reading of the operating instructions as it contains important information.
Note:
- In case this product does not function correctly, please firstly check if there are other reasons, e.g. for electrical appliances interruption of the power supply, or generally incorrect handling are the cause.
- Please note that, where possible, the following documents or rather information should be provided together with your faulty product:
- Purchase receipt
- Model description/Type/Brand
- Describe the fault and problem as detailed as possible



![Arctic Air Back Bar Bottle Cooler [abb72, Abb72g] Instruction Manual Arctic Air Back Bar Bottle Cooler [abb72, Abb72g] Instruction Manual](https://static-data1.manualsee.com/1/img/200/17361/2020/12/00-67.jpg)
















