SIRMAN WSIR0230 Dolomiti 2-3 Blast Chiller Freezer Stainless Steel
Description of the Appliance
The mixed freezer takes advantage of a forced air refrigeration system with an incorporated motor-driven condenser. It is available in the basic and ice cream versions. General aesthetic characteristics and maximum dimensions are clearly illustrated in
Cabinet description
Transporting the appliance
The appliance is outfitted with wooden slides that enable moving it by means of a fork lift; it must only be moved by authorized technicians. The weight of the appliance and the fork coupling points for movement are illustrated
Cabinet handling
Receipt and storage
When the appliance is delivered make sure it has not been damaged, therefore check the conditions of the packaging. If the latter is damaged check its contents in front of the carrier. The appliance must be protected from the elements, the storage temperature must be between -25°C and +55°C, and humidity must be between 30% and 95%. Unpacking operations must be carried out with particular care because there are parts and/or accessories in the package that are necessary for completing the counter (spacers, containers, etc.). Disconnect the brackets and transportation pallet from the machine and remove the white perimeter protections. Place the counter exactly in the desired place of installation. Move the appliance by shifting it. Attention: in the case in which the goods should arrive damaged immediately notify the company, delays free the manufacturer of any responsibility. The manufacturer is not responsible for any damage to the appliance during transport and storage.
Installation and environmental conditions
The freezer must be placed on a perfectly flat surface; the fully loaded appliance must not oscillate Unlevel surfaces could compromise the correct running of the refrigerated appliance. It is absolutely forbidden to place the appliance in places where there are explosive gas substances present. Furthermore, the machine must not be used in the open air or be exposed to rain The performance of the cabinet refers (according to the international standard EN ISO 23953-1/2) to environmental climatic class 3 which consists of a room temperature of 25°C with relative humidity of 60%. Adequate space in front is required to guarantee correct air circulation in the condenser The presence of objects in front of the protection grid of the condenser could compromise the correct functioning of the refrigerated appliance . If the environmental conditions are different from those foreseen or the counters are exposed to air currents stronger than 0.2m/sec. or to heat radiation, a lesser performance must be accepted.



Electrical connection
Important: installation should be made following the manufacturer’s instructions, by qualified personnel only, in conformity with the electric safety regulations in force. Please refer to the electrical diagram at page 4. At the input of the supply it is necessary to install an omni-polar magnet othermic/differential device with contact opening equal to 3 mm and adequate cut-off power. Attention: Before connecting the appliance to the electrical network make sure that the feeding tension corresponds to what is reported on the registration plate (consider that the maximum variations in tension permitted are +/-10%). Make sure the electrical connection has cables with a cross section and length able to support the current and the absorbed power of the refrigerated appliance. The plug-in appliance is provided with a plug and 2,5 m long cable therefore this length must not be exceeded for the connection to the wall outlet. The counter must be connected to a fixed electrical outlet (not with extension cords or multiple outlets). The cable must be well stretched and out of the way of collisions, it must not be near liquids or water and heat sources, it must not be damaged. In case of breakage of the power cable of the cabinet, it must be replaced by the manufacturer or by institution in charge of it. The plug must be accessible even after the appliance has been installed. Attention: Installation must be carried out according to the manufacturer’s instructions, by qualified personnel and in compliance with electrical norms in force in the countries the appliance is installed in (electrical safety norms and laws, safety and accident prevention norms, directives). Incorrect installation can cause damage to persons, animals or things, which the manufacturer is not liable for. The appliance must be grounded. The manufacturer is not liable whenever this accident prevention norm is not respected. In the case in which the appliance must be installed far from the electrical outlet, provide for a connection in compliance with the norms in force. Using adaptors is absolutely prohibited. The manufacturer declines any responsibility for damage to persons or things caused by incorrect installation.
Unit maintenance
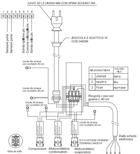
Electrical diagram
Technical characteristics
The appliance is accompanied by a plastic envelope containing this instruction manual, which must be conserved. Technical data, electrical diagrams and tables concerning the appliance are contained in it. The technical data are also represented on the registration plate it indicates:
- Commercial name of the refrigerating display unit
- Refrigerating display unit code
- Refrigerating display unit serial number
- Rating
- Frequency
- Max absorbed current
- Max absorbed power
- Max absorbed power during defrosting
- Standard lighting power
- Net display area
- Type of cooling gas used
- Weight of cooling gas loaded in each unit
- Climatic class and reference temperature (dry bulb)
- Electrical safety factor
- Work schedule number
- Work order number
- Year of manufacture
Attention: The registration plate and the warning labels must not be removed. The manufacturer is not liable whenever these warnings are not respected. The machinery is declared to be in compliance with the Decree by Law dated 25/01/1992 N°108, the carrying out of the CEE 89/109 directive concerning the materials and objects destined to come into contact with food products.
Loading the product and using the appliance
If the counter is greatly inclined due to its positioning, wait at least three hours before starting it so that the lubricating oil can be collected in the compressor! If this prescription is not observed the compressor could be damaged beyond repair. The counter can be set to work for the first time only after having carried out points 3 and 4. When the counter is turned off proceed to the following: remove the plastic film protections on the inside and outside after having cleaned it first (following the indications reported in point 10).
Foreseen use of the mixed freezer
The mixed freezer can carry out freezing and deep-freezing cycles by temperature and time. The freezer has been designed to contain the standard Gastronom 1/1 trays or grids (530×325) and 600×400 pans.
Control panel – Operational cycles
Insert the plug in the electrical outlet (with the qualities described in point 5). The internal temperature of the freezer will appear on the display.
DESCRIPTION

- According to the model, the display will show the working setpoint during the blast chilling or the blast chilling cut off temperature.
- Press and release button UP or button DOWN in 15 s to modify these values. 5. Press and release button START / STOP: LED will firmly remain switched on and it will be started the test for the verification of the proper insertion of the needle probe.
- If the test is successfully completed, the cycle will be started.
- If the test is not successfully completed, the cycle will be started time controlled. To stop the cycle operate as follows:
- Press and release button START / STOP.
- Hard blast chilling and storing To start the cycle operate as follows:
- Make sure the device is in status “on”.
- Make sure the keyboard is not locked and no procedure is running.
- Press and release button BLAST CHILLING: LED and LED will flash; according to the model, press and release button BLAST CHILLING again to start the cycle time controlled.
- Press and release button HARD / SOFT: LED HARD will flash.
- According to the model, the display will show the work- ing setpoint during the blast chilling or the blast chilling cut off temperature.
- Press and release button UP or button DOWN in 15 s to modify these values.
- Press and release button START / STOP: LED and LED HARD will firmly remain switched on and it will be started the test for the verification of the proper insertion of the needle probe.
- If the test is successfully completed, the cycle will be started.
- If the test is not successfully completed, the cycle will be started time controlled. To stop the cycle operate as follows:
- Press and release button START / STOP.
- Blast freezing and storing
- To start the cycle operate as follows:
- Make sure the device is in status “on”.
- Make sure the keyboard is not locked and no procedure is running.
- Press and release button BLAST FREEZING: LED , LED , LED HARD and LED will flash; according to the model, press and release button BLAST CHILLING again to start the cycle time controlled.
- According to the model, the display will show the work- ing setpoint during the blast freezing or the blast freezing cut off temperature.
- Press and release button UP or button DOWN in 15 s to modify these values.
- Press and release button START / STOP: LED , LED and LED HARD will firmly remain switched on and it will be started the test for the verification of the proper insertion of the needle probe.
- If the test is successfully completed, the cycle will be started.
- If the test is not successfully completed, the cycle will be started time controlled.
- To stop the cycle operate as follows:
- Press and release button START / STOP.
- Soft blast freezing and storing To start the cycle operate as follows:
- Make sure the device is in status “on”.
- Make sure the keyboard is not locked and no procedure is running.
- Press and release button BLAST FREEZING: LED , LED , LED HARD and LED will flash; according to the model, press and release button BLAST CHILLING again to start the cycle time controlled.
- Press and release button HARD / SOFT: LED HARD will switch off.
- According to the model, the display will show the work- ing setpoint during the blast freezing or the blast freezing cut off temperature.
- Press and release button UP or button DOWN in 15 s to modify these values.
- Press and release button START / STOP: LED and LED will firmly remain switched on and it will be started the test for the verification of the proper in- sertion of the needle probe.
- If the test is successfully completed, the cycle will be started.
- If the test is not successfully completed, the cycle will be started time controlled. To stop the cycle operate as follows:
- Press and release button START / STOP.
- Starting the precooling
- To start the precooling operate as follows:
- Make sure the device is in status “on”.
- Make sure no procedure is running.
- According to the model, switch on the device or press and hold button BLAST CHILLING 1 s: LED will flash. To stop the precooling operate as follows:
- Press and hold button BLAST CHILLING 1 s or start an operating cycle.
Prohibitions and prescriptions
- Attention: disconnect the cabinet from the power supply in case it is not used. The power supply has to be disconnected by the remote-control switch fitted upstream from the power socket.
- Attention: Do not expose the agent to atmospheric conditions, never use water jets directly on the appliance to clean it, do not touch and do not use the appliance with wet or damp hands and feet.
- Attention: Do not remove protections or coverings that require the use of tools to be taken off, do not remove the covering of the electrical control panel.
- Attention: Do not walk on the upper part of the appliance.
- Attention: Do not attempt to remove ice formations with pointed metal objects.
- Attention: The refrigerating system does not lead to any chemical change in the defrosting water produced by the appliance. The latter only comes from the steam contained in the air that circulates inside it. In any case the water produced by the systems must always be disposed of through the sewage system or purification plants in compliance with the laws in force.
- Attention: Any eventual use that is not explicitly indicated in this manual is to be considered dangerous and the manufacturer cannot be held responsible for damage due to improper, incorrect and irrational use.
- Attention: Do not damage the refrigerant circuit (IEC60335-2-89:2002 and changes).
- Attention: Do not use electrical appliances inside the food storage compartments of the appliance, unless they are of the type recommended by the manufacturer (IEC60335-2-89:2002 and changes).
- Attention: This appliance is not intended for use by persons (including children) with reduced physical, sensory or mental capabilities, or lack of experience and knowledge, unless they have been given supervision or instruction concerning use of the appliance by a person responsible for their safety.
- Attention: Children should be supervised to ensure that they do not play with the appliance.
- Attention: Do not store explosive substances such as aerosol cans with a flammable propellant in this appliance.
Disposal of condensation water
Dry manually the condensation water formed in the refrigerated compartment, with a soft cloth.
Cleaning the appliance
Attention: Before proceeding to the cleaning of the appliance disconnect the electrical current. Periodically clean the appliance with neutral detergent and dry it with soft cloths. Do not use flammable or abrasive products; do not carry out cleaning operations with direct jets of water. When cleaning the inside part of the appliance use protective gloves so that skin does not come into direct contact with the cold parts.Attention: Start the appliance again only after having made sure that the parts previously removed are dry. Recharge the appliance by following the steps in point 7.
Maintenance of the applianceAttention:
All operations described in the maintenance of the appliance should be carried out by qualified personnel. Attention: Before proceeding to maintenance disconnect the electrical current.Attention: Other maintenance operations, (not described herein) including the replacement of lamps with lamps of the same model, have to be commissioned to authorized centers of assistance or qualified personnel.Clean the condenser monthly, removing the side protection grid (FIG. 9 page 3). Use a rigid silk brush (not metal) or even better, a vacuum cleaner, eliminate all dust accumulated and residue deposited between the fins making sure to not damage them. When cleaning the condenser use gloves to protect it from being cut. Once cleaning operations have been finished replace the removed protections. Leaving the condenser dirty for long periods of time means the appliance consumes more energy and performs worse. The evaporator forms accumulations of ice after long periods of running, therefore impeding it from working correctly. Every three months proceed to general cleaning, therefore remove the electrical tension and completely empty the appliance. Wait for the ice that has formed on the evaporator fins to me completely then clean it carefully with soft silk brushes, even in this case use gloves to protect it from being cut (before starting it again make sure the internal walls are completely dry). It is advisable to have the appliance checked in generally a refrigeration specialist or qualified technician once a year.
14 – Emergency situations
- Attention – If the counter stops or does not start:
- Make sure there is not an electrical blackout
- Make sure the plug is inserted correctly in the outlet.
- Make sure (where present) that the eventual protection device above the outlet is inserted.
- Attention – If the appliance does not cool enough:
- Make sure the condenser id clean and able to carry out its function of heat exchange, read point 11 if this is not the case.
- Make sure the air intakes are not blocked, if this is not the case read point 7.
- Make sure the evaporator is not covered by ice, if this is not the case read point 13.
- Make sure the appliance is not near air currents or heat sources (see point 4).
- Make sure the appliance is level and that the environmental conditions respect what is reported in point
- If the problem continues after the various checks call the nearest assistance center. Attention
- In the case of gas leaks or fire do not go near the motor opening and remove electrical tension from the appliance.
- Do not use water to extinguish the flames but only dry extinguishers.
- All materials that make up the appliance are fire-retardant or self-extinguishing and are not combustible.
Technical assistance
Whenever an intervention by technical assistance personnel is required or whenever mechanical or electrical parts or compressors must be replaced, the user must contact the supplier who he purchased the appliance from and request original spare parts.
Dismantling and elimination of cabinet
For environmental reasons and in compliance with the regulations in your country, separate the parts of the cabinet for disposal and/or recycling. All the parts that make up the cabinet are made of materials that are not classifiable as urban waste except for the metallic parts that are not classified as special waste in most countries. As regards the parts of the refrigeration circuit, that is the refrigerating gas and lubricating oil, these should not be disposed of carelessly and can be recycled byspecialized centers. This product contains HFC, namely fluoridated gasses, a refrigerating gas with a high Global Warming Potential(GWP) regulated by the Kyoto protocol. The gas contained in foam polystyrene for thermal insulation of the cabinet is (R134A). The plug-in cabinets are equipped with the following types of refrigerating gasses:R 134a; GWP (100) = 1300R 404A; GWP (100) = 3750This unit is hermetically sealed and the refrigerating gas load is under 3 kg.For this reason it is not subject to the requirements of an installation booklet and periodic inspections for leakage ofthe refrigerating gas (presidential Decree no. 147 of February 15th, 2006, Art. 3 and 4).
17 – Electrical diagrams
The electrical diagram can be consulted
Installation, maintenance
The installation of the refrigerated cabinet, as well as maintenance, must be performed by skilled technicians. During the execution of the maintenance officers are required to operate in accordance with the instructions contained in the instruction manual. Before performing any ELECTRICAL or MECHANICAL maintenance on the refrigerator, the technician in charge must be sure that there is no power supply. The technicians in charge of performing maintenance and needs to work on the components and parts inside the refrigerated cabinet are exposed to mechanical hazards. Periodic cleaning of the refrigerated cabinet Periodic cleaning of the refrigerated cabinet must be carried out on the cabinet that is not working and with power switched off
The following personal protective equipment are compulsory for technicians who work on the counter
Safety Symbols for immediate notification of dangerous situations and prohibitions

IMPORTANT NOTICE
- Read prior to installation and keep this information
- This product is covered by Directive 2002/96/CE WEEE (Waste Electrical and Electronic Equipment) known in Italy as RAEE (Rifiuti da Apparecchiature Elettriche ed Elettroniche) designed to halt the increase of this type of waste and promote recycling as well as decreasing disposal.
- The symbol of the crossed-out waste bin that appears on the rating plate declares:
- that the product was put in circulation after 13th August 2005;
- that the product is subject to separate collection and must not be treated like normal domestic waste or sent to dumps for disposal.
- The user is required to delivery the product for disposal to the collection center specified by the local authorities for recovery and recycling of professional WEEE (RAEE).
- In case of trade-in of the old product for a new one, the user can ask the seller to take delivery of the old one, no matter what the brand.
- The manufacturer is responsible for making recovery, disposal and treatment of its products feasible at the end of their useful life, either directly or via a collective system.
- Violations of the regulation call for specific sanctions, to be established autonomously by each EU member country with its own legislation, binding equally on all those subject to its laws.
- The manufacturer, in considering this product a WEEE (RAEE), interprets the guidelines of Orgalime, which takes account of the application, in Italian legislation, with Legislative Decree no. 151 of July 15, 2005, of directives 2002/96/CE, and 2002/95/CE (RoHS), relative to the use of hazardous substances in electric and electronic devices.
- For further information see your Municipal Authorities, the Seller or the Manufacturer.
- The directive does not apply to products sold outside the European Community.



















