GREYSTONE HATXSO Series High Accuracy Strap On Temperature Transmitter

High Accuracy Strap-on Temperature Transmitter
HATXSO Series – Installation Instructions
INTRODUCTION
The high accuracy single point strap-on temperature transmitter has a precision platinum RTD bonded to a 38.1mm x 12.7mm (1.5” x 0.5”) machined aluminum heat sink. A 25.4 cm (10”) S/S Pipe clamp is provided to secure the assembly to various sizes of pipes. All probes are constructed to provide excellent heat transfer, fast response and are potted to resist moisture penetration. A transmitter that provides a high accuracy signal with excellent long term stability, low hysteresis and fast response is available with various ranges. A compact ABS enclosure with a hinged and gasketed cover is provided for ease of installation.
BEFORE INSTALLATION
Read these instructions carefully before installing and commissioning the temperature transmitter. Failure to follow these instructions may result in product damage. Do not use in an explosive or hazardous environment, with combustible or flammable gases, as a safety or emergency stop device or in any other application where failure of the product could result in personal injury. Do not exceed the device ratings.
MOUNTING
The strap-on sensor installs directly onto any pipe where an immersion sensor with thermowell cannot be installed.
Once a suitable spot is selected, remove a small block of insulation, if present. It is recommended that thermal compound be used to improve heat transfer. Spread a liberal amount on the pipe. Open the worm gear clamp by swiveling the worm gear away from the clamp and pull the clamp apart, as shown in Figure 1.

Place the sensor plate on the selected mounting area and wrap clamp around the pipe. Re-insert clamp under the worm gear and pull until snug. Lock in place by swiveling the worm gear towards the clamp. Tighten worm gear clamp by using a standard screw driver or hex nut driver as shown in Figure 2.

The enclosure has a hinged cover with latch. Open cover by pulling slightly on the latch on the right side of the enclosure. At the same time pulling on the cover, as illustrated in Figure 3.

A 1/2″ NPT threaded connection hole is provided in the bottom of the enclosure. Screw the EMT connector or cable gland connector in until tight. See Figure 4. It is recommended that weatherproof conduit or cable gland fittings be used. The E style enclosure includes a 1/2″ NPT to M16 thread adapter and cable gland fitting.

Make wiring connections as per the “Wiring” illustrations on Page 2.
Swing door closed until securely latched. For added security, 2 screws are provided that may be installed in the integrated screw tabs. See Figure 5.

WIRING
- Deactivate the 24 Vac/dc power supply until all connections are made to the device to prevent equipment damage.
- Use 14-22 AWG shielded wiring for all connections and do not locate the device wires in the same conduit with wiring used to supply inductive loads such as motors. Make all connections in accordance with national and local codes.
- The temperature transmitter comes with the temperature sensor pre-wired to the transmitter board. If removal is required for installation then it may be re-wired as shown in Figure 6.
- Pull at least six inches of control wire into the enclosure, then complete the wiring connection according to the wire diagram for the applicable power supply and output signal type as shown in Figure 7.
- Connect the DC positive or the AC voltage hot side to the PWR terminal. For voltage output or AC power, the supply Common is connected to the COM terminal. The device is reverse voltage protected and will not operate if connected backwards. It has a half-wave power supply so the supply Common is the same as the signal Common. See Figure 7.
- The analog output is available on the OUT terminal. Check the controller Analog Input to determine the proper connection before applying power as shown in Figure 7.
- Once all connections are made and checked, power can be applied.

Figure 6
- 2 wire temperature sensor wiring to transmitter

- 3 wire temperature sensor wiring to transmitter

Figure 7
Transmitter Wiring to Controller
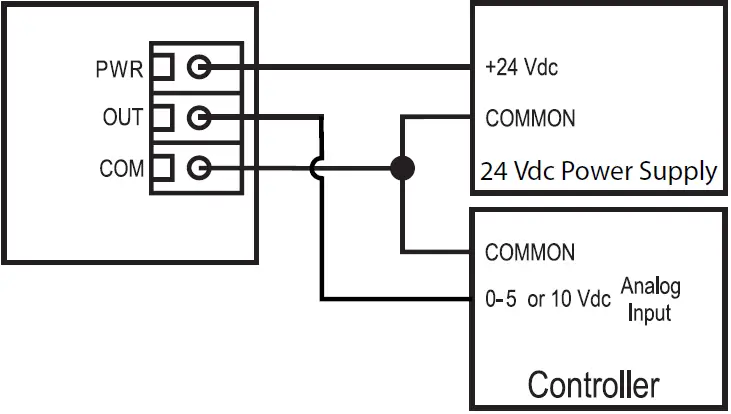
- Wiring for 0-5 or 0-10 Vdc output signal and 24 Vdc power from controller

- Wiring for 4-20 mA loop-powered output and external 24 Vdc power from controller

- Wiring for 0-5 or 0-10 Vdc output signal and with external 24 Vdc power supply

- Wiring for 4-20 mA loop-powered output and external 24 Vdc power supply

- Wiring for all output signals with external 24 Vac power transformer

SPECIFICATIONS
- Sensor Type:……………………………………….1000Ω Platinum, IEC 751, 385 Alpha, thin film
- Sensor Accuracy:………………………………RTD Class A: ±0.15°C (±0.27°F) @ 0°C (32°F)
- RTD 1/3 DIN: ±0.1°C (±0.18°F) @ 0°C (32°F)
- RTD 1/10 DIN: ±0.03°C (±0.054°F) @ 0°C (32°F)
- Probe Sensing Range:……………………..-20 to 100°C (-4 to 212°F)
- Wire Material:…………………………………….FT-4, 22 AWG
- Probe Material:………………………………….Machined aluminum heat sink
- Probe Dimensions:…………………………..38.1mm x 12.7mm (1.5” x 0.5”)
- Pipe Strap:…………………………………………..25.4 mm (10″) stainless steel
- Output Signal:…………………………………..4-20 mA current loop, 0-5 Vdc, or 0-10 Vdc
- (factory configured)
- Transmitter Accuracy:……………………..±0.1% of span, including linearity
- Output Drive @ 24 Vdc:……………..Current: 600Ω maximum
- Voltage: 10 KΩ minimum
- Power Supply:……………………………..0-5 Vdc: 10-35 Vdc or 10-28 Vac
- 0-10 Vdc: 15-35 Vdc or 15-28 Vac
- 4-20 mA: 15-35 Vdc (Loop-powered) or 22-28 Vac
- Current Consumption:……………….Current: 20 mA
- Voltage: 5 mA
- Maximum Current (Voltage):………..5 mA nominal
- Maximum Output (Voltage):…………Limited to <5.5 Vdc for 0-5 Vdc, <10.5 Vdc for 0-10 Vdc
- Input Voltage Effect:………………………..Negligible over specified operating range
- Protection Circuitry:…………………………Reverse voltage protected and output limited
- Ambient Operating Range:……………-40 to 50°C (-40 to 122°F), 0 to 95 %RH non-condensing
- Enclosure:……………………………………………A: ABS, UL94-V0, IP65 (NEMA 4X)
- E: Same as A, with thread adapter (1/2″ NPT to M16), and cable gland fitting
- Termination:………………………………………Screw terminal block (14 to 22 AWG)
- Approvals:…………………………………………..CE
- Country of Origin:…………………………….Canada
*This product is factory calibrated and any field adjustment will void the warranty.
DIMENSIONS


IN-GE-HATXSOXXX-03
Copyright © Greystone Energy Systems,
Inc. All Rights Reserved
Phone: +1 506 853 3057
Web: www.greystoneenergy.com

























