IP65 Isolator Switches
Instruction Manual 
Weathersafe IP65 Isolator Switches
IP65 Isolator Switches
Model: IS3N-20 – 3 Pole, 20A
Model: IS4N-20 – 4 Pole, 20A
Model: IS3N-32 – 3 Pole, 32A
Model: IS4N-32 – 4 Pole, 32A
Model: IS4N-40 – 4 Pole, 40A
Model: IS4N-63 – 4 Pole, 63A
Model: IS4N-100 – 4 Pole, 100A
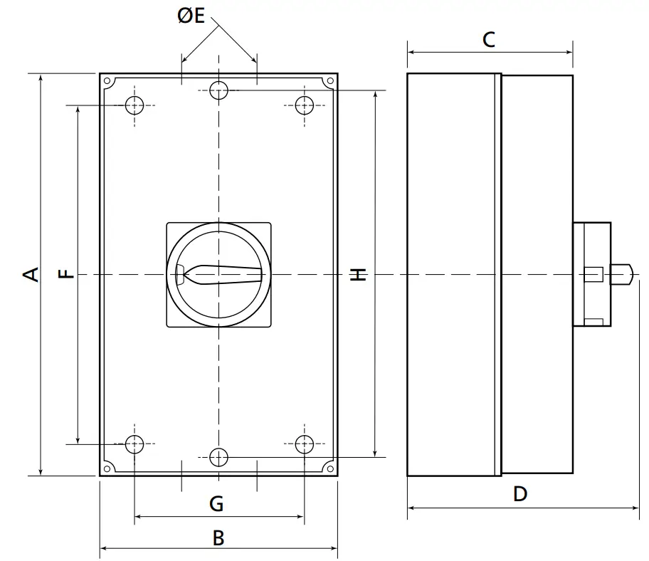
Dimensions

| A | B | C | D | ØE | F | G | H | |
| IS3N-20 IS4N-20 | 100 | 82 | 66. | 98. | 2x M20 | 60 | 60 | 90 |
| IS3N-32 154N-32 | 141 | 100 | 68. | 100. | 2x M20/25 | 100 | 75 | 126 |
| IS4N-40 154N-63 | 175 | 121 | 91. | 123. | 2x M20/25 | 135 | 96 | 161 |
| IS4N-100 | 240 | 160 | 96 | 138 | 2x M25/32 lx M20 | 193 | 142 | NA |
Please note that all instructions are to be left with the customer after installation
The Weathersafe Isolator range is manufactured from tough, durable thermoplastic, and is intended for use in an outdoor environment, or one in which the protection provided by the Weathersafe Extreme range is required. The protection level is IP65.
Installation Instructions
- These products should be installed by a competent person (e.g. qualified electrician) in accordance with these instructions and in compliance with the appropriate clauses of the current edition of the IEE wiring and building regulations.
- The Weathersafe Isolator range is designed to be mounted on a vertical flat surface.
- The rear box shall be mounted on the wall using fixings and wall plugs if necessary. The fixing dimensions are marked on the back of the rear box.
- The front moulding can only be removed when the switch is on the OFF position.
- The terminals should be tightened to a torque of 1.8Nm.
Do not exceed the maximum cables sizes: - 20A……………….. 2.5mm2
- 32A……………. 6mm2
- 40A and 63A……………..16mm2
- 100A……………….25mm2
- A cable gland of IP65 or higher should be used in order to maintain the IP rating.
- The relevant cable entry knockout should be carefully removed by scoring the groove around the required knockout with a sharp knife and then tapping it out with a small hammer onto a screwdriver in the groove.
- When re-assembling the enclosure ensure that the gasket is fully in place in order to retain the IP65 rating.
- Tighten the screws supplied to refix the front cover in place. Do not overtighten. Use of an electric screwdriver is not recommended.
- Advice should be sought before installing this product in an environment where it is likely to be subjected to chemicals, oils or solvents.
Cleaning
- Care should be taken when cleaning this product.
- Inside the lid should only be wiped with a clean dry cloth.
- The outside can be cleaned with mild detergent.
- Solvent based cleaners should not be used.
Specifications

3 Year Guarantee
In the unlikely event of this product becoming faulty due to defective material or manufacture, within 3 years of the date of purchase, please return it to your supplier in the first year with proof of purchase and it will be replaced free of charge. For years 2 to 3 or any difficulty in the first year, telephone our helpline on 020 8450 0515.
Note: a proof of purchase is required in all cases. For all eligible replacements (where agreed by Timeguard) the customer is responsible for all shipping/ postage charges outside of the UK. All shipping costs are to be paid in advance before a replacement is sent.
For assistance with the product please contact:
HELPLINE 020 8450 0515
or email [email protected]
www.timeguard.com
For a product brochure please contact:
Timeguard Limited. Victory Park, 400 Edgware Road, London NW2 6ND
Sales Office: 020 8452 1112
email [email protected]
67-058-525 (Issue 3)
TG49315 November 2019


















