
Owner’s Manual
MARINE MONO AMPLIFIER
GM-ME300X1C
Before you start
Thank you for purchasing this PIONEER product
To ensure proper use, please read through this manual before using this product. It is especially important that you read and observe WARNINGS and CAUTIONS in this manual.
Please keep the manual in a safe and accessible place for future reference.
Information to User
Alteration or modifications carried out without appropriate authorization may invalidate the user’s right to operate the equipment.
Note
This equipment has been tested and found to comply with the limits for a Class B digital device, pursuant to Part 15 of the FCC Rules. These limits are designed to provide reasonable protection against harmful interference in a residential installation. This equipment generates, uses, and can radiate radio frequency energy and, if not installed and used in accordance with the instructions, may cause harmful interference to radio communications. However, there is no guarantee that interference will not occur in a particular installation. If this equipment does cause harmful interference to radio or television reception, which can be determined by turning the equipment off and on, the user is encouraged to try to correct the interference by one or more of the following measures:
— Reorient or relocate the receiving antenna.
— Increase the separation between the equipment and receiver.
— Connect the equipment into an outlet on a circuit different from that to which the receiver is connected.
— Consult the dealer or an experienced radio/TV technician for help.
FEDERAL COMMUNICATIONS COMMISSION SUPPLIER’S DECLARATION OF CONFORMITY
Product Name: Marine Mono Amplifier
Model Number: GM-ME300X1C
Responsible Party Name: PIONEER ELECTRONICS (USA) INC.
SERVICE SUPPORT DIVISION
Address: 2050 W. 190TH STREET, SUITE 100,
TORRANCE, CA 90504, U.S.A.
Phone: 1-800-421-1404
URL: https://www.pioneerelectronics.com
After-sales service for Pioneer products
Please contact the authorized Pioneer dealer from which you purchased this unit or an authorized Pioneer service company for aftersales service or questions you may have about the product. You may contact Pioneer directly as follows:
Do not ship your unit in for repair Units sent without a return authorize.
USA & CANADA
Pioneer Electronics (USA) Inc.
CUSTOMER SUPPORT DIVISION
P.O. B o x 176 0
Long Beach, CA 90801-1760 U.S.A.
800-421-1404
For warranty information, please see the Limited Warranty sheet included with this unit.
Visit our website
U.S.: https://www.pioneerelectronics.com
Canada: https://www.pioneerelectronics.ca
- Learn about product updates (such as firmware updates) for your product.
- Register your product.
- Access owner’s manuals, spare parts information, service information, and much more.
The Safety of Your Ears is in Your Hands
Get the most out of your equipment by playing it at a safe level—a level that lets the sound come through clearly without annoying blaring or distortion and, most importantly, without affecting your sensitive hearing. Sound can be deceiving. Over time, your hearing “comfort level” adapts to higher volumes of sound, so what sounds “normal” can actually be loud and harmful to your hearing. Guard against this by setting your equipment at a safe level BEFORE your hearing adapts.
ESTABLISH A SAFE LEVEL:
- Set your volume control at a low setting.
- Slowly increase the sound until you can hear it comfortably and clearly, without distortion.
- Once you have established a comfortable sound level, set the dial and leave it there.
BE SURE TO OBSERVE THE FOLLOWING GUIDELINES:
- Do not turn up the volume so high that you can’t hear what’s around you.
- Use caution or temporarily discontinue use in potentially hazardous situations.
- Do not use headphones while operating a boat; the use of headphones may create a traffic hazard and is illegal in many areas.
Before connecting/installing the amplifier
WARNING
- To prevent fire hazards, the heatsink should never be covered (such as by paper, material, etc.).
- This unit is for boats with a 12 V battery and negative grounding. Before installing, check the battery voltage.
- When installing this unit, make sure to connect the ground wire first. Ensure that the ground wire is properly connected to the negative ground circuit of the boat. Use adequate gauge, the marine-grade electrical wire that has been properly terminated for marine use to make a direct connection to the negative bus bar or negative ground distribution system.
Do not attempt to ground the amplifier using the mounting screws. - Use fused marine-grade battery wire (sold separately) of adequate gauge that has been properly terminated for marine use to make a direct connection to the positive bus bar or positive distribution system.
- If the screw for the ground wire loosens or falls out, it could result in fire, smoke, or malfunction.
- Always use a fuse of the rating prescribed. The use of an improper fuse could result in overheating and smoke damage to the product, and injury, including burns.
- Check all electrical and signal connections (power, ground, amplifier, speaker, etc.) if the amplifier fuse or battery wire fuse blows. Resolve any loose or short-circuited connections, then replace the blown fuse with an identical value equivalent.
- Always install the amplifier on an even surface. Do not install the amplifier on a surface that is uneven or has a protrusion. Doing so could result in malfunction.
- When installing the amplifier, do not allow parts such as extra screws to get caught between the amplifier and the boat. Doing so could cause malfunction.
- In the event of any abnormality, the power supply to the amplifier may be cut off to prevent equipment malfunction. If this occurs, switch the system power off and check all electrical and signal connections (power, ground, amplifier, speaker, etc.) for loose or short-circuited connections. If you are unable to determine the cause, please contact your dealer.
- Always disconnect the negative terminal of the battery before making any electrical or signal connections to avoid the risk of electric shock or short circuit during installation.
- Do not attempt to disassemble or modify this unit. Doing so may result in fire, electric shock, or other malfunction. Damage or defects resulting from alterations or modifications not authorized in writing by Pioneer are excluded from limited warranty coverage.
- Do not install the amplifier in a location exposed to direct sunlight or excessive heat, humidity, or dust.
- While this amplifier is designed to be water-resistant, it should never be submerged underwater or subjected to high-pressure water spray.
- Install the amplifier in a dry and well-ventilated environment, where other equipment will not interfere with it.
- When drilling holes in the chassis for installation, take precautions so as not to contact, damage, or obstruct pipes, fuel lines, tanks, or electrical wiring. Failure to take such precautions may result in fire.
- To ensure proper heat dissipation of the amplifier, ensure the following during installation:
— Allow adequate space above the amplifier for proper ventilation.
— Do not mount the amplifier in the engine compartment or in any areas of extreme heat.
— Do not cover the amplifier. - Ask your dealer or installation professional to install/uninstall this prod dangerous hazards or interfere with boat operation.
- Keep small items such as bolts, screws, and tools out of the reach of children. Swallowing can cause serious injury. If swallowed, consult a doctor immediately.
CAUTION
- Always keep the volume low enough to hear outside sounds.
- Extended use of the amplifier while the engine is at rest or idling may exhaust the battery.
- The graphical symbol placed
on the product means this is an electronic product requiring direct current electrical power. - One or more subwoofers may be connected to this amplifier, but must meet one of the following configurations:
— Combined or singular nominal input power handling of 300W or greater if the combined or singular nominal impedance is equal to or greater than 2Ω. - WARNING: If the nominal input and impedance are not within the above ranges, the subwoofer(s) may catch
Setting the unit
What’s what
Topside

- Use the supplied wrench to remove the four screws and detach the top panel cover. Be sure not to lose the removed screws.

- Use a flathead screwdriver to adjust the switch if needed.
Right side

- INPUT SENS switch
Select RCA for RCA level input signals or SP for Speaker level input signals. - GAIN volume
• If the output remains low even when the headunit volume is turned up, turn the volume to a lower level (clockwise). If distortion occurs when the headunit volume is turned up, turn these volumes to a higher level (counterclockwise).
• For use with an RCA-equipped stereo (standard output of 500 mV), set to the NOR (normal) position.
• For use with an RCA-equipped Pioneer headunit with a maximum output of 4 V or more, adjust the level to match that of the stereo output.
• For use with an RCA equipped headunit with the output of 4 V, set to the H (High) position.
• If you hear too much noise when using the speaker input terminals, turn the gain control to a higher level. - FREQ (Hz) (cutoff frequency)
You can select a cutoff frequency from 25 Hz to 240 Hz. For precise frequency information, refer to Precise Frequency Selection Chart. - BASS BOOST switch
You can select a bass boost level of 0 dB, 6 dB, or 12 dB. - Power/Protect indicator The power indicator lights blue to indicate power ON.
• The power indicator lights red to indicate protection mode has been engaged.
Setting gain properly
- A protective function is included to avoid malfunction of the unit and/or speakers due to excessive output, improper use or improper connection.
- When outputting high volume sound etc., this function may cut off the output for a few seconds as a normal function. The output will be restored when the volume of the headunit is turned down.
- A cut in sound output may indicate the improper setting of the gain volume. To ensure a continuous sound output with the headunit at a high volume, set the amplifier gain volume to a level appropriate for the preset maximum output level of the headunit, so that volume can remain unchanged and avoid distortion caused by signal waveform clipping at the amplifier input.
- Even with the correct volume and gain settings, the unit sound may cut out periodically. In such cases, please contact an authorized Pioneer Service Company.
The gain volume of this unit

Maximum pre-out level=4V
Above illustration shows NOR (normal) gain setting.
Relationship between amplifier gain and headunit output power

If amplifier gain is raised improperly, this will simply increase distortion, with little increase in power.
Signal waveform when outputting at high volume using amplifier gain volume

If the signal waveform is distorted due to high output, even if the amplifier gain is raised, the output power will change only slightly.
Precise Frequency Selection Chart
The numbers in the illustration correspond to the Step Number.

| Step Number | Frequency (Hz) |
| 1 | 25 |
| 2 | 28 |
| 3 | 31.5 |
| 4 | 36 |
| 5 | 40 |
| 6 | 45 |
| 7 | 50 |
| 8 | 56 |
| 9 | 63 |
| 10 | 71.5 |
| 11 | 80 |
| 12 | 90 |
| 13 | 100 |
| 14 | 113 |
| 15 | 125 |
| 16 | 143 |
| 17 | 160 |
| 18 | 180 |
| 19 | 200 |
| 20 | 225 |
| 21 | 240 |
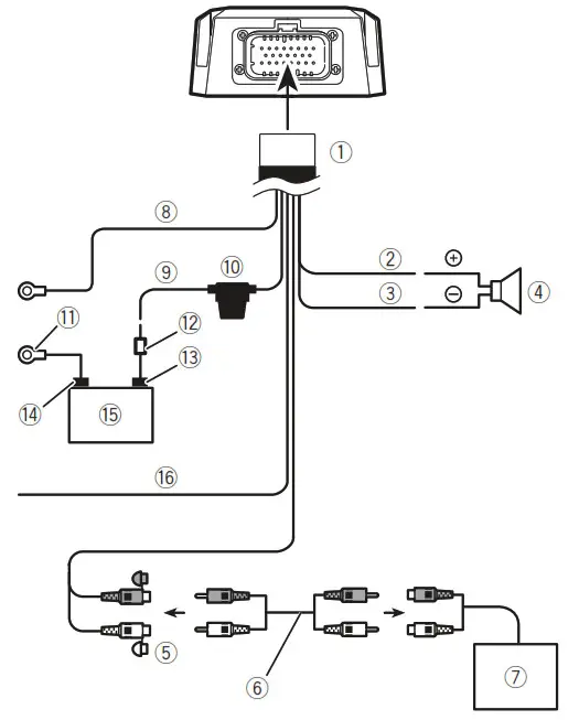
Connecting the units
Connection diagram

- To power cable input
- White:
- White/black:
- Speaker
- RCA input
- Connecting wire with RCA pin plugs (sold separately)
- Headunit with RCA output jacks (sold separately)
- Black (chassis ground)
Connect to a clean, paint-free metal location. - Red
- Fuse (30 A)
- Ground wire, Terminal (sold separately)
The ground wires must be the same size as the battery wire. - Battery wire with Fuse [more than 30A] (sold separately)
The maximum length of the wire between the fuse and the positive + terminal of the battery is 30 cm (12 in.). - Positive + terminal
- Negative (-) terminal
- Battery (sold separately)
- System remote control wire
Before Connecting the amplifier
WARNING
- Secure the wiring with cable clamps or adhesive tape. To protect the wiring, wrap sections in contact with metal parts in adhesive tape.
- Never cut the insulation of the power supply to feed power to other equipment. The current capacity of the wire is limited.
CAUTION
- If the system remote control wire of the amplifier is connected to the power terminal via the ignition switch (12 V DC), the amplifier will remain on with the ignition whether the headunit is on or off, which may exhaust the battery if the engine is at rest or idling.
- Install and route the separately sold marine-grade battery wire, marine-grade ground wire, speaker wires, and the amplifier as far away as possible from the radio antenna, antenna cable, tuner, and any communications equipment and wiring.
The point of the connector attachment/detachment
- Push in the connector until a clicking sound is heard, confirming a secure connection.
- How to remove the connector:
(1) Insert the supplied tool into the lock part of the connector.
(2) Gently raise the release locking tab to separate the connector.
Note: Attempting to remove the connector by force or pulling from the wire harness can cause damage. To avoid injury, use a work glove to help with gripping the tool.

– Continue to page 7/9 –
If you lose the supplied tool, use a flat screwdriver with a tip width of 3 mm or less as a substitute.

Connections when using the speaker input wire
Connect the headunit speaker output wires to the amplifier using the supplied speaker input wire with an RCA pin cord.
Make sure to switch the INPUT SENS switch to SP.

- Headunit
- Speaker output
- Red: Right +
- Black: Right –
- Black: Left –
- White: Left +
- Speaker input wire with RCA pin cord to the RCA input jack of this unit
Note
If speaker input wires from a headunit are connected to this amplifier, the amplifier will automatically turn on when the headunit s turned on. When the headunit is turned off, the amplifier turns off automatically. This function may not work with some head units. In such cases, make sure that the L channel is connected correctly. If the function still does not work, please use a system remote control wire (sold separately). If multiple amplifiers are to be connected together synchronously, connect the headunit and all amplifiers via the system remote control wire.
Installation
Before installing the amplifier
WARNING
- To ensure proper installation, use the supplied parts in the manner specified. If any parts other than those supplied are used, they may damage internal parts of the amplifier or become loose, causing the amplifier to shut down.
- Do not install:
— On surfaces that could become loose if the boat stops suddenly (chassis recommended).
— In places where it may interfere with the boat’s operation. - Install tapping screws in such a way that the screw tip does not touch any wire. This is important to prevent wires from being cut by the vibration of the boat, which can result in fire.
- Make sure that wires do not get caught in the sliding mechanism or touch the legs of a person in the boat as short-circuit may result.
CAUTION
- Place all cables away from hot places, such as near the heater outlet.
The optimal installation location differs depending on the boat model. Secure the amplifier at a sufficiently rigid location. - Check all connections and systems before final installation.
Example of installation on the chassis
- Place the amplifier in the desired installation location. Insert the supplied tapping screws (4 mm x 25 mm) into the screw holes and push on the screws with a screwdriver so they make an imprint where the installation holes are to be located.
- Drill 2.5 mm (1/8 in.) diameter holes in the mounting surface.
- Install the amplifier with the use of supplied tapping screws (4 mm x 25 mm).

- Tapping-screws (4 mm x 25 mm) (5/32 in. x 1 in.)
- Installation surface
- Hole-to-hole distance: 224.4 mm (8-27/32 in.)
- Hole-to-hole distance: 86.4 mm (3-13/32 in.)
4. Attach the top panel cover.
Use the removed screws to attach the top panel cover (fastening torque 0.4 to 0.7 N.m).
Attach the top panel cover in the same orientation as the main unit installation orientation.

- Screws
- Top panel cover
Additional information
Specification
Power source …………………. 14.4 V DC (10.8 V to 15.1 V allowable)
Grounding system ………….. Negative type
Current consumption ……… 25 A (at continuous power, 4 )
Average current consumption …………………………………… 5.6 A (4 for one channel)
6.3 A (2 for one channel)
Fuse ………………………………. 30 A
Dimensions (W × H × D) .. 243 mm × 46.8 mm × 105 mm (9-5/8 in. × 1-7/8 in. × 4-1/8 in.)
Weight …………………………… 1.3 kg (2.9 lbs)
(Leads for wiring not included)
Continuous power output .. 300 W × 1 (at 14.4 V, 4, 300 W × 1 (at 14.4 V, 2, Load impedance …………….. 4 (2 to 8 allowable)
Frequency response ……….. 10 Hz to 240 Hz (+0 dB, –3 dB)
Signal-to-noise ratio ……….. 100 dB (IHF-A network)
Distortion ………………………. Low pass filter:
Cutoff frequency ……… 20 Hz to 240 Hz
Cutoff slope …………….. –12 dB/oct
Gain control:
RCA ………………………… 0.2 V to 6.5 V
Speaker …………………… 0.8 V to 16 V
Maximum input level/impedance:
RCA ………………………… 6.5 V / 25 k
Speaker …………………… 16 V / 12 k
Waterproof …………………….. JIS/IEC protection class 7 (IPX7) equivalent (self-certified)
Dustproof ………………………. JIS/IEC protection class 6 (IP6X) equivalent (self-certified)

CTA 2006 Specification

Power output………………….. 300 W RMS × 1 Channel (at 14.4 V, 4 20 Hz to 240 Hz
S/N ratio ………………………… 75 dBA (reference: 1 W into 4 )
Accessories
Power cable × 1
Speaker line input RCA cable × 1
Hexagonal wrench × 1
Mounting screw (4 × 25 mm) × 4
Supplied tool × 1
Notes
Specifications and design are subject to modification without notice.
The average current consumption is nearly the maximum current consumption by this unit when an audio signal is an input. Use this value when working out total current consumption by multiple power amplifiers.
Register your product at https://www.pioneerelectronics.com in Canada https://www.pioneerelectronics.ca

PIONEER ELECTRONICS (USA) INC.
LIMITED WARRANTY
WARRANTY VALID ONLY IN COUNTRY OF PRODUCT PURCHASE
WARRANTY
Pioneer Electronics (USA) Inc. (Pioneer) warrants that Pioneer® Car/Marine Electronics, Speaker, and Accessory Products distributed by Pioneer in the U.S.A. and Canada that fails to function properly under normal use due to a manufacturing defect when installed and operated according to the owners manual enclosed with the unit will be repaired or replaced with a unit of comparable value, at Pioneer’s option, without charge to you for parts or actual repair work. Replacement units and/or parts supplied under this warranty may be new or rebuilt at Pioneer’s option.
This Limited Warranty applies to the original or any subsequent owner of this Pioneer product during the warranty period provided the product was purchased from an authorized Pioneer dealer in the U.S.A. or Canada. You will be required to provide a sales receipt or other valid proof of purchase showing the date of original purchase. In the event service is required, the product must be delivered within the warranty period, transportation prepaid, only from within the country of purchase as explained in this document. You will be responsible for the removal and installation of the product.
Pioneer will pay to return the repaired or replacement product to you within the country of purchase.
PRODUCT WARRANTY PERIOD (Runs from the date of first retail sale)
Parts Labor
Car/Marine Electronics, Speakers, and Accessories (excluding Blind Spot Detection System)……………….. 1 Year 1 Year
Blind Spot Detection System ……………………………………………………………………………………………………………….. 3 Years 3 Years
WHAT IS NOT COVERED
This Limited Warranty applies to Pioneer products that are purchased from an authorized Pioneer dealer. IF THIS PRODUCT WAS PURCHASED FROM ANY OTHER SOURCE, THERE ARE NO WARRANTIES, EXPRESS OR IMPLIED, INCLUDING THE IMPLIED WARRANTY OF MERCHANTABILITY AND THE IMPLIED WARRANTY OF FITNESS FOR A PARTICULAR PURPOSE, AND THIS PRODUCT IS SOLD STRICTLY “AS IS” AND “WITH ALL FAULTS.” PIONEER SHALL NOT BE LIABLE FOR ANY CONSEQUENTIAL AND/OR INCIDENTAL DAMAGES. Some states and provinces do not allow the exclusion or limitation of incidental or consequential damages, so the above limitation or exclusion may not apply to you.
Pioneer does not warrant any product listed above when it is used in a trade or business or in any industrial or commercial application. This warranty does not apply if the product has been subjected to power in excess of its published power rating. This warranty does not cover cosmetic scratches or any other appearance item; damage or defects resulting from alterations or modifications not authorized in writing by Pioneer; accident, collisions, misuse or abuse; the use of unauthorized parts or labor; improper installation or maintenance; lightning or power surges; subsequent damage from leaking; damage from inoperative batteries; or the use of batteries not conforming to those specified in the owner’s manual. This warranty does not cover the cost of parts or labor that would otherwise be provided without charge under this warranty obtained from any source other than Pioneer. Altered, defaced, or removed serial numbers void this warranty.
NO OTHER WARRANTIES
TO THE FULLEST EXTENT PERMITTED BY LAW, PIONEER MAKES NO REPRESENTATIONS OR WARRANTIES OR ACCEPTS ANY CONDITIONS WITH RESPECT TO THIS PRODUCT EXCEPT AS STATED IN THIS DOCUMENT. PIONEER LIMITS ITS OBLIGATIONS UNDER ANY IMPLIED WARRANTIES AND CONDITIONS INCLUDING, BUT NOT LIMITED TO, WARRANTIES AND CONDITIONS, WHETHER EXPRESS OR IMPLIED, OF
MERCHANTABILITY AND FITNESS FOR A PARTICULAR PURPOSE, TO A PERIOD NOT TO EXCEED THE WARRANTY PERIOD. NO WARRANTIES OR CONDITIONS SHALL APPLY AFTER THE WARRANTY PERIOD. Some states and provinces do not allow limitations on how long an implied warranty lasts, so the above limitations or exclusions may not apply to you.
This warranty gives you specific legal rights, and you may also have other rights which vary from state to state or province to province. To the extent any provision of this limited warranty is deemed invalid or unenforceable under applicable law, such determination will have no effect on the remaining provisions, which will continue in full force and effect.
TO OBTAIN SERVICE
In the U.S.A. or Canada, to receive warranty service, you need to present your sales receipt showing the place and date of the original owner’s transaction. Please contact one of the following to obtain service:
Your Authorized Pioneer Dealer – Your Pioneer Dealer may repair or replace your unit or refer you to an Authorized Pioneer Service Company. Your sales receipt should list the contact information (phone number, fax, email, etc.) for your Dealer.
Pioneer Customer Support – Can advise the optimal service option for your model and geographic location.
Please call us at 1-800-421-1404 or visit www.pioneerelectronics.com (for the USA) or http://www.pioneerelectronics.ca (for Canada), click on “Support,” then select “Contact Us.”
Your Authorized Pioneer Service Company – Can perform repairs for most Car/Marine Electronics, Speaker, and Accessory products and advise other options as applicable. Please visit Pioneer’s website, click on “Support,” and select “Find a Service Center.” Shipping Your Unit for Service – YOU MUST FIRST CONTACT PIONEER TO GET RETURN AUTHORIZATION. PLEASE DO NOT SEND IN YOUR PRODUCT WITHOUT CONTACTING CUSTOMER SUPPORT. If you have a return authorization number, please package the product carefully and send it transportation prepaid by a traceable, insured method to an Authorized Pioneer Service Company or Pioneer. Use adequate padding material to prevent damage in transit. Include your name, address, and telephone number where you can be reached during business hours.
For questions about your product, please contact Pioneer Customer Support as described above or write to us at:
Customer Support, Pioneer Electronics (USA) Inc.
P.O. Box 1720
Long Beach, California 90801 U.S.A.
DISPUTE RESOLUTION
Following our response to an initial request to Customer Support, should a dispute arise between you and Pioneer, Pioneer makes available its Complaint Resolution Program to resolve the dispute. The Complaint Resolution Program is available to you without charge. In the U.S.A., you are required to use the Complaint Resolution Program before you exercise any rights under, or seek any remedies, created by the Magnuson-Moss Warranty Act but may be entitled to file suit under state law without using the Complaint Resolution Program. To use the Complaint Resolution Program, call 1-800-421-1404 and explain to the customer service representative the problem you are experiencing, steps you have taken to have the product repaired during the warranty period, and the name of the authorized Pioneer Dealer from which the Pioneer product was purchased. After the complaint has been explained to the representative, a resolution number will be issued. Within forty (40) days of receiving your complaint, Pioneer will investigate the dispute and will either: (1) respond to your complaint in writing informing you what action Pioneer will take, and in what time period, to resolve the dispute; or (2) respond to your complaint in writing informing you why Pioneer will not take any action.
RECORD THE PLACE AND DATE OF PURCHASE. KEEP THIS INFORMATION AND YOUR SALES RECEIPT IN A SAFE PLACE
Model No. __________________________ Serial No. ________
Purchase Date ___________________________
Purchased From __________________________________



















