SANSUI HIMA250 Car Audio Subwoofer Box

Important
Thank you for purchasing the subwoofer box. For the secure installation and perfect operation of the product, please read and understand all instructions before you use the apparatus.
Precautions
- For the box to perform at its best, we recommend using it in a location where the temperature doesn’t go below 5. c.
- The location must also be dry and well-ventilated.
- The supply voltage requirement is 12V DC with the negative connection grounded. Please make sure that the characteristics of your vehicle correspond with this requirement before connecting the equipment.
- For safe driving, we recommend that you operate your sound equipment at a listening level that does not drown out traffic noise.
Warning
- The performance of the SA-BA 11 allows high sound pressure levels to be generated. We recommend that you adjust the level of your equipment correspondingly, keep your car audio volume moderate so that you can still hear sounds outside your car.
- For safety reasons, it is essential that you securely fix the box enclosure in the boot (make sure you do not drill through the petrol tank if you fix it with screws).
Technical specifications
- Model: HIMA250
- Woofer: 10″(254mm)
- Nominal power: 120W
- Max power: 800W
- Impedance: 4 ohms
- Frequency response: 30-600Hz
- Sensitivity(SPL/1W/m): 8043dB
- Subwoofer Magnet: 0120 x O60 x 20 mm
- Power requirements: 12V DC car battery(negative ground)
- Power supply voltage: 14.4V (10.5V-16V)
- Unit dimensions: 18.1×8.8’/11.0×11.8″ (460x225mm/280x300mm)
- Box dimensions: 510x330x360 mm
Design and specifications are subject to change without notice.

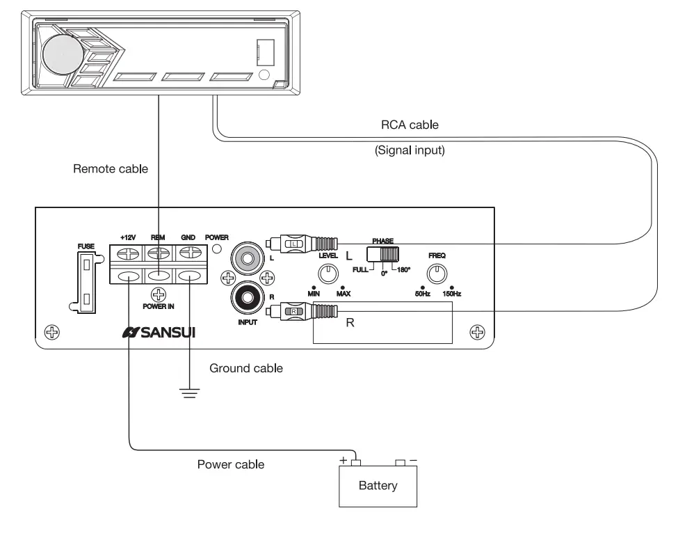
- FUSE protects the unit from damage made by dangerous volumes of current.
- +12V connects the+ 12V power supply of the car battery with the power cable. (Note: power connections)
- REMOTE connects the electrical aerial output or the remote output of your radio with the remote cable.
- POWER(GND) must be commected to the chassis of your vehicle with a perfect electrical connection (remove some paint to reveal bare metal if necessary)and with the ground cable.
- POWER INDICATOR LIGHT
- INPUT(L) connects to the RCA output of the car radio with the RCA cable.
- INPUT(R) connects to the RCA output of the car radio with the RCA cable.
- VOLUME adjusts the input gain of the unit to accept a different level of signal inputs.
- CROSSOVER there are 2 optional modes for the crossover: FULL, L.P.F.
- FREQ This is adjusting L.P.F frequencies.Controls frequency of the amplifier between 50Hz and 150Hz.
Installation connections

Power Connections

- Place the fuse in the power supply lead as close as possible to the car battery.
Installation: Mount the subwoofer box inside the trunk
Decide the best location possible that suits your automobile and space available. The best and most secure location for optimum sound quality is behind the rear seats, in the trunk floor. To avoid difficult to heat dissipation, do not surround the unit, ensure the surrounding air convection is smooth, it’s much better for reducing the working temperature.
Remark: It’s hard to avoid having a jolt or scram for an automobile while running, be laying firmly enough, and suggest you use a bandage to fix the subwoofer box. (This bandage is not included, please buy by yourself.) Please make sure the box is tightly fixed.
Adjusting the sound level
Turn the level controls of the amplifier to their minimum positions. Choose music with high dynamic content that you like, that you are familiar with and will be most often used in the system. Turn the unit up to its highest undistorted output level. If you lack test equipment, this point occurs between 3/4 to full volume depending on the quality of your source unit. Listen for any audible distortion. If any distortion is audible, reduce the volume of the source unit until you have an undistorted output. Leave the volume control at this position during your system tuning. Continuous exposure to sound pressure levels over 1 00dB may cause permanent hearing loss. High-powered automotive sound systems can generate sound pressure levels in excess of 130dB. When playing your system at high levels, please use heat protection and prevent long-term exposure.
Repair guide
| Issues | Causes | Solutions |
| No + 12V on the remote. | Supply the terminal in+ 12V. | |
| Can’t switch on | No+ 12Von the supply. | Connect the supply in + 12V. |
| the unit. | The ground not properly connected. | Check connections to the ground. |
| Fuse broken. | Change fuse. | |
| The unit is on but no signal. | No signal. No remote. | Check the signal cable. Check the power on the remote. |
| Distorted output. | The source level is too high. The gain of the amplifier is too high. | Turn down the source level. Turn down the gain of the amplifier. |
| Blown fuses. | Output levels are too high. | Turn the level or gain down. |
What’s in the box
- Subwoofer box (x1)
- installation connection manual (x1)
- Accessories are subject to change without notice.



















