E-40 Series Compact Single Gang Entry Phone with LED
User Manual
Compact Entry Phones available in Four Attractive Finishes

The E-40 Series entry phones are compact, weather and vandal-resistant, telephone line-powered speaker phones designed to provide two-way hands-free audio communication. The E-40’s compact size allows it to be mounted in a standard single gang electrical box. The E-40 is available in four different attractive finishes to match your door hardware, light fixtures, etc. Replacement E-40 faceplates (PNL40) can be purchased separately and are available in all four standard finishes. The E-40’s blue LED continually provides light for locating the push button in dark locations, dims to indicate off-hook, and flashes during incoming calls. The E-40 entry phones can share a single phone line with house or small business telephones when used with a Viking model C-200, C-250, C-500, or C-2000B Entry Phone controller. The E-40 entry phones can also be connected to an unused analog station port (programmed for ring down) on a phone system or connected directly to a telephone line when used with a Viking model K-1900-5 or K-1900-30 auto dialer. The E-40 features a microphone and speaker volume control, a selectable auto answer for monitoring, and intelligent call progress detection for automatic hang-up when the call is completed. For outdoor installations where the unit is exposed to precipitation or condensation, the E-40 Series is available with Enhanced Weather Protection (EWP). For more information on EWP, see DOD 859.
Features
- Compact size: Front panel is the size of a typical single gang mid-size wall plate
- Mounting: Flush mounts in a single gang electrical box (2.25” deep x 2.00” wide x 2.84” tall minimum) or surface mounts in a Viking model VE-3×5 (not included, see DOD 424) for mounting on a wall, post, or VE-GNP Gooseneck Pedestal (EWP recommended)
- Available in 4 standard faceplate finishes: Brushed Stainless Steel, Oil Rubbed Bronze, Satin Black, and Satin White
- PNL-40 faceplates: Replacement faceplates with matching screws available in all four standard finishes
- Vandal Resistant Features: 18 gauge 304 stainless steel faceplate, 316 stainless steel push button, fiberglass reinforced plastic speaker screen, scratch-resistant powder coating, hex drive mounting screws
- Weather Resistant Features: Mylar speaker, faceplate gasket, mic, and speaker gasket, internally sealed (IP67) push button switch, self-draining mic mount, and UV stable weather resistant powder coating (excluding E-40-SS 304 Stainless Steel faceplate)
- E-40-EWP is designed to meet the IP66 Ingress Protection Rating (see DOD 859 for more information)
- Telephone line powered
- Microphone and speaker volume controls
- Programmable intelligent call progress detection for automatic hang-upon CPC, silence, busy signal, or time out
- Selectable auto answer feature for monitoring
- Programmable VOX (mic/speaker) switching speed
- Blue LED helps locate the push button, indicate ringing and off-hook
Applications
- Door or gate communication, business delivery entrances
- Use with a Viking C-200 or C-250 to control E-40 on a single line
- Use with a Viking C-500 to control 1 or 2 (expandable to 8) E-40s and door/gate control on a single phone line
- Use with a Viking C-2000B to control 1 to 4 E-40s and door/gate control on a single phone line
- Provide unique front and back door chimes and paging when used with a Viking SLP-1, SLP-4, and C-2000B
- Residential, commercial, and industrial door security
- Use with a Viking K-1900-5 or K-1900-30 for automatic speed dialing on telephone lines or analog PABX/KSU station ports
- Use on any analog PABX station port with programmable ringdown capability
Specifications
Power: Telephone line powered. Minimum 18V DC talk battery voltage with a minimum loop current of 20mA. Loop current may be boosted on low current lines with a Viking model TBB-1B Talk Battery Booster (see DOD 632).
Dimensions: Faceplate: 4.875” x 3.125” x 0.18” (123.8mm x 79.4mm x 4.6mm), Phone: 2.84” x 1.8” x 1.65” (72mm x 46mm x 42mm)
Shipping Weight: 1.0 lbs (0.45 kg)
Operating Temperature: -30° F to 150° F (-34° C to 65° C )
Humidity: Standard model: 5% to 95% non-condensing humidity, EWP model: up to 100% humidity
Speaker Volume: Approximately 62db maximum @ 1m
Ring Voltage: 25V AC RMS minimum (for auto answer)
CPC Disconnect Time: 300ms minimum
REN: 0.8A
Connections: (2) gel-filled butt connectors
Features Overview
Front View of the E-40
Rear (PCB) View of E-40
Installation
The E-40 is designed to be flush mounted into a single gang rough-in box with a minimum inside dimensions of 2.25” deep x 3.65” wide x 2.84” tall. The E-40 can also be surface mounted in a Viking model VE-3×5 (not included, see DOD# 424).
WARNING: Do NOT use a typical “wet location box” as not all styles seal properly with the E-40 faceplate.
A. New Construction Flush Mounting
| Step 1 | The front of the box should stick out approximately ½” from the front surface of the wall stud (this may vary depending on the walls sheathing and siding thickness). Caution: Rough-In box must be mounted LEVEL and must NOT stick out beyond the front surface of the siding. |
| Step 2 | To maintain a vapor barrier on outside wall applications, caulk around the box, filling any gaps between the box and the rough opening. Apply caulk to any holes in the box around wires, etc. |
| Step 3 | When installing siding cut a hole just large enough for the Rough-In box opening. Caution: Too large of a hole can cause plate misalignment and compromise the gasket seal. Note: When mounting to 4 inches or less horizontal lap siding, the unit can be mounted horizontally flush against the siding, or a siding mounting block can be used recommended with vinyl siding). Contact the siding installer for the correct mounting block. |
B. Old Work / Remodel Flush Mounting (Using a recommended Carlon BH234R Rough-In Box)
| Step 1 | Make sure the mounting location is free of wall studs, wires, etc. |
| Step 2 | Place Rough-In box LEVEL against the siding. Trace the outline of the box onto the siding. Note: When mounting to 4 inches or less horizontal lap siding, the unit can be mounted horizontally flush against the siding or a siding mounting block can be used. Contact your siding Installer for the correct mounting block part number. Note: A siding mounting block is recommended when mounting to vinyl siding. |
| Step 3 | Cut a hole through the siding and wall sheathing just large enough for the rough-in box. Caution: Too large of a hole can cause plate misalignment and compromise the gasket seal. |
| Step 4 | The front surface of the Rough-In box can be mounted flush against wood siding or can be recessed and mounted flush against wall sheathing when mounting on aluminum, steel, or vinyl siding. |
| Step 5 | When mounting to 5/8 inch thick or less wall sheathing the two attached screws with wing brackets can be used to secure the rough-in box. When mounting to surfaces thicker than 5/8 inch, four standard flat head drywall screws can be used to secure the Rough-In box through its mounting ears. (See page 4 Section D.) |
| Step 6 | To maintain a vapor barrier on outside wall applications, caulk around the box, filling any gaps between the box and the rough opening. Apply caulk to any holes in the box around wires, etc. |
C. Surface Mounting
A Viking model VE-3×5 can be used to surface mount an E-40 to a wall or post. Drill a small wire exit hole in the wall.
Pull the wire through and seal the hole around the wire with putty or caulking. Route wire into the VE-3×5 box, securely screw it to the wall or post and seal the hole in the box around the wire with putty or caulking. Note: Conduit may also be used when surface mounting wire, but should not enter through the top of the VE-3×5. When routing wiring from above, a drip loop is required. WARNING: Do NOT use a typical “wet location box” as not all styles seal properly with the E-40 faceplate.
D. Mounting the Faceplate
After the Rough-In box or VE-3×5 is securely mounted, caulking between the box and rough opening is completed (if required), and wires are connected, remove the paper liner from the face plate gasket. While firmly holding the LED light pipe in the faceplate, carefully slide the faceplate gasket over the back of the light pipe and press the gasket to the back of the faceplate. Push the 1-1/4″ 6-32 screws through faceplate holes and small holes in the gasket, the faceplate gasket should retain the screws. Position the Circuit board mounting plate over screws. Align screws with single gang box bosses and tighten the face plate until the gasket is fully collapsed and the push button is protruding through the clearance hole in the face plate. Included 1/4″ thick gasket will provide an adequate seal for most siding surfaces; however, for rough surfaces (ie: brick, stucco, etc.) additional caulking may be required.
* CAUTION: Excessive wire length and/or using a rough-in box with inadequate depth can apply force to the circuit board causing physical damage.
** Important: Push LED light pipe into faceplate hole, then place faceplate upside down on a clean flat surface and push down on the back side of the plate until the light pipe is fully seated and straight. WARNING: Inserting the light pipe more than one time can cause a loose fit.
E. Wiring the E-40 Phone Board

IMPORTANT: Electronic devices are susceptible to lightning and power station electrical surges from both the AC outlet and the telephone line. It is recommended that a surge protector be installed to protect against such surges.
* Note: The gel-filled (water-tight) butt connectors are designed for insulation displacement on 19-26 gauge wire with maximum insulation of 0.082 inches. Do not strip wires prior to terminating.
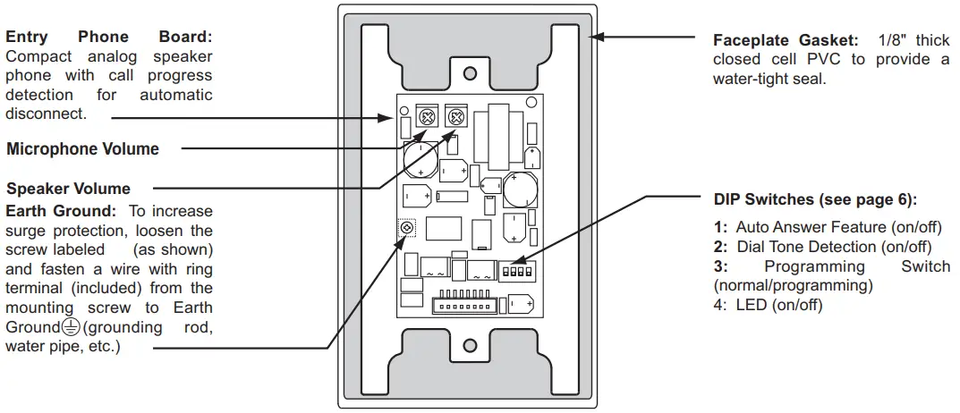
** Note: To increase surge protection, loosen the PCB mounting screw labeled (as shown above) and fasten a wire with ring terminal (included) from the mounting screw to Earth Ground (grounding rod, water pipe, etc.) After fastening the ring terminal to PCB mounting screw, bend the terminal up to avoid interference with a single gang box.
*** Note: Talk battery must be a minimum of 28V DC when using the speaker phone with a Viking K-1900-5 Dialer (DOD 317) or K-1900-30 Multi-Number Dialer (DOD 300).
**** Note: When installing a line-powered phone on a low voltage and/or low loop current phone system extension, a Viking TBB-1B Talk Battery Booster may be required, see DOD 632.
Programming
A. Adjusting Speaker Volume
The speaker volume pot can be adjusted to increase or decrease the speaker volume to the level desired.
B. Adjusting the Microphone Volume
In certain noisy locations (background traffic, machinery, or wind), the microphone volume may need to be decreased. A symptom of this is a one-way talk path, in which the distant party cannot be heard over the speaker. A microphone volume pot is provided for increasing or decreasing the microphone volume.
Note: If the microphone volume is set too high or too low, a one-way talk path may occur. 
C. Dip switch Programming
- Auto Answer ON/OFF (DIP Switch 1)
DIP switch 1 is for turning the Auto Answer feature ON and OFF. The E-40 is factory set to auto-answer when an inbound call is detected. - Dial Tone Detection ON/OFF (DIP Switch 2)
With DIP switch 2 in the ON position, if the E-40 detects more than 5 seconds of continued dial tone, the unit will automatically disconnect. If the E-40 is installed on a continuously noisy line, it may detect the noise as dial tone and automatically disconnect. If this happens, turn the dial tone detection (DIP switch 2) OFF. - Programming Mode ON/OFF (DIP Switch 3)
With DIP switch 3 in the OFF position, the E-40 is in the “Normal Operation Mode” (factory setting). By placing DIP switch 3 in the ON position, the E-40’s programming mode is enabled. The programming mode is used for adjusting the Call Length Time Out, Silence Time for automatic disconnect and the Talk/Listen to delay (VOX switching speed). These features are set from the factory and normally do not need adjustment. If adjustment is necessary, see Programming sections D – I. - LED ON/OFF (DIP Switch 4)
With DIP switch 4 in the ON position, the blue faceplate LED will remain on at all times (to help locate the push button switch in dark locations), dim to indicate off-hook, and flash to indicate incoming ring. When connecting an E-40 to a C.O.line, turn the LED off to comply with FCC regulations.Switch Position Description 1 ON Auto Answer ON (factory setting) 1 OFF Auto Answer OFF 2 ON Dial Tone Detection ON (factory setting) 2 OFF Dial Tone Detection OFF 3 ON Programming Mode 3 OFF Normal Operation Mode (factory setting) 4 ON LED ON (factory setting) 4 OFF LED OFF
D. Accessing the Programming Mode
The E-40 can be programmed from any Touch Tone phone using a telephone line, Viking model C200, C-250, or C-2000B Entry Phone Controller, analog PABX/KSU station or a Viking model DLE200B Line Simulator.
| Step 1 | Move DIP switch 1 to ON (Sets unit to answer incoming calls, see Section C). |
| Step 2 | Move DIP switch 3 to ON (incoming calls automatically enter the programming mode, see Section C). |
| Step 3 | From a touch-tone phone call the line attached to the E-40. |
| Step 4 | When the E-40 answers, 2 beeps will indicate that you have accessed the programming mode. |
| Step 5 | When finished programming, enter “0000” to exit programming and move DIP switch 3 to the OFF position. |
| E. Quick Programming Features | Select feature | Wait for beep(s) | Enter Time Value | Wait for 2 beeps |
| Call length time out (1-9 minutes), 10 = disabled (factory set to 11111 = 5 minutes) | 0 | beep | 111… (See Table A below) | beep beep |
| Silence time out for disconnect (10-90 seconds), 10 = disabled (factory set to 1111 = 40 secs) | 00 | beep | 111… (See Table A below) | beep beep |
| Talk/listen delay (VOX switching speed) 0.1 – 0.9 seconds (factory set to 111 = 0.3 secs) | 000 | beep | 111… (See Table A below) | beep beep |
| Forced hang-up command (used to exit programming and hang up the E-40) | 0000 | 3 beeps | ||
F. Programming Beeps
If a valid “Feature” is entered, a single beep will be heard and you will have 20 seconds to enter a “Time” value. If an invalid “Feature” (five or more zeros) or forced hang-up command (four zeros) is entered, 3 beeps will be heard and the E-40 will hang up. If a valid “Time” is entered 2 beeps will be heard and you will have 20 seconds to enter your next “Feature”. If an invalid “Talk/Listen Delay Time” is entered (10 or more ones), 3 beeps will be heard and you will have 20 seconds to enter your next “Feature”.
G. Call Length Time Out
This feature selects the maximum length of time that calls can be connected. Programmable in increments of 1 minute up to a maximum of 9 minutes. To disable the call length time out, program ten ones in the “Time” value location. With the call length disabled, the E-40 phone must rely on CPC, busy, silence, or return dial tone to hang up. Refer to Table A. * Note: The factory default is 5 minutes.
H. Silence Time Out
This feature selects the length of time that calls will remain connected without voice activity. Programmable in increments of 10 seconds up to a maximum of 90 seconds. To disable the silence time out, program ten ones in the “Time” value location. Use the chart below * Note: The factory default is 40 seconds.
Table A
| Time Value | Call length Time Out | Silence Time Out | Talk/Listen Delay |
| 1 | 1 min | 10 sec | .1 sec |
| 11 | 2 min | 20 sec | .2 sec |
| 111 | 3 min | 30 sec* | .3 sec* |
| 1111 | 4 min | 40 sec | .4 sec |
| 11111 | 5 min* | 50 sec | .5 sec |
| 111111 | 6 min | 60 sec | .6 sec |
| 1111111 | 7 min | 70 sec | .7 sec |
| 11111111 | 8 min | 80 sec | .8 sec |
| 111111111 | 9 min | 90 sec | .9 sec |
| 10 OR MORE | Disabled | Disabled | Error |
I. Talk/Listen Delay (VOX Switching Speed)
This feature selects switching time between talk/ listen to modes (VOX switching time). Use the chart above. * Note: The factory default is .3 sec.
Operation
When the push button is pressed, the E-40 phone goes off-hook, much like a standard speaker phone. In the event that the line is busy, the E-40 will hang up. The E-40 will also automatically hang up on CPC, silence, busy signal, return to dial tone, or time out. If programmed to auto-answer (DIP switch 1 ON), the E-40 will also answer any incoming call.
Warranty
IF YOU HAVE A PROBLEM WITH A VIKING PRODUCT, CONTACT VIKING TECHNICAL SUPPORT AT: 715-386-8666
Our Technical Support Department is available for assistance Monday to Friday 8:00 am – 5:00 pm central time. Before you call, please:
- Know the model number, the serial number, and what software version you have (see serial label).
- Have the Product Manual in front of you.
- It is best if you are on site.
RETURNING PRODUCT FOR REPAIR
The following procedure is for equipment that needs repair:
- The customer must contact Viking’s Technical Support Department at 715-386-8666 to obtain a Return Authorization (RA) number. The customer MUST have a complete description of the problem, with all pertinent information regarding the defect, such as options set, conditions, symptoms, methods to duplicate problem, frequency of failure, etc.
- Packing: Return equipment in the original box or in proper packing so that damage will not occur while in transit. The original product boxes are not designed for shipping – an
overpack box is required to prevent damage in transit. Static sensitive equipment such as a circuit board should be in an anti-static bag, sandwiched between foam, and individually boxed. All equipment should be wrapped to avoid packing material lodging in or sticking to the equipment. Include ALL parts of the equipment. C.O.D. or freight collect shipments cannot be accepted. Ship cartons prepaid to:
VIKING ELECTRONICS
1531 INDUSTRIAL STREET
HUDSON, WI 54016 - Return shipping address: Be sure to include your return shipping address inside the box. We cannot ship to a PO Box.
- RA number on the carton: In large printing, write the RA number on the outside of each carton being returned.
RETURNING PRODUCT FOR EXCHANGE
The following procedure is for equipment that has failed out-of-box (within 10 days of purchase):
- Customers must contact Viking’s Technical Support at 715-386-8666 to determine possible causes for the problem. The customer MUST be able to step through recommended tests for diagnosis.
- If the Technical Support Product Specialist determines that the equipment is defective based on the customer’s input and troubleshooting, a Return Authorization (RA) number will be issued. This number is valid for fourteen (14) calendar days from the date of issue.
- After obtaining the RA number, return the approved equipment to your distributor. Please reference the RA number on the paperwork being shipped back with the unit(s), and also the outside of the shipping box. The original product boxes are not designed for shipping – an overpack box is required to prevent damage in transit. Once your distributor receives the package, they will replace the product over the counter at no charge. The distributor will then return the product to Viking using the same RA number.
- The distributor will NOT exchange this product without first obtaining the RA number from you. If you haven’t followed the steps listed in 1, 2, and 3, be aware that you will have to pay a restocking charge.
TWO-YEAR LIMITED WARRANTY
Viking warrants its products to be free from defects in the workmanship or materials, under normal use and service, for a period of two years from the date of purchase from any authorized Viking distributor. If at any time during the warranty period, the product is deemed defective or malfunctions, return the product to Viking Electronics, Inc., 1531 Industrial Street, Hudson, WI., 54016. The customer must contact Viking’s Technical Support Department at 715-386-8666 to obtain a Return Authorization (RA) number.
This warranty does not cover any damage to the product due to lightning, over-voltage, under voltage, accident, misuse, abuse, negligence, or any damage caused by the use of the product by the purchaser or others. This warranty does not cover non-EWP products that have been exposed to wet or corrosive environments. This warranty does not cover stainless steel surfaces that have not been properly maintained.
NO OTHER WARRANTIES. VIKING MAKES NO WARRANTIES RELATING TO ITS PRODUCTS OTHER THAN AS DESCRIBED ABOVE AND DISCLAIMS
ANY EXPRESS OR IMPLIED WARRANTIES OR MERCHANTABILITY OR FITNESS FOR ANY PARTICULAR PURPOSE.
EXCLUSION OF CONSEQUENTIAL DAMAGES. VIKING SHALL NOT, UNDER ANY CIRCUMSTANCES, BE LIABLE TO THE PURCHASER, OR ANY OTHER PARTY, FOR CONSEQUENTIAL, INCIDENTAL, SPECIAL, OR EXEMPLARY DAMAGES ARISING OUT OF OR RELATED TO THE SALE OR USE OF THE PRODUCT SOLD HEREUNDER.
EXCLUSIVE REMEDY AND LIMITATION OF LIABILITY. WHETHER IN AN ACTION BASED ON CONTRACT, TORT (INCLUDING NEGLIGENCE OR STRICT LIABILITY), OR ANY OTHER LEGAL THEORY, ANY LIABILITY OF VIKING SHALL BE LIMITED TO REPAIR OR REPLACEMENT OF THE PRODUCT, OR AT VIKING’S OPTION, REFUND OF THE PURCHASE PRICE AS THE EXCLUSIVE REMEDY AND ANY LIABILITY OF VIKING SHALL BE SO LIMITED.
IT IS EXPRESSLY UNDERSTOOD AND AGREED THAT EACH AND EVERY PROVISION OF THIS AGREEMENT THAT PROVIDES FOR A DISCLAIMER OF WARRANTIES, EXCLUSION OF CONSEQUENTIAL DAMAGES, AND EXCLUSIVE REMEDY AND LIMITATION OF LIABILITY ARE SEVERABLE FROM ANY OTHER PROVISION AND EACH PROVISION IS A SEPARABLE AND INDEPENDENT ELEMENT OF RISK ALLOCATION AND IS INTENDED TO BE ENFORCED AS SUCH.
FCC REQUIREMENTS
This equipment complies with Part 68 of the FCC rules and the requirements adopted by the ACTA. On the side of this equipment is a label that contains, among other information, a product identifier in the format the US: AAAEQ##TXXXX. If requested, this number must be provided to the telephone company.
The REN is used to determine the number of devices that may be connected to a telephone line. Excessive RENs on a telephone line may result in the devices not ringing in response to an incoming call. In most but not all areas, the sum of the RENs should not exceed five (5.0) To be certain of the number of devices that may be connected to a line, as determined by the total RENs, contact the local telephone company. For products approved after July 23, 2001, the REN for this product is part of the product identifier that has the format the US: AAAEQ##TXXXX. The digits represented by ## are the REN without a decimal point (e.g., 03 is a REN of 0.3). For earlier products, the REN is separately shown on the label.
The plug used to connect this equipment to the premises wiring and telephone network must comply with the applicable FCC Part 68 rules and requirements adopted by the ACTA. If your home has specially wired alarm equipment connected to the telephone line, ensure the installation of this E-40 does not disable your alarm equipment. If you have questions about what will disable alarm equipment, consult your telephone company or a qualified installer.
If the E-40 causes harm to the telephone network, the telephone company will notify you in advance that temporary discontinuance of service may be required. But if advance notice isn’t practical, the telephone company will notify the customer as soon as possible. Also, you will be advised of your right to file a complaint with the FCC if you believe it is necessary.
The telephone company may make changes in its facilities, equipment, operations, or procedures that could affect the operation of the equipment. If this happens, the telephone company will provide advance notice in order for you to make the necessary modifications to maintain uninterrupted service.
If trouble is experienced with the E-40, for repair or warranty information, please contact:
Viking Electronics, Inc., 1531 Industrial Street, Hudson, WI 54016 Phone: (715) 386-8666
If the equipment is causing harm to the telephone network, the telephone company may request that you disconnect the equipment until the problem is resolved.
Connection to Party Line Service is subject to State Tariffs. Contact the state public utility commission, public service commission, or corporation commission for information.
WHEN PROGRAMMING EMERGENCY NUMBERS AND (OR) MAKING TEST CALLS TO EMERGENCY NUMBERS:
Remain on the line and briefly explain to the dispatcher the reason for the call. Perform such activities in the off-peak hours, such as in the early morning or late evenings.
It is recommended that the customer install an AC surge arrester in the AC outlet to which this device is connected. This is to avoid damaging the equipment caused by local lightning strikes and other electrical surges.
PART 15 LIMITATIONS
This equipment has been tested and found to comply with the limits for a Class A digital device, pursuant to Part 15 of the FCC Rules. These limits are designed to provide reasonable protection against harmful interference when the equipment is operated in a commercial environment. This equipment generates, uses, and can radiate radio frequency energy and, if not installed and used in accordance with the instruction manual, may cause harmful interference to radio communications. Operation of this equipment in a residential area is likely to cause harmful interference in which case the user will be required to correct the interference at his own expense.
Product Support: (715) 386-8666
Due to the dynamic nature of the product design, the information contained in this document is subject to change without notice. Viking Electronics, its affiliates, and/or subsidiaries assume no responsibility for errors and omissions contained in this information. Revisions of this document or new editions of it may be issued to incorporate such changes.
DESIGNED, MANUFACTURED, AND SUPPORTED IN THE USA
www.VikingElectronics.com
Information: 715-386-8861
September 2, 2021



















