fri-jado 5-7-8 40 Bird Programmable Electric Rotisserie Oven
SERVICE INSTRUCTION
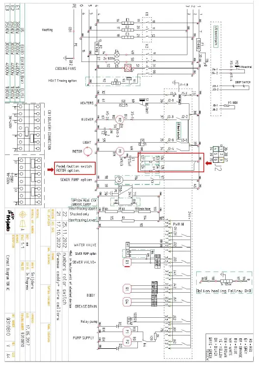
Rotor switch panel TOR AC
This service instruction is applicable for the rotor switch panel in TDR5s ac, TDR7/8i ac, TDR7/8s ac, TDR7+7s ac and TDR8+8s ac. The TDR AC can be executed with a rotor switch control panel. This makes it possible for the operator to rotate the rotor by pushing the rotor switch button.
Contents service kit 9310302s for TDR5s ac:
| 9310302 | 1x | Ass. Back Panel (5) with rotor switch |
| including wire set | ||
| 9298100 | 1x | Doorhandle setTDR-5 {use when needed) |
| 9120018 | 1x | This instruction |

Contents service kit 9310150s for TDR7 /Bi ac and TDR7 /Bs ac:
| 9310150 | 1x | Ass. Back Panel (8) with rotor switch |
| including wire set | ||
| 9298101 | 1x | Doorhandle setTDR-8 {use when needed) |
| 9120018 | 1x | This instruction |

Contents service kit 9318526s forTDR7/8+7/8s ac:
| 9318526 | 1x | Ass. Panel rotor switch double (8) |
| 9120018 | 1x | including wire set {2x) This instruction |
NOTICE
This manual is prepared for the use of trained Service Technicians and should not be used by those not properly qualified. If you have attended a training for this product, you may be qualified to perform all the procedures in this manual. This manual is not intended to be all encompassing. If you have not attended a training for this product, you should read, in its entirety, the repair procedure you wish to perform to determine if you have the necessary tools, instruments and skills required to perform the procedure. Procedures for which you do not have the necessary tools, instruments and skills should be performed by a trained technician. Reproduction or other use of this Manual, without the express written consent of Fri-Jada, is prohibited.
EXCHANGING THE BACK PANEL IN A TDR AC
DISCONNECTTHE UNIT FROM THE POWER SUPPLY BEFORE STARTING THIS PROCEDURE!
Mounting instructions for TDRSs ac, TDR7 /8i ac and TDR7/8s ac:
- Unscrew the four screws of the side panel and remove the side panel to get access to the electrical compartment.
- Unscrew the top screw of the back panel and remove the back panel.

Note: the panel is positioned in four slots, the top of the panel needs to be tilted outwards to take the panel out. - Place the rotor switch back panel in the slots and fasten the top screw. Read instruction step 4a, 4b and 4c first before mounting the back panel (pictures show the cabinet ofTDR7 /8s ac).
- In case the rotor switch panel is mounted at the side where the control board is located the following applies:
Guide the wires of the rotor switch into the compartment as shown and connect the wires nr.127 and nr. 126 ( length: 750mm [29 1/2″]) of the rotor switch on respectively Cb5 and Cb7 of the control board CB2 in the compartment (see S3 in the wiring diagram on page 5).
Note: in this case the wires nr.124 and 125 ( length: 1100mm [43 5/16″]) of the rotor switch wire set are not used. To prevent short circuit remove these wires from the rotor switch before mounting the back panel (step 3).- In case the rotor switch panel is mounted at the opposite side (not control board side) the following applies:
Guide the wires nr.124 and nr.125 ( length: 1100mm [43 5/16″]) of the rotor switch into the compartment as shown and run them through the cable tray. Remove the two pin connectors at the wire ends and strip 12mm [1 /2″] of both wire ends. Connect the wires nr.124 and nr.125 of the rotor switch on respectively Cb5 and Cb7 of the control board CB2 in the compartment (see S4 in the wiring diagram on page 5).
Note: in this case the wires nr.127 and 126 ( length: 750mm [29 1 /2″]) of the rotor switch wire set are not used. To prevent short circuit remove these wires from the rotor switch before mounting the back panel (step 3). - In case a secondary rotor switch panel is mounted when the TDR already is executed with a front panel with rotor switch, the following applies:
Guide the wires nr.124 and nr.125 ( length: 1100mm [43 5/16″]) of the rotor switch into the compartment as shown and run them through the cable tray. Connect the wires nr.124 and nr. 125 on the two free terminals of the rotor switch on the existing panel (see S3 and S4 in the wiring diagram on page 5).Note: in this case the wires nr.127 and 126 ( length: 750mm [29 1 /2″]) of the rotor switch wire set are not used. To prevent short circuit remove these wires from the rotor switch before mounting the back panel (step 3).
- In case the rotor switch panel is mounted at the side where the control board is located the following applies:
- Mount the side panel and tighten the four screws.
Mounting instructions forTDR7+7s ac and TDR8+8s ac:
- Unscrew the four screws of the upper and lower side panel and remove both side panels to get access to both electrical compartments.
- Unscrew the top screw of the lower back panel and remove the back panel. The upper back panel will stay in place.
Note: the panel is positioned in four slots, the top of the panel needs to be tilted outwards to take the panel out.
- Place the rotor switch back panel in the slots and fasten the top screw. Read instruction step 4a, 4b and 4c first before mounting the back panel.
- In case the rotor switch panel is mounted at the side where the control board is located the following applies:
Guide the wires of the two rotor switches into the compartment as shown and connect the wires nr.127 and nr. 126 ( length: 750mm [29 1 /2″]) of the upper and lower rotor switch on respectively Cb5 and Cb7 of the control boards CB2 in respectively the upper and lower compartment (see S3 in the wiring diagram on page 5).
Note: in this case the wires nr.124 and 125 ( length: 1100mm [43 5/16’1 ) of the rotor switch wire sets are not used. To prevent short circuit remove these wires from the rotor switches before mounting the back panel (step 3). - In case the rotor switch panel is mounted at the opposite side (not control board side) the following applies:
Guide the wires nr.124 and nr.125 ( length: 1100mm [43 5/16″] ) of the two rotor switches into the compartment as shown and run them through the cable trays. Remove the two pin connectors at the wire ends and strip 12mm [1 /2’1 of both wire ends. Connect the wires nr.124 and nr.125 of the rotor switch on respectively Cb5 and Cb7 of the control boards CB2 in respectively the upper and lower compartment (see S4 in the wiring diagram on page 5).
Note: in this case the wires nr.127 and 126 ( length: 750mm [29 1 /2″] ) of the rotor switch wire sets are not used. To prevent short circuit remove these wires from the rotor switches before mounting the back panel (step 3).
- In case a secondary rotor switch panel is mounted when the TDR is already executed with a front panel with rotor switches, the following applies:
Guide the wires nr.124 and nr.125 ( length: 1100mm [43 5/16″]) of the rotor switches into the compartment as shown and run them through the cable tray. Connect the wires nr.124 and nr. 125 on the two free terminals of the rotor switches on the existing panel (see 53 and 54 in the wiring diagram on page 5).
Note: in this case the wires nr.127 and 126 ( length: 750mm [29 1/2″]) of the rotor switch wire sets are not used. To prevent short circuit remove these wires from the rotor switches before mounting the back panel (step 3).
- In case the rotor switch panel is mounted at the side where the control board is located the following applies:
- Mount the upper and lower side panel and tighten the four screws of each panel.
Pre-wired rotor switch:
Control board CB2, wire connection positions:
ELECTRICAL DIAGRAM TDR AC
9120018 Service instruction, Rotor switch panel rev. 06/2023



Note: in this case the wires nr.124 and 125 ( length: 1100mm [43 5/16″]) of the rotor switch wire set are not used. To prevent short circuit remove these wires from the rotor switch before mounting the back panel (step 3).
Note: in this case the wires nr.127 and 126 ( length: 750mm [29 1 /2″]) of the rotor switch wire set are not used. To prevent short circuit remove these wires from the rotor switch before mounting the back panel (step 3).

Note: in this case the wires nr.124 and 125 ( length: 1100mm [43 5/16’1 ) of the rotor switch wire sets are not used. To prevent short circuit remove these wires from the rotor switches before mounting the back panel (step 3).
Note: in this case the wires nr.127 and 126 ( length: 750mm [29 1/2″]) of the rotor switch wire sets are not used. To prevent short circuit remove these wires from the rotor switches before mounting the back panel (step 3).
















