fri-jado LDR 8 s AC Gas Programmable Auto Clean Rotisserie Oven

NOTICE
This manual is prepared for the use of trained Service Technicians and should not be used by those not properly qualified. If you have attended training for this product, you may be qualified to perform all the procedures in this manual. This manual is not intended to be all-encompassing. If you have not attended training for this product, you should read, in its entirety, the repair/installation procedure you wish to perform to determine if you have the necessary tools, instruments, and skills required to perform the procedure. Procedures for which you do not have the necessary tools, instruments, and skills should be performed by a trained technician. Reproduction or other use of this Manual, without the express written consent of Fri-Jado, is prohibited. Note to the purchaser:
Note to purchaser
Obtain by consulting your local gas supplier the instructions to be followed in the event the user smells gas. These instructions must be posted in a prominent location.
FOR YOUR SAFETY
Do not store or use gasoline or other Flammable vapors and liquids in the vicinity of this appliance.
WARNING
Improper installation, adjustment, alteration, service or maintenance can cause property damage, injury or death. Read the installation, operation and maintenance instructions thoroughly before installing or servicing this equipment.
Technical data
Consult the identification plate to get the proper specifications of the rotisserie. The electrical data may vary from country to country. All of the information, illustrations, and specifications contained in this manual are based on the latest product information available at the time of printing.
American models
| Models | LDR 8 s AC Gas | ||
| Dimensions approx. | Width | inch | 52” (1321 mm) |
| Depth | inch | 38¼” (972 mm) | |
| Height | inch | 71½” (1816 mm) | |
| Weight | Gross | lbs. | 800 (363 kg) |
| Net | lbs. | 690 (312 kg) | |
| Maximum ambient temperature | °F | 95 | |
| Sound pressure | dB (A) | < 70 | |
| Electrical installation | Voltage | V | 1~ 208 |
| Frequency | Hz | 50/60 | |
| Required power | kW | 0.9 | |
| Max. nominal current | A | 4.4 | |
| Plug | NEMA | 6 – 15P | |
| Power cable | Length | inch | 75 |
| Water connection | Aerated | inch | ¾ (1x) |
| Water | pressure | kPa | 200 – 500 |
| Acidity | pH | 7.0 – 8.0 | |
| Chlorides | ppm | <30 | |
| Hardness ¹ | dH | <4 | |
| Drain | Open connection | inch | min. 1⅝ |
| Gas System | Refer to data plate | ||
| Power rating (max) | BTU / KW | 82.000 / 24 | |
| Connection | Inch NPT | ½ |
| Gas specification | Consumption ² | Gas pressure min/max |
| Natural gas | 2.2 mᶟ/hr | 7”wc (17 mbar)/14”wc (35mbar) |
- See chapter “water requirements” for detailed information
- At sea level 1013 m bar 20°C
Required tools
For proper installation Fri-Jado recommends having the following list of tools available during installation:
- A standard set of tools.
- Metric wrenches, sockets, and hex socket key wrenches.
- Multi-meter.
- AC current clamp tester.
- Temperature tester.
- Insulation value tester (Megger).
- Gas pressure meter.
- Gas consumption/flow meter.
- Field Service Grounding Kit.
- Flue gas analyzer (optional).
Introduction
This manual is intended for the installer of the LDR 8 s AC GAS (Large Deli Rotisserie on Gas with cleaning feature). The necessary steps and actions for installation are being described, along with directions for the safest and most efficient use, in order to guarantee a long life of the rotisserie.
Identification of the rotisserie
The identification plate can be found on the outside of the machine, and contains the following data:
- • Name of the supplier or the manufacturer
• Model
• Serial number
• Year of construction
• Country of destination
• Kind of gas
• Gas pressure
• Included gas power
• Mains voltage
• Frequency
• Electrical power consumption
Pictograms and symbols
In this manual, the following pictograms and symbols are used:
- WARNING
Possible physical injury or serious damage to the rotisserie, if the instructions are not carefully followed. - WARNING
Hazardous electrical voltage. - WARNING
The danger of getting injured by hot surfaces. - WARNING
Risk of fire. Suggestions and recommendations to simplify indicated actions. Recycling symbol.The direction of view symbol.
Safety instructions
- WARNING
The top cover (in particular the flue tube) and the outside of the rotisserie can be very hot. - WARNING
Do not put any objects on the equipment as this may cause a fire. Keep all openings free from obstacles. - WARNING
Keep the opening between the equipment and the table surface free from obstacles in order to ensure good ventilation in the electrical compartment. - WARNING
The maximum load on top of the rotisserie may never exceed 50 kg (110 lbs.). - WARNING
Risk of slippery floor: Spills may cause slippery surfaces, clean up promptly. - WARNING
See installation instructions for grounding requirements.
- WARNING
Always use the brakes on both front wheels:
General
The user of the rotisserie will be fully responsible for abiding by the locally prevailing safety rules and regulations. The rotisserie may be operated by qualified and authorized persons only. Anyone working on or with this rotisserie must be familiar with the contents of this manual and carefully follow all guidelines and instructions. Never change the order of the steps to be performed. The management must instruct the personnel on the basis of this manual and follow all instructions and regulations. The pictograms, labels, instructions, and warning signs attached to the rotisserie, are part of the safety measures. They may never be covered or removed and must be clearly visible during the entire lifetime of the rotisserie. Immediately repair or replace damaged or illegible pictograms, warnings and instructions.
Moving
When moving the rotisserie:
- Before moving the rotisserie, first, switch off the mains voltage by pulling the plug from the wall socket and empty the fat collecting container. After that, cool down the rotisserie for at least ten minutes.
- Disconnect the water supply and drain. Disconnect the Gas supply.
- The rotisseries equipped with wheels are not suited to pass ledges or obstacles higher than 10 mm (0.4 inches).
- When moving the rotisserie, always push at the center of the rotisserie. Never on top. Never at the bottom.
- Make sure that the wheels can move freely, so they never touch the gas hose and/or the power lead.

Hygiene
The quality of a fresh product always depends on hygiene. Especially grilling products. With the risk of salmonella contamination – especially for chicken products – you must make sure that grilled products can never be mixed with uncooked products. Also, contact between grilled products and hands or tools that have been in contact with raw chicken meat, must always be avoided. Hands or tools that have been in contact with raw chicken meat, must be cleaned thoroughly.
Service and technical support
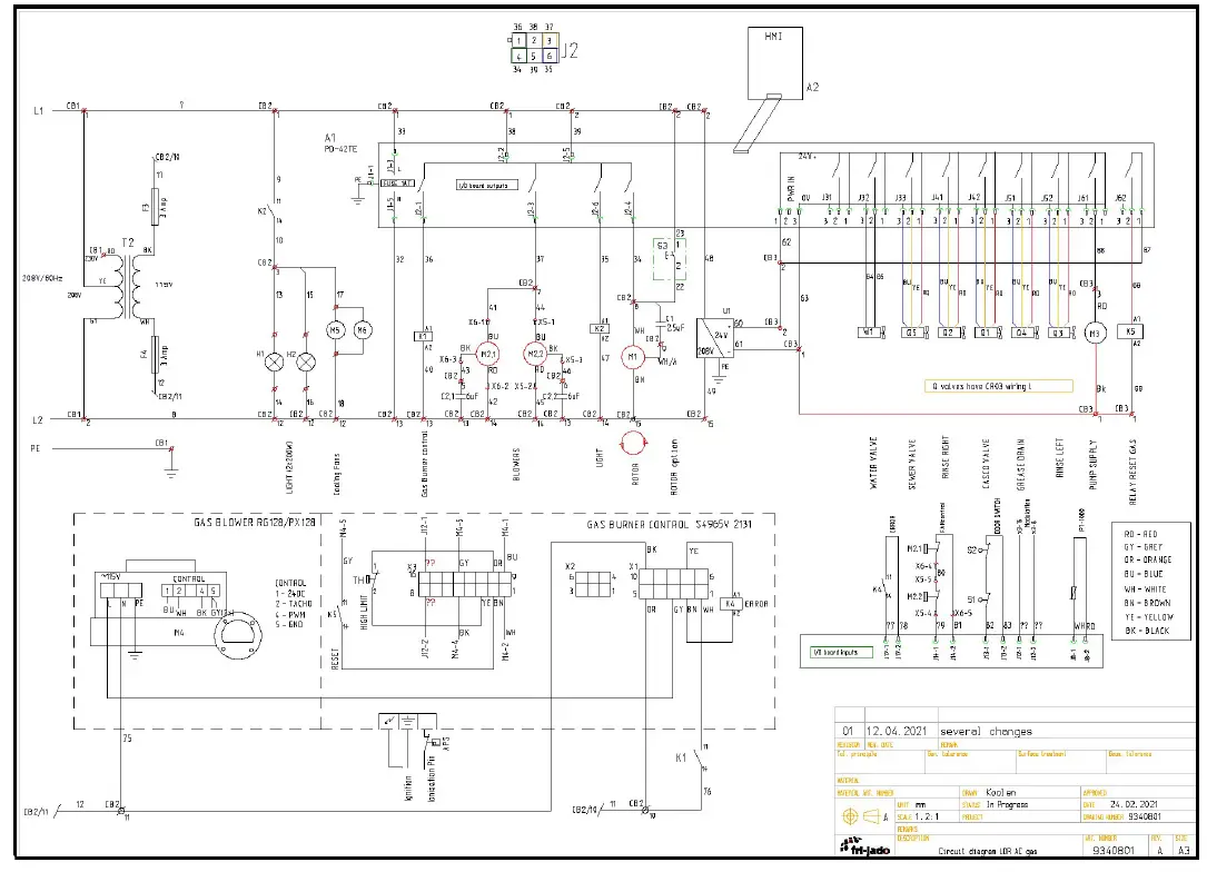
The electrical schematics of your rotisserie is included. In case of malfunctions, you can contact your dealer/service agent. Make sure you have the following data available:
- Model.
- Serial number.
This data can be found on the identification plate.
Shutdown / Storage
If the rotisserie will not be used temporarily, follow these instructions:
- Disconnect the power supply.
- Shut off the external gas supply.
- Clean the rotisserie thoroughly.
- Wrap the rotisserie to from getting dusty.
- Store, when applicable, the rotisserie in a dry, non-condensing environment.
Disposal
Dispose of the machine, and any components or lubricants removed from it safely in accordance with all local and national safety and environmental requirements.
Description of the rotisserie
Technical description
Heating takes place by means of gas that is burnt in a heat exchanger placed in the ceiling. A fan mixes the gas and air, and which mixture is ignited by means of an automatic ignition. The combustion takes place in the inner part of the heat exchanger and is therefore not visible. The flue gasses are discharged through a flue tube at the top or side off the rotisserie. Fans ensure an equally divided heat. To maintain the set temperature, the heat exchanger is modulated and repeatedly switched on and off during the grilling process.
During the entire process, the interior of the rotisserie will be illuminated by halogen lamps. The rotisserie control keeps the temperature inside the rotisserie fixed to the level set by the operator. The rotor is being wheeled by a maintenance-free motor and gearbox. The hardened glass panes are equipped with a heat-reflecting layer to keep the heat inside the grill. The plating of the rotisserie is made of stainless steel. The product contact parts are made of stainless steel AISI 304. The mains cable is provided with a plug.
Refer to the data plate for the applicable gas system.
Intended use
The rotisserie has been designed for grilling meat products and has a semi-self-cleaning feature. Any other use will not be regarded as intended use. The manufacturer accepts no liability whatsoever for loss or injury caused by failing to strictly adhere to the safety guidelines and instructions in this manual or due to carelessness during installation, use, maintenance and repair of the rotisserie referred to in this manual and any of its accessories. Use the rotisserie in perfect technical condition only.
Installation and first use
- All packing materials used for this rotisserie are suited for recycling.
- After unpacking, check the state of the rotisserie. In case of damage, store the packing material, and contact the transporter within fifteen working days after receiving the goods.
Unpacking the rotisserie
- Unpack the rotisserie as initiated on the unpacking instruction on the packaging.
- Remove all remaining packing materials from the rotisserie.
- Remove the protective foil from the metal parts.
- Take off the standard accessories.
Installation and positioning
- WARNING
Electric shock hazard. Grounding instructions: only connect the appliance to an alternating current provided by a grounded wall socket, with a mains voltage in accordance with the information indicated on the data plate of the appliance. - It is the consumer’s responsibility to make sure the electrical installation conforms with current national and local codes and wiring regulations.
- Do not use a multi-plug or extension cord. Such can result in fire, electrical shock, or another personal injury.
- Failure to follow these instructions can result in death or serious injury.
- WARNING
Position the rotisserie indoors on a flat and horizontal surface. A temporally inclined plane of a maximum 5° is allowed. - WARNING
DO NOT USE THIS GRILL WITH ANY GAS OTHER THAN THE ONE SHOWN ON THE MODEL RATING PLATE. - WARNING
Position the rotisserie on a flat and horizontal surface. A temporally inclined plane of a maximum 5° is allowed. - WARNING
Install the equipment in a sufficiently ventilated room in order to prevent concentrations of harmful substances in that room. - WARNING
Always install the equipment under a ventilated cooker hood. - WARNING
The equipment is not suitable for direct connection to an air duct. - WARNING
The wall socket and the gas provisions are to be installed by a registered installer in accordance with the current national and local regulations. - WARNING
Settings on the gas equipment are secured by the manufacturer and should under no circumstances be broken by the installer. Settings must not be changed. - WARNING
Do not store or use gasoline or other flammable vapors or liquids in the vicinity of the appliance.
Positioning
- The user must have sufficient freedom of movement to properly operate the rotisserie.
- The ambient temperature of the rotisserie must be between 10 and 30 °C (50 and 86 °F).
- Use proper lifting– and transport tools to move the rotisserie.
- Place the rotisserie, using a spirit level, flat on a solid surface. Mind the weight of the rotisserie!
- The minimum free distance must be at least 100 mm (4 inches).
- In case of a wheeled rotisserie, the floor must be flat and leveled.
- The products inside the rotisserie must be clearly visible.
- Keep children away from the operating side of the rotisserie.
During grilling, the glass panes will get very hot. While positioning, keep the rotisserie out of children’s reach. - The gas connection has an outside diameter of ½ inch. The gas connection must be mounted by a registered installer.
- The rotisserie must be installed so that the flow of combustion and ventilation air will not be obstructed. Make sure there is an adequate supply of air in the room to allow
- or the required combustion of gas of the rotisserie chamber.
- Keep the space around the bottom and the ventilation opening in the top of the rotisserie free from obstacles to guarantee good airflow in the electrical compartment and combustion chamber.
- The appliance is for use only with the specific legs or casters specified by the manufacturer.
- In case of a wheeled rotisserie, the floor must be flat and leveled.

Installation
- North American rotisseries must be installed to conform to local codes, or in the absence of local codes, with the National Fuel Gas Code, ANSI Z223.1/NFPA 54, or the Natural Gas and Propane Installation Code, CSA B149.1, as applicable, including:
- The appliance and its individual shutoff valve must be disconnected from the gas supply piping system during any pressure testing of that system at test pressures in excess of ½ psi (3.5 kPa).
- The appliance must be isolated from the gas supply piping system by closing its individual manual shutoff valve during any pressure testing of the gas supply piping system at test pressures equal to or less than ½ psi (3.5 kPa).
- North American rotisseries must when installed be electrically grounded in accordance with local codes, or in the absence of local codes, with the National Electric Code, NFPA 70, or the Canadian Electrical Code, CSA C22.2, as applicable.
- North American rotisseries equipped with casters must be installed with connectors that comply with the Standard for Connectors for Movable Gas Appliances, ANSI Z21.69SA 6.16. This connection must include a quick disconnect device that complies with the Standard for Quick Disconnect Devices for Use With Gas Fuel, ANSI Z21.41 CSA 6.9.
- Adequate means must be provided to limit the movement of the appliance without depending on the connector and quick-disconnect device or its associated piping to imit he appliance movement.
- A water connection with an aerated valve with a ¾ inch thread connection, with a minimum continuous flow rate of 15 liters/min, must be available near the rotisserie.
- The water pressure must be between 200 and 500 kPa (2 and 5 bar), preferably at least 300 kPa (3 bar). Refer to the Installation Manual.
- Use the water hose supplied with the machine.
- An open drainage with an inside diameter of at least 40 mm (1.6 inch) must be available near the rotisserie.
- The rotisserie has a mains plug, and must be connected to a wall socket with the proper mains voltage. The wall socket must be mounted by a certified electrician.
A tether bracket, as shown on the drawing below, is provided with the stand. Based on the routing of the flexible conduit, the bracket must be installed along with the caster to one corner of the base using the hardware provided. The remaining open hole in the center of the bracket is to be used to secure one end of the tether (locally supplied chain, cable, etc.). The other end of the tether is to be secured to an anchoring point in the building structure.
Length of tether must be shorter than the flexible conduit to make sure that during appliance movement, no stress is transmitted to the conduit.
- Unpacking of the rotisserie.
- Remove the pallet under the rotisserie with the help of a forklift.
- Put the rotisserie on his location.
- Check if there is enough free space around the rotisserie (see installation drawing).
- Check the electrical supply.
- Tethering of the rotisserie.
- Connect the water.
- Connect drain.
- Grease collection.
- Make a test run on 220 °C (425°F).
- Give instructions to the operator.
Electrical supply
Prior to installation, test the electrical service to assure that it agrees with the specifications on the machine data plate located on the right-side panel near the controls. The connecting cable for the rotisserie is equipped with an approved plug connection. If use is to be made of a permanent connection, the connecting cable must be connected to a manual on/off switch that is installed near the rotisserie in a clear visible manner. In all cases, a strain relief must be installed where the cable enters the rotisserie. The rotisserie must be connected according to the figure below. The electrical diagram is supplied with the documentation package inside the rotisserie. For a 1-phase 208 V ~ circuit with neutral, the rotisserie must be connected according to the figure below. 
A ground (earth) connection must be provided and installed in accordance with state and local codes.
Gas connection
All gas supply connections and any pipe joint compound used must be resistant to the action of propane gases. Codes require a gas shutoff valve be installed in the gas line ahead of the rotisserie. The gas inlet is located on the bottom side, under the electric compartment. (marked 4 in drawing below) With a gas conduit (not included) you can lead the gas connection to the main gas supply. Connect the rotisserie to the gas line after leveling. Gas supply line must be at least the equivalent of 1/2“ (12.7 mm) iron pipe and capable of maintaining the required gas pressure during full power. Make sure the pipes are clean and free of obstructions, dirt, and piping compound.
Note: After the piping has been checked for leaks, fully purge gas pipes to remove air. Disconnect the rotisserie from t he gas supply piping system during any pressure testing on the gas supply piping system.
Note: Check all joints in the gas supply line for leaks prior to start up the rotisserie. You can use a soap and water solution. Do not use an open flame.
The gas inlet pressure has to be according to the table on the technical data page. (Chapter 1) The pressure can be checked on the gas block with a pressure meter like in the picture below. 
- Gas inlet: Inlet of gas after gas pressure reduction valve (max. 22“ H2O). Pressure depending of gas type.
- Gas outlet: Outlet of gas into gas mixture blower.
- Coils: 2 Coils for the gas valves.
- Inlet pressure: Measuring tube for gas pressure after reduction valve. In order to measure loosen the screw on inside of the tube.

Measuring notes
- Inlet pressure: During operation you measure the pressure of the setting of the reduction
- Outlet pressure: During operation you measure a pressure of zero.
- You can use this measuring point also to check if the gas valves are opening. When you start up t he machine and the valve is not opened yet you measure a under pressure due to the suction of the gas mixture blower and this pressure will be zero when the valve is opened.
Flue gas analyzer
With the flue gas analyzer you can measure the exhaust gas on the rotisserie for toxicity. With the use of a Testo 330-1LL you get the following measurements:
Values below are references and factory defaults.
| RPM [min-1] | CO2 [%] | Power Hs in [kW] | Power Hs in [BTU] | |
| High load | 6350 | 9,70 % | 24 | 82000 |
| Low load | 2500 | 9,20 % | 8,9 | 30368 |
| Start load | 4640 | 17,5 | 59030 |
Gas consumption
With a flow meter you can measure the gas consumption/flow. See table on page 4.
To get an accurate consumption you have to do a measurement of 3-5 minutes. During this period the rotisserie may not be turned off and no other gas device on the same gas line may be active.
Power, water and drain connections.
The power, water and drain connections can be found at the back of the rotisserie.
- 208 V USA models Power connection NEMA

- 6 -15 P
- L= 1,9 mtr (75”)
- Water supply hose
- G 3/4”, L= 1,1 mtr (43”)
See chapter “connecting the drain tube”
Gas conduit, is not supplied with the Rotisserie. Connection underneath the rotisserie ½” NPT (see also chapter 5.4)
The supplied tap water must have the following conditions
- Minimum pressure 200 kPa (2 bar)
- Maximum pressure 500 kPa (5 bar)
- Maximum water temperature 55 °C (130 °F)
- Acidity pH 7.0 – 8.0
- Chlorides less than 30 ppm
- Use a sediment pre-filter or a strainer for the reduction of silica and other non-dissolved sediments.
Water hardness and descaling filters
- A descaling filter is advised when the hardness of the water is > 4° dH (4 Grains/Gal).
- A descaling filter is mandatory when the hardness of the water is > 20° dH (20 Grains/Gal).
Note that the cleaning capacity of the cleaning tablets will decrease with harder water.
The by-pass of the descaling filter, if applicable, needs to be adjusted to zero. Refer to the filters manual to determine the filter capacity. This filter capacity needs to be adjusted in the manager parameters.
Connecting the drain tube
An open draining system with a 110 mm (4 1/2”) funnel is recommended. The drain tube has an outside diameter of 33 mm (1 5/16”).
- It is not allowed to make a closed connection, the connection must be aerated!
- Make sure that the tube is not kinked and is sloping downwards to the drain funnel.
- The minimum inside diameter of the sewer pipe needs to be 40 mm (1 1/2”).
- A siphon in the customers sewer is highly recommended to prevent odors from coming out of the sewer.
- See below examples

Extraction of the rotisserie
The rotisserie must be located under an extraction hood which has adequate connection to an exhaust duct and extends 8” beyond the rotisserie sides. Clearance above the rotisserie flue should be adequate for the products to escape so that there is no interference with the heat circulation in the rotisserie. Refer to ANSI/NFPA 96, ” Standard for Ventilation Control and Fire Protection of Commercial Cooking Operations” (latest edition). The LDR Gas produces about 600 cf water vapor per cycle.
Consider the following guidelines for the extraction hood:
- The minimum capacity of the extraction hood has to be 900 cfm
- The extraction hood has to extend a minimum by 8” on all sides of the rotisserie
- The extraction hood has to have a free height, above the rotisserie, of a minimum of 16”
- The rotisserie has to be accessible for service purposes
- Flue connections should never be made directly to the rotisserie.
Grease collection
Place the bucket, which is delivered with the rotisserie, inside the stand under the drainpipe. It is also possible to put other containers in the underframe to collect the grease.
Note 1: In one run, 5 liters (1.3 gallons) of grease can come out.
Note 2: The temperature of the grease can go up to 80 °C (176 °F). Make sure that the container meets the above requirements.
Test run
The rotisserie must be burned in to release any odors that might result from heating the new rotisserie surfaces. Operate the rotisserie at a maximum temperature setting of 220°C (425°F) for 30 minutes. Smoke with an unpleasant odor will normally be given off during this burn-in period
Instructions for operators
After installation of the rotisserie, the operator of the rotisserie has to be instructed. The instruction has to cover the following subjects:
- Programming and options.
- Working on the rotisserie.
- Free space of rotisserie for cooling of drive motor and blowers.
- Run through the user manual.
- How to run the cleaning program and place cleaning tablets.
- Cleaning of the tablet dispenser and bottom filters after the cleaning program has finished.
- How to react to information or service calls.
- Periodical maintenance:
- Cleaning of fan plate every 3 months.
- Yearly maintenance by a service agent.
- Check the safety pressure valve
- Check the restraining chain
- Gas leakage
- CO2 values (see 5.4.2)
Electrical diagrams
Installation Drawing
- Main’s connection
- water connection G 3/4″ BSP
- Drain wastewater
- Gas connection ½” N PT
- Flue gas outlet (750 °F)
- Sewer (0 min. 1%”)
- Sewer funnel
fri-jado LDR 8 s AC Gas Programmable Auto Clean Rotisserie Oven

























