VIESSMANN DN25B Solar Divicon
![]()
For your safety
Carefully read this manual before installation and commissioning. Non-observance of the instructions in this manual may lead to serious material damage and serious injuries that may result in death.
Keep this manual in close proximity of the system for later use.
About this manual
- This manual describes the function, installation, commissioning and operation of the solar stations Solar-Divicon DN25B.
- The chapters called [specialist] are only addressed to installation contractors.
- For other components of the solar installation, such as collectors, storage tanks, expansion tanks, and controllers, please refer to the instructions of the corresponding product.
Qualification of the installer
Installation and commissioning of this equipment should be done by qualified installers [specialist] in accordance with local, state, provincial, and federal codes which may be
applicable.
Warning: Indicates that there is risk of death, serious injuries or considerable material damage if suitable safety precautions are not taken.
Caution: Indicates that there is a risk of light injuries if suitable safety precautions are not taken.
NOTICE: Indicates that there is a risk of material damage if suitable safety precautions are not taken.
Designated use
The solar station is a pre-assembled fitting assembly checked for tightness and used for recirculating the solar fluid in a closed loop solar circuit. The solar station must only be used in solar thermal systems as pumping station in the solar circuit, taking into consideration the technical limit values indicated in this manual. The station may only be assembled indoors. The station must be assembled and operated as described in this manual! Unintended use of the solar station will invalidate any liability claims. Only use accessories from Viessmann. The wrapping materials are made of recyclable materials that can be recycled by standard recycling operations. The following must also be observed during installation and commissioning:
- Relevant regional and national regulations (for example Occupational Safety and Health Act)
- Relevant accident prevention regulations (for example of the Employer’s Liability Insurance Association)
- Instructions and safety instructions mentioned in this manual Solar-Divicon DN25B Installation, Start-up, Service
General safety instructions
Before installing and commissioning the product, you must read and observe the following safety instructions:
Warning: Danger of scalding due to escaping vapor!
- Flush and fill the system only if the collector temperatures are below 150 °F (70 °C).
- Connect a discharge line to the safety assembly. Observe the instructions regarding the pressure relief valve.
- The pressures calculated by the installation planner for the expansion tank and the operating pressure of the installation must be set prior to filling system
NOTICE: Material damage due to mineral oils!
Mineral oil products permanently damage the EDPM sealing elements, resulting in a loss of their sealing characteristics. We cannot be held liable for damage caused by seals thus damaged, nor will we offer a replacement under warranty.
- It is imperative to prevent the EPDM sealing elements from making contact with substances containing mineral oils.
- Use silicone- or polyalkylene-based lubricants free of mineral oil, such as Unisilikon L250L and Syntheso Glep 1 from the company Klüber or a silicone spray
Caution: Personal injury and material damage caused by excess pressure!
Closing both ball valves will disconnect the safety assembly from the heat exchanger. Heating the storage tank can result in the formation of high pressures, which may lead to material damage and personal injury!
- In operation, the ball valves with temperature gauges and the ball valve at the flowmeter must always be open.
- Close the ball valves only when service is required.
Caution: Risk of burns!
The valves, fittings and the pump may heat up to more than 212 °F (100 °C) during operation.
- The shell must remain closed during operation.
General instructions regarding solar fluid
- Only use solar fluid specified in the Vitosol Collector Installation Manuals and the Vitosol Operating and Service Instructions.
- Also refer to these manuals to determine the following:
- Solar fluid fill pressure
- Fluid volume required to fill system
- pH testing
- Maintenance requirements.
Warning: Propylene glycol: Hazardous in case of ingestion!
Propylene glycol is hazardous in case of ingestion. It is irritant in case of eye or skin contact.
- Wear chemical resistant protective gloves and safety glasses with side-shields when handling propylene glycol mixtures.
- Observe the instructions of the antifreeze manufacturer.
- It often happens that solar thermal systems cannot be completely drained after flushing.
- Thus, there is a risk of frost damage when flushing with water.
- Therefore, the solar thermal system should only be flushed and filled with the solar fluid used later on.
- All components in the solar station are resistant to a percentage of propylene glycol of up to 50%.
Description of the product
The solar station is mounted on a wall support and held by clip springs. The station contains important valves, fittings and safety equipment for operating a solar thermal system:
- Return to the collector field
- Ball valve with temperature gauge in the return equipped with replaceable spindle (blue)
- Pressure relief valve, 87 psi (6 bar)
- Fill valve
- Connection for the expansion tank
- Pressure gauge 87 psi (6 bar)
- Solar pump
- Ball valve in flowmeter
- Drain valve
- Flowmeter
- Return from the storage tank
- Supply to the storage tank
- Airstop equipped with manual bleeder
- Ball valve with temperature gauge in the supply equipped with replaceable spindle (red)
- Supply from the collector field
Assembly and installation [specialist]
The solar station may only be installed indoors with a power supply of 120 V / 60 Hz. The installation site must be dry, stable and frost-free.
NOTICE:Material damage due to high temperatures!
Since the solar fluid may be very hot near the collector, the fitting assembly must be installed at a sufficient distance from the collector field.
- It may be necessary to install an upstream tank, in order to protect the expansion tank

Solar-Divicon DN25B Installation Steps:
- Remove the station from the packaging.
- Pull off the front shell.

- Hold the solar station to the mounting location and level the unit. Mark the mounting hole locations (next to the temperature gauges) onto the mounting surface.
- Drill the holes into the mounting surface, and fasten the solar station to the wall by means of the enclosed screws and, if required, the enclosed wall anchors.

- Connect the solar station to the system by means of copper or stainless steel pipes Supply from collector field
- Return to the collector field Supply to the storage tank Return from the storage tank
- All pipe connections are designed as cutting-ring compression fitting 1″ copper pipe. Pipe size can be reduced to ¾” copper if required.
Assembly of the cutting-ring compression fitting:![]()
- Push the union nut ② and the cutting ring ③ onto the 1” copper pipe ①. The pipe must protrude at least ⅛” (3 mm) from the cutting ring in order to ensure the force transmission and the sealing.
- Insert the support sleeve ④ into the copper pipe.
- Insert the copper pipe with the plugged-on individual parts (②, ③ and ④) all the way into the housing of the cutting-ring fitting ⑤.
- First tighten the union nut ② manually.
- Tighten the union nut ② by rotating it by one full turn. Secure the housing of the cutting-ring fitting ⑤ against distortion in order to avoid damaging the sealing ring.

- Connect a discharge line to the connection (1.3) at the pressure relief valve. Conduct the discharge line into a heat-resistant container. Secure the discharge line such that in the event of escaping vapor people in the vicinity are not put at risk.
- Connect the connecting line for the expansion tank below the pressure gauge (1.5).
- Adapt the initial pressure of the expansion tank to the system and connect the expansion tank. Observe the manufacturer’s separate instructions of the expansion tank! Also observe the layout of the installation planner.
- Check all pipe connections and retighten if necessary.
Warning: Risk of electric shock!
- Prior to commencing electrical work, disconnect the main power supply!
- Only after completing all installation work, flushing and filling should the mains plug be plugged into an outlet! This avoids an unintentional start of the pump motor.

- Connect the 120V power supply from the solar controller to the solar station pump. The controller must be provided on site. Observe the separate instructions of the controller! Wiring can run in the slots in the back foam insulation panel of the solar station. Observe all local electrical code requirements.
- The assembly of the solar station is now complete, and you can commission the station.
Commissioning [specialist]
Before commissioning the solar station, you must read and observe the following safety instructions:
Warning: Risk of burns and scalding!
The valves and fittings may heat up to more than 212 °F (100 °C). During flushing, filling and venting, the solar fluid can escape as vapor and result in scalding.
- Flush and fill the system only if the collector temperatures are below 150 °F (70 °C).
- Propylene glycol: hazardous in case of ingestion!
- Propylene glycol is hazardous in case of ingestion. It is irritant in case of eye or skin contact.
- Wear chemical resistant protective gloves and safety glasses with side-shields when handling propylene glycol mixtures.
- Observe the instructions of the antifreeze manufacturer.
NOTICE: Risk of frost!
- It often happens that solar thermal systems cannot be completely drained after flushing. Thus, there is a risk of frost damage when flushing with water.
- Therefore, the solar thermal system should only be flushed and filled with the solar fluid used later on.
- Use a water and propylene glycol mixture with max. 50% of propylene glycol as solar fluid, in order to avoid damaging the seals.
- Note regarding the commissioning sequence
- When commissioning the system, first fill the storage circuit and then the solar circuit. This guarantees that any absorbed heat can also be dissipated.
Flushing and filling the solar circuit [specialist]
The fill and drain connections required for flushing and filling have been integrated into the solar station. In order to flush any dirt particles that may still be present out of the system, use only flush and fill stations equipped with suitable micro filters.
Ball valve with integrated check valve
(Normal direction of flow in the picture: downstream)![]()
Airstop
The airstop with manual bleeder is used to bleed the solar thermal system. To ensure a perfect ventilation of the solar circuit, the flow velocity must be at least 0.3 m/s in the supply.
| Pipe diameter | Flow rate at 0.3 m/s [USgpm] | Flow rate at 0.3 m/s [l/min] |
| ¾” | 1.49 | 5.6 |
| 1″ | 2.3 | 8.8 |
Warning: Danger of scalding due to escaping vapor!
The escaping solar fluid can have a temperature of more than 212 °F (100 °C) and cause scaldings.
- Carefully open the vent plug and close it again, as soon as medium escapes.
- Venting the solar thermal system after commissioning
- Immediately after installation, vent the solar thermal system daily and then weekly or monthly, depending on the vented air quantity.
- This ensures optimum operation of the solar thermal system. Check the system pressure after venting and increase it to the prescribed operating pressure, if necessary.
Preparation for flushing [specialist]
The solar circuit is flushed in the direction of flow.
- Disconnect the expansion tank from the solar thermal system! Please observe the manufacturer’s instructions.
- Open the check valves in the supply and return by turning the ball valves (1.2 and 5.2) to position 45°(see page 11).
- Close the ball valve (3.1) in the flowmeter.
- Connect the flush and fill station to the solar station:
Pressure hose to the fill connection (1.4)
Flushing hose to the drain connection (3.2).
Flushing and filling [specialist]
- Open the fill and drain valves (1.4 and 3.2).
- Put the flush and fill station into operation and keep flushing until clear medium escapes.
- Vent the solar thermal system several times at the vent plug of the airstop (4.2) during flushing until the solar fluid escapes without forming bubbles
(see page 12).
Compact mobile charging cart for flushing, filling and purging the solar circuit ![]()
- Close the drain valve (3.2) with the filling pump running and increase the system pressure, depending on the design of the system, to max.
5 bar. Refer to “Vitosol Operating and Service Instructions” for instructions on calculating the correct fill pressure. The pressure can be read on the pressure gauge. Close the fill valve (1.4) and switch off the pump of the flush and fill station.
- Check at the pressure gauge if the system pressure is dropping and eliminate any leaks, if present.
- Reduce the pressure on the drain valve (3.2) to the system-specific pressure.

Check the pressure on the pressure relief valve (87 psi/6 bar)! - Connect the expansion tank to the solar circuit and set the operating pressure of the solar thermal system by means of the flush and fill station (for the required expansion tank pressure settings, refer to “Vitosol Operating and Service Instructions”).
- Close the fill and drain valves (1.4 and 3.2).
- Open the ball valve (3.1) in the flowmeter.
- Set the check valves in the ball valves (1.2 and 5.2) to operating position (see page 11).
Warning: Risk of electric shock!
- Check if the sensors and the pump are properly connected to the controller and if the controller housing is closed. Only then should the mains plug of the controller be plugged into an outlet.
- Connect the controller (to be provided on site) to the power supply and set the solar circuit pump in the manual mode to ON as described in the controller manual. Run the solar circuit pump at maximum rotation speed for at least 15 minutes. In the meantime, vent the solar thermal system several times at the vent plug of the airstop until the solar fluid escapes without forming bubbles (see page 12).
If necessary, increase the system pressure to the operating pressure again. - Remove the hoses of the flush and fill station and screw the the closure caps on the fill and drain valves.
Note: The closure caps are only for protection against soiling. They have not been constructed for high system pressures, their tightness being guaranteed by the closed ball valves.
Setting the solar loop flowrate [specialist]![]()
- Set the desired max. flow rate via the rotation speed of the solar pump. The controller will set the speed accordingly. In exceptional cases, the flow rate can also be reduced via the ball valve (3.1).
- Mount the front shell on the solar station.
- Set the controller to automatic mode (see controller manual).
Cleaning
Caution: Risk of burns!
- The valves, fittings and the pump may heat up to more than 212 °F (100 °C) during operation. Risk of burns!
- The valves, fittings and the pump may heat up to more than 212 °F (100 °C) during operation.
- Clean the solar station only from the outside with a damp cloth. Never use scouring or sand-containing cleaning agents.
Maintenance and decommissioning [specialist]
Before maintaining and decommissioning the product, you must read and observe the following safety instructions:
Warning: Risk of electric shock!
- Disconnect all electrical devices in the heating circuit from the power supply before carrying out maintenance work or decommissioning!
- Secure the electrical devices against being switched on again.
Warning: Risk of burns and scalding!
- The valves and fittings may heat up to more than 212 °F (100 °C). During maintenance or decommissioning, the solar fluid may escape as vapor and result in scalding!
- Flush and fill the system only if the collector temperatures are below 122 °F (50 °C).
- Wait until the solar fluid has cooled down to 122 °F (50 °C).
Partial draining of the solar installation [specialist]
Partial draining allows components in the station below the ball valves (5.2 and 1.2), for example the pump, to be replaced, without having to drain the collector array and piping.![]()
- Disconnect the controller from the power supply and secure it against being switched on again.
- Close the ball valves in the supply and return ball valve [5.2|1.2] by rotating them to the 90° position (90°, see page 11).
- Connect a heat-resistant hose to the drain valve [3.2]. Make sure that the solar fluid is collected in a heat-resistant container.
- Open the drain valve [3.2].
- Carefully open the vent plug at the airstop [4.2] and close it again (see 12).
Warning: Danger of scalding due to hot solar fluid!
- The escaping solar fluid can be very hot.
- Position and secure the heat-resistant collecting container such that persons nearby and the environment are not put at risk when the solar thermal system is drained.
Complete draining of the solar installation [specialist]
Complete draining enables replacement of the solar fluid, dismounting of the solar station and replacement of seals above the ball valves (5.2 and 1.2).
- Perform partial draining as described above.
- Open the check valves in the supply and return ball valves (5.2 and 1.2) by rotating them to the 45°position (see page 11).
- To accelerate draining of the solar circuit, you can open the bleeding device, if present, at the highest point of the solar thermal system.
- Dispose of the solar fluid observing the local regulations.
Replacing the pump [specialist]![]()
- Perform partial draining as described in section
- Partial draining of the solar installation [specialist].
- Disconnect the pipe joint between the solar station and the storage supply.
- Dismount the flowmeter (3.3).
- Dismount the pump.
- Install the new pump. Do not forget to insert new gaskets.
- Mount the flowmaeter (3.3).
- Connect the solar station and the system again by means of pipes.
- Check all screw connections and retighten them, if necessary.
- Open the ball valves (5.2 and 1.2).
- If the system pressure no longer corresponds to the operating pressure, repeat commissioning as described from page 10 onward.
Replacing the gaskets in the solar station [specialist]
- Gaskets below the ball valves: Perform partial draining as described in section 6.1 Partial draining of the solar installation [specialist]. Gaskets above the ball valves: Drain the solar thermal system completely as described in section 6.2 Complete draining of the solar installation [specialist].
- Dismount individual components of the station and insert new gaskets.
- Re-assemble the station.
- Connect the station and the system by means of pipes.
- Check all screw connections and retighten them, if necessary.
- Open the ball valves (5.2 and 1.2).
- If the system pressure no longer corresponds to the operating pressure, repeat commissioning as described from page 10 onward.
Dismounting [specialist]![]()
- Drain the solar thermal system completely as described in section 6.2 Complete draining of the solar installation [specialist].
- Disconnect the pipe joints with the solar thermal system.
- To remove the solar station from the support, pull out the clip springs sideways using a screwdriver.
- Pull out the station towards the front.
Application range of the check valves [specialist]
Within their application range, the two check valves in the solar station prevent unwanted gravity circulation.
The efficiency of the check valves depends on:
- the installation height
- the temperature difference between the storage tank and the collector
- the type of heat transfer medium
- In the diagram below you can see whether the check valves integrated in the stations are sufficient . If the
- check valves are not sufficient, you need to install additional components to prevent gravity circulation. You can
- mount components such as syphons (“heat traps”), 2-way valves (zone valves) or additional check valves.
Example:
You would like to install a Solar-Divicon solar station. The station comprises two check valves, 2 x 7.9 inch head = 15.8 inch head (2 x 200 mm wc = 400 mm wc).
- You use a mixture of water and 40% of propylene glycol as a solar fluid.
- The installation height between the collector and the storage tank is ~33 ft (10 m).

Result:
The check valves prevent gravity circulation up to a temperature difference of about 112 °R (~62 K). If the temperature difference between the collector and the tank is larger, the difference in density of the solar fluid will be so large, that the check valves are pushed open. The density of the solar fluid decreases with rising temperature. In high installations with large temperature differences, the difference in density will cause gravity circulation. This circulation can cool down the storage tank
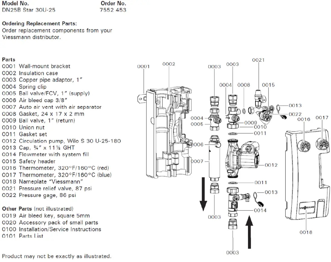
Spare parts [specialist]
Technical data and pressure drop characteristic
| Dimensions: | Total height | 19.6″ (498 mm) |
| Total width | 12.1″ (307 mm) | |
| Depth | 6.3″ (160 mm) | |
| Center distance supply/return | 3.94″ (100 mm) | |
| Pipe connections | 1″ cutting-ring compression fitting | |
| Connection for the expansion tank | ¾” female thread, NPT | |
| Outlet of pressure relief valve | ¾” female thread | |
| Operating data: | Max. admissible pressure | 87 psi (6 bar) |
| Max. operating temperature | 248 °F (120 °C) | |
| Short-term load | 320 °F (160 °C) < 15 minutes | |
| Max. propylene glycol content | 50 % | |
| Equipment: | Pressure relief valve | 87 psi (6 bar) |
| Pressure gauge | 0-87 psi (0–6 bar) | |
| Check valves | 2 x 7.9 inch head (2 x 200 mm wc), can be opened | |
| Flowmeter | 1 – 10 USgpm (4-38 lpm) | |
| Solar loop pump | Wilo Star 30U-25 | |
| Material: | Valves and fittings | Brass |
| Gaskets | EPDM | |
| Check valves | Brass | |
| Insulation | EPP, l = 0.043 W/(m K) |
![]()
Pressure drop characteristic![]()
Commissioning log

Features
- All medium-carrying parts are made of brass
- 1″ cutting-ring compression fittings
- Fully pre-assembled on steel wall support, quick and easy to mount on the wall due to stable snap-lock technology
- Two ball valves with brass check valves (7.9 inch head / 200 mm wc) and spindle exchangeable under pressure
- All-metal temperature gauges integrated into the ball valve with immersion sleeve
- Flowmeter 1-10 USgpm or 5-40 l/min with ball valve
- Safety assembly with pressure relief valve 87 psi / 6 bars, pressure gauge and connection for expansion tank
- Airstop with manual bleeding for venting the solar circuit, flush and fill valves

- For use in closed loop design only. The solar station is used on the primary loop of solar thermal systems to control the temperature in the hot water storage tank.
This station contains the functional and safety devices for optimum circuit control.
- The components enable:
- Medium circulation with solar pump
- Safety against pressure increase
- Exact flow rate control
- Flushing, filling and draining the circuit
- Measuring the supply and return temperatures
- Deaerating the solar loop
- Shutting off the circuits
- Preventing gravity circulation
- Thermal insulation of the components
|
Dimen- sions | Total height | 19.6″ / 498 mm |
| Total width | 12.1″ / 307 mm | |
| Depth | 6.3″ / 160 mm | |
| Center distance, supply/return | 3.94″ /100 mm | |
| Pipe connections | 1″ compression fitting | |
| Operating data | Max. admissible pressure: | 87 psi / 6 bar |
| Max. operating temperature | 248 °F / 120 °C | |
| Max. propylene glycol content | 50% | |
| Materials | Valves and fittings | Brass |
| Gaskets | EPDM | |
| Check valves | Brass | |
| Insulation | EPP, l = 0.043 W/(m K) |
![]()
Viessmann products specified in Imperial or metric units are approximate and are provided for reference only. For precise measurements, please contact Viessmann Technical Service. Viessmann reserves the right to change or modify product design, construction, specifications, or materials without prior notice and without incurring any obligation to make such changes and modifications on Viessmann products previously or subsequently sold .
- Viessmann Manufacturing Company Inc. 750 McMurray Road
- Waterloo, Ontario, N2V 2G5, Canada TechInfo Line: 1-888-484-8643
- 1-800-387-7373, Fax (519) 885-0887
- www.viessmann.ca,
- [email protected]
- Viessmann Manufacturing Company (U.S) Inc. 45 Access Road
- Warwick, Rhode Island, 02886, USA
- TechInfo Line: 1-888-484-8643
- 1-800-288-0667, Fax (401) 732-0590
- www.viessmann-us.com,
- [email protected]


















