SUNCO LIGHTING 9146X LED Hybrid T8

PLEASE FIND A QUALIFIED ELECTRICIAN FOR INSTALLATION. Please read the instructions before you install and use the linear tube(s).
READ ALL WARNINGS AND INSTRUCTIONS PRIOR TO INSTALLING THE T8 RETROFIT LAMPS TO ENSURE SAFETY AND PROPER OPERATION
WARNINGS- Risk of fire or electric shock. LED Retrofit Kit installation requires knowledge of luminaire electrical systems. If not qualified, do not attempt installation. Contact a qualified electrician in accordance with the National Electrical Code and relevant local code.
WARNINGS- Risk of fire or electric shock. Install this kit only in the luminaires that have the construction features and dimensions shown in the photographs and/or drawings and where the input rating of the retrofit kit does not exceed the input rating of the luminaire.
WARNINGS- To prevent wiring damage or abrasion, do not expose wiring to edges of sheet metal or other sharp objects. Do not make or alter any open holes in an enclosure of wiring or electrical components during kit installation.
This item is rated at 12O-277V/ Installer must determine whether line voltage 12O-277V is available at the luminaire before installation.
CONSULT A QUALIFIED ELECTRICIAN TO ENSURE THE CORRECT BRANCH CIRCUIT CONDUCTOR.
- Suitable for damp locations.
- This device is not intended for use with emergency exit fixtures or battery backups.
- Not for use with dimmers.
DIRECT REPLACEMENT (Plug & GoTM) INSTRUCTIONS
WARNING
DISCONNECT POWER BEFORE INSTALLING OR SERVICING,
- Switch off power to luminaire.
- Remove diffuser (if provided).
- Remove existing fluorescent lamp(s) from luminaire. Note: Verify that the fluorescent tube type is listed on the LED lamp label. Check ballast compatibility list before installation, only use lamp with qualified T8 fluorescent ballast.
- Install LED lamp (one for each fluorescent lamp removed, ensure pins are firmly seated in lamp holders).
- Switch on power to luminaire and reattach diffuser (if provided).
DIRECT WIRE (Bypass) INSTRUCTIONS
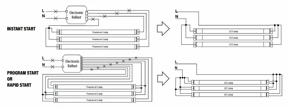
DOUBLE ENDED – The below ballast wiring represents typical configuration. The actual ballast wiring varies according to the ballast model. It is not a
requirement to change the sockets (if in good condition) to operate double ended tubes, regardless of the socket type. Please make sure one side of the fixture is connected to Live (L) and the other side to Neutral (N).
RETROFIT LUMINAIRE WITH ONE LAMP

PROGRAM START N OR RAPID START

DOUBLE ENDED WIRING INSTRUCTIONS
WARNING
DISCONNECT POWER BEFORE INSTALLING OR SERVICING,
RETROFIT LUMINAIRE WITH TWO LAMPS (cont’d)

RETROFIT LUMINAIRE WITH THREE LAMPS

RETROFIT LUMINAIRE WITH FOUR LAMPS




















