BIQU H2 500℃ Extruder 3d Printing Parts for 3d Printer

Summary
- Extrusion: Double-gear extrusion
- Maximum printing temperature: 500℃
- Weight: 222g
- Maximum extrusion: 7.5kg (depending on filament)
- Extrusion volume: 600mm3/min (depending on filament)
- Number of pulse: 932/mm at 16 micro step (need to be confirmed)
- Current of the motor: BOOmA
- Gear ratio: 7:1
- Extrusion wheel circumference: 24. Smm
- Diameter and tolerance of filament: 1.75±0.0Smm
- Maximum temperature of silicon sleeve: 270℃ (please take off the sleeve if it exceeds 27D℃)
- When the nozzle temperature is up to 500℃, the color of the heat block may change, and it cannot be restored.
- Incompatible with Nema 14, but designed based on it*
Size:
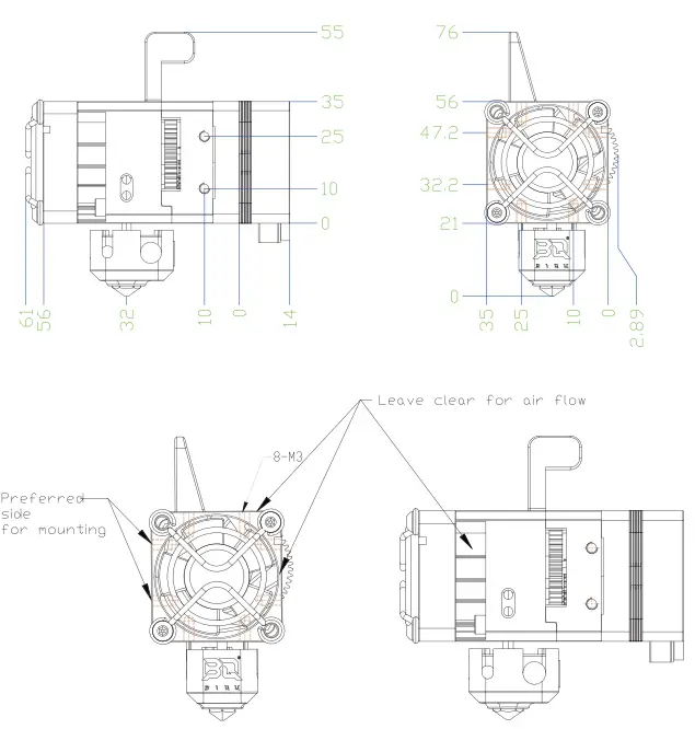
- XVZ dimensions (including fan): 76×37.9x75mm
- Diameter of nozzle: 0.4mm

More guidance
- You are advised to install fans facing left, and pay attention to gears and air exhaust vents when installing fans facing right. 8 M3 screw holes of the extruder can be used to fix it.
- The m3*8 screws provided are suitable for mounting plates 3-Smm thick.
Maximum operating temperature
- Note: the maximum temperature is for individual parts, not the whole system.*
- Notice: The temperature of the extruder body will be slightly higher when H 2 500℃ extruder runs at high temperature in box printer. So to avoid scalding, please wear insulated gloves or contact the extruder after it cools down
- Fan: 110℃
- Motor: 180℃
- Heat break (H2 bi-metal (copper alloy+ GRADES titanium alloy) high-temperature version): 500℃
- Bearing: 120℃
- Silicone motor cable: 150℃
Specifications
Thermistor Specifications:
- Size: 4*30mm
- Type: PT100(2 wires)
Heating Cable specifications:
- Head size: 5*20mm
- Power: 70W
Fan specifications:

Motor specifications:


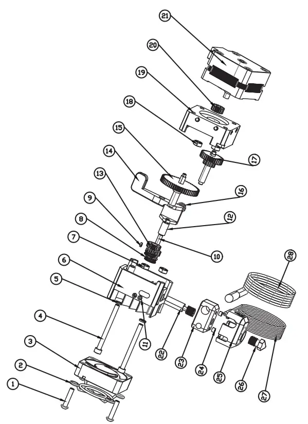
OVERVIEW

- Button head cap screw M3* 14
- Fan guard
- Fan 3510
- Socket Head Cap Screw M335
- Spring shim
- Heat sink
- Bearing 673ZZ
- Extrusion idler
- Set screw M3x2
- Pin P3* 13
- Set screw M3x3
- Needle roller bearing
- Extruding gear
- Knob
- Output gear
- Spring
- Driven gear
- Bearing 682xzz
- Gearbox
- Driving gear
- Motor
- Heat break
- Heat block
- Set screw M3x3
- Silicone sleeve
- Nozzle
- PT 100
- Heating cable
Configuration
Hardware configuration
Driver and wiring
Driver: MAX31865 V2.0
MAX37 865 V2.0 can be used when the motherboard driver supports SPI mode Select 2-wire PT100 mode, choose ON for dipswitch 1, 2, 3 and OFF for 4.
Wiring
Please make sure the direction is correct when the driver is plugged into the motherboard(red-red, black-black) As shown when there is no color mark, plug the pin of the red part against “EN” pin on motherboard.
Firmware modification tutorial (Marlin bugfix-2.0.x July 07, 2021 version) The following is an example of nozzle 0 and the same is true for nozzle 1.
- Configuration. h file
- #define TEMP SENSOR_O -5
- #define MAX31865_SENSOR_OHMS_O 100 // (0) Typically 100 or 1000 (PTlOO or PTlOOO)
- #define MAX31865_CALIBRATION_OHMS_0430 // (O) Typically 430 for Adafru it PTlOO; 4300 for Adafruit PT1000.

- The configuration_adv. h file Configure the following options
- #define THERMOCOUPLE_MAX_ERRORS 20
- #define MAX_CONSECUTIVE_LOW_ TEMPERATURE_ERROR_ALLOWED 10
- #define SHOW_ TEMP ADC_ VALUES
- #define MllS_GEOMETRY_REPORT
- PlN file configuration

- Select the driver interface, and comment out the original driver definition to avoid interference. The above picture takes the BIQU BX motherboard as an example, select the El driver interface to connect to the max31865V2.0 module.
- Define the SPI pin of the module
- //Thermocouple sensor
//if the TEMP SENSOR va lue of-5 is enabled in the configuration file, it will work - #define TEMP _O_MISO_PIN: PG3 //SDO
- #define TEMP O SCK_PIN: PC7 //CLK
- #define TEMP _O_MOSI_PIN: PC6 //SDI
- #define TEMP _O_CS_PIN: PCS
- //Thermocouple sensor
- Please note that the SPI pin needs to be consistent with the SPI pin used by the TMC driver.
- Modify the maximum temperature

#define HEATER_O_MAXTEMP 520 The maximum temperature exceeds 500°C




















