2GIG EDGE 2GIG-EDG-NA-VA Wireless Touchscreen Control Panel Installation Guide
Introduction
This quick start guide introduces 2GIG alarm dealers and professional installers to 2GIG EDGE panel hardware installation and the Installer Toolbox. It describes the process of programming zones, keyfobs, and keypads for the EDGE Panel and how to add and remove Z-Wave® devices from the network. To get started, navigate to the Installer Toolbox menu.
EDGE Panel Installation
Choose the Location for the 2GIG EDGE Panel’s Backplate
Before mounting the backplate, choose a location. Work with the end user to determine the best location. Always choose an indoor location protected from temperature extremes.
Recommended Tools and Equipment
To install the system, these tools and equipment are recommended:
- 2-Conductor Power Wire (if connecting power supply to the panel’s terminal block)
- Drywall Saw (or equivalent)
- Ladder
- Screwdrivers
- Staple Gun
- Wire Stripper
Choose the Wall Location
To choose a wall location:
- Always choose a location that is above ground and centrally located. Do NOT install the Panel below ground level, because wireless range may be impaired.
- Do NOT connect the Panel to a light switch-controlled outlet.
- Avoid choosing a location that can be easily viewed from doors or windows.
- Avoid choosing a location that is within reach of small children.
- Avoid choosing a location in direct sunlight.
NOTE: If necessary, the Panel can be mounted on a stand that can be placed on a flat surface, such as desk or counter using the 2GIG Desktop Kit. However, this option may affect compliance with state or regional codes. For 2GIG Desktop Kit installation instructions, refer to the 2GIG EDGE Installation Manual.
External Attic Mount Antenna Installation (Optional)
If you will be installing the optional External Attic Mount Antenna, refer to the 2GIG EDGE Installation Guide.
- Align Backplate to Mark Hole Locations
Create mounting holes, and cut a slot in the dry wall for the AC power cord and other electrical wiring (if needed).
- Mount the Backplate to a Wall
Use the four (4) wall anchors and screws (supplied).
NOTE: The Wall Anchor is the wall tamper and MUST be anchored to work Illustration displays both types of power connection:
Install the 2 – conductor power wires or Barrel Connector
- Hang the Panel for Wiring (optional)
Attach the panel’s third-hand hanging strap to the hook at the bottom of the backplate for easy access during wiring.
- Connect the Power Wires (Terminal Block)
Locate a wall outlet for the plug-in power supply, but do NOT connect the power supply to the outlet at this time.
IMPORTANT: Never connect the plug-in power supply to a switch-controlled outlet. Do not over-tighten the terminal block’s contact screws.

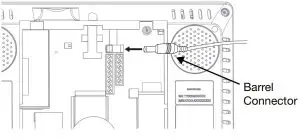
- Connect Power (Barrel Connector)
The Barrel connector is an alternate method for connecting the AC power supply for the EDGE Panel.
WARNING!! Do NOT plug the power supply into the outlet at this time.
- Connect the Backup Battery
Align pins, then carefully insert the battery cable
- Hang the EDGE Panel
Place the backplate over the lower lip on the back of the chassis, and flip the EDGE panel downward and push until it clicks into place.
- Install Retaining Wall Bracket & Connect the AC Power Supply
For compliance with ANSI/NFPA 70: National Electric Code in the United States, you must install the power supply retaining bracket (not required in Canada).
Standard Style – Center Fastener
Decora Style – Center Fastener
Secure with Fastener
Standard-Style Duplex Receptacle
Decora-Style Duplex Receptacle
Installer Toolbox
The Installer Toolbox is password-protected. To use this feature, you must enter an Installer Code. The factory default code is 1561.
NOTE: When accessing the Toolbox for the first time the installer must read and acknowledge the regulatory agreement.
To access the Installer Toolbox:
- Tap the Settings icon (
).
- Tap KEYPAD.

- Enter 1561 to gain access to the panel settings, then tap Installer Toolbox

- Scroll down then tap the Installer
Toolbox icon.
- Tap Panel Programming to view programming options (see below).


Panel Programming – Network Settings
Connect to Wireless Network
- Tap an available Network Name.
- Correctly enter the assigned network password to
connect. - Tap
to go back to the Network Settings menu.
Setup the Access Point
- Tap Network Settings.
- Tap Access Point.
- Enable Access Point:
- Optional: Tap (
) to enter a new SSID name - Optional: Tap (
) to enter a new password - Optional: Tap (
) IP address. The last two octets of the Access Point can be changed to customize the setup
- Optional: Tap (
- If edits have been made, tap SAVE SETTINGS to save.
NOTE: Make a note of SSID and Password for use in WiFi setup of EDGE Remote Keypads and Cameras. - Tap
to go back to the Network Settings menu.
Panel Programming – Wireless Zones
Program up to 100 wireless zones per system. Tap Wireless Zones to view the Wireless Zones screen. To get started, navigate to the Installer Toolbox, Tap Panel Programming, then tap the Wireless Zones option.
Setup a Wireless Zone
Left side of screen: Select a Wireless Zone [#].
Right side of screen: Tap EDIT ZONE to program and edit each zone setting.
Panel Programming – Built-In Zones
/ Glass Break
You can program up to three (3) Built-In Zones per system. To get started, navigate to the Installer Toolbox.
Tap Panel Programming, then tap the Built-In Zones option. Selecting a Built-In Zone
Left side of screen: Select a Wired Zone [#].
Right side of screen: Tap EDIT ZONE to program and edit each zone setting.
Built-In Glass Break
This panel has a built-in glass break sensor that monitors for breaking of glass in the close vicinity of the panel when Alarm System is in Armed Away mode. Tap EDIT ZONE to Enable and program this feature.
Panel Programming – Keyfobs
Program up to 32 keyfobs per system. To begin, navigate to the Installer Toolbox, then tap Panel Programming then Keyfobs.
Select a Keyfob
Left side of screen: Select a Keyfob [#].
Tap EDIT KEYFOB to program and edit keyfob settings.
Panel Programming – Keypads
You can program up to eight (8) wireless keypads per system. To get started, navigate to the Installer Toolbox.
Then, tap Keypads. This reveals the Keypads screen. Setup Keypad (#)
- Swipe up to move through the list of keypads.
- Tap to select one of the available keypads.
- Tap Edit Keypad.
- Make sure the Keypad Used setting is highlighted.
- Under Keypad Used, choose Enabled or Disabled.
- Tap
to move to the next option.
NOTE: Refer to the full installation instructions detailed in the EDGE Remote Keypad guide.
Panel Programming – Advanced Programming
Tap Installer Toolbox, then tap Panel Programming > Advanced Programming > System Configuration.
System Configuration
Timers, Delays & Counts
Panel Configuration
Troubles
Reporting
- Highlight a question [Q### – (settings differ based on the question)].
- Tap available options to adjust settings.
- Tap
to move to the next question, or tap
to return to the previous menu.
NOTE: Ensure that the settings you program are in compliance with all national, state, and local regulations.
NOTE: For more in-depth information about the list of questions available in the Panel Programming menu, refer to the EDGE Installation & Programming Guide
Smart Home Settings
Add up to 232 Z-Wave devices to the network. After adding or removing a device you should always rediscover the network. Tap Settings, then Smart Home Settings to view the Smart Home Settings menu.
For detailed information, refer to the 2GIG Smart Home Manual.
Add Device / Remove Device
Use these options to add or remove Smart Home devices. On-screen instructions will guide you through the process.
Rediscover Network
Tap this option, then tap START to rediscover the Z-Wave network.
System Tests
After installing the system, sensors, and peripherals, perform a walk test to ensure proper console operations and to test wireless reception and signal strength.
From the Installer Toolbox menu, then select SYSTEM TESTS.
Restore Defaults
If at any time you want to restore the system’s settings to the factory defaults.
- Navigate to the Installer Toolbox.
- Tap the Restore Defaults icon.
- Tap to enable the Restore switch for the specific option(s).
- Tap RESTORE.
Technical Support
Nortek Security & Control LLC
5919 Sea Otter Place, Suite 100, Carlsbad, CA 92010 USA
Phone: 800-421-1587
Online: www.nortekcontrol.com/support/
Copyright ©2021 Nortek Security & Control LLC. All Rights Reserved. U.S. Patent D727,857. Australian Patent No. 357098.
Additional Patents Pending.
The 2GIG, EDGE, GoControl, and Linear logos are registered trademarks of Nortek Security & Control LLC in the United States and/ or other countries. Other Nortek Security & Control trademarks may also appear in these materials. Other names or brands may be claimed as the property of others. For more information, contact your 2GIG alarm dealer for pricing or visit www.2gig.com.













).




























