HARVIA XENIO CX30-U1-U3 For Cilindro and Virta Heaters
HARVIA XENIO
These instructions for installation and use are intended for owners of saunas, heaters and control units, persons in charge of managing saunas, heaters and control units, and for electricians responsible for installing heaters and control units. Once the control unit is installed, these instructions of installation and use are handed over to the owner of the sauna, heater and control unit, or to the person in charge of maintaining them.
Congratulations on making an excellent choice and choosing a Harvia control unit!
HARVIA XENIO CONTROL UNIT
(CX30-U1-U3 , CX45-U1-U3, CX30-U1-U3-XW (WiFi), CX45-U1-U3-XW (WiFi))
Control unit’s purpose of use: The control unit is meant for controlling the functions of an electric sauna heater. It is not to be used for any other purpose.
General
The Harvia Xenio control unit consists of a control panel, a power unit and a sensor. See Figure 1.
Figure 1. System components
The control unit regulates the temperature in the sauna room based on information given by the sensor. The temperature sensor and the overheat protector are located in the sensor box.
The temperature is sensed by an NTC thermistor, and there is a resettable overheat protector (see section 3.4.).
The control unit can be used to delay the start of the heater (timer delay). See Figure 3.
Technical Data
| Action according to UL 60730-1, UL 60730-2-7, UL 6730-2-9, CSA E60730-1, CSA E60730-2-7, CSA E60730-2-9 | Type 1.A | |
| Control panel | ||
| Temperature adjustment range | 104–194 ºF (40–90 °C). | |
| Timer delay adjustment range | 0–12 h. | |
| Lighting control, max. power | 100 W, 120 VAC 1Ph | |
| Fan control, max. power | 100 W, 120 VAC 1Ph | |
| Mounting surface temp range | -10 °C —+70°C | |
| Dimensions | 3.4” x 1.0” x 4.4” (85 mm x 24 mm x 110 mm) | |
| Power unit | ||
| Supply voltage | CX30-U1 / CX30-U1-XW (WiFi): 240 VAC 1 Ph | |
| CX30-U3 / CX30-U3-XW (WiFi): 208 VAC 3 Ph | ||
| CX45-U1 / CX45-U1-XW (WiFi): 240 VAC 1 Ph | ||
| CX45-U3 / CX45-U3-XW (WiFi): 208 VAC 3 Ph | ||
| Max. load / Charge max. | CX30-U1/CX30-U1-XW (WiFi): 11 kW/7 kW (Two supply wires / One supply wire between the Heater and the Power unit. See Figure 6) /240 VAC 1 Ph | |
| CX45-U1/CX45-U1-XW (WiFi): 17 kW/10,8 kW (Two supply wires / One supply wire between the Heater and the Power unit. See Figure 6) /240 VAC 1 Ph | ||
| CX30-U3/ CX30-U3-XW (WiFi): 10.5 kW/208 VAC 3 Ph | ||
| CX45-U3/ CX45-U3-XW (WiFi): 15 kW/208 VAC 3 Ph | ||
| Mounting surface temp range | -10 °C —+40°C | |
| Dimensions | 14.3” x 2.9” x 10.5” (364 mm x 73 mm x 267 mm) | |
| Sensor | ||
| Temperature sensor NTC thermistor | 22 kΩ/T=77 ºF (25 ºC) | |
| Weight | 175 g with wire, ca 13’ (4 m) | |
| Operating, adjusting temp range | 0°C —+110°C | |
| Dimensions | 2.0” x 2.9” x 1.1” (51 mm x 73 mm x 27 mm) | |
Troubleshooting
If an error occurs, the power to the heater will be cut off and the control panel will show an error message ”E (number)”, which helps troubleshooting the cause of the error. Table 1.
Note! The overheat protector can be reset by user.
All other maintenance must be done by licensed professional maintenance personnel. Control unit should not be opened by unlicensed personal.
If the heater does not heat properly, check heater grade from settings menu. See figure 3b.
| Description | Remedy/Solution | |
| E1 | Temperature sensor’s measuring circuit broken. | Check the red and yellow wires to the temperature sensor and their connections (see Figure 6) for faulties. |
| E2 | Temperature sensor’s measuring circuit short-circuited. | Check the red and yellow wires to the temperature sensor and their connections (see Figure 6) for faulties. |
| E3 | Overheat protector’s measuring circuit broken. | Press the overheat protector’s reset button (see section 3.4.). Check the blue and white wires to the temperature sensor and their connections (see Figure 6) for faulties. |
| E9 | Connection failure in the system. | Switch the power off from the main switch (figure 1). Check the data cable, sensor cable/s and their connections. Switch the power on. Multidrive-system (see section 3.2.4.): Switch the power off from all power units. Check the data cable, sensor cable/s, Multidrive cable and their connections. |
Table 1. Error messages. Note! The overheat protector can be reset by user. All other maintenance must be done by licensed professional maintenance personnel. No user-serviceable parts inside.
| STATUS MESSAGES | ||
| SAFE | Safety switch circuit is open | Remove the object from atop the safety switch |
| rESt | Pause time active | – |
| rc on | Remote control activated | – |
INSTRUCTIONS FOR USE
Using the Heater
NOTE!
CX30-U1-U3-XW (WiFi) / CX45-U1-U3-XW (WiFi):
» See Xenio Wifi Instructions for Installation and Use
WARNING! Before switching the heater on always check that there isn’t anything on top of the heater or inside the given safety distance.
IMPORTANT ! Before switching the heater on for the first time, change the right heater grade from the settings menu (SET 3). See figure 3b. See the right heater grade from the heater’s type label, under “control unit grade settings”.
The right heater grade must be chosen to pair the control unit and the heater. Right heater grade optimizes heater and ensures the best possible sauna experience.
Start the heater by pressing the I/O button on the control panel.
When the heater starts, the top row of the display will show the set temperature and the bottom row will show the set on time for five seconds.
When the desired temperature has been reached in the sauna room, the heating elements are automatically turned off. To maintain the desired temperature, the control unit will automatically turn the heating elements on and off in periods.
The heater will turn off when the set on time runs out, the I/O button is pressed or an error occurs.
The settings menu structure and changing the settings is shown in figure 3. Changing the temperature unit (Fahrenheit/Celsius) is shown in figure 3a.
Using Accessories
Lighting and ventilation can be started and shut down separately from their own operating buttons.
Lighting
The lighting in the sauna room can be set up so that it can be controlled from the control panel. (Max 100 W.)
Switch the lights on/off by pressing the button on the control panel.
Ventilation
If there is a fan installed in the sauna room, it can be connected to the control unit and be controlled from the control panel.
Start/stop the fan by pressing the button on the control panel.
Safety switch
Safety switch refers to e.g. Harvia SFE, a safety device installed above or integrated to the heater, preventing the heater from heating should any object (e.g. towel, piece of clothing) drop or be placed on top of the heater and cause a fire hazard.
The switch is connected to the control unit according to their manuals. See also figure 6 in this manual.
Remote switch
To remotely control the heater’s power input, the control unit can be equipped with an on/off remote switch (e.g. building automation). For more information, see section 2.3.
Remote control
According to the product standard IEC/EN 60335 -2-53 regulating electrical sauna heaters, a control unit can be used to remotely control the heater once the heater is equipped with a safety switch.
Using with a safety switch: the heater can be turned on remotely, if the safety switch circuit is closed. If the circuit is open, ”SAFE” is displayed and the heater will not start.
Pause time: These features are limited by a pause time that prevents the heater from turning on if it has been less than 6 hours since the heater was last turned off. Trying to remotely turn the heater on during the pause time period (6 hours), text ”rESt” is displayed. The heater can be remotely started after the pause time has elapsed and ”rc” is displayed.
Memory for power failures: the control unit resumes operation, if the remote switch has remained in ON position.
Preset time: if the control unit is on preset delay time, it cannot be controlled with a remote switch.
After the preset delay has passed and the heater is turned on, it can be turned off with a remote switch.
BASIC SETTINGS
Figure 3. Settings menu structure
![]() | Basic mode (heater on) The top row shows the temperature in the sauna room. The bottom row shows the remaining on time. Both indicator lights glow. |
![]() | Press the MENU button to open the settings menu. |
![]() | The display shows the sauna room temperature setting. Temperature indicator light blinks. • Change the setting to the desired temperature with the – and + buttons. The range is 104–194 ºF (40–90 ºC). The programmed temperature is stored in memory and will also apply when the heater is switched on next time. |
![]() | Press the MENU button to access the next setting. |
![]() | Remaining on-time Press the – and + buttons to adjust the remaining on-time. ![]() Example: the heater will be on for 40 minutes. |
![]() | Set the timer delay in remaining on time mode:
Example: the heater will start after 10 minutes. |
![]() | Exit by pressing the MENU button. |
![]() | Basic mode (timer delay running, heater off) The bottom row shows the remaining delay time. The decrease of time is shown until zero appears, after which the heater is switched on and will start to heat the sauna room. |
ADDITIONAL SETTINGS
Figure 3a. Settings menu structure, additional settings
*) Factory setting
Figure 3b. Changing the heater grade (See section 2.1.)
![]() | Heater grade Heater grade can be changed with the – and + buttons. See the right grade from the heater’s type label, under “control unit grade settings”. |
![]() | Press the MENU button to accept the set. Press the MENU button again and the next set will appear. |
![]() | Sauna dehumidifying interval The sauna dehumidifying interval turns the fan on (If installed / accessory) and dries out the sauna room to keep it in a good condition. The sauna dehumidifying interval can be turned ON or OFF*). The interval will begin when the devices are switched off from the I/O buttons or when the set on-time runs out. The length of the interval is 45 minutes. When the time runs out, the fan turns off automatically. The interval can also be stopped manually at any time by pressing the I/O button. |
![]() | Press the MENU button to accept the set. Press the MENU button again and the next set will appear or the control unit switches to standby mode. |
Control panel lock
![]() | Press and hold the heater and light buttons for three seconds. |
![]() | -CL- is shown on the display. Panel lock can be activated only in standby mode. Panel lock also prevents remote start. |
INSTRUCTIONS FOR INSTALLATION
The electrical connections of the control unit may only be made by a licensed professional electrician and in accordance with the current regulations.
When the installation of the control unit is complete, the person in charge of the installation must pass on to the user the Instructions for Installation and
Use that come with the control unit and must give the user the necessary training for using the heater and the control unit.
Installing the Control Panel
The control panel is splash proof and has a low operating voltage. The panel can be installed in the dressing room, or in the living quarters. If the panel is installed in the sauna room, it must be at least 1,5

- Thread the data cable through the hole in the back cover.
- Fasten the back cover to a wall with screws.
- Push the data cable to the connector.
- Press the front cover into the back cover.
ft (50 cm) away from the heater and at a maximum height of one metre from the floor. Figure 4.
Conductor tubing (ø 1”3/16, 30 mm) inside the wall structure allows you to thread the data cable hidden within the wall – otherwise the installation will have to be on the wall surface. We recommend you to install the control panel embedded in to the wall and far away from possible splashes.
Installing the Power Unit
Install the power unit to a wall outside the sauna room, in a dry place with an ambient temperature more than 32 ºF (0 ºC). See Figure 5 for instructions on how to open the power unit cover and how to fix the unit to the wall.
Note! Do not embed the control unit into the wall, since this may cause excessive heating of the internal components of the unit and lead to damage. See Figure 5.
Electrical Connections
The heater and control unit may only be connected to the electrical network in accordance with the current regulations by a licensed professional electrician.
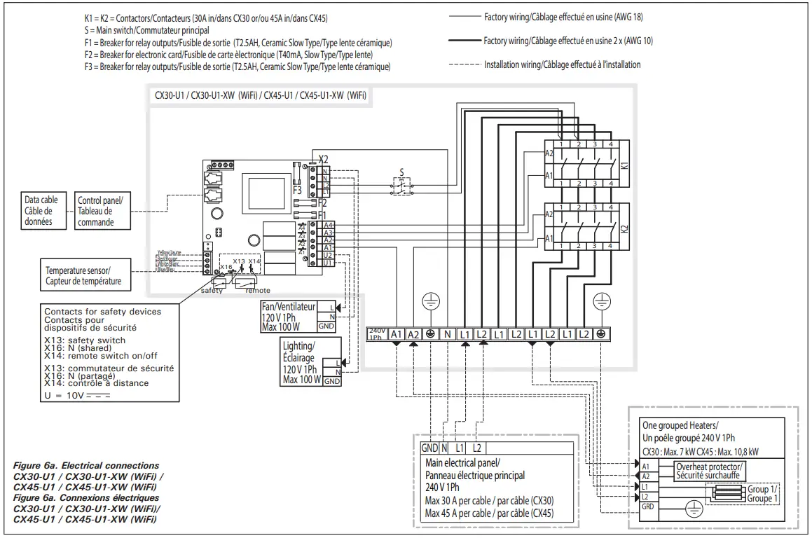
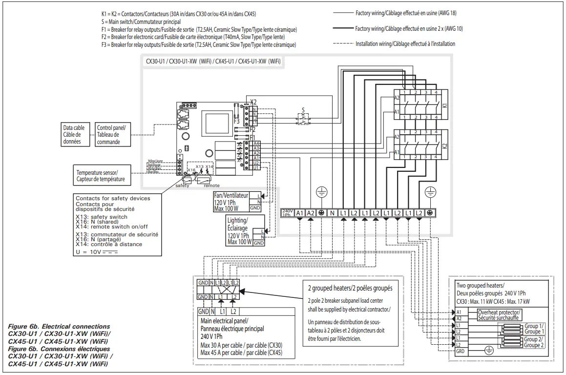
Figures 6a, 6b and 6c show the electrical connections of the power unit. For more detailed installation instructions see The Instructions for Installation and Use of the selected heater model.
Figure 5. Opening the power unit cover and mounting the unit to a wall
Electrical connections



Table 2. Max. heater power raitings and min supply wire size
| CX30-U1-U3 / CX30-U1-U3-XW (WiFi) | CX45-U1-U3 / CX45-U1-U3-XW (WiFi) | |||||||
| 240 V 1N~ | 208 V 3N~ | 240 V 1N~ | 208 V 3N~ | |||||
| Max power / Puissance (kW) | Min wire size/ taille de fil (AWG) | Max power / Puissance (kW) | Min wire size/ taille de fil (AWG) | Max power / Puissance (kW) | Min wire size/ taille de fil (AWG) | Max power / Puissance (kW) | Min wire size/ taille de fil (AWG) | |
| 1 group | 7 | 10 | 10,5 | 8 | 10,8 | 6 | 15 | 6 |
| 2 groups | 11 | 10 | n/a | n/a | 17 | 8 | n/a | n/a |
Instructions for Installation
The power unit of CX30-U1-U3/ CX30-U1-U3-XW (WiFi) and CX45-U1-U3 / CX45-U1-U3-XW (WiFi) is controlled by control panel Xenio.
- Control panel is connected to power unit via data cable.
- Only one control panel can be connected to the power unit.
Temperature sensor:
- WX232 is needed to operate CX30-U1-U3/ CX30-U1-U3-XW (WiFi) and CX45-U1-U3/ CX45-U1-U3-XW (WiFi). See section 3.3. for correct temperature sensor placement.
Two relay outputs (120 V 1Ph):
- For driving a fan (max. 100 W) and lighting (max. 100 W).
Breakers on the electronics card (if a breaker has blown, see section 3.2.3.):
- 40 mA breaker for electronic unit.
- Two 2.5 Ah breakers for relay outputs U1, U2, A1, A2.
Technical specifications:
- Max. length of data cable: 80’ (25 m)
- Max. heater power raitings (table 2)
Power Unit Breaker Faults
Replace a blown breaker by a new one with the same resistance. The placement of the breakers in the power unit is shown in Figures 6a, 6b and 6c.
- If the breaker F2 for the electronic unit has blown, there is likely a fault in the power unit and it might need to be replaced. Service is required.
- If the breaker F3 has blown, there is a problem with lighting or fan. Check the wiring and functioning of lighting and fan.
- If the breaker F1 has blown, there is a problem with the heater’s overheat protector circuit. In the heater, check the safety contactor circuit, overheat protector and their wiring.
NOTE! Only a qualified licensed electrician should replace the electronic card or fuse of the control unit, by following the necessary precautions!
Figure 7. The place of the temperature sensor of the control unit in connection with floor-mounted heaters
Installing the Temperature Sensor
Floor-mounted heaters (see Figure 7)
- The temperature sensor is mounted on the wall above the heater, along the vertical centre line running parallel to the sides of the heater, at a distance of 3 15/16” (100 mm) from the ceiling.
Wall-mounted heaters (see Figure 8)
- The temperature sensor is wall-mounted above the heater, along the vertical centre line running parallel to the sides of the heater, at a distance of 3 15/16” (100 mm) from the ceiling.
Figure 8. The place of the temperature sensor of the control unit in connection with wall-mounted heaters
Figure 9. Sensor’s minimum distance from an air vent
Resetting the Overheat Protector
The sensor box contains a temperature sensor and an overheat protector. An NTC thermistor senses the temperature, and the resettable overheat protector cuts off the heater power in a case of malfunction, after which the protector can be reset. See Figure 10.
Note! The reason for the going off must be determined before the button is pressed.
Figure 10. Reset button of the overheat protector
SPARE PARTS
Use only parts approved by the manufacturer!
| 1 | Control panel |
| Control panel Xenio WiFi | |
| 2 | Data cable 5 m |
| 3 | Data cable extension 10 m (accessory) |
| 4 | Temperature sensor |
| 5 | Circuit board |
| 6a | Contactor 30 A (CX30-U1-U3, CX30-U1-U3-XW) |
| 6b | Contactor 45 A (CX45-U1-U3, CX45-U1-U3-XW) |
| 7 | Data cable 20 m (accessory) |
MAINTENANCE INSTRUCTIONS
- All service operations must be done by professional licensed maintenance personnel. Control unit should NOT be opened by unlicensed personel.
- Wipe dust and dirt from the power unit and the control panel with a damp cloth. DO NOT use running water!
- Prevent any water to go inside the power unit at anytime.
- The control panel is splashproof.
GUARANTEE
The manufacturer gives a one year guarantee for this control unit. The guarantee starts from the date of purchase and includes all the parts of the control unit.
The guarantee covers faults from the manufacture and material only. The guarantee includes a supply of spare parts by the manufacturer or importer after the faulty parts have been returned. Replacing any parts in the control unit does not extend the original guarantee period of one year.
The guarantee does not cover defects caused by normal wear and tear, defects caused by improper installation, poor maintenance or failure to follow the manufacturer’s instructions for installation, use and care, or alterations made to the product.
The guarantee is void if the control unit is used improperly. The guarantee does not cover delivery costs of the faulty part or repair costs on the field.
If the control unit is returned to the manufacturer or importer within five years from the date of purchase, the importer will provide free repair work, but may charge for spare parts if the oneyear guarantee has expired.
The guarantee is void if installation and wiring has not been carried out by licensed electrician or authorized and licensed service representative.
Please not that the installers signature is needed below.
The guarantee is void if the information below is not filled out and returned to the manufacturer or importer within 15 days of purchase. The guarantee applies only to the first installation of the product and to the original purchaser.































