
E23300-20BK Zephyr Stainless Steel Framed Crystal Square LED
Instruction Manual
E23300-20BK Zephyr Stainless Steel Framed Crystal Square LED
ITEM NUMBER: E23300-20BK
DESCRIPTION: Zephyr LED Flush Mount
PLEASE CONSULT AN ELECTRICIAN BEFORE INSTALLATION
LAMPING: LED INTEGRATED 22W
Vinput: 120V
MADE IN CHINA
LED Lighting (LOW VOLTAGE)
Before Getting Started
| Read the instructions carefully prior to assembling the product. |
| When you open the package with a sharp tool like a cutter knife, be careful not to damage the components inside. |
| Carefully remove all packaging materials and retain for future use. |
| Keep all hardware parts and packaging out of reach of small children. |
| Choose a clean, level, spacious assembly area. Avoid hard surfaces that may damage the product. |
| Ensure that you have all required contents for complete assembly. |
| Take care when lifting. Assemble the product in close proximity to where you intend to position the item. |
| Do not over tighten the screws and bolts as this may damage the threads. |
| Do not let children play with this product. |
| • Risk of suffocation! Keep any packaging materials away from children. |
Low Voltage LED Lighting Instructions
Carefully read through the instruction sheet before assembly and using the product.
Caution there is a risk of shock. Disconnect from power source before assembling or cleaning.
WARNING: Wires need to be connected to driver found in canopy and should not be connected directly to power source or a short may occur.
Do not cut factory connections unless instructed by the manufacturer.
Do not plug the product in if cord is tornor frayed.
Cleaning & Maintenance
On polished finishes, often using talc powder reduces the appearance of fingerprints and other smudges.
For respective shade surfaces, use the appropriate cleansers, i.e. glass cleaner, acrylic polish, and wood polish.
Clean with soft cloth and a mild detergent.
DO not use abrasive cleaner.
Periodically (every 90 days) make sure that the screws are fully tightened.
Prolonged exposure to heat sources may cause glazing, melting and scorching, or even cause color to fade.
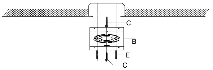
Contents
Before getting,started,ensure the package contains the following components:
| A | ![]() | x1 |
| B | ![]() | x1 |
| C | ![]() | x2 |
| D | ![]() | x4 |
| E | ![]() | x2 |
| F | ![]() | x3 |
| G | ![]() | x1 |


CRITICAL INSTRUCTION
TRIAC DIMMING COMPATIBILITY
WIRING DIAGRAM (ONLY FOR REFERENCE)
DO NOT ATTEMPT TO CUT FACTORY CONNECTIONS WITHOUT QUALi ED KNOWLEDGE.MODIFICATIONS MADE TO THIS PRODUCT WITHOUT THE CONSENT OF THE MANUFACURER WILL VOID WARRANTY. 
SCHEMATIC FOR GENERAL REFERENCE ONLY
THIS FIXTURE HAS BEEN TESTED TO DIM WITH…
Lutron DVCL-153P
Lutron DVELV-300P
SEND PRODUCT INQUIRIES TO [email protected]
Must be installed by a licensed electrician with knowledge of electronic lighting systems
© 2022 MAXIM LIGHTING GROUP


























