Danfoss Heavy Duty Hydrostatics

Operating Instructions for Constant Speed Control
(The valve package, speed sensor and electronic control box are installed by following the instructions and diagrams on a 12 VDC system.)
- The motor will remained stopped if: A) The manual control valve is in the center position; B) The switch on the electronic controller is in the “OFF” position.
- The direction of the motor rotation is controlled by the manual control handle. The electronic controller does not affect the direction of motor rotation.
- The speed of the motor is determined by the position of manual control handle when the electronic controller is in the “NORMAL” position. With the switch in the “normal” position, the manual control handle has the same (normal) effect on motor rotation as it does when there is no electronic controller on the pump.
- With engine at minimum rpm and the manual control handle displaced from center enough to cause the drum to rotate at least two revolutions per minute (rpm), placing the controller switch in the “AUTOMATIC” position will cause the drum speed to be controlled automatically. (The manual control handle may be placed all the way forward or reverse without affecting the speed at which the motor is automatically controlled). Drum speed will be limited to approximately one and 11/2 rpm.
- Drum rotation can be stopped or started with an electrical switch wired across the “remote” terminals (in place of the electrical jumper strap which may have been across the terminals when the controller was received). The switch can act as a remote switch by attaching it to an electrical cable extending from the controller to the back of the truck or other location within 100 feet of the controller.
Note: The controller switch must be in the “NORMAL” position to enable the remote switch to control the motor. Also note that the remote switch must be in the “ON” position to empower motor rotation.
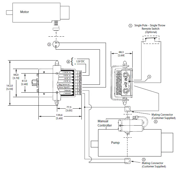
Installing the Digital Speed Sensor
The electronic transit mixer control requires the use of a Danfoss motor with the digital speed sensor option to monitor the speed of the hydraulic motor. The digital speed sensor (PN 106768) has a three pin connector that mates with the wiring harness connector shown on page 5.
Screw the digital speed sensor into the motors’s end cover until it touches the shaft. Unscrew the sensor until the flats are parallel with the motor shaft (see figure 3).
To provide running clearance between the motor shaft and speed sensor, unscrew the speed sensor an additional 1/2 turn.
The total amount the speed sensor is unscrewed must not exceed 270˚.
Tighten the sealing hex nut against the end cover and torque it to 14Nm [10 lb-ft ]*. Make sure that the sensor flats are still parallel with the motor shaft.
*Caution: More torque than the specified amount may permanently damage the sensor.
Constant Speed Control Installation Requirements
Electrical Cable
Use an oil resistant, weather resistant cable such as industrial type SJOW, 2 wire, AWG size 18 or heavier. A molded assembly with the connector molded on the cable will have superior resistance to weather and washing. Route the wires in a protected area and secure them frequently to prevent snagging.
Connectors
The pump connectors must meet DIN 43650 specification such as Hirschmann GDM 209, IMEX # MPM-182-09-N or equivalent. The cable to connector joint must be weather tight. The connector lug cavity should be filled with an electrical corrosion resistant grease. NOCO Company, NCP–2 battery corrosion preventative works well. The speed pick-up has a weather pack connector, #12015793.
Connections
The polarity of the solenoid and speed sensor wiring is interchangeable on the pump and motor connections.
The solenoid with the external tube fitting must have one wire going to the control box lower terminal strip marked “solenoid” (see wiring diagram).
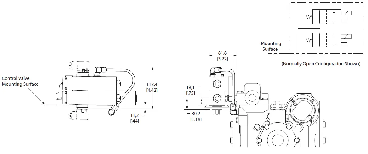
Mounting
Replace the S1 orifice under the controller following the instructions below. The solenoid valves must be oriented on the pump as shown. Failure to do so will result in bending the tube assembly unnecessarily, causing erratic operation of the control. Remove the two plugs on the manual control and mount the valve package with the fittings provided. The plug on the pump housing is replaced with the fitting provided and the tube is connected to it. Tighten all fittings to 22 Nm[16 lb-ft].
Failures
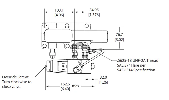
See attached troubleshooting. In the event of an electrical or solenoid failure, the particular solenoid can be overrid-den by turning the screw on the end in about 1 1/2 turns.
Orifice Removal and Installation
Note: The orifice size is stamped on the orifice in thousandths of an inch, example: 21 = .021 in.
- Place the .021 inch orifice in the ‘S1’ Orifice pocket so the size is visible.
- Stake the orifice in three places with a center punch.
- Insure that the orifice is properly seated after staking.
- Reinstall the manual control valve with a new gasket and the control line attached. Torque the controller mounting bolts to 122 Nm[16 lb-ft].

| Trouble Shooting Guide | ||||||
| Problem | Cause | Corrective Action | ||||
| Motor will not run with the switch in NORMAL or AUTOMATIC position. | Control lever centered. | Move manual control lever one-inch (or more) from the center position. | ||||
| Loose or corroded wire attached to POWER (+12) or GROUND (-12) terminal on the controller. | Tighten and/or clean the connection and secure the wire. | |||||
| Modulating valve stuck open. | Remove valve and clean out debris or replace valve. | |||||
| Solenoid bad. | Replace solenoid valve. | |||||
| Control and/or secondary orifice plugged. | Remove and clean holes in orifices. | |||||
| Fuse blown in controller. | Remove and replace fuse. Check wiring for short from solenoid to ground. Exchange controller with known good unit. Check solenoid coils on valves for shorts. NOTE: To override control system and restore motor rotation, turn the screw in until the valve is seated. | |||||
| Incorrect wiring. | Insure the jumper or remote switch is attached to the correct terminals. | |||||
| Incorrect wiring. | Insure the 2 solenoid connections are not reversed. | |||||
| Motor will not rotate when the controller switch is in the NORMAL position. | No electrical power to the modulation / control solenoid because the remote switch is OFF. | Change position of remote switch to ON. | ||||
| Motor speed changes very slowly (that is, speed changes from highest to a stop takes more than three seconds with warm oil) when the controller switch is in the NORMAL position. | Bypass Solenoid Valve stuck shut or orifice(s) clogged. | Remove and clean Solenoid Valve spool. Re-assemble valve and test for spool movement when 12 volts are applied to the two solenoid terminals. If spool does not respond, install a new solenoid valve. If system continues to respond slowly, orifice(s) may be partially clogged. Inspect orifices in the manual control valve and clean holes if necessary. | ||||
| Incorrect plumbing. | External tube should connect the solenoid to the S1 port and not to the charge pressure port on the side of the pump | |||||
| Motor speed higher than the speed the controller is set for (when the controller switch is in the AUTOMATIC position). | Defective sensor on the motor. | Replace sensor. | ||||
| Loose connection or broken wire in sensor cable. | Tighten screws / nuts and/or replace sensor cable. | |||||
| Sensor located too far from spline of shaft inside the motor. | Check clearance between the tip of the sensor and the surface of the spline. Provide proper clearance (.003 to .005) by carefully threading sensor in until the tip touches the highest point on the spline on the shaft and then rotate the sensor 20˚counter-clockwise. Torque the jam nut to 19 N·m [14± 1 lb ft]. CAUTION: More torque than the specified amount may permanently damage the sensor! | |||||
| Motor speed uneven in AUTOMATIC mode of operation and motor speed changes as quickly in AUTOMATIC as in NORMAL mode. | Bypass solenoid not closing in AUTOMATIC mode. | Check wiring to BYPASS SOLENOID the solenoid should have electrical power (12 VDC) when the controller switch is in the AUTOMATIC position. | ||||
| Secondary orifice missing. | Remove manual control valve and install orifice. | |||||
| Automatic speed control is not working. Drum runs at what- ever speed the manual control is set at. | Either the 021 orifice manual control is plugged or the solenoid is stuck. | Inspect orifices in the manual control and clean holes if necessary. Remove and clean solenoid valve spool. Re-assemble valve and test for spool movement when 12 volts are applied to the two solenoid terminals. If spool does not respond, install new solenoid valve. | ||||
Manual Control Installation
Functional Relationships (Normally Open)
Power on, 12V DC 2.0 Amp must be applied to both solenoids to operate pump displacement control.
Power off – pump will return to neutral regardless of commanded displacement with both solenoids off.
Wiring Diagram

Notes:
- For remote option, remove jumper and replace with a single pole – single throw switch to be supplied by customer.
All wire harnesses and/or cables to be supplied by customer.
Recommended wire size to be #18 AWG or heavier and to be fastened to terminal strip and sensor using ring tongue connectors.
Use connector per International Organization for Standardization (ISO) specification ISO 4400 and/or conforming to DIN 43650 specifications. Connectors can be purchased from Danfoss as optional equipment, part no. 103330-000.
Alternate Connectors:
Hirschmann part no. GDM 2009
Source:
Richard Hirschmann of America, Inc. Industrial Row P.O. Box 229 Riverdale, NJ 07457
Phone (201) 835-5002
IMEX part no. MPM-182-09-N
Source:
IMEX, Inc.
4040 Del Ray Ave. Unit 9 Marina Del Ray, CA 90292 Phone (213) 821-8292 - Customer to supply 12V DC power to controller.
If a 3 wire digital speed pickup is used, connect the red wire to the +5 volt terminal, connect the black wire to the -5 volt terminal, connect the green wire to the Sensor Signal terminal
Product we offer
- Cartridge valves
- DCV directional control valves
- Electric converters
- Electric machines
- Electric motors
- Gear motors
- Gear pumps
- Hydraulic integrated circuits (HICs)
- Hydrostatic motors
- Hydrostatic pumps
- Orbital motors
- PLUS+1® controllers
- PLUS+1® displays
- PLUS+1® joysticks and pedals
- PLUS+1® operator interfaces
- PLUS+1® sensors
- PLUS+1® software
- PLUS+1® software services, support and training
- Position controls and sensors
- PVG proportional valves
- Steering components and systems
- Telematics
Danfoss Power Solutions is a global manufacturer and supplier of high-quality hydraulic and electric components. We specialize in providing state-of-the-art technology and solutions that excel in the harsh operating conditions of the mobile off-highway market as well as the marine sector. Building on our extensive applications expertise, we work closely with you to ensure exceptional performance for a broad range of applications. We help you and other customers around the world speed up system development, reduce costs and bring vehicles and vessels to market faster. Danfoss Power Solutions – your strongest partner in mobile hydraulics and mobile electrification.
Go to www.danfoss.com for further product information.
We offer you expert worldwide support for ensuring the best possible solutions for outstanding performance. And with an extensive network of Global Service Partners, we also provide you with comprehensive global service for all of our components.
Hydro-Gear
www.hydro-gear.com
Daikin-Sauer-Danfoss
www.daikin-sauer-danfoss.com
Hydro-Gear
www.hydro-gear.com
Daikin-Sauer-Danfoss
www.daikin-sauer-danfoss.com


















