MaxLiTe FlatMAX LED Flat Panels Instruction Manual
General Safety Information
- To reduce the risk of death, personal injury or property damage from fire, electric shock, falling parts, cuts/abrasions, and other hazards read all warnings and instructions included with and on the fixture box and all fixture labels.
- Commercial installation, service and maintenance of luminaires should be performed by a qualified licensed electrician.
- DO NOT INSTALL DAMAGED PRODUCT!
WARNING: RISK OF ELECTRICAL SHOCK
- Turn off the electrical power at fuse or circuit breaker box before wiring fixture to power supply.
- Turn off the power when you perform any maintenance.
- Verify that supply voltage is correct by comparing it with the luminaire label information.
- Make all electrical and grounded connections in accordance with the National Electrical Code and any applicable local code requirements.
- All wiring connections should be capped with UL approved wire connectors.
CAUTION: RISK OF INJURY
- Wear gloves and safety glasses at all times when removing luminaire from carton, installing, servicing or performing maintenance.
- Avoid direct eye exposure to the light source while it is on.
- Account for small parts and destroy packing material, as these may be hazardous to children.
- Ensure fixtures are properly secured to T-bar grid, ceiling, using wire, or aircraft cable capable of supporting 100 lbs. minimum.
CAUTION: RISK OF FIRE - Keep combustible and other materials that can burn away from luminaire and lamp/lens.
- MIN 90°C SUPPLY CONDUCTORS.
Included in the box:
- LED Flat Panel Fixture
- Junction Box
- Instructions
Setting Color Temperature
Note: Applicable to models ending in CS only. Models are set to lowest wattage and 4000K.
Color settings:
- Left, stands for 3500K;
- Middle, stands for 4000K;
- Right, stands for 5000K


Setting Wattage
Note: Applicable to models ending in WCS. Models are set to lowest wattage and 4000K
Color settings:
Left, stands for 3500K;
Middle, stands for 4000K;
Right, stands for 5000K;
Wattage settings:
Left, stands for Low;
Middle, stands for Medium;
Right, stands for High;
Adjust the color temperature and lumen output using the two DIP switches. Each DIP switch has 3 options (left, middle and right), corresponding to 3 color temperatures and wattages. Use these switches to set desired color temperature and lumen output combination.
Factory Settings: 4000K, lowest wattage based on fixture.
- DIP switches are located on the back side of the fixture.
- Select a wattage and color temperature by sliding switch left or right respectively to the desired value.

Recessed Mount
- Bend hang buckle by 90°, making it vertical to the rear cover of the flat panel fixture. (Fig. 1A) Bend the top part of the hang buckle 90° (Fig. 1B) and repeat on all hang buckle’s.

- Turn off power and remove the ceiling panel. (Fig. 2)

- Place the troffer into T-bar. Ensure the troffer is attached to the ceiling. (Fig. 3)

Surface Mount Installation
Surface mount kits sold separately:
- ML14G4SMK

- ML22G4SMK

- ML24G4SM

Please make sure the frame is assembled well before fixed on ceiling
Suspended Installation
Cable kits sold separately:
- MLG4CHK
- ML24G4CHK
- Minimum length: 3.5 in.
- Maximum length: 36 in.
- Position the screw through the Support. (Fig. 1)

- Drive the screw through the desired location on the ceiling until the Support is flush with the surface. (Fig. 2)

- The cable has two ends, one free and the other with a Latch Hook.
Secure the free side through the pin end of the Locking Terminator. (Fig. 3)
- Pass the cable through the hole in the Support; screw the Locking Terminator into the Support. (Fig. 4, Fig. 5)


- Locate the clips on the rear of the fixture. Secure the Latch Hook to the fixture clips. (Fig. 6)

- Cable length can be shortened by feeding length of the cable through the Locking Terminator.
To release the Locking Terminator, push the pin down and pull the cable.
Flange Installation
Flange sold separately:
- ML14G4FK
- ML22G4FK
- ML24G4FK
The Recess Troffer Flange Mounting Kit is designed for recess installation in drywall ceiling applications.
Dimensions

| Item # | Flange Kit Size After Assembly (inches) | Ceiling Cut Out Size (inches) | ||||||
| A (Width) | B (Width) | C (Width) | D (Length) | E (Length) | F (Length) | A+1/4” (Width) | D+1/4” (Length) | |
| ML14G4FK | 12.84” | 13.5” | 11.35” | 48.66” | 49.36” | 47.2” | 13.09” | 48.91” |
| ML22G4FK | 24.65” | 25.31” | 23.16” | 24.65” | 25.3” | 23.1” | 24.90” | 24.90” |
| ML24G4FK | 24.65” | 25.31” | 23.16” | 48.66” | 49.36” | 47.2” | 24.90” | 48.91” |
Installation Instructions
- For installation in plaster ceilings, cut an opening of the appropriate size, and then connect the panel light to an incoming power line.
- Rotate the panel light by 45 degrees.
- Pass the panel through the ceiling surface.
- Lay in the panel light on the ceiling or grid.

Wire Support
Installation Instructions
- Using a screwdriver open the cover of junction box.
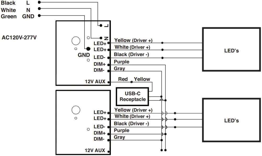
- a.) Non-dimmable products: connect hot line (in black color )L with L line in driver, and netural line(white color) with N line in driver.
b.) Dimmable products: connect dimming line in purple color with line marked Dim+ in the driver and DIM- in grey with DIM- in the driver. - Remove knock-out(s) and connect conduit to the junction box using the proper connector(s).
- Close the junction box cover and fasten using a screwdriver.
Operating Characteristic
- Voltage input: 120-277V 50/60Hz
- Operating temp: -4°F to 104°F
**Consult with dimmer control manufacturer’s wiring instructions.
Warning: Risk of fire or electric shock, installation requires knowledge of the lighting luminaires electrical systems. If not qualified, do not attempt installation and contact a qualified electrician.
Standard Wiring Diagram
Motion Sensor Model Installation Instructions
Note: In motion sensor models, the USB-C receptacle if present would no longer be functional.
- Using a screwdriver, open the cover of the junction box.

- Remove the desired knockout from the junction box and feed the conduit through. Connect the black hot wire to the driver’s black wire, the supply’s white common neutral wire to the driver’s white wire. Connect the green wire to ground.

- Place the cover of the junction box back into place, and secure using a screw drive.

Emergency Backup Model Option
Emergency Battery Backup Option Wiring Diagram
Luminaire operates at 5000K when EM is active.
Controls Ready (CR) Model Standard Wiring Diagram
Warning: Risk of fire or electric shock, installation requires knowledge of the lighting luminaires electrical systems. If not qualified, do not attempt installation and contact a qualified electrician.

Controls Ready (CR) Model Daisy-Chained Wiring Diagram

- Remove Dim+ and Dim- from the USB-C receptacle from the Child-Fixtures to connect to the Dim+, Dimof the parent fixture.
- The USB-C receptacle will no longer function on the Child-Fixtures.
- No more then 8 fixtures total when daisy chaining.
c-Max™ node Installation Instructions (Applicable only on CR models)
- Remove the silicone plugs from the USB-C receptacle and the screw hole (see Fig. 1).
- Plug the c-Max™ into the USB-C receptacle via the USB connection (see Fig. 2).
- Secure the c-Max™ node in place by fastening the included M3 button head screw with a Hex (Allen) key (not included). Once the screw is secured, cover it with the included silicone cap (see Fig. 3 – drawing for illustration only, actual screw may look different.)
Note: For samples including a hex screw, use a 2.5mm Allen key or SAE equivalent 3/32.
Note: In motion sensor models, the USB-C receptacle if present would no longer be functional.
Warranty Information
10-Year standard warranty with labor allowance*
(see terms at www.maxlite.com/warranties)
*Warranty Limitations: Product must be rated for application per the Product Data Sheet (PDS); operated ≤16 hrs; in ambient temperatures -4°F to 77°F.
*Up to $25/unit; registration required. Additional coverage may be available for purchase; contact MaxLite.
*Excludes EM/MS versions; component warranty applies.
*If ambient temperatures fall outside the -4°F to 77°F range; product is warrantied for 5 years according to the operating temperature range specified on the PDS.
Limitation of Liability
THE FOREGOING WARRANTY IS EXCLUSIVE, AND IS THE SOLE REMEDY FOR ANY AND ALL CLAIMS, WHETHER IN CONTRACT, IN TORT OR OTHERWISE ARISING FROM THE FAILURE OF PRODUCT AND IS IN LIEU OF ALL OTHER WARRANTIES, EXPRESS OR IMPLIED, INCLUDING ALL WARRANTIES OF MERCHANTABILITY OR FITNESS FOR A PARTICULAR PURPOSE, WHICH WARRANTIES ARE HEREBY EXPRESSLY DISCLAIMED TO THE EXTENT PERMITTED BY LAW AND, IN ANY EVENT, SHALL BE LIMITED TO
THE WARRANTY PERIOD SPECIFIED ABOVE. THE LIABILITY OF MAXLITE SHALL BE LIMITED TO THE TERMS OF THE EXPRESS WARRANTY SET FORTH HEREIN. IN NO EVENT WILL MAXLITE BE LIABLE FOR ANY SPECIAL, INCIDENTAL OR CONSEQUENTIAL DAMAGES INCLUDING, WITHOUT LIMITATION, DAMAGES RESULTING FROM LOSS OF USE, PROFITS, BUSINESS OR GOODWILL, LABOR COSTS, REMOVAL OR INSTALLATION COSTS, DECREASE IN THE LIGHT OUTPUT OF THE LAMP, AND/OR ETERIORATION IN THE LAMP’S PERFORMANCE, WHETHER OR NOT MAXLITE HAS BEEN ADVISED OF THE POSSIBILITY THEREOF. UNDER NO CIRCUMSTANCES SHALL MAXLITE’S ENTIRE LIABILITY FOR A DEFECTIVE PRODUCT EXCEED THE PURCHASE PRICE OF THAT PRODUCT. WARRANTY SERVICES PROVIDED UNDER THESE TERMS AND CONDITIONS DO NOT ENSURE THE UNINTERRUPTED OPERATION OF PRODUCTS; MAXLITE SHALL NOT BE LIABLE FOR DAMAGES CAUSED BY ANY DELAYS INVOLVING WARRANTY SERVICE.
This Limited Warranty gives you specific legal rights and you may also have other rights that may vary from state to state. Because some states or jurisdictions do not allow the exclusion or limitation of liability for consequential or incidental damages, this limitation may not apply to you.
Customer Support
© Copyright 2021. MaxLite, Inc. All Rights Reserved.
12 York Ave, West Caldwell, NJ 07006
Tel: 973-244-7300
Fax: 973-244-7333
Email: [email protected]









































