TC-Link® -200-OEM Wireless Analog Input Node
User Guide
LORD QUICK START GUIDE
The TC-Link-200-OEM is a small, wireless, low-cost, single-channel temperature sensor node ready for OEM integration. Features one input channel supporting Thermocouples, Resistance Thermometers, and Thermistors, the TC-Link-200OEM enables high-resolution, low-noise data collection at sample rates up to 128 Hz. Users can easily program nodes for continuous and event-triggered sampling with SensorConnect.
To acquire sensor data, the TC-Link-200-OEM is used with a LORD Sensing WSDA gateway and comes with the following configuration options.
| Configuration Option | Antenna Gain | |
| Integrated chip antenna | 1.5 dBi | |
| U.FL interface: Stub antenna, 2″ cable | -0.9 dBi | |
| Terminal block (optional) | — | |
| Calibration Certificate | — |
Table 1 – TC-Link-200-OEM Configuration Options
Wireless Simplicity, Hardwired Reliability™
| Indicator | Behavior | Node Status |
| Device status indicator | OFF | Node is OFF |
| Rapid green flashing on start-up | Node is booting up | |
| 1 (slow) green pulse per second | Node is idle and waiting for a command | |
| 1 green blink every 2 seconds | Node is sampling | |
| Blue LED during sampling | Node is resynchronizing | |
| Red LED | Built-in test error |
Table 2 – Indicator Behaviors
Pinout and Senor Wiring
| Symbol | Description | Pin Type | Range |
| SP+ | Sensor Excitation Power to external sensors. Power will be duty cycled to sensors unless configured to power continuously. | Output | 2.5 V, 100 mA |
| S+ | Temperature sensor input + | Analog Input | 0 to 2.5 V |
| S- | Temperature sensor input – | Analog Input | 0 to 2.5 V |
| GND | Sensor Ground | GND | |
| NC | Leave open | ||
| NC | Leave open | ||
| GND | Power Ground | GND | |
| VIN | Input Power Supply | Power Input | 3.3 to 30 V |
TC-Link-200-OEM default wiring uses a K-type thermocouple.
User configuration is required for the following wiring options.
Figure 3 – Additional Wiring Options
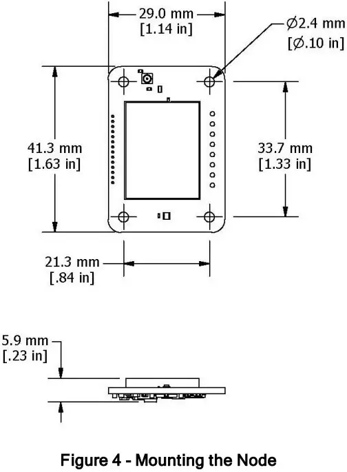
Mounting Recommendations
There are 4 mounting holes on the TC-Link-200-OEM for 2-56 UNC screws.
The node can be mounted in any orientation, but it is recommended that it is mounted in a way that optimizes wireless communications.
Node Operational Modes
Sensor nodes have three operational modes: active, sleep, and idle. When the node is sampling, it is in active mode. When sampling stops, the node is switched into idle mode, which is used for configuring node settings and allows toggling between sampling and sleeping modes. The node will automatically go into the ultra-low-power sleep mode after a user-determined period of inactivity. The node will not go into sleep mode while sampling.
Install Software
Install the SensorConnect software on the host computer before connecting any hardware. Access the free software download on the LORD Sensing website at:
http://www.microstrain.com/software
Establish Gateway Communication
Drivers for the USB gateways are included in the SensorConnect software installation. With the software installed, the USB gateway will be detected automatically whenever the gateway is plugged in.
- Power is applied to the gateway through the USB connection. Verify the gateway status indicator is illuminated, showing the gateway is connected and powered on.
- Open the SensorConnect™ software.
- The gateway should appear in the Controller window automatically with a communication port assignment. If the gateway is not automatically discovered, verify the port is active on the host computer, and then remove and re-insert the USB connector.

Connect to Nodes
Several methods can be used in SensorConnect to establish communication with the nodes: the automatic node discovery on the same frequency, automatic node discovery on a different frequency, and adding nodes manually.
A. Automatic Node Discovery on Same Frequency
If the base and node are on the same operating frequency, the node will populate below the Base Station listing when powering on the TC-Link-200OEM.
B. Automatic Node Discovery on Different Frequency
If a red circle with a number appears next to the Base Station, the node may be operating on a separate radio channel. Select the Base Station and then select the Nodes on the Other Frequencies tile.
Highlight the new node being added and select Move Node to Frequency (#).
C. Manually Add Node
Adding a node manually requires entering the node address and its current frequency setting.
If the node was successfully added, two confirmation messages will appear and it will be listed under the Base Station.
If the node failed to be added, a failure message will appear. This means the node did not respond to the base station which could indicate the node is not in idle mode or it may be on another frequency. If “Add Node Anyway” is selected, it will associate that node with the channel entered but it is likely there will be a communication error. If the node was not idle, move the base station to the frequency of the node and issue a “Set to Idle” command.
Configure Node
Node settings are stored in non-volatile memory and may be configured using SensorConnect. To access the node configuration menu, under Devices select the node and then the Configure tile.
The configuration menus show the channels and configuration options available for the type of node being used.
This example uses a K-type thermocouple.
- From the Wireless Node Configuration Menu > Transducer Type, select
Thermocouple > Sensor Type, select K type.
- Under Low Pass Filter, select 12.66 Hz

- Select Apply Configuration to write to node memory.

Configure Sampling Setting and Start Data Acquisition
- Left-click on the Base Station > Sampling, and indicate the nodes to be sampled by checking the box to the left of each node.
- Under Sampling, select Sample Rate from the drop-down menu, and select Continuously to sample indefinitely.

- Select Apply and Start Network.
- Select Create Quick View Dashboard in the pop-up window immediately to create a dashboard of the new data.

Radio Specifications
The TC- Link- 200- OEM employs a 2.4GHz IEEE 802.15.4- compliant radio transceiver for wireless communication. The radio is a direct-sequence spread spectrum radio and can be configured to operate on 16 separate frequencies ranging from 2.405 GHz to 2.480 GHz. Following the 802.15.4 standard, these frequencies are aliased as channels 11 through 26. For all newly manufactured nodes, the default setting is 2.425 GHz (channel 15).
TC-Link-200-OEM
FCC ID: XJQMSLINK0011
IC ID: 8505A-MSLINK00 11
This device complies with Part 15 of the United States FCC Rules, and Industry Canada’s license-exempt RSS. Operation is subject to the following two conditions:
- This device may not cause interference, and
- This device must accept any interference, including interference that may cause undesired operation of the device. Changes or modifications, including antenna, changes not expressly approved by LORD Corporation could void the user’s authority to operate the equipment.
ESD Sensitivity
The TC-Link-200-OEM is intended to be integrated into an application-appropriate housing to protect it from environmental elements, impact, and electrostatic discharge (ESD), which can disrupt the operation or damage PCB.
The TC-Link-200-OEM is susceptible to damage and/or disruption of normal operation from Electrostatic Discharge (ESD). ESD may cause the device to reset, which may require user intervention to continue data acquisition.
LORD Corporation
MicroStrain Sensing Systems
459 Hurricane Lane, Suite 102
Williston, VT 05495 USA®
ph: 802-862-6629
[email protected]
[email protected]
Copyright © 2018 LORD Corporation
Document 8501-0096 Revision A. Subject to change without notice.






















