HTA104-T Ana log Transmitter
User Guide
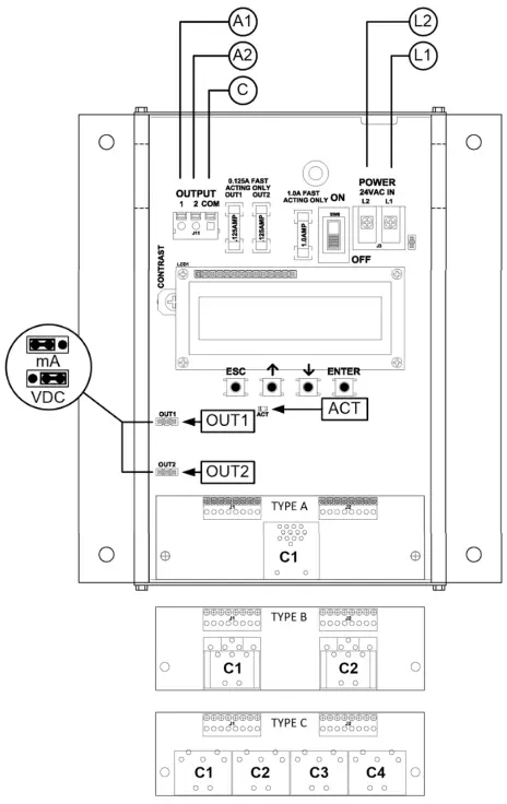
TRANSMITTER CONNECTIONS
| Power | L1 | 24 VAC (hot) |
| L2 | 24 VAC (neutral) | |
| Ana log Out (isolated) | A1 | Airflow + |
| A2 | Temperature or Alarm + | |
| GND | Signal Common | |
| Connector Type B | C1 | 1 probe x 2 sensors/probe |
| C2 | Not Used C2 |
INSTRUCTIONS TO INSTALLER:
- Mount the transmitter in a location where the probe cable can reach the receptacle of the transmitter. Provide a weatherproof enclosure (by others) and mount away from direct sunlight when outdoor mounting is required.
- Connect the sensor probe cable to connector C1 of the transmitter. Connector C2 is not used in this configuration.
Cables have an FEP plenum rated jacket that are UV tolerant and suitable for operation over the entire operating temperature range of the device.
Sensor probe plugs are keyed and NOT twist-lock. Align the key and push the plug onto the transmitter receptacle. Twisting may damage the connector pins. - Select a 24 VAC transformer that provides 22.8 to 26.4 VAC during operation. Size the transformer for 8 V-A for each measurement location.
Multiple transmitters wired to a single transformer must be wired “in-phase” (L1 to L1 and L2 to L2). - If analog output signals are used, continue to step 5, otherwise skip to step 6.
- Connect each analog output signal required to the host B.A.S. using shielded twisted-pair wire. Properly terminate the shield (typically at the B.A.S.).
If twisted pair wire and/or shielded cable is not used, extraneous electrical noise can be picked up between the transmitter and host control panel. - Refer to the HTA104-T Startup Guide prior to moving the power switch to the “ON” position.
Wiring_ HTA104‐T_r1a



















