KERBL C10 Circulation Pump

Product Information
The Zirkulationspumpe C10 #223130 is a circulation pump designed to be used in water systems. It has a power output of 3050 W and operates at a voltage of 230 V / L1 / N / PE / 50 Hz. The pump is equipped with various safety features including a switch, temperature limiter in the heating element, red LED indicator on the control panel, and a safety valve with a maximum pressure of 5 bar. The pump weighs 6.7 kg and has dimensions of L 520 x B 410 x H 285 mm.
Product Usage Instructions
- Safety: Before using the pump, ensure that all safety measures are in place. These include connecting the potential equalization at the designated location, following all safety and warning notices, and ensuring the pump is properly grounded.
- Installation: The pump should be installed in a dry and ventilated area, away from any heat sources or direct sunlight. The water input and output connections should be securely attached to the corresponding pipes with appropriate fittings. The pump should be connected to a power source that meets the specifications outlined in the user manual.
- Operation: Once the pump is installed properly, it can be turned on by pressing the switch located on the control panel. The red LED indicator will light up to indicate that the pump is running. The pump will circulate water through the system, ensuring consistent water pressure and preventing stagnation. The pump can operate at a maximum water pressure of 5 bar.
- Maintenance: Regular maintenance is required to ensure that the pump operates efficiently and safely. The pump should be cleaned and inspected regularly to ensure that there is no build-up of dirt or debris. The pump may also require periodic descaling to remove any mineral deposits that may accumulate over time.
- Disposal: When the pump has reached the end of its useful life, it should be disposed of in accordance with local regulations. The electrical components of the pump should be disposed of separately as electronic waste.
Read and pay attention to these operating instructions before assembly and initial commissioning! Keep these operating instructions for future reference!
Foreword
Information about the manual
We reserve the right to make changes due to further technical development compared to the data and illustrations mentioned in this manual. Reprints, translations and reproductions in any form, including excerpts, require the written consent of the manufacturer.
This manual is part of the scope of delivery.
- It must be kept close at hand and remains with the unit even if it is sold.
- This manual is not subject to a revision service. The respective current status can be obtained from the specialist trader or directly from the manufacturer.
- It has a modular structure and refers exclusively to the named product.
- These operating instructions describe the operation, use, and maintenance of the unit.
The safety instructions are intended to prevent personal injury, damage to animals and damage to the unit (material damage). All operators are required to read and observe these safety instructions at all times. The manufacturer accepts no liability or warranty for damage and malfunctions resulting from non-observance of the operating instructions!
Notes on the operating instructions
- Document No.: 27488
- Version/revision: 1.0
- Creation date: 2021-08-23
- Last change: 2021-08-23
- Language of the original operating instructions: German
Representation of safety instructions
Safety instructions in the operating instructions
Danger!
The imminent danger leads to serious physical injury or death.
Caution!
Risk of physical injury to people and animals and material damage if used incorrectly!
Important!
The potentially harmful situation could damage the product or an object nearby.
Safety instructions on the control unit and the unit
- Warning – electrical voltage!
- Warning – hot surface!
Hot surfaces such as machine components, containers, operating materials or fluids are not always obvious. - Potential equalization must be established at the designated place.
- Follow the instructions!
Read the instructions before installing and starting work and/or operating the unit.
Manufacturer data
Albert Kerbl GmbH Felizenzell 9 D-84428 Buchbach
Tel. +49 (0)8086 933 100
Fax +49 (0)8086 933 500
E-mail [email protected]
Web www.kerbl.de.
Safety
General
- Read the following instructions carefully before assembling and using the unit.
- Anyone tasked on behalf of the user with commissioning, operation, maintenance, or repair must have read and understood the operating in-structions and in particular the chapter on safety.
- The company using the unit is recommended to draw up in-house instructions taking account of the respective operator’s known technical qualifications and to have compliance with the instructions and operating instructions or participation in a training session confirmed in writing.
- The unit must only be operated, maintained, and repaired by trained and authorized personnel.
- The responsibilities for the various activities that arise during the operation and repair or maintenance of the unit must be clearly defined and complied with, so that no unclear competencies arise from the aspect of safety. With all work relating to commissioning, mainte-nance, inspection or repair, the regulations or advice listed in the operating instructions must be observed.
- Failure to comply with the individually listed points in the operating instructions can result in physical injury or material damage for which the manufacturer assumes no liability.
General information regarding safety and warning instructions
Danger!
The imminent danger leads to serious physical injury or death.
- For any kind of maintenance and cleaning work, the entire C10 circulation pump must be disconnected from the mains voltage and secured against being switched on again.
- Work on and adjustments to the control unit, pump, heating element and electrical cables may only be carried out by a qualified electrician.
- In the event of malfunctions, disconnect the unit from the mains voltage. The fault must be eliminated only by authorized personnel.
- The C10 circulation pump must be operated with a separate residual current circuit breaker. Connect the connecting cables of the unit to a mains disconnection device in accordance with the regulations.
- The residual current circuit breaker should only supply the circuits intended for this unit
- Check the function of the residual current circuit breaker regularly using the function key.
Caution!
Risk of physical injury to people and animals and material damage if used incorrectly!
- Before commissioning and operating the unit, these operating instructions must be read and noted carefully.
- Ensure that the unit is only used by people who have the professional skills required to do so.
- Keep children and frail individuals away from the unit.
- Note the safety and maintenance instructions.
- Maintenance and cleaning work must only be carried out by trained personnel.
- The operator must ensure that only authorised personnel work with or on the unit.
- The circulation pump must never be operated without water. Doing so will cause irreparable damage to the pump as well as the heating ele-ment.
- Risk of frost damage to the unit as well as to ring pipes and drinking bowls due to improper use.
- Hot water may escape during ventilation. Hot surfaces are not always obvious.
- Additives in the supply water can cause damage to the entire circulation pump, as can aggressive cleaning agents.
- Fire hazard. The unit must be mounted on a fireproof base.
- Do not run electrical cables over the hot flow pipe or water pipes. Electrical cables can be damaged.
- The unit must be used exclusively in accordance with the intended use and a technically safe condition!
The operational safety of the unit is only guaranteed if it is used for its intended purpose. Failure to comply with the individually listed points in the operating instructions can result in physical injury or material damage for which the manufacturer assumes no liability. - Any manner of working that impairs safety on the unit is prohibited.
- Keep all safety and danger notices on/at the unit complete and always in a legible condition.
- The operator is obliged to check safety-relevant parts before commissioning and, in the event of any defects, resolve these defects before commissioning.
- If the main cable to this unit is damaged, it must be replaced by the manufacturer or authorized specialist authorized to avoid danger.
- As a matter of principle, no guards may be dismantled or put out of operation.
- If a guard needs to be removed for repair, the guard must be refitted once the repair work has been completed.
- Operation of the unit is only permitted with components and spare parts that are supplied or listed in the spare and wear parts list.
- The maintenance intervals specified in these operating instructions must be observed.
- Only use genuine spare parts.
Safety devices
The unit is equipped with the following safety devices to prevent hazards to persons and objects:
| Switch | In switch position 0, the circulation pump and the heating element are switched off. |
| Temperature limiter in the heating element | The temperature limiter STB serves as a switch-off safety device in the event of a failure of the temperature controller. |
| Red LED display on the control unit | The LED lamp lights up when the temperature controller switches on the heating element and the water is heated. |
| Safety valve 5 bar (included) | The safety valve is used to control the pressure on heat generators in closed systems. When the set pressure is reached, the valve opens and prevents dangerous limit values from being excee- ded by releasing the pressure. |
| Automatic bleeder valve 3/8″ (flow pipe) | The quick exhaust valve is used to completely vent the flow pipe. Remaining air pockets can permanently damage the heating element. |
| Automatic bleeder valve 3/8″ (included) | The enclosed bleeder valve must be installed at the highest point of the entire piping system in a permanently frost-proof area in a vertical position. |
Description
Intended use
Caution!
The circulation pump is used exclusively for tempering and circulating supply water for drinking bowls in stables. The circulation pump circulates the water within a ring pipe. The integrated heating element prevents the water from cooling down and freezing in a ring pipe. Chemical additives and acidification of the supply water can irreparably damage the unit.
Technical data
Model/Circulation pump
- Type: C10
- Output: 3050 W
- Electrical connection: 230 V / L1 / N / PE / 50 Hz
- Protection class: IP X4D
- Water connection output: 1 inch
- Water connection inlet: 1 inch
- Water pressure: max. 5 bar
- Dimensions: L 520 x W 410 x H 285 mm
- Weight: 6.7 kg
Heating element
- Output: 3000 W
- Protection type: IP 54
- Temperature controller (TR): 5 – 35 °C
- Factory setting (TR): 5 °C on, 15 °C off
- Safety temperature limiter (STB): 95 °C – 8 K
Circulating pump
- Output: 50 W
- Protection type: IP X4D
- Ambient temperature +25 °C: 0 °C to +70 °C
- Max. operating pressure: 10 bar (1000 kPa)
Conversions or modifications
In the event of unauthorized conversions and modifications to the unit, any liability and warranty on the part of the manufacturer will be rendered void. Conversions and modifications may only be carried out with the written consent of the manufacturer.
Misuse
Foreseeable misuse
Caution!
The circulation pump must not be operated above the voltage, speed, pressure, and temperature limits specified on the individual type plates. The prescribed electrical connection values, installation, and maintenance instructions must be observed.
Residual risk
This unit complies with the recognised rules of technology and relevant safety regulations. However, the following can still occur when the unit is being used:
- Danger to life and limb of the operator or other persons.
- Defects developing on the unit itself.
- Defects developing on other equipment.
Under the following circumstances, the safety of persons and material objects can be endangered:
- If any damage to the electronic control unit is not repaired immediately.
- Carrying out troubleshooting, adjustment, cleaning, repair and maintenance work
- contrary to the information in the operating instructions.
- If untrained personnel are working on electronic parts.
- Failure to observe safety instructions and warning labels on the product and the safety instructions in the operating instructions.
- Unauthorised modifications to the unit.
- Use of non-original manufacturer spare parts.
Limitations of liability
We expressly point out that, according to the product liability law, we are not liable for damages caused by our unit if they are caused by nonobservance of the operating instructions, improper use, improper repair or if original parts are not used when replacing parts and the repair was not carried out by customer service or an authorised specialist. This also applies to accessory components.
Assembly and initial commissioning
Delivery condition
Before commissioning, the C10 circulation pump must always be checked for completeness, visible defects transport damage.
- Check the unit for loose or hanging parts or damage sustained during transport.
- Check the cable insulation.
- Completeness
Space requirements
The dimensions and weight of the unit can be found in the technical data. For maintenance work, a free space of at least 50 cm must be planned to the right of the screw-in heating element.
Installation location
Caution!
- The C10 circulation pump must be installed in a dry room protected from frost and draughts.
- The automatic air vent valve must also be installed in a frost-free area at the highest point in the ring pipe.
- If the highest point is not in a frost-free room, the frost resistance of the valve must be ensured by insulation and trace heating.
- The C10 circulation pump must be mounted horizontally on a fireproof base.

Installation diagram

Scope of delivery
| Included in the scope of delivery | ||
| Item number | Designation | Number |
| Item 1 | Entire C10 circulation pump | 1x |
| Item 1.1 | 3 kW heating element with mains cable | 1x |
| Item 1.2 | Stainless steel flow pipe | 1x |
| Item 1.3 | Domestic hot water circulation pump with mains cable | 1x |
| Item 1.4 | Control unit with mains cable | 1x |
| Item 1.5 | DN25 pump screw connection | 2x |
| Item 2 | 3/8″ quick exhaust valve | 2x |
| Item 3 | 1″ check valve for water supply | 1x |
| Item 4 | 6-bar overpressure safety valve | 1x |
| Operating instructions | 1x | |
| Optional accessories | Art. No. | |
| Item 5 | DN25 G 1″ flow indicator with float | 223131 |
| Item 6 | DN25 thermometer connection with 1 ¼” union | 223132 |
| Required on site | Art. No. | |
| Item 7 | Shut-off valve for circulation pump | |
| Item 8 | Shut-off valve for bypass pipe | |
| Item 9 | Shut-off valve for supply pipe | |
| Item 10 | Drain valve for circulation pump | |
| Item 11 | Water filter (optional) | |
| Item 12 | Drain valve for ring pipe | |
| Item 13 | Insulation | |
| Item 14 | Chew protection | 221975 |
| Item 15 | Fuse box | |
Integration into the pipe system
On the customer side, the C10 circulation pump must be installed in a ring line according to the installation diagram in 6.4:
- Screw the circulation pump (item 1) into the ring pipe.
- Install the shut-off valve (item 7) before and after the circulation pump. The shut-off valve is used to disconnect the unit from the ring pipe for maintenance.
- Fit the shut-off valve (item 8) for the bypass pipe. The bypass pipe is used to ensure the water supply in the event of maintenance.
- Fit the shut-off valve (item 9) for the supply pipe.
- The supplied non-return valve (item 3) must be installed before the return of the ring pipe into the supply pipe. A second non-return valve can also be installed at the end of the return pipe.
- Fit the drain valve (item 10). This is used to drain the heating circuit before the shut-off valve (item 7).
- The supplied overpressure safety valve (item 4) must be installed in the ring pipe so that the drain opening leads into an open drain. Observe the flow direction of the valve.
- The supplied automatic quick exhaust valve (item 2) must be installed at the highest point of the entire pipe system in a vertical position. Make sure that the valve is installed in an area that is permanently protected from frost.
- Install the Kerbl drinking bowl with ring pipe connection. For drinking bowls with a connection only from above or below, the branch pipe must also be equipped with pipe trace heating.
- In areas of the pipe system that are at risk of frost and draughts, additional pipe trace heating must be installed.
- Supply and return pipes must be additionally provided with pipe insulation (item 1). Attached pipe trace heatings and pipe insulations must be equipped with chew protection (item 13).
- We recommend installing a flow meter (item 5) at the beginning and at the end of the ring pipe network to monitor the function of the C10 circulation pump. The return temperature can be monitored by integrating a thermometer (item 6).
Important!
According to Drinking Water Ordinance 2001 (TrinkwV 2001), a permissible safety device with free outlet according to DIN 1988, DIN EN 1717 (type AA, AB or AD) must be installed on site.
Permissible pipeline lengths
The maximum permissible length of the ring pipe with 3/4″ pipes or pipes with at least a 20 mm inner diameter
Max. number of water bowls per ring pipe (closed ring pipe per circulation heater)
Maximum permissible length of the ring pipe with 1/2″ pipes or pipes with at least a 15 mm inner diameter
Max. number of water bowls per ring pipe (closed ring pipe per circulation heater)
Important!
The water flow rate depends on
- Water pressure
- Pipe length and cross-section
- Number of tapers, pipe bends, and drinking bowls
- T-pieces, branches, and spur lines should be avoided within the ring pipe.
- 1 m should be deducted from the total pipe length for each elbow.
Ventilation
Important!
Before the unit is put into operation for the first time and after maintenance work has been carried out, the water circuit must be carefully bled. After the water connections have been established and checked on site:
- Set the main switch of the control unit (item 1.4) to position 0=OFF.
- Open the automatic bleeder valves (item 2) on the flow pipe and in the pipe system. To do this, open the black screw on the side. Do not close when the unit is in operation.
- Open the shut-off valve (item 9) on the supply line.
- Install the shut-off valve (item 7) before and after the C10 circulation pump.
- Close the two shut-off valves (item 8) on the bypass pipe. The water circuit must run via the circulation pump.
- The air can now escape via the two bleeder valves (item 2). The bleeding process can be accelerated by operating the valves on the integrated drinking bowls.
- The bleeding process must be carried out several times if necessary.
Caution!
The circulation pump must never be operated without water. Doing so will cause irreparable damage to the pump as well as the heating element. - The bleeding process can be accelerated with the help of the circulation pump. Note the points from Section 6. To do this, set the main switch of the control unit (item 1.4) to position 1 = Circulation mode. The circulation pump is now switched on and the water circulates in the ring pipe.
Electrical connections
Danger!
The electrical connection must be made in accordance with the regulations of the local power supply company. The respective national regulations and guidelines must be observed.
- The unit may only be installed by an authorized specialist.
- The C10 circulation pump must be operated with a separate residual current circuit breaker.
- Connect the connecting cables of the unit to a mains disconnection device in accordance with the regulations.
- Electrical connection: 230 V / L1 / N / PE / 50 Hz
- Connection cable: 3 x 1.5 mm²
- Junction box: IP 54
- Residual current circuit breaker: 30 mA
According to DIN VDE 0100 Part 200, protective equipotential bonding must be established at the designated point on the flow pipe and the main equipotential bonding bar on the building.
Caution!
A faulty screw-in heating element or a faulty circulation pump can trigger the residual current circuit breaker and thus put the circulation pump out of operation. This can result in water pipes freezing at correspondingly low ambient temperatures. If the mains cable to this unit is damaged, it must be replaced by the manufacturer or authorised specialist authorized to avoid danger.
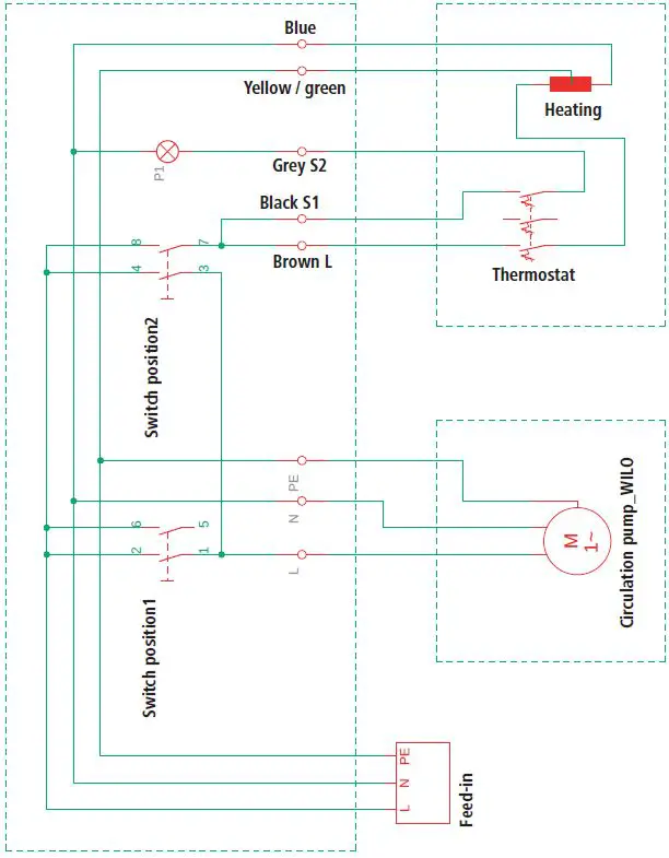
Circuit diagram for the C10 circulation pump
Operation
Control unit
| Selector switch | Reaction of the C10 circulation pump |
| Position -0- | Circulation pump and screw-in heater are out of operation. The indicator lamp does not light up. |
| Position -1- | Circulation mode • The circulation pump is running => The water is circulating in the ring pipe. • The screw-in heating element is switched off. |
|
Position -2- | Circulation and heating mode • The circulation pump is running. => The water is circulating in the ring pipe. • The screw-in heating element is ready for operation. • The screw-in heating element is switched on when the flow tempe- rature falls below the set value. The red LED lamp on the control unit lights up. • After the flow temperature is reached, the heating element switches off. The red LED lamp goes out. • After the flow temperature falls below the set value, the heating element switches on again. |

Circulation pump
- Supply voltage 1 ~ 230 V +10 %/-15 %, 50/60 Hz
- Protection type IP X4D
- Ambient temperature +25 °C 0 °C to +70 °C
- Max. operating pressure 10 bar (1000 kPa)

Important!
Factory setting:
Constant speed, characteristic curve III. In continuous operation, the pump should always be operated at constant speed – characteristic curve III. The full operating instructions for the circulation pump can be downloaded from the Kerbl website.
Heating element
- Connection voltage 230 V / L1 / N / PE / 50 Hz
- Protection type IP 54
- Temperature controller (TR) 5 – 35 °C
- Stop left: 5 °C
- Stop right: 35 °C
- Factory setting (TR) 5 °C on, 15°C off
- Safety temperature limiter (STB) 95 °C – 8 K
Caution!
Before removing the sealing cap or opening the housing, disconnect the circulation pump from the mains voltage!
Temperature controller (TR):
- Remove the sealing cap on the front of the housing.
- The temperature value can be adjusted with a screwdriver.
- Stop left: ~ 5 °C
- Stop right: ~ 35 °C

Safety temperature limiter (STB):
- The STB is not accessible from the outside.
- The heating element may only be opened by an authorized specialist.
- The STB should not be reset without a thorough fault analysis.
- Before resetting, the heating element must cool down.
- In general, we recommend replacing the heating element.

Important!
Changing the factory-set temperature can have the following effects:
- Increased limescale build-up due to an increase in flow temperature. Maintenance requirements are increased and the service life of the heating element is reduced.
- Increased energy consumption.
- A temperature that is set too low can cause pipes and drinking bowls to freeze.
Maintenance and cleaning
Caution!
- Maintenance work may only be carried out by an authorised specialist.
- For any kind of maintenance and cleaning work, the entire C10 circulation pump must be disconnected from the mains voltage and secured against being switched on again.
- The circulation pump must never be operated without water. Doing so will cause irreparable damage to the pump as well as the heating element.
- During maintenance or service work on water-bearing parts of the unit. Hot water may leak out.
Hot water may escape during ventilation. Hot surfaces are not always obvious.
Important!
To maintain the continuous performance of the unit, the water circuit must be operated with clean water. All water precipitates limescale at high temperatures. This settles on the heating coils of the heating element and affects the unit’s function and service life. In the case of hard water (>14°dH), we recommend installing a descaling system upstream of the water circuit.
Descaling
- Disconnect the circulation pump from the mains voltage and secure it against being switched on again.
- Close the shut-off valve (item 7) before and after the C1- circulation pump and open the shut-off valve on the bypass pipe (item 8).
- The remaining water can be drained off via the drain valve (item 10).
- Disconnect the heating element in the control unit and lead it through the cable gland. Note the wiring diagram!
- Unscrew the heating element from the stainless steel flow tube. Make sure that the tool used is only applied to the stainless steel spanner width SW 70. The heating element is glued in place with a low-strength thread seal.
- If necessary, remove coarse dirt from the heating coil and flow tube with a brush.
Important! - Place the heating element in a bucket of the descaling agent. The filling height of the bucket should be chosen so that only the heating coil is covered with the descaling agent. Depending on the degree of calcification, adjust the exposure time to the descaling agent (follow the manufacturer’s instructions).
- Rinse the flow tube and heating coil with clear water.
- Remove any adhesive residue from the threads on the flow tube and the heating element.
- Seal the heating element again in reverse order. Observe the drying time.
- The following liquid thread sealant is recommended: Loxeal 18-10
- Feed the cable of the heating element through the cable gland and connect it to the control unit. Note the wiring diagram!
- Close the shut-off valve on the bypass pipe.
- Open the shut-off valve (item 7) before and after the C10 circulation pump.
- Carry out the bleed procedure according to Section 6.8.
- Reconnect the unit to the mains voltage and put it into operation.
Maintenance intervals
| Unit in operation | Daily | Weekly | Monthly | Half-yearly / before each heating period |
| Check the function of the unit during operation. | x | |||
| Is the water circulating and is the heating element heating? | x | |||
| Inspect the entire unit. | x | |||
| Bleed the unit and ring pipe according to Section 6.8. | x | x | x | |
| Check the unit for limescale and, if necessary, descale and clean it according to Section 8.1. | x | x | ||
| Clean the outside of the unit. | x | x | ||
| Check electrical components and connection cables for da- mage. | x | |||
| Unit out of operation | Daily | Weekly | Monthly | Half-yearly / before each heating period |
| Check the free running of the circulation pump. To do this, set the selector switch to position 1 and check circulation in the ring pipe. | x | |||
| Clean the outside of the unit. | x |
Malfunctions and troubleshooting
| Fault | Cause | Corrective measure |
|
Unit does not start | No power supply | • Check power supply |
| Fuse defective | • Check fuse | |
| Residual current circuit breaker has tripped | • Check cause and rectify error • Switch on the residual current circuit breaker again | |
| Pump won’t start | No power supply | • Check power supply |
| For further error messages, see the operating instructions for the circulating pump | ||
|
Loud noises | Air in the unit | • Bleed the unit |
| Air in the pump | Bleed the pump | |
| Cavitation due to insufficient supply pressure | • Increase system pressure within the permissible range | |
| Fault | Cause | Corrective measure |
|
Heating element not working | No power supply | • Check power supply |
| Temperature controller has switched off | • Set flow temperature has been reached | |
| Temperature controller does not switch on | • Return temperature too high | |
| Temperature limiter in the heating element has tripped | • Find the cause of tripping and rectify the fault. The temperature limiter should only be reset after thorough fault analysis, see Section 7.3 | |
| Heating element defective | • Replace the heating element |
Caution!
Pay attention to the safety instructions. Maintenance work may only be carried out by an authorized specialist.
Function check of the heating element and circulation pump
In the event of a fault, a function check can be carried out to check the function of the heating element and the circulation pump.
Disposal
Please observe local waste disposal regulations! Separate all of the unit’s parts, auxiliary materials and operating materials according to type. Consult your local authority if you have any questions concerning disposal options and quantities.
Electrical waste
It is up to the operator to dispose of the unit responsibly after its useful life in accordance with local regulations. Consult the relevant regulations for your country. The unit must not be disposed of in the household waste. Under the terms of the EU Directive on the disposal of old electrical and electronic equipment, the unit can be taken to local authority-run refuse sites or recycling plants free of charge, or returned to dealers who offer a returns service. Correct disposal protects the environment and prevents any possible harmful impacts on humans and the environment.
Declaration of conformity
Albert Kerbl GmbH hereby declares that the product/device described in these instructions complies with the fundamental requirements and other relevant stipulations and regulations. The CE / UKCA mark confirms compliance with the Directives of the European Union or corresponding British legislation.
Spare parts
| Item No. | Ref. No. | Description |
| 1.1 | 223130-03 | 3 kW heating element with mains cable |
| 1.2 | 223130-06 | Stainless steel flow pipe |
| 1.3 | 223130-01 | Domestic hot water circulation pump |
| 1.3 | 223130-02 | Mains cable for circulation pump |
| 1.4 | 223130-04 | Control unit with mains cable |
| 1.5 | 223130-10 | DN25 pump screw connection with flat gasket (2 pieces per set) |
| 2 | 223130-07 | 3/8“ quick exhaust valve |
| 3 | 223130-09 | 1“ check valve |
| 4 | 223130-08 | 6 bar 3/4“ x 1“ safety valve |
Accessories
| Item No. | Ref. No. | Description |
| 5 | 223131 | DN25 G 1“ flow indicator with float |
| 6 | 223132 | DN25 thermometer connection with 1 ¼“ union |

CONTACT INFORMATION
Albert Kerbl GmbH
Felizenzell 9 84428 Buchbach, Germany
Tel. +49 8086 933 – 100
Fax +49 8086 933 – 500
[email protected]
www.kerbl.de
Kerbl Austria Handels GmbH
Wirtschaftspark 1 9130 Poggersdorf, Austria
Tel.: +43 4224 81555 – 0
Fax: +43 4224 81555 – 629
[email protected]
www.kerbl-austria.at
Kerbl France Sarl
3 rue Henri Rouby, B.P 46 Soultz 68501 Guebwiller Cedex, France
Tel. : +33 3 89 62 15 00
Fax : +33 3 89 83 04 46
[email protected]
www.kerbl-france.com
Kerbl UK Ltd
8 Lands End Way Oakham, Rutland LE15 6RF, UK
Phone: +44 01572 722558
[email protected]
www.kerbl.co.uk.





















