40590 Power Booster
User Manual 
![]()
Power Booster
Operator’s Manual
READ THIS BOOK
This book has important information for the use and safe operation of this machine. Failure to read this book prior to operating or attempting any service or maintenance procedure to your American Sanders machine could result in injury to you or to other personnel; damage to the machine or to other property could occur as well. You must have training in the operation of this machine before using it. If your operator(s) cannot read this manual, have it explained fully before attempting to operate this machine.
All directions given in this book are as seen from the operator’s position at the rear of the machine.
WARNING!
The Products sold with this Manual contain or may contain chemicals that are known to certain governments (such as the State of California, as identified in its Proposition 65 Regulatory Warning Law) to cause cancer, birth defects or other reproductive harm. In certain locations (including the State of California) purchasers of these Products that place them in service at an employment job site or a publicly accessible space are required by regulation to make certain notices, warnings or disclosures regarding the chemicals that are or may be contained in the Products at or about such work sites. It is the purchaser’s responsibility to know the content of, and to comply with, any laws and regulations relating to the use of these Products in such environments. The Manufacturer disclaims any responsibility to advise purchasers of any specific requirements that may be applicable to the use of the Products in such environments.
***This product is intended for commercial use only***
Operator Safety Instructions
In this Operation Manual you will find three statements that you must read and observe to ensure safe operation of this machine.
DANGER means: Severe bodily injury or death can occur to you or other personnel if the DANGER statements found on this machine or in this Operation Manual are ignored or are not adhered to. Read and observe all DANGER statements found in this Operation Manual and on your machine.
WARNING means: Injury can occur to you or to other personnel if the WARNING statements found on your machine or in the Operation Manual are ignored or are not adhered to. Read and observe all WARNING statements found in this Operation Manual and on your machine.
CAUTION means: Damage can occur to the machine or to other property if the CAUTION statements found on your machine or in this Operation Manual are ignored or are not adhered to. Read and observe all CAUTION statements found in this Operation Manual and on your machine.
WARNING!! Operating the Power Booster without observing all labels and instructional information could result in injury or damage. Read the operators manual and all labels before attempting to use the booster. Make sure all of the labels and instructional information are attached or fastened to the booster. Get replacement labels and decals from your authorized distributor. Input Power 115/200V, 120/208V or 120/240V, 30k 60 Hz, single phase only.
WARNING!! Do not connect this box to a 277/480V power source. Electrical shock and/or equipment damage may occur.
Connections: Input: Use only 4-wire cord (Minimum AWG10-4) and a 30A 250V, 4-wire locking connector (NEMA L14-30R). Output : 20A 250V 3-wire locking plug (NEMA L6-20P). Two 20A 12W 3-Wire straight blade plugs (NEMA 5-20P).
WARNING!! Do not connect this box to power supply with a 3-Wire cord. Do not join the neutral(white) and ground(Green) at any point. This violates electrical safety standards and can result in electrical shock.
CAUTION Do not change voltage setting under load. Damage to Power Booster could occur. If machine(s) is plugged into Power Booster, it must be in the OFF position prior to changing the voltage selector switch on the Power Booster.
Operation of the box: The Power Booster supplies two 120V/20A outlets and one 240V/20A outlet. The 240V output can be lowered, unchanged or raised by a selector switch. To lower voltage, press the left end of the switch indicated by 90%. To leave voltage unchanged, move the switch to the middle position indicated by 100%. To raise voltage, press the right end of the switch indicated by 110%. Operate the selector switch to maintain the output voltage as close as possible to the voltage rating on your sanding machine. The 120V outputs are not affected by the selector switch.
Special operations: Both the 120V and 230V outlets may be used simultaneously, however, machine nameplate ratings must be observed to limit the total current draw on the booster to 30 amps.
WARNING!! Operating the Booster with a Continuous Total current draw in excess of 30 amps may damage the booster or associated components. Circuit Protection: 120V: Two 20A breakers(integral). 230V: 30A branch circuit breaker in power supply(not integral to booster)
WARNING!! Use of this booster as a step or furniture could result in injury or damage. Do not use this booster as a step or fumiture.
WARNING!! Any alterations or modifications of this booster could result in damage to the booster, output machines, the operator or bystanders. Alterations or modifications not authorized by the manufacturer voids any and all warranties and liabilities.
WARNING!! Do not operate the Power Booster if it is wet or in a wet environment. Maintenance: If any component fails or the booster does not operate properly, return to an authorized American Sanders service center for any needed repairs.
DANGER!! Electrocution could occur if maintenance or repairs are performed on a unit that is not disconnected from the power source. The booster power supply should always be disconnected before attempting any maintenance or service.
Power Booster
Section II
Parts Manual
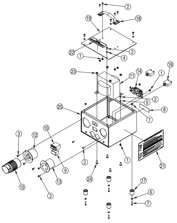
POWER BOOSTER
POWER BOOSTER
| Item | Ref. No. | Qty | Description |
| 1 | 920065 | 11 | Nut, 8-32 E.S.N.A |
| 2 | 962027 | 7 | Screw, 8-32 X 1/2 P.H. |
| 3 | 962546 | 10 | Screw #10 -24 X 1/2 |
| 4 | 980603 | 4 | Washer, #10 Lock External Tooth |
| 5 | 980621 | 1 | Washer External Tooth Lock |
| 6 | 980982 | 4 | Washer 10 Sae Flat Pltd |
| 7 | 85613A | 4 | Screw, 8-32 X 7/8 P.H. S.S. |
| 8 | 56380639 | 1 | Decal-Prop 65 |
| 9 | 40584A | 1 | Voltmeter Digital Panelmount |
| 10 | 40585A | 1 | Switch 3position2pole Rocker |
| 11 | 40586A | 1 | Transformer200-264v/35a Bk/Bo |
| 12 | 40587A | 1 | Inlet Locking 250v/30a |
| 13 | 40588A | 1 | Outlet Locking 250v/20a |
| 14 | 40589A | 1 | Receptacle Duplex 125v/20a |
| 15 | 40654A | 1 | Connector L14-30r |
| 16 | 41410A | 2 | Circuit Breaker 20 Amp |
| 17 | 51220A | 4 | Bumper, Plastic Non-Marking |
| 18 | 52481A | 1 | Handle, Bright Zinc Finish |
| 19 | 60598A | 1 | Lid Power Booster Box |
| 20 | 60599A | 1 | Box Power Booster |
| 21 | 70346A | 1 | Labelinstructionpower Boostr |
| 22 | AS015900 | 1 | DECAL, AMERICAN SANDER, 3″, BL |
| 23 | 81102A | 4 | Nut Stop Elastic 1/4-20 Hex |
| 24 | 85376A | 4 | Screw 1/4-20 X 5/8 Pan |
| 25 | AS091900 | 1 | LABEL, CAUTION, CHANGE VOLTAGE *NOT SHOWN |
WIRING DIAGRAM

Limited Warranty
PowerBooster
TO QUALIFY FOR THIS WARRANTY
- Machine must be registered within 30 days from the time of purchase on a form provided by American Sanders. Your American Sanders Distributor is responsible for the registration of your machine. Please cooperate with your Distributor in supplying necessary information on the card.
- The machine must have been purchased from American Sanders or an authorized American Sanders Distributor.
- This warranty extends to the original purchaser only and is not transferable to subsequent owners.
TIME PERIODS
ONE (1) YEAR WARRANTY – For the PowerBooster. Warranted to be free from defects in material and workmanship for a period of one (1) year from the date of purchase by the original owners. (See Exclusions)
EXCLUSIONS (Not Covered by Warranty)
- Expendable wear items and parts that fail through normal wear by reason of their characteristics (cords, pads, pad holders, belts, wheels, carbon motor brushes, bulbs, filters, bags, or other consumable parts).
- This warranty does not extend to parts affected by misuse, neglect, abuse, accidents, damage in transit, overloading the capacity of the machine, failure due to lack of proper maintenance or care as described in the operating and maintenance instructions. All defective parts must be returned to the distributor for credit.
- Minor adjustments, such as tightening of screws or bolts not connected with the replacement of parts, are not covered.
- Repairs or alterations by an organization other than the factory oran Authorized Service Center are not covered and will void any American Sanders warranty as to the parts or systems repaired or altered by a non-authorized organization.
THE OBLIGATION OF AMERICAN SANDERS
- The obligation of American Sanders under this warranty is limited to repairing or replacing, at its option, any part which is proven to be defective in material or workmanship under normal use for the applicable period stated above.
- Warranty repairs will be made by your American Sanders Distributor without charge for parts and labor. They will be compensated with a warranty labor rate of $75.00 per hour, for the first year of ownership.
- Parts repaired or replaced under this warranty are warranted only during the balance of the original warranty period. All defective parts replaced under these warranties become the property of American Sanders.
WARRANTY SERVICE
To obtain warranty service, take your machine and proof of purchase to any authorized American Sander Distributor. American Sanders will not reimburse expenses for service calls or travel.
For the Distributor in your area, call American Sanders Customer Service Department at 800-367-3550 or 336-372-8080. If you are dissatisfied with the service that you receive, call or write American Sanders Customer Service Department for further assistance.
INSTRUCTIONS AND CONDITIONS FOR WARRANTY REIMBURSEMENT
• Order replacement part: Orders will be processed and charged, as normal procedure.
• Call American Sanders for RIA number.
• You will need the Machine Serial Number and the Machine Model Number.
• Parts must be returned, accompanied with the RIA number to be eligible for warranty credit.
• All Warranty Parts will be shipped prepaid UPS Ground, any other method will be at the recipients expense.
• Freight on any Warranty Part after 30 days must be paid for by the Purchaser.
• Warranty labor rate is $75.00 per hour.
• Credit will be issued upon completion of the above steps, at the above rates.
Transportation of hazardous waste or contaminated equipment is subject to various laws and regulations. In returning machines, parts, or accessories under this limited warranty, the end user must certify in writing that the machines, parts, or accessories being returned have not been used for handling, clean up, or disposal of hazardous waste or hazardous materials including but not limited to such things as asbestos, anthrax etc. or if the machines, parts, or accessories being returned have been used for handling, clean up, or diposal of hazardous waste or hazardous materials, then the end user must have the machines, parts or accessories decontaminated by licensed and qualified decontamination professionals and provide written certification of this decontamination signed by the decontamination professionals. These machines, parts or accessories are to be returned only to the local American Sanders Service Center for warranty service along with decontamination certification.
DISCLAIMER OF CONSEQUENTIAL
THERE ARE NO WARRANTIES THAT EXTEND BEYOND THE DESCRIPTION OF THE LIMITED WARRANTIES STATED WITHIN. NO OTHER WARRANTY, EXPRESSED OR IMPLIED, INCLUDING BUT NOT LIMITED TO ANY IMPLIED WARRANTY OF MERCHANTABLILITY OR FITNESS FOR A PARTICULAR PURPOSE, IS MADE EXCEPT AS EXPRESSLY STATED HEREIN. ANY STATUTORY IMPLIED WARRANTIES, INCLUDING ANY WARRANTY OF MERCHANTABILITY OR FITNESS FOR A PARTICULAR PURPOSE, THAT ARE IMPOSED BY LAW DESPITE THE EXPRESS LIMITATION OR WARRANTIES ABOVE, ARE EXPRESSLY LIMITED TO THE DURATION OF THE WRITTEN WARRANTY. BUYER UNDERSTANDS, ACKNOWLEDGES AND AGREES THAT THE REMEDIES PROVIDED UNDER THIS LIMITED WARRANTY ARE THE SOLE AND EXCLUSIVE REMEDIES AVAILABLE TO THE BUYER. AMERICAN SANDERS DISCLAIMS ANY RESPONSIBLITY FOR LOSS OF USER TIME OF THE AMERICAN SANDERS MACHINE OR ANY OTHER INCIDENTAL OR CONSEQUENTIAL DAMAGES. THIS INCLUDES, BUT NOT LIMITED TO INDIRECT, SPECIAL OR CONSEQUENTIAL DAMAGES ARISING OUT OF OR IN CONNECTION WITH THE FURNISHING, PERFORMANCE, USE OF OR INABILITY TO USE THE MACHINE. ANY EXTENSIONS OF OR MODIFICATIONS MADE TO THIS WARRANTY BY A DEALER/DISTRIBUTOR OF AMERICAN SANDERS ARE THE SOLE RESPONSIBILITY OF THE DEALER/ DISTRIBUTOR.
American Sanders
an AMANO Company
1 Eclipse Rd l PO Box 909
Sparta, North Carolina 28675 l USA
www.pioneereclipse.com
www.americansanders.com
+1-336-372-8080
1-800-367-3550
Fax 1-336-372-2913
© 2022 American Sanders
LT069700_D
POWER BOOSTER
042222

















