REFRIGERATION
10-SERIES
Absorption Refrigerator
Installation Manual
RMD10.5XS
RMD10.5XS Absorption Refrigerator
© 2020 Dometic Group. The visual appearance of the contents of this manual is protected by copyright and design law. The underlying technical design and the products contained herein may be protected by design, patent or be patent pending. The trademarks mentioned in this manual belong to Dometic Sweden AB. All rights are reserved.
Please carefully read and follow all instructions, guidelines and warnings included in this product manual in order to ensure that you install, use and maintain the product properly at all times.
By using the product, you hereby confirm that you have read this disclaimer, all instructions, guidelines and warnings carefully and that you understand and agree to abide by the terms and conditions as set forth herein.
You agree to use this product only for the intended purpose and application and in accordance with the instructions, guidelines and warnings as set forth in this product manual as well as in accordance with all applicable laws and regulations.
A failure to read and follow the instructions and warnings set forth herein may result in an injury to yourself and others, damage to your product or damage to other property in the vicinity.
Dometic accepts no liability for any loss, damage or injury incurred, directly or indirectly, from the installation, use or maintenance of the product not in compliance with the instructions and warnings in the product manual.
This product manual, including the instructions, guidelines and warnings, and related documentation may be subject to changes and updates. For up-to-date product information, please visit: documents.dometic.com, dometic.com.
NOTE
You can find details on the operation in the operating manual.
Explanation of symbols
WARNING!
Safety instruction: Indicates a hazardous situation that, if not avoided, could result in death or serious injury.
CAUTION!
Safety instruction: Indicates a hazardous situation that, if not avoided, could result in minor or moderate injury.
NOTICE!
Indicates a situation that, if not avoided, can result in property damage.
NOTE
Supplementary information for operating the product.
Safety instructions
The manufacturer accepts no liability for damage in the following cases:
- Faulty assembly or connection
- Damage to the product resulting from mechanical influences and incorrect connection voltage
- Alterations to the product without express permission from the manufacturer
- Use for purposes other than those described in the operating manual
WARNING!
- The electrical installation must comply with national and local regulations including AS/NZS 3001 – Electrical installations.
- The gas installation must comply with national and local regulations including AS/NZS 5601.2 – Gas installations.
- Never open the absorber unit. It is under high pressure and can cause injury if it is opened.
- Ensure clean and residue-free handling if silicone sealant or similar is used. There is a risk of fire if silicone filaments come into contact with hot parts or naked flames.
- Do not operate the refrigerator if it is visibly damaged.
- If the AC power cable for this refrigerator is damaged, it must be replaced by the manufacturer, service agent or a similarly qualified person in order to prevent safety hazards.
- Never use a naked flame to check the refrigerator for leaks.
- This refrigerator may only be repaired by qualified personnel. Inadequate repairs may cause serious hazards.
- Only use universal LPG gas.
- Only operate the refrigerator at the pressure shown on the type plate. Only use pressure controllers with a fixed setting which comply with national regulations.
- Dismantle all refrigerator doors for the disposal of the old refrigerator and leave the shelves in the refrigerator to prevent accidental enclosure and suffocation.
CAUTION!
- Danger of crushing! Do not put your fingers into the hinge.
- Before starting the device, ensure that the power supply line and the plug are dry.
NOTICE!
- Only hold the refrigerator at its body during transport. Never hold the refrigerator at the absorber unit, the cooling fins, the gas pipes, the door or the control panel.
- Make sure that the refrigerator circuit is not damaged during transportation. The refrigerant in the refrigerator circuit is highly flammable. In the event of any damage to the refrigerator circuit (smell of ammonia):
–Switch off the refrigerator if applicable.
–Avoid naked flames and sparks.
–Air the room well. - Do not install the refrigerator near naked flames or other heat sources(heaters, direct sunlight, gas ovens etc.).
- Risk of overheating!
Always ensure sufficient ventilation so that the heat generated during operation can dissipate. Make sure that the refrigerator is sufficiently far away from walls and other objects so that the air can circulate. - Check that the voltage specification on the type plate is the same as that of the power supply.
- Do not open the refrigerant circuit under any circumstances.
- Only use the AC connection cable supplied to connect the refrigerator to the AC mains.
- Only use cables with a suitable size (see chapter “DC power” on page 28).
- Never pull the plug out of the socket by the connection cable.
- The refrigerator must not be exposed to rain.
Scope of delivery
| Quantity | Description |
| 1 | Refrigerator |
| 1 | Drain hose |
| 1 | Sealing strip (fitted during installation) |
| 1 | Installation, Operating Manual and Quick Start Guide |
Accessories
Available as accessories (not included in the scope of delivery):
Description
Dometic gas flue kit 3776
Dometic Roof Vent Kit
LS 300 ventilation grille
All the accessories are available from specialist dealers. If you have any questions, please contact the dealer or your service partner directly.
Intended use
The device is suitable for:
- Installation in caravans and motor homes
- Providing refrigeration, freezer and storage space for food
CAUTION! – Health hazard!
Please check if the cooling capacity of the refrigerator is suitable for storing the food you wish to cool.
The device is not suitable for:
- Storing medications
- Storing corrosive substances or substances that contain solvents
- Freezing previously unfrozen food
This product is only suitable for the intended purpose and application in accordance with this instruction. Any other use, deviating from the intended use, is not allowed! Dometic accepts no liability for any loss, damage or injury incurred, directly or indirectly due to other as the intended use.
Installing the refrigerator
You find the instructions manual for changing the door lock and the decorative plate online at: documents.dometic.com/?object_id=63258
The device is suitable for installation in:
- caravans
- motor homes
6.1 Preparing the installation
NOTICE!
- The refrigerator may not be installed in the rear of motor homes with the door pointing in the direction of travel.
- Use exclusively original Dometic ventilation grills to ensure safe operation.
When installing the refrigerator, note the following:
- To enable the refrigerant to circulate properly, the refrigerator may not exceed an angle of 3 °.
Park the vehicle horizontally for this purpose. - The refrigerator must be installed in a way that the following requirements are met:
–The refirigerator must be easily accessible for service work.
–It must be easy to install and uninstall the refrigerator.
–It must be easy to remove the refrigerator from the vehicle.
- The refrigerator must be installed in a recess so that it stands secure when the vehicle is in motion.
Note the dimensions in fig.1 for this purpose.Refrigerator Overall dimension with flange in mm Height (A) 1260 Width (B) 550 Depth (C) 615 Recess Dimension in mm Height (H) 1246 – 1251 Width (W) 526 – 531 Depth (D) 571 – 586 
Pos. in fig.2 Description 1 Insulation wool on top and sides of cabinet 2 Clearance minimum 10 mm to maximum 25 mm 3a/3b LS300 ventilation grille 4 Recommended height is at least equal to the height of the refrigerator 5 Dometic gas flue kit 3776 6 Air deflection plate 7 Gas escape hole, min. 40 mm – required if lower air vent would not permit all leaked gas to escape - The outer wall must be fitted with one air inlet ventilation grille (fig.2 3a, page 9) and one outlet ventilation grille (fig.2 3b. page 9) so that the heat generated can be easily released to the outside:
–Upper air outlet vent LS300 must be installed with the bottom of the vent no lower than the top of the refrigerator cabinet.
–Lower air inlet vent LS300 must be installed with the lowest opening of the grill flush with the floor of the refrigerator. - If the lower ventilation grille of the air inlet vent cannot be installed flush to the floor, a gas escape hole (fig.2 7, page 9) must be provided in the floor for releasing any possible gas leakage (see chapter “Making air inlet and outlet vents” on page 15).
- Fit an air deflection plate (fig.2 6, page 9) above the condenser so that the heat does not accumulate in the vehicle.
- Put insulation wool (fig.2 1,page 9) on top and sides of the cabinet.

- The distance between the air inlet and outlet vents must be at least 1250mm (fig.3).

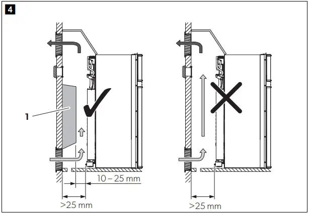
- The distance between the refrigerator and the rear wall must be at least 10 mm but no more than 25 mm.
- A distance of more than 25mm between the refrigerator and rear wall leads to poor performance and increases the power consumption of the refrigerator. Reduce the space behind the refrigerator to create adequate air inlet and outlet ventilation. To reduce the space use a ventilation plate (fig.4 1), for example.


- If the minimum distance between the air inlet and outlet vents cannot be met, a roof vent must be installed instead of the air outlet vent.
–The roof vent should be installed directly above the back of the refrigerator as far as this is possible. Use an air duct (fig.5 1) if you need to install the roof vent offset; otherwise, heat will accumulate there.
–The distance between the air inlet vent and the roof vent must be at least 1800 mm (fig.5).
–If a roof air conditioner is provided, the distance between the roof vent (fig.6 1) and the air outlet of the roof air conditioner (fig.6 2) must be at least 300 mm. - The refrigerator must not be installed at the side of the air inlet and outlet vents as this leads to poor performance and increases the power consumption of the refrigerator.
- The air inlet and outlet vents must not be covered by vehicle parts (such as an open door or by installing accessories such as bicycle racks) while operating.
- A separate flue duct must be installed under the air outlet vent, see chapter “Installing the flue duct” on page 19.
- Install the refrigerator so that it is protected from excessive heat, as this leads to poor performance and increases the power consumption of the refrigerator.
- The electrical installation must comply with national and local regulations including: AS/NZS 3001 – Electrical installations – Transportable structures and vehicles including their site supplies
- The gas installation must comply with national and local regulations including: AS/NZS 5601.2 – Gas installations – LP Gas installations in caravans and boats
- The refrigerator must be installed in a draft-proof location, see chapter “Installing the refrigerator in a sealed location separate from the living space” on page 14.
6.2 Installing the refrigerator in a sealed location separate from the living space
WARNING! Fire hazard!
- Do not use flammable materials for the draft-proof installation.
- Position the device so that no connection cable is damaged or pinched.
- Do not use multiple sockets or portable power adapters behind the device.
Gas-powered refrigerators in caravans or motorhomes must be installed in a sealed location. This means that the combustion air is not extracted from the interior and the exhaust fumes are prevented from directly entering the living space.
Apply the sealing strip to front of the bottom surface of the refrigerator (fig.7 1).
Push the refrigerator into position (fig.7 2). This then seals the space behind the refrigerator to the interior of the vehicle.
6.3 Making air inlet and outlet vents
NOTE
At high ambient temperatures, the refrigerator can only provide its maximum cooling capacity if the optimum ventilation has been provided.
Make an air inlet vent and an air outlet vent in the outer wall with the size of 249 mm x 490 mm. When doing so, observe the information in chapter “Preparing the installation” on page 8.
If the lower ventilation grille cannot be installed with the lowest opening of the grill flush with the floor of the refrigerator, make a gas escape hole in the floor so that all unburnt gas will escape.
Make a gas escape hole of at least Ø 40 mm in the floor (fig.10 1) behind the refrigerator near the gas burner.
Shield the end of the opening with a deflector to prevent sludge or dirt from getting inside while driving (fig.10 2).
If you have to use a roof vent instead of the air outlet vent:
Cut out a section in the roof. Refer to the roof vent instruction manual for the required dimensions. When doing so, observe the information in chapter “Preparing the installation” on page 8.
6.4 Installing the ventilation grill
NOTE
Only use original Dometic ventilation grills (accessory) to ensure safe operation.
| No. in fig.11 | Description |
| 1 | Slider |
| 2 | Ventilation grill |
| 3 | Installation frame |
| 4 | Fastening for condensation drain |

Seal the installation frame to make the connection waterproof (fig.12).
Insert the installation frame and screw it down tightly (fig.13). Use all the fixing holes for this.
Insert the ventilation grill as shown (fig.14).
6.5 Installing condensation drain
NOTICE!
- To avoid damage on the drain water hose, position the hole for the drain water hose in a way, that the hose does not touch the boiler casing.
- Ensure that the drain water hose is not kinked.
NOTE
- Condensation can form inside the refrigerator due to frequent door opening, incorrectly stored food or food that is stored when it is too warm.
- Condensation must be drained with a constant slope.
Install the condensation drain as follows:
Variant 1:
Drill a hole through the floor at the rear of the refrigerator.
Install the drain water hose through the drilled hole. Ensure, that the drain water hose is long enough in order to drain the water outside of the vehicle.
Seal the area around the drain water hose.
Variant 2:
Attach the condensation hose directly to the fastening intended for it on the ventilation grill (fig.11 4, page 16).
6.6 Install the roof vent
| No. in fig.15 | Description |
| 1 | Hood |
| 2 | Installation frame |
Seal the installation frame to make the connection waterproof (fig.16).
Insert the installation frame and screw it down tightly (fig.17). Use all the fixing holes for this.
Insert the hood and screw it down tightly (fig.18, page 18).
6.7 Installing the flue duct
NOTE
- Install the Dometic gas flue kit 3776.
- To ensure optimal performance the minimum number of flue stacks required should be used.
- Mount the flue duct through the external wall (fig.19).
Install the flue duct as follows:
Make a rectangular opening in the outer wall of the vehicle (fig.20).
–The opening must be as wide as the flue pipe (fig.19 2).
–The opening must be high enough that the flue pipe fits through at a 45° angle.
Insert the coil (fig.19 7) in the flue pipe (fig.19 8) of the refrigerator.
Place the T-piece (fig.19 4) on the adaptor (fig.19 5) and the flue pipe (fig.19 8) of the refrigerator.
Direct the T-piece at an angle of 45° towards the rear wall.
Attach the T-piece, adaptor and flue pipe with a screw (fig.19 6).
Install the mounting plate (fig.21).
Fill the opening with fire-resistant material, e.g. stone wool (fig.21).
NOTE
In some installation situations, it is possible that the flue pipe would extend too far out of the vehicle in its installed state. Shorten the flue pipe to the correct length if necessary.
Slide the flue pipe at least 15 mm onto the T-piece (fig.21).
Attach the cover for the flue stack to the outside of the vehicle (fig.22).
6.8 Securing the refrigerator
WARNING! Risk of injury
To avoid a hazard due to instability of the appliance, it must be fixed in accordance with the instructions.
CAUTION!
Only screw through the bushes built into the refrigerator, otherwise foamed components, including electrical wiring, can be damaged.
NOTE
Ensure that the screws are tight, to prevent them coming loose under increased loads (while driving).
Move the refrigerator into its final location.
Fasten the six screws (fig.23 1) through the six plastic bushes in the sides of the refrigerator into the recess walls.
Put the caps (fig.23 2) into the bushes heads.
6.9 Positioning the shelves
WARNING! Children beware!
Fix and lock all shelves in place to prevent children from climbing inside the refrigerator.
Remove the shelf as shown (fig.14).
Re-assemble the shelf in the reverse order.
Connecting the refrigerator
7.1 Connecting to the gas supply
NOTICE!
- This refrigerator may only be connected to the gas supply by a specialist in accordance with the applicable guidelines and standards.
- Use flexible gas piping to ensure that the installation remains in a tensionless state (not included in the scope of the delivery).
A hose connection is not permitted. - Use a metal-sealed screw connection.
- The gas filter (white) in the refrigerator gas connection must not be removed.
- Only use cylinders of universal LPG gas fitted with an approved gas pressure regulator. Compare the pressure information on the data plate with the pressure information on the pressure regulator on the gas cylinder.
- Only operate the refrigerator at the pressure shown on the type plate.
- Only operate the refrigerator with the type of gas shown on the type plate.
- Please note the pressures which are permitted in your country. Only use pressure controllers with a fixed setting which comply with the national regulations.
NOTE
- It must be possible to shut off the refrigerator from the gas line separately by means of a shut-off device. The shut-off device must be readily accessible.
- The pressure of the gas supply must be 2.75 kPa. Check the pressure at the test point before using the refrigerator (fig.25 1, page 25).

| No. in fig.25 | Description |
| 1 | Pressure testing point |
| 2 | Manual shut-off |
| 3 | Refrigerator gas connection (5/8″ 18 UNF 2A) |
| 4 | Rigid gas piping |
Connect the flexible gas piping securely to the refrigerator gas connection (fig.25). Always use a back up wrench when loosening and tightening connections.
Have a leak test and a flame test performed by an authorized specialist after professional installation.
Ensure you are issued with a certificate of inspection and hand this certificate to the end user for safekeeping.
7.2 Connecting to DC and AC 
NOTICE!
- The electrical installation and repairs may only be performed by a specialist in accordance with the applicable regulations and standards.
- The device can be connected to 12VDC and 230–240VAC power supply.
- The respective negative and positive wires of the DC connections for heating and controls may not be joined with one another in a caravan. This can cause electrical interference or damage to electrical components.
- A connection from the heating element to the vehicle battery must only be made while the engine is running. (fig.26).
NOTE
- The mains socket must be readily accessible so that you can unplug it if required, thereby disconnecting the refrigerator from the power.
- The device plug must not be placed directly behind the ventilation grill in order to prevent the air circulation from being impaired and to protect the device plug from splashes of water.
- The plug of the AC connection cable must not be cut off.
- The connection cables must be laid so that they do not come in contact with hot parts of the unit/burner or with sharp edges.
- Changes to the internal electrical installation or the connection of other electrical components (e.g. extra third party fans) to the internal wiring of the refrigerator will void any claims from the guarantee and product liability.
- The refrigerator has a CI bus interface and can be controlled through a compatible central vehicle display.

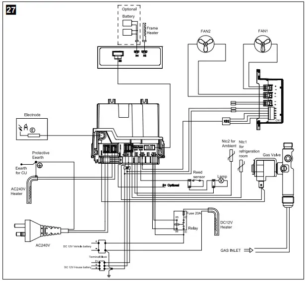
Connect the refrigerator according to fig.27, page 27.
DC power
WARNING! Fire hazard!
- The supply line to the heating element must be protected with a 20 A fuse.
- The supply line to the electronics must be protected with a 2A fuse.
NOTICE!
- The respective positive and negative supply lines of the DC connections for electronics and heating element may not be joined with one another and carried on a single wire. This can cause electrical interference or damage to electrical components.
Please note the following cable sizes:
- < 6m (in the interior): at least 6mm²
- > 6m (in the interior): at least 10mm²
- Connections electronics and heating element: 0.75mm²
- Connections D+: 0.75mm²
- Cable fed via drawbar (caravans only): 2.5mm²
AC power
Connect the refrigerator to an AC socket using the device plug.
7.3 Alternative connection methods for DC power supply
Connection to suit motor home or caravan with the D+ wire connected to the vehicle alternator or ignition switch.
No house battery recharging from the vehicle.
The D+ connection is taken to the vehicle alternator.
Anderson plug controlled by vehicle relay to the ignition switch. Power can only be supplied if the engine is running.
No house battery recharging from the vehicle.
Using a fridge movement switch to add 12 V
to the D+ connection wire, only when the vehicle is moving.
No house battery recharging from the vehicle.
The D+ is turned on and off via an optional fridge movement switch.
Using a fridge movement switch to add 12 V
to the D+ connection wire, only when the vehicle is moving. The Anderson plug connection must keep the house battery fully charged.
House battery recharged by vehicle.
The D+ is turned on and off via an optional fridge movement switch.
Anderson plug recharging the house battery via a power diode. The D+ wire can only get a 12 V signal when the battery is being charged.
House battery recharged by vehicle.
The D+ is turned on and off by the vehicle starting and stopping.
Technical data
| RMD10.5XS | |
| Total gross volume: Fridge storage volume: Freezer storage volume: AS/NZS 4474.1:2007 | 173 l 140 l 33 l |
| Connection voltage: | 230 – 240 V∼/ 50 – 60 Hz 12 V |
| Power input: | 250 W (240 V∼) 170 W (12 V |
| Power consumption: | 5.0 kWh/24 h (240 V∼) |
| Gas consumption: | 586 g/24 h |
| Climate class: | T |
| Dimensions in mm Width x Height – without flange: – with flange: Depth – overall (Door slider excluded) – from flange rear face: | 526 x 1246 550 x 1260 615 561 |
| Weight: | 52.5 kg |
| Inspection/certification: |
NOTE
The power and gas consumptions are measured at 32 °C ambient temperature with 3 °C average cooling temperature in the refrigerator compartment.
Detailed information
dometic.com
YOUR LOCAL
DEALER
dometic.com/dealer
A complete list of Dometic companies, which comprise the Dometic Group, can be found in the public filings of:
DOMETIC GROUP AB Hemvarnsgatan 15 SE-17154 Solna Sweden
More information https://www.caravansplus.com.au
4445103186
10/2020
References
again.no in parked
assistance.no
Dometic Outdoor USA - Compact solutions for Outdoor living | Dometic.com
Find a Dealer | Dometic.com
Domenenavnet er parkert hos UniWeb.no
running.no
Hjem - Switch
Home - this.no
times.by Выставлен на продажу
Caravan Accessories - CaravansPlus. Delivered Fast Australia



























